DOLBY虚拟扬声器(Blackfin)
详情介绍
概览
设计资源
评估硬件
产品型号带"Z"表示符合RoHS标准。评估此电路需要下列选中的电路板
- EVAL-CN0254-SDPZ ($75.00) Low Cost, 16-Bit, 250 kSPS, 8-Channel, Isolated Data Acquisition System
- EVAL-SDP-CB1Z ($99.00) Eval Control Board
优势和特点
- 最高8通道的精密转换
- 数字和功率电流隔离
- 电路板面积较小
电路描述
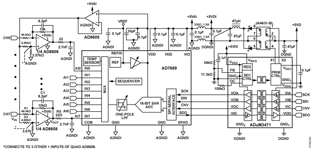
此电路配合 16位、8通道、250 kSPS PulSAR ADC AD7689 和两个低成本精密四通道运算放大器 AD8608 使用,在数据采集系统内提供所有信号调理和数字化功能。另外仅需要AD8605运算放大器,用于缓冲AD7689的基准电压。
AD8605 和AD8608分别是低成本单通道和四通道轨到轨输入和输出CMOS放大器。AD8608可对±10 V输入信号进行反转、电平转换和衰减,以便匹配ADC的输入范围,当使用+4.096 V基准电压源和+5 V单电源时,输入范围为0 V至+4.096 V。
AD8605用作外部基准电压缓冲器,为电平转换提供足够的驱动能力。AD8605和AD8608具有极低的失调电压、低输入电压和电流噪声以及宽信号带宽,因此适合各种应用。AD8608的低电流和电压噪声可确保电阻噪声是高输入阻抗输出噪声的主要因素。本电路中的输入阻抗(等于R1)为50 kΩ。
16位、8通道、250 kSPS PulSAR ADC AD7689内置多通道低功耗数据采集系统所需的所有元件。它包括一个16位SAR ADC、一个8通道低串扰多路复用器、一个低漂移基准电压源和缓冲器、一个温度传感器、一个可选单极点滤波器和一个通道序列器。序列器可用于连续扫描通道,且不需要微控制器或FPGA来控制通道开关。AD7689采用20引脚、4 mm × 4 mm LFCSP小尺寸封装,因此成本和印刷电路板(PCB)面积降至最低。工作温度范围为−40°C至+85°C。5 V电源、250 kSPS时的功耗为12.5 mW(典型值)。
ADuM3471为四通道数字隔离器,集成PWM控制器和变压器驱动器用以驱动隔离式DC/DC转换器。ADuM3471为电路提供5 V、2 W隔离电源,并在SPI接口隔离数字信号。
 
 模拟前端设计
  在过程控制和工业自动化系统中,典型的信号电平最高可达±10 V。图1电路使用具有衰减和电平转换功能的反相放大器,将±10 V信号转换为适合ADC范围的信号。
 
 电路公式如下:
 
 
 
 前端信号增益(−R2/R1)设置为−0.2,使得到达ADC的信号范围为4 V峰峰值。这与0 V至4.096 V的输入范围(等于基准电压VREF)相适合。
 
 
 对于O V输入信号,运算放大器的输出应位于中间电平或0.5 VREF。

把公式1代入公式2,得到

运算放大器输入端的共模电压通过下式计算:

For R3/R4 = 1.4 且 VREF = 4.096 V时,运算放大器的共模电压为1.7 V。
每个AD8608内有四个放大器,四个同相输入短接在一起并连接到电阻分压器R3/R4。第二个分压器用于第二个AD8608。要消除运算放大器输入偏置电流,

 
 电路输入阻抗为R1,理想情况下应较高。不过,电阻热噪声与电阻平方根成正比,因此系统噪声性能随该电阻值增加而下降。要决定最佳值,需要对噪声进行简单分析。
根据奈奎斯特准则,最大信号频率成分应小于最大采样速率的一半。AD7689 250 kSPS采样速率产生125 kHz的奈奎斯特频率。为了将此带宽内的信号衰减降至最低,前端的−3 dB截止频率被设计为奈奎斯特频率的大约12倍或1.5 MHz。
此电路的噪声模型如图2所示。本电路中有三种噪声源:电阻噪声、放大器电压噪声和放大器电流噪声。每个噪声源的均方根值如表1所示。有关运算放大器噪声的详情,请参见应用笔记AN-358和教程 MT-047、 MT-048和MT-049。
 
 

 
图2. AD8608反相配置的噪声模型
在目标带宽内,ADC之前的总均方根噪声应小于0.5 LSB,以便ADC可对输入信号进行正确数字转换。
电阻噪声可通过下式计算:

其中R单位为Ω。
使用图1所示电阻值和1.5 MHz带宽时的噪声性能总结在表1中。
这些不相关噪声电压以“方和根”形式相加;因此1.5 MHz带宽内的总运算放大器输出均方根噪声约为21.3 μV。对于4.096 V基准电压,16位LSB为62.5 μV。21.3 μV的均方根噪声小于0.5 LSB,所以图1所示电阻值适合本应用。
请注意,总输出噪声的最大来源是电阻R2,在本电路中为10 kΩ。减小R2值需要R1成比例下降,从而降低输入阻抗。
AD8608的输入电流噪声很小,除非使用极大电阻值,否则不会成为重要因素。AD8605和AD8608的低输入电流噪声和输入偏置电流使其成为高阻抗传感器(例如光电二极管)的理想放大器。
与R2并联地添加C1电容,以形成单极点、有源低通滤波器。带宽使用公式7计算。假定使用1.5 MHz、−3 dB带宽,C1约为10 pF。本电路中,考虑到PCB板的寄生效应,选择8.2 pF值。

表1. 图1所示电路值的噪声总结
| Noise Source | RMS Noise Density | RTO Factor(Equation) | RTO Factor | Output RMS Density(nV/√Hz) | Output RMS Noise, 1.5MHz Bandwidth(μV) | 
| eR1 | 28nV/√Hz | R2/R1 | 0.2 | 5.6 | 6.9 | 
| eR2 eR3 | 12.6nV/√Hz 9nV/√Hz | 
 1 (1+R2/R1)×{R4/(R3+R4)} 
 | 1 0.5 | 12,6 4.5 | 15.4 5.5 | 
| eR4 | 8nV/√Hz | (1+R2/R1)×{R3/(R3+R4)} | 0.7 | 5.6 | 6.9 | 
| en | 6.5nV/√Hz | 1+R2/R1 | 1.2 | 7.8 | 9.6 | 
| in+ | 0.01pA/√Hz | (1+R2/R1)×{(R3×R4)/(R3+R4)} | 2.5kΩ | 0.025 | 0.03 | 
| in- | 0.01pA/√Hz | R2 | 10kΩ | 0.1 | 0.12 | 
模数转换器(ADC)
AD7689是一款现代SAR ADC,使用内部开关电容DAC。由于采用SAR架构,转换过程中无流水线延迟,从而大大简化多路复用操作。图3显示等效模拟输入电路。小瞬态电流以采样频率注入模拟输入,由R5和C2组成的外部滤波器网络减小了它对运算放大器输出的影响。此外,滤波器带宽为2.7 MHz,可减少ADC输入端的噪声。

 
图3. AD7689的等效模拟输入电路
在4.096 V或2.5 V可选基准电压下,此电路的输入范围可在±10 V和±6 V之间切换,而不会降低系统分辨率。
内部温度传感器可用于监控AD7689的结温,实现精密应用中的系统校准和温度补偿。
隔离电源和数字I/O的单芯片解决方案
ADuM3471是用于电源和数字I/O隔离的单芯片解决方案。隔离电压为2500 V rms(UL 1577器件认可)。ADuM3471提供4通道隔离式I/O端口,并集成用于隔离式DC/DC转换器的PWM控制器和变压器驱动器。配合一些外部元件使用时,ADuM3471可通过任何调节电压(3 V至24 V)提供2 W隔离电源。必要的外部元件是一个用于电能传输的变压器、两个用于全波整流的肖特基二极管、一个用于纹波抑制的LC滤波器和两个用于设置输出电压的反馈电阻。详情参见ADuM3471数据手册和图1。
布局考量
该电路或任何高速/高分辨率电路的性能都高度依赖于适当的PCB布局,包括但不限于电源旁路、信号路由以及适当的电源层和接地层。有关PCB布局的详细信息,请参见教程 MT-031、 教程 MT-101和 高速印刷电路板布局实用指南(《模拟对话》一文。
有关CN-0254的完整设计支持包,包括原理图、电路板布局和BOM,请参阅http://www.analog.com/CN0254-DesignSupport。
系统性能
图4显示评估板端子板上的CH0至CH7短接到GND时,10,000个ADC的代码样本(1 kSPS时需要1秒)的曲线图。请注意,95%的代码处于4 LSB,峰峰值分布约为7 LSB。这对应于约7 ÷ 6.6 = 1.1 LSB的均方根值。
交流性能如图5所示。采样速率250 kSPS由系统演示平台 (EVAL-SDP-CB1Z SDP)控制,包括信号窗口和FFT的数字信号处理通过CN-0254评估软件在PC上计算。输入正弦波形为20 kHz音频,由低失真B&K正弦发生器Type 1051提供。

 
图5. KAISER窗口(参数 = 20)、20 KHZ输入、250 KSPS采样速率下的FFT
常见变化
对于需要更高采样速率的应用,AD7699采样速率高达500 kSPS,是AD7689的理想引脚替代产品。
AD8615、 AD8616 和 AD8618 分别为单通道/双通道/四通道精密、CMOS、轨到轨输入/输出运算放大器,带宽最高可达20 MHz。可用于带宽需求比AD8605/AD8608 系列更高的应用。
ADR3412 (1.200 V)、ADR3420 (2.048 V)、ADR3425 (2.500 V)、ADR3430 (3.000 V)、ADR3433 (3.300 V)、ADR3440 (4.096 V) 和 ADR3450 (5.000 V)均为低成本、低功耗、高精度CMOS基准电压源,具有±0.1%的初始精度、低工作电流和低输出噪声特性,采用SOT-23小型封装。如果需要,这些器件可代替AD7689内部基准电压源。
ADuM3470、 ADuM3471、ADuM3472、ADuM3473和ADuM3474 非常适合需要电源和数字I/O隔离的应用。ADuM120X 和ADuM140X系列用于隔离式I/O扩展。针对高数据速率,ADuM344X系列最高支持150 Mbps。
电路评估与测试
- 带USB端口的Windows® XP、Windows Vista(32位)或Windows 7(32位)PC
- EVAL-CN0254-SDPZ电路评估板
- EVAL-SDP-CB1Z系统演示平台评估板
- 电源:6 V(直流),500 mA
- CN0254评估软件
- B&K正弦发生器Type 1051
开始使用
将CN-0254评估软件光盘放进PC的光盘驱动器,加载评估软件。打开“My Computer(我的电脑)”,找到包含评估软件光盘的驱动器,打开Readme文件。按照Readme文件中的说明安装和使用评估软件。
功能框图
图6所示为测试设置的功能框图。EVAL-CN0254-SDPZ-PADSSchematic pdf文件包含CN-0254评估板的详细电路原理图。CN-0254设计支持包,包括原理图、PCB布局、BOM和Gerber文件,可从http://www.analog.com/CN0254-DesignSupport下载。
设置与测试
将CN-0254评估电路板上的120引脚连接器连接到EVAL-SDP-CB1Z评估(SDP)板上的CON A或CON B连接器。使用尼龙五金配件,通过120引脚连接器两端的孔牢牢固定这两片板。将直流输出电源成功设置为6 V输出后,关闭电源。将6 V连接到CN2。接通电源,然后使用USB转miniUSB电缆将SDP连接到PC。
设置电源并将其连接到EVAL-CN0254-SDPZ 电路板后,启动评估软件。单击“Connect(连接)”,以便让软件与SDP板通信。SDP板可用于发送、接收、捕捉来自EVAL-CN0254-SDPZ板的串行数据。本电路笔记中的数据使用B&K正弦发生器Type 1051生成。有关SDP板的信息,请访问: www.analog.com/SDP
讨论
样片申请及购买
样片
| 产品 | 描述 |  可提供样片的  | 
| AD8605 | 精密、低噪声、轨到轨输入输出、CMOS运算放大器(双路) | AD8605ARTZ-REEL7 | 
| AD8609 | 精密、四路、微功耗、轨到轨输入/输出放大器 | AD8609ARUZ AD8609ARZ | 
| AD7689 | 16位、4通道/8通道、250 kSPS PulSAR® ADC | AD7689ACPZ AD7689BCBZ-RL7 AD7689BCPZ | 
| ADUM3471 | 隔离式开关稳压器(3/1通道方向性) | ADUM3471ARSZ ADUM3471CRSZ ADUM3471WARSZ ADUM3471WCRSZ | 
| ADP3336 | 小型、可调输出、500 MA ANYCAP®低压差稳压器 | ADP3336ARMZ-REEL7 | 
| AD8608 | 低噪声、CMOS、轨到轨输入/输出精密四通道运算放大器 | AD8608ARUZ AD8608ARZ | 
- 加入我的myAnalog 登录 myAnalog






