应用与设计

DOLBY_11

针对SHARC处理器的Dolby Digital Plus,又称增强型AC-3 (E-AC-3)库是一款高级环绕声音频编解码器,专为满足不断发展的媒体需求而设计。
详情介绍

概览

产品详情

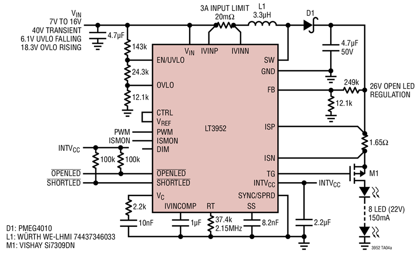
2MHz Boost LED Driver with 4000:1 PWM Dimming and Overvoltage Protection

LT3952 是一款电流模式升压型 DC/DC 控制器,其具有一个内部 60V、80mΩ DMOS 电源开关。LT3952 专为驱动采用多种配置的高功率 LED 而设计。它把输入和输出电流调节环路与输出电压调节组合起来,可充当一个灵活的电流 / 电压源。