登录
|
免费注册
快易购首页
|
技术文库
|
行业动态
|
数据上传
|
创客窝
网站导航
|
联系客服
|
应用与设计
应用与设计
请输入需要搜索的应用
处理器和DSP>软件
DolbyDigital (AC-3) 5.1解码器(Blackfin)
Analog
ADI针对Blakfin处理器的Dolby® Digital (AC-3) 5.1解码器库是Dolby Digital消费电子解码器(DDCD)的实施方案,符合高级电视系统委员会(ATSC) AC-3标准。
详情介绍
数据手册
1
查看全部
概览
产品详情
产品详情
<img src='http://www.analog.com/-/media/analog/en/circuit-collections-images/ltc/442-circuit-1.jpg?la=en&w=435' alt='Wideband, High Input Impedance, Gain = 1000 Amplifi er'>
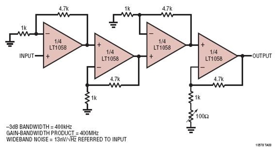
增益在 4 个级联的放大器部分之间均匀分布,因此每个部分的增益约为 5.6。使增益均匀地分布可提供最佳的带宽。对末级进行修整可校正电阻器偏差,以使总增益达 1000x。
相关分类
放大器
相关产品
LT1058
文档
查看全部 (1)
数据手册 (1)
数据手册
(1)
PDF
331.00K
LT1057/LT1058: Dual and Quad, JFET Input Precision High Speed Op Amps Data Sheet