DTSDE-13
详情介绍
概览
设计资源
评估硬件
产品型号带"Z"表示符合RoHS标准。评估此电路需要下列选中的电路板
- EVAL-ADAS1000SDZ ($199.00) Powering an ECG Front End in Battery Powered Patient Monitoring Applications
- EVAL-SDP-CB1Z ($99.00) Eval Control Board
驱动/参考代码
Software such as C code and/or FPGA code, used to communicate with component's digital interface.
ADAS1000 - Microcontroller No-OS Driver
ADAS1000: Low Power, 5-Electrode Electrocardiogram (ECG) Analog Front End (AFE) Linux Driver
优势和特点
- 完整集成ECG前端
- 低功耗
- 低噪声
电路功能与优势
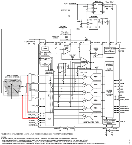
本电路是高度集成的心电图(ECG)前端,用于电池供电式 病人监护应用。
图1显示典型5导联(4个肢体导联和1个前胸导联)ECG测量 系统物理连接的顶层框图,该系统集成了呼吸与起搏检测 功能。这种配置通常用于便携式遥测ECG测量或线路供电 式床边仪器的最小导联设置。
在皮肤表面测量时,ECG信号幅度较小,通常为1 mV。有 关病人的健康及其它参数的重要信息都蕴藏在那个小信号 之中,因此要求器件具有μV级的测量灵敏度。就系统而 言,许多医疗标准都要求最大噪声不超过30μV p-p;然而, 设计人员通常把这一数值定的更低。因此,设计满足系统 层面需求的解决方案时,必须考虑所有的噪声源。
 ADAS1000的额定噪声性能针对多种不同的工作环境。电 源须经过设计,确保不会降低整体性能。选择ADP151 线性 稳压器是由于它的超低噪声性能(9μV rms典型值,10 Hz至 100 kHz),配合ADAS1000的电源抑制性能,可确保ADP151 产生的噪声不影响整体噪声性能。
 
 
 
 
     电路描述
ADAS1000五电极ECG模拟前端(AFE)解决新一代低功耗、 低噪声、高性能、系留式和便携式ECG系统带来的挑战。
ADAS1000是一款高度集成的芯片,由五个电极输入和一 个专用右腿驱动(RLD)输出参考电极组成,专为监控与诊 断级ECG测量而设计。
除了支持监控ECG信号的基本元件,ADAS1000还配备了 呼吸测量(胸阻抗测量)、起搏伪像检测、导联/电极连接状 态以及内部校准等功能。
单个ADAS1000支持5个电极输入,轻松进行传统的6导联 ECG测量。并联第二个ADAS1000从机设备便可将系统调 节到真正的12导联测量(由9个电极和1个RLD组成),若加 入多个从机设备(3个或更多),便可将系统调节到15导联测 量甚至更多。
 
呼吸
  ADAS1000集成用于在46 kHz至64 kHz的可编程频率下进行 呼吸驱动的数模转换器(DAC),以及用于简化这一复杂测 量过程的模数转换器(ADC)。测量信号经解调,转换为幅 度和相位信息,可据此确定相应的呼吸信息,从而得到具 体的线缆参数。本电路使用内部电容时分辨率为200 mΩ, 使用外部电容时具有较高的分辨率(<200 mΩ)。电路具有灵 活的开关方案,允许测量三个导联中的一个(I、II或III)。
 
起搏检测算法
  起搏检测算法在四根可能的导联线(I、II、III或aVF)中的 三根上运行三个数字算法实例。它与内部抽取和滤波并行 针对高频心电图数据运行。该算法设计用于检测并测量宽 度范围从100 μs到2 ms、幅度从400 μV到1000 mV的起搏伪 像。ADAS1000返回一个标志,用以表示是在一根还是多 根导联线上检测到起搏信号,同时返回检测到信号的高度 和宽度。当用户希望运行自己的数字起搏算法时, ADAS1000提供了一个高速起搏接口,以极快的数据速率 (128 kHz)提供ECG数据,与此同时,标准接口上经过滤波 和抽取的ECG数据保持不变。
 
低功耗
  ADAS1000针对低功耗设计,仅需21 mW便可进行5个ECG电 极的测量。若需进一步降低电池供电式动态心电和遥测仪 等应用的整体功耗,所有未用到的通道和特性都可轻松禁 用,以便进一步将单个ECG导联的功耗降低至11 mW。
 
低噪声
  若需在不同条件下进行正确诊断,则低噪声性能至关重 要。终端设备需要借助于ADAS1000的噪声性能,以符合 监管标准。ADAS1000允许在噪声性能、功耗以及数据速 率之间进行权衡取舍,适合用于多种产品之中。在功耗并 非主要问题的线路供电式ECG系统中,ADAS1000的性能 同样非常出色。
使用器件的高性能模式可优化其噪声性能,该模式下片上 SAR ADC的采样速率上升至2 MSPS,因此具有更高的信噪 比(SNR)。
 
灵活的数据速率
  标准串行接口可输出所有ECG相关信息,包括导联脱落状 态、起搏、呼吸和其它辅助功能。统称“包”或“帧”的大量 32位或16位数据字通过数据总线的串行SDO引脚输出。提 供不同的数据帧速率(2 kHz、16 kHz或128 kHz),确保最终 简化数据采集任务。最低的数据速率(2 kHz)可实现更多抽 取功能,并且针对低噪声性能优化了帧数据速率。还可在 跳跃模式下读取数据,该模式每次都在第二或第三个字时 从设备读取包或帧。数据速率最低为500 Hz。
ADAS1000评估板连接SDP板的照片见图2。
评估板设计为提供1导联至12导联ECG测量。
 
 
 
 
     
用于便携式ECG应用中的电池
用于便携式ECG设备中的电池种类各异,在某些情况下可 能会用AA或AAA电池,方便更换或充电。
电池增加了仪器仪表的整体重量。由于病人的舒适度非常 重要,因此减少整体解决方案的尺寸和重量并保持电池寿 命就成了便携式ECG应用的首要考量因素。
最新产品倾向于使用化学电池,如锂离子电池,并且电池 供电时间可从几小时到几天,具体时间视产品而定。
电池电压范围取决于系统中元器件的电源范围。 ADAS1000需要3.3 V的AVDD。因此,若使用了ADP151稳压 器,则电池必须供应至少3.7 V的电源,所需裕量为400 mV。 锂离子或锂聚合物电池的标称电压为3.7 V;然而,放电电 压大约为3.2 V。因此,需要两个堆栈确保ADP151达到3.7 V 的最小电压。
 
 选择合适的电源解决方案
 
 
ADAS1000至少需要两条供电轨——AVDD和IOVDD。如表 1所示, ADCVDD和DVDD供电轨是可选的; 使用 ADAS1000集成的片上LDO,可分别从AVDD或IOVDD供 电轨获取电源。
表1. ADAS1000所需的电源
 
| 供电轨 | 电压范围 | 功能 | 
| AVDD | 3.3V±5% | Analog supply rail | 
| IOVDD | 1.65V to  3.6V | Digital interface supply rail | 
| ADCVDD (optional) | 1.8V±5% | ADC supply rail; can be derived from AVDD using internal LDD | 
| DVDD (optional) | 1.8V±5% | Digital supply rail; can be derived from IOVDD using internal LDD | 
AVDD和IOVDD在评估板上由3.3 V电源供电。为IOVDD供 电轨选择3.3 V,以保持与 EVAL-SDP-CB1Z上的SPORT接口 兼容。若需要与工作在较低电源电压下的微控制器接口, 则IOVDD电源电压可低至1.65 V。
或者, 如果需要电源效率更高的解决方案, 可通过 ADAS1000上的硬件引脚(VREG_EN)禁用ADCVDD和 DVDD内部供电轨,以便通过外部电源驱动ADCVDD和 DVDD供电轨。由于ADCVDD供电轨在片上为ADC供电, 必须尽量保持其干净,并且一定不能与含有噪声的数字电 源一同使用。
根据具体的工作模式,为单个ADAS1000供电的AVDD供电 轨电源电流通常在8 mA和15 mA之间,并使能所有5路通 道;可禁用不工作的通道以降低功耗。
专用的ADP151同时作用于评估板上的AVDD和IOVDD电 源。注意每个ADP151都可驱动200 mA电流,因此可为系统 内的其它元器件供电。ADP151稳压器的输入来自电路板 上供其它用途的5 V供电轨。
加入适当的滤波后,单个ADP151即可同时提供AVDD和 IOVDD供电轨的电源,确保AVDD供电轨不受IOVDD供电 轨上的任何数字噪声影响。
EVAL-ADAS1000SDZ评估板设计成能够以大约250 mA为 EVAL-SDP-CB1Z板提供所需的5 V电源。 ADP2503降压/升压 DC-DC转换器可由连接板卡的4.5 V至5.5 V输入电源产生5 V 供电轨。
若该硬件连接SDP板并由电池供电,则总功耗将很快耗尽 电池的电量。
常见变化
ADAS1000系列中的其它引脚兼容型ECG前端提供的功能 较少。例如, ADAS1000-4 是3通道版本,带起搏与呼吸检 测功能;ADAS1000-3 提供3路ECG通道但不带起搏或呼吸 检测功能。ADAS1000-2是配套器件,具有5路ECG通道, 适用于组合配置模式,支持12导联ECG测量(9个ECG电极 和1个RLD)。表2列出了该系列各产品间的差异。这些产品 系列确保了灵活的配置,可从较少的导联数一路扩展至15 导联测量,甚至更多。
可将DC-DC转换器用于电源以获得更高的效率,但需谨慎 布局布线并避免纹波噪声。
表2. ADAS1000系列不同产品的功能概览
 
| 产品型号 | ECG | 操作 | 右腿驱动 | 呼吸 | 起搏检测 | 屏蔽 驱动器 | 主接口1 | 封装选项 | 
| ADAS1000 | Five ECG channels | Master/slave | Yes | Yes | Yes | Yes | Yes | LFCFP, LQFP | 
| ADAS1000-1 | Five ECG channels | Master/slave | Yes | Yes | Yes | LFCFP | ||
| ADAS1000-2 | Five ECG channels | Slave | LFCFP, LQFP | |||||
| ADAS1000-3 | Three ECG channels | Master/slave | Yes | Yes | Yes | LFCFP, LQFP | ||
| ADAS1000-4 | Three ECG channels | Master/slave | Yes | Yes | Yes | Yes | Yes | LFCFP, LQFP | 
1 主接口针对希望使用自有数字起搏算法的用户而提供,参见ADAS1000数据手册中的“第二串行接口”部分
电路评估与测试
需要以下设备:
- EVAL-ADAS1000SDZ套件,包括EVALADAS1000SDZ评 估板、5 V壁式电源、含有ADAS1000评估软件的CD
- EVAL-SDP-CB1Z系统演示板
- 集成USB端口的PC,且已安装ADAS1000评估软件
- 可用于信号捕捉的病人仿真器或函数发生器
有关如何使用ADAS1000评估板的详细说明,请参考 ADAS1000SDZ用户指南。图3显示使用评估板软件的典型 屏幕截图,评估板连接病人仿真器。
 
 
       
噪声测量
评估板软件用于捕获采用ADAS1000评估板时ECG导联路 径的峰峰值噪声性能。结果如图4所示。
器件配置条件如下:
 
 
- 增益设置为1.4
- ADC采样速率为2 MSPS(高性能模式)
- 数据速率为2 kHz
- 在数字导联模式下配置(数字计算型导联)
- ECG通道连接1.3 V内部测试音
 
 
       
x轴表示时间,显示几秒内的信号捕获;y轴的单位为μV, 表示这些条件下,信号在±7 μV范围内变化的噪声性能。这 与期望的ADAS1000性能一致,并且与使用低噪声线性台 式电源时相同硬件上的性能相当。它证明了评估板上的 ADP151电源电路并未导致ADAS1000整体噪声的显著增加。
使用本评估板和电路笔记的条件
 
有关完整的免责声明,请参考ADAS1000SDZ用户指南。
本评估板设计基于“原状”提供,无任何形式的明示或暗示 性担保,ADI公司及其附属机构、员工、董事、管理层、 委托人和代理人不承担使用本板卡或设计造成的任何法律 责任。除此之外,双方了解并同意:评估板或设计不允许 用于预料产品发生故障或失效可能会导致人身伤害或死亡 的安全至关重要的医疗应用中(如生命支持等)。不允许使 用本板卡作为诊断目的,不允许将其连接到人类或动物身 上。不可在除颤器或其它设备中使用本评估板,因为它们 产生的高压将超过板卡上的供电轨电压。
本评估板仅限评估和开发使用,不可用作最终产品,或作 为最终产品的一部分使用。在这些应用中以任何方式使用 本评估板或设计,则由使用者自行承担相关风险;由于未 经授权使用而给ADI公司、其附属机构、员工、董事、管 理层、委托人和代理人带来的全部责任和费用,应由使用 方赔偿全部损失。使用方全权负责遵守与此类使用相关的 所有法律和法规要求。
讨论
样片申请及购买
样片
| 产品 | 描述 |  可提供样片的  | 
| ADP151 | 超低噪声、200 mA CMOS线性调节器 | ADP151ACBZ-1.1-R7 ADP151ACBZ-1.2-R7 ADP151ACBZ-1.8-R7 ADP151ACBZ-2.75-R7 ADP151ACBZ-2.8-R7 ADP151ACBZ-3.0-R7 ADP151ACBZ-3.3-R7 ADP151ACPZ-1.5-R7 ADP151ACPZ-1.8-R7 ADP151ACPZ-2.5-R7 ADP151ACPZ-2.7-R7 ADP151ACPZ-2.8-R7 ADP151ACPZ-3.3-R7 ADP151AUJZ-1.2-R7 ADP151AUJZ-1.5-R7 ADP151AUJZ-1.8-R7 ADP151AUJZ-2.5-R7 ADP151AUJZ-2.9-R7 ADP151AUJZ-3.0-R7 ADP151AUJZ-3.3-R7 ADP151TUJZ3.3-EPR2 | 
| ADAS1000 | 低功耗、5电极心电图(ECG)模拟前端,提供呼吸测量和脉搏检测 | ADAS1000BCPZ ADAS1000BSTZ | 
- 加入我的myAnalog 登录 myAnalog




