应用与设计

CN0174

使用有源环路滤波器和RF预分频器的低噪声12 GHz微波小数N分频锁相环(PLL)
详情介绍

概览

产品详情

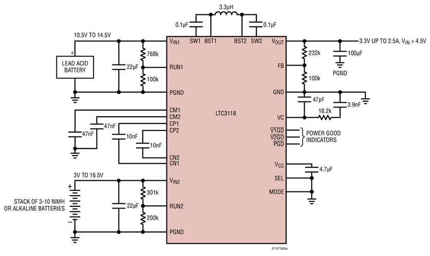
Dual Battery System to 3.3V VOUT, Runs from Lead Acid (Priority) When Present Automatic Burst Mode Operation

LTC3118 是一款双路输入、宽电压范围同步降压-升压型 DC/DC 转换器,其具有一种智能、集成型、低损耗电源通路 (PowerPath) 控制功能。独特的电源架构可在从输入电源至一个高于、低于或等于输入的可编程输出电压范围内实现高效运作。高达 18V 的电压能力提供了针对多种应用和电源的灵活性和电压裕量。