登录
|
免费注册
快易购首页
|
技术文库
|
行业动态
|
数据上传
|
创客窝
网站导航
|
联系客服
|
应用与设计
应用与设计
请输入需要搜索的应用
硬件参考设计>参考电路
CN0311
Analog
使用LO二分频调制器的宽带低误差矢量幅度(EVM)直接变频发射机
详情介绍
数据手册
1
查看全部
概览
产品详情
产品详情
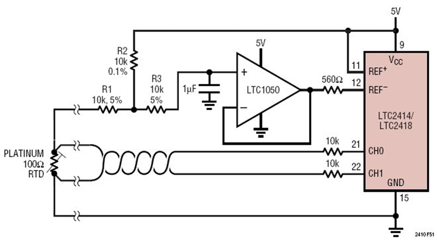
<img src='http://www.analog.com/-/media/analog/en/circuit-collections-images/ltc/216-circuit-1.jpg?la=en&w=435' alt='Remote Half Bridge Digitizer Platinum RTD with Noise Suppression on Reference'>
LTC2414 / LTC2418 是 8通道 / 16 通道 (4 个 / 8 个差分通道) 微功率 24 位ΔΣ模数转换器。这些器件可在 2.7V 至 5.5V 的电压范围内工作,并具有一个集成型振荡器、2ppm INL 和 0.2ppm RMS 噪声。它们采用 ΔΣ 技术,并提供了适合多路复用应用的单周期稳定时间。通过单个引脚可将 LTC2414 / LTC2418 配置为在 50Hz 或 60Hz ±2% 的频率下实现优于 110dB 抑制能力,或者,也可采用一个外部振荡器对其进行驱动,以获得一个用户定义的抑制频率。内部振荡器不需要外部频率设定组件。
相关分类
模数转换器
精密ADC (≤ 10MSPS)
相关产品
LTC2418
LTC2414
LTC1050
文档
查看全部 (1)
数据手册 (1)
数据手册
(1)
PDF
871.00K
LTC2414/LTC2418: 8-/16-Channel 24-Bit No Latency Delta Sigma ADCs Data Sheet
相关型号
相关型号
制造商
描述
ADL5385
Analog
30 MHz 至2,200 MHz 正交调制器
ADP3334
Analog
高精度、低IQ、500 MA ANYCAP®可调低压差稳压器
ADP150
Analog
超低噪声、150 mA CMOS线性调节器
ADF4351
Analog
集成VCO的宽带频率合成器