CN0393
详情介绍
概览
设计资源
评估硬件
产品型号带"Z"表示符合RoHS标准。评估此电路需要下列选中的电路板
- EVAL-CN0337-PMDZ ($40.00) 2-Bit, 300 kSPS, Single-Supply, Fully Isolated RTD Temperature Measurement System with 3-Wire Compensation
- EVAL-SDP-CB1Z ($99.00) Eval Control Board
- SDP-PMD-IB1Z ($55.00) PMOD to SDP Interposer Board
驱动/参考代码
Software such as C code and/or FPGA code, used to communicate with component's digital interface.
AD7091R - No-OS Driver for Renesas Microcontroller Platforms
AD7091R - No-OS Driver for Microchip Microcontroller Platforms
优势和特点
- 灵活的RTD调理和转换
- 温度补偿
- 完全隔离
电路功能与优势
电路描述
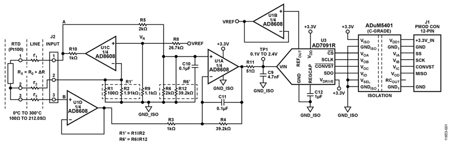
该电路的输入级是一个RTD信号调理电路,采用补偿三线式连接RTD。该电路将RTD输入电阻范围(100 Ω至212.05 Ω,0°C至300°C温度范围)转换至兼容ADC输入范围(0 V至2.5 V)的电压电平。
RTD激励电流由运算放大器U1C,四通道 AD8608的四分之一提供。100 mV基准电压VR由2.5 V ADC基准电压驱动的R8/R9分频器产生,进而生成VR/(R1||R2) RTD激励电流,数值约为1.05 mA。
当温度变化范围为0°C至300°C时,激励电流在RTD两端产生数值约为117.6 mV(105 mV至222.6 mV)的电压变化。U1A运算放大器将该电压变化放大19.6倍,产生2.3 V输出范围。电阻R2与电阻R1并联,对输出范围进行电平转换,以便U1A运算放大器输出0.1 V至2.4 V,从而匹配ADC的输入范围(0 V至2.5 V),同时提供100 mV裕量以保持线性度性能。可以修改电阻值,以适应本电路笔记后面部分所述的其他常用温度范围。
该电路设计支持单电源供电。AD8608的最小额定输出电压为50 mV(2.7 V电源)和290 mV(5 V电源),负载电流为10 mA,温度范围为−40°C至+125°C。在3.3 V电源、负载电流低于1 mA、温度范围更窄的情况下,保守估计最小输出电压为45 mV至60 mV。
考虑到器件的容差,最小输出电压(范围下限)设为100 mV,以提供安全裕量。输出范围的上限设为2.4 V,以便为ADC输入端的正摆幅提供100 mV的裕量。因此,运算放大器的标称输出电压范围为0.1 V至2.4 V。
运算放大器U1B用来缓冲 AD7091R (U3) ADC的内部2.5 V基准电压。
本应用中选用四通道运算放大器AD8608的原因是该器件具有低失调电压(最大值75 μV)、低偏置电流(最大值1 pA)和低噪声(最大值12 nV/√Hz)等特性。在3.3 V电源下,功耗仅为18.5 mW。
U1D运算放大器提供三线式校正信号,可补偿引线电阻r1和r2产生的误差。从点A到TP1的增益为+19.6,从点B到TP1的增益为−39.2。点A处的电压含有正误差项,数值等于r1和r2上的压降。点B处的电压含有正误差项,数值等于r2上的压降,可忽略r3上的小数值压降。由于点B到TP1的增益为负且数值等于点A到TP1增益的两倍,因此r1和r2上的压降产生的误差抵消(假定r1 = r2)。
运算放大器的输出级后接一个单极点RC滤波器(R11/C9),用于降低带外噪声。RC滤波器的截止频率设为664 kHz。在有低频工业噪声的情况下,额外的二阶滤波器(增加电容C10和C11)用于降低滤波器截止频率。此时,AD7091R将不会工作在最大吞吐速率下。为了提升转换速度,请勿填充C10和C11。
选择AD7091R12位1 MSPS SAR ADC是因为其在3.3 V (1.2 mW)下的功耗超低,仅为349 µA,显著低于当前市场上竞争对手的任何ADC。输入带宽为7.5 MHz,且高速串行接口兼容SPI。AD7091R还内置一个2.5 V的基准电压源,其典型漂移为±4.5 ppm/oC。AD7091R采用小型10引脚MSOP封装。
采用3.3V电源供电时,该电路的总功耗(不包括ADuM5401隔离器)约为20 mW。
电流隔离由四通道数字隔离器ADuM5401 (C级) 提供。除了隔离输出数据以外,ADuM5401还为该电路提供隔离+3.3 V电源。除非需要隔离,否则电路正常运行时并不需要ADuM5401。ADuM5401四通道2.5 kV隔离器集成DC/DC转换器,采用小型16引脚SOIC封装。ADuM5401在7 MHz时钟频率下的功耗约为140 mW。
AD7091R需要50 MHz的串行时钟(SCLK),方能实现1 MSPS的采样速率。然而,ADuM5401(C级)隔离器的最大数据速率为25 Mbps,对应的最大串行时钟频率为12.5 MHz。另外,SPI端口要求,SCLK的后沿将输出数据驱动至处理器,因此,ADuM5401的总双向传播延迟(最大值120 ns)将时钟上限限制在1/120 ns = 8.3 MHz。
尽管AD7091R是一款12位ADC,但串行数据同样被格式化为16位字,以便与处理器串行端口要求相兼容。因此,采样周期TS包括AD7091R 650 ns的转换时间加上58 ns(数据手册要求的额外时间,t1延迟 + tQUIET延迟),再加上用于SPI接口数据传输的16个时钟周期。
为了提供安全裕量,建议将SCLK和采样速率的最大值分别设为7 MHz和300 kSPS。数字SPI接口可以用12引脚且兼容Pmod的连接器(DigilentPmod规格)连接到微处理器评估板。
 
 
      
图2所示电路可将100Ω至212.05Ω的RTD电阻变化转换为0.1 V至2.4 V的输出电压变化,兼容ADC输入范围。此外,该电路还可消除与导线电阻r1和r2 有关的误差。

增益、输出失调、电阻值和容差的计算
若温度范围为0°C至300oC,则RTD Pt100电阻范围为100Ω至212.05Ω,且图2中电路的输入电阻变化ΔR为0Ω至112.05Ω。因此,由等式3得到的电路增益为:


若满足此条件,则0°C时R1′ = R0 = 100 Ω ,且 VOUT = 0 V。
现在,必须将电路的输出失调设为0.1 V。使输出发生偏移的一种简单方法是让电阻R1′略为低于R0。注意,这样会成比例影响增益。0.1 V输出失调约为2.3 V总范围的4.35%,因此比例R1′/R0必须低于0.9565。若要保持高输出电平为2.4 V,则比例R4/R3可按比例校正。例如,R4 = 0.9565 × 41.06 × R3 =39.27 kΩ。使用图1中的标准电阻值,则电路能够提供所需增益和输出失调的良好近似值。通过将电阻R2 = 1.91 kΩ与电阻R1 = 100 Ω并联连接,可形成R1′。
对于任何其他温度范围,或任何其他温度传感器而言(比如Pt200、Pt500、Pt1000、Pt2000),电阻值必须如下所示重新计算:
- 选择R3值(例如 1 kΩ),然后使R5 = R6 = 2R3。
- 选择经过传感器的激励电流IR,然后计算VR= IR × RX_low其中,RX_low = 范围内最低温度时的RTD电阻。
- 选择R9数值(例如R9 = 1 kΩ), 然后计算R8:
  
 其中,VREF = 2.5 V = ADC基准电压。
- 计算A = 0.0435 × (RX_high – RX_low)其中,A = 用来完成计算过程所需的临时常数。RX_high = 范围内最高温度时的RTD电阻。
- 计算 R0 = RX_low – A。
- 计算R0 = R1 × R2/(R1 + R2) ,然后选择R1和R2值。建议选择标准R1值,使其等于RX_low,然后计算R2。
- 计算
  
 其中,B= 用来完成计算过程所需的临时常数。
- 计算R4 = B × R3,确保R12 = R4。
精度分析
等式1表示所有电阻都会对总误差产生影响。如果仔细选择这些值,因使用替代标准值电阻导致的总误差可降至几个百分点以下。然而,应通过等式1来重新计算U1A运算放大器在100Ω和212.05Ω输入下的输出,以确保维持所需裕量。在实际电路中,选择最接近现有标准的电阻值。电阻Rl、R2、R8和R9为0.1%、25 ppm/°C。电路中的其他电阻为1%、100 ppm/°C: R3、R4、R5、R6和R12。
这类电路的绝对精度主要取决于电阻,因此,需要进行增益和失调校准,以消除因替代标准值电阻和电阻容差导致的误差。
电阻温度系数对总误差的影响
公式1表明,输出电压与以下九个电阻相关:R1、R2、R3、R4、R5、R6、R8、R9和R12。
TP1处的满量程输出电压对这九个电阻中每个阻值的微小变化敏感,其灵敏度通过仿真程序计算。电路的输入RTD电阻为212Ω。计算得到的各灵敏度为SR1 = 1.83、SR2 = 0.09、SR3 = 0.94、SR4 = 0.94、SR5 = 1.35、SR6 = 1.28、 SR8 = 0.97、SR9 = 0.96和SR12 = 0.07。假设各温度系数以和方根(rss)方式组合,则25 ppm/°C电阻R1、R2、R8、R9以及100 ppm/°C电阻R3、R4、R5、R6、R12的总满量程漂移约为:

236 ppm/°C的满量程漂移对应于0.024% FSR/°C。若温度发生±10°C变化,则误差为±0.24% FSR。
若全部九个电阻均采用25 ppm/°C电阻,则可降低满量程漂移至大约80 ppm/°C(或者0.008% FSR/°C)。
完成校准过程后,电阻容差导致的误差、AD8608运算放大器(75 μV)以及ADC AD7091R产生的失调均被消除。依然有必要计算并验证运算放大器输出在所需的范围内。
有源元件温度系数对总误差的影响
AD8608运算放大器(75 μV)和AD7091R ADC的直流失调由校准程序消除。
ADC AD7091R内置基准电压源的失调漂移典型值为4.5 ppm/°C,最大值为25 ppm/°C。
AD8608运算放大器的失调漂移典型值为1µV/°C,最大值为4.5µV/°C。
请注意,如果采用50 ppm/°C或100 ppm/°C电阻,则总漂移的最大来源是电阻漂移,有源元件产生的漂移可忽略。
引脚线路电阻补偿
图1中的电路可针对引脚线路电阻(r1、r2和r3)进行完全补偿。然而,若等式3有任何失配,则引脚线路r1和r2会对测量产生误差。第三个引脚线路r3不会对电路产生影响,因为它与U1D的高阻抗输入相连。
电路的线性度不受引脚线路r1和r2的影响,哪怕等式3有失配。
RTD线性化
图1中的电路就RTD的电阻变化而言是线性的。然而,RTD传递函数(电阻与温度的关系)是非线性的。因此,需要进行线性化,以消除RTD的非线性误差。对于涉及到微控制器的系统而言,通常采用软件来完成线性化。AN-709应用笔记讨论了有关Pt100 RTD传感器的部分线性化技术。CN0337评估软件中采用了同样的技术来消除Pt100传感器的非线性误差。
两点校准前后的测试数据
为了执行两点校准,先向输入端施加100 Ω的精密电阻,并将ADC输出代码记为Code_1。然后,向输入端施加212.05 Ω精密电阻,再将ADC输出代码记为Code_2。增益系数通过下式计算:

通过比较使用元件标称值计算得到的理想传递函数和未校准实际电路传递函数,可以得到校准前的误差。测试电路采用±1%、±100 ppm/°C电阻构建(R1、R2、R8和R9除外,它们是±0.1%、±25 ppm/°C电阻)。测试在室内环境温度下采用印刷电路板(PCB)完成。
图3所示为温度不发生变化的情况下部分测试板校准前后的测试结果。如图所示,校准前的最大误差约为0.27%FSR。校准后,误差降至±0.037% FSR,大致相当于ADC的1.5 LSB误差。
 
 
       
在任何注重精度的电路中,必须仔细考虑电路板上的电源和接地回路布局。PCB应尽可能隔离数字部分和模拟部分。该系统的PCB采用简单的双层板堆叠而成,但采用4层板可以得到更好的EMS性能。有关布局和接地的详细论述,请参见MT-031指南;有关去耦技术的信息,请参见MT-101指南。AD8608的电源应当用10µF和0.1µF电容去耦,以适当抑制噪声并减小纹波。这些电容应尽可能靠近相应器件,0.1µF电容应具有低ESR值。对于所有高频去耦,建议使用陶瓷电容。电源走线必须尽可能宽,以提供低阻抗路径,并减小电源线路上的毛刺效应。ADuM5401 isoPower集成式DC/DC转换器要求在输入和输出电源引脚上进行电源旁路。请注意,引脚1与引脚2以及引脚15和引脚16之间需要低ESR旁路电容,这些电容应尽可能靠近芯片焊盘。为了抑制噪声并降低纹波,至少需要并联两个电容。针对VDD1和VISO,推荐的电容值是0.1µF和10µF。较小的电容必须具有低ESR,建议使用陶瓷电容。低ESR电容末端到输入电源引脚的走线总长不得超过2 mm。如果旁路电容的走线长度超过2 mm,可能会破坏数据。考虑在引脚1与引脚8及引脚9与引脚16之间实现旁路,除非两个公共地引脚靠近封装连在一起。更多信息请参考ADuM5401数据手册。
有关完整文档包,包括原理图、电路板布局和物料清单(BOM),请参考: www.analog.com/CN0337-DesignSupport。
高电压能力
这款PCB依据2500 V基本绝缘规范而设计。不建议进行2500 V以上的高电压测试。在高电压下使用该评估板时必须谨慎,而且不得依赖该PCB来实现安全功能,因为它未经过高电位测试(也称为高压测试或耐压绝缘测试),也未通过安全认证。
常见变化
经验证,采用图中所示的元件值,该电路能够稳定地工作,并具有良好的精度。可在该配置中采用其他精密运算放大器和其他ADC,以将电阻偏差输入范围转换成数字输出,用于本电路的各种其他应用中。
可依据“电路设计”部分的建议,针对0°C至300oC范围以外的输入温度重新设计图1中的电路。表1显示使用Pt100RTD传感器时,部分标准温度范围的计算结果。
表1.常见温度范围的电阻值
| Temperature Range | R1 | R2 | R4, R12 | 
| -50°C至 50°C | 79.4Ω | 7.82kΩ | 93.1kΩ | 
| 0°C 至 50°C | 100Ω | 11.7kΩ | 237kΩ | 
| 0°C 至100°C | 100Ω | 5.83kΩ | 118kΩ | 
| 0°C 至 200°C | 100Ω | 2.91kΩ | 59kΩ | 
| 0°C 至300°C | 100Ω | 1.91kΩ | 39.2kΩ | 
| 0°C 至 400°C | 100Ω | 1.45kΩ | 29.4kΩ | 
| 0°C至 500°C | 100Ω | 1.17kΩ | 23.7kΩ | 
| 0°C 至 600°C | 100Ω | 976Ω | 19.6kΩ | 
| 0°C 至 700°C | 100Ω | 837Ω | 16.9kΩ | 
| 0°C 至 800°C | 100Ω | 723Ω | 14.7kΩ | 
'其他电阻值如图1所示( (R5 = R6 = 2 kΩ, R3 = 1 kΩ, R8 = 26.7 kΩ, R9 = 1.1 kΩ)
AD7091与AD7091R类似,但没有基准电压输出,而且输入范围等于电源电压。AD7091可与2.5 V ADR391基准电压源配合使用。ADR391不需要缓冲。
ADR391是一款精密2.5 V带隙基准电压源,具有低功耗、高精度(温度漂移为9 ppm/°C)等特性,采用微型TSOT封装。
AD8605和 AD8606分别是四通道 AD8608 的单通道和双通道版本,可按不同配置的需要代替AD8608使用。
AD8601、AD8602和AD8604分别为单通道、双通道和四通道轨到轨、输入和输出、单电源放大器,具有超低失调电压和宽信号带宽等特性,可以替代AD8605、AD8606和AD8608。
AD7457 是一款12位、100 kSPS、低功耗SAR ADC,在不需要300 kSPS吞吐速率的情况下,可以与ADR391基准电压源相配合,用于代替AD7091R。
电路评估与测试
- 带USB端口的Windows® XP、Windows Vista®(32位)或Windows® 7/8(64位或32位)PC
- EVAL-CN0337-PMDZ电路评估板
- EVAL-SDP-CB1Z SDP评估板
- SDP-PMD-IB1Z转接板
- CN0337评估软件
- 十倍频程精密电阻箱或Pt100传感器(若无电阻箱,可执行校准过程)
将CN0337评估软件光盘放进PC的光盘驱动器,加载评估软件。也可以从CN0337评估软件中下载最新版的评估软件。打开“My Computer”,找到包含评估软件光盘的驱动器,打开setup.exe文件。按照屏幕提示完成安装。建议将所有软件安装在默认位置。
图4显示测试设置的功能框图。
  
- 通过直流管式插孔将EVAL-CFTL-6V-PWRZ(+6 V直流电源)连接到SDP-PMD-IB1Z转接板。
- 通过120引脚连接器A将SDP-PMD-IB1Z(转接板)连接到EVAL-SDP-CB1Z(SDP板)。
- 通过12引脚接头Pmod连接器将EVAL-CN0337-PMDZ评估板连接到SDP-PMD-IB1Z转接板。
- 通过端子板J2将十倍频程电阻箱(Pt100传感器)连接到EVAL-CN0337-PMDZ评估板。
- 加入我的myAnalog 登录 myAnalog





 
 
         
 
      