12V Automatic PowerPath Switchover (Vbackup > Vprimary)
详情介绍
概览
设计资源
驱动/参考代码
Software such as C code and/or FPGA code, used to communicate with component's digital interface.
优势和特点
- 处理最高为4.8kHz的快速数据速率
- 24位压力应用电路
- 集成PGA允许使用多种传感器
电路功能与优势
电路描述
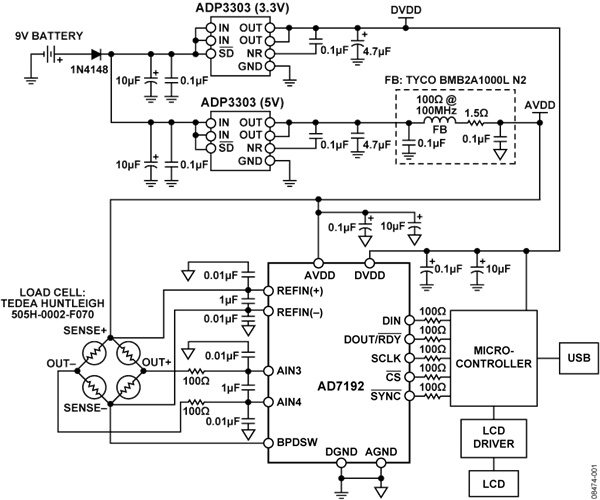
AD7192提供一种集成式电子秤解决方案,可以直接与称重传感器接口。只需在模拟输入端用一些滤波器,在基准电压引脚上配置一些电容等外部元件,便可满足电磁屏蔽(EMC)要求。来自称重传感器的低电平信号由AD7192的内置PGA放大。该PGA经过编程,以128的增益工作。AD7192的转换结果送至微控制器,将数字信息转换为重量并显示在LCD上。
 
图2所示为实际的测试设置。为实现最佳系统性能,该测试设置使用一个6线式称重传感器。除激励、接地和2个输出连接外,6线式称重传感器还有2个检测引脚。这些检测引脚分别与惠斯登电桥的高端和低端相连,因此可以精确测量电桥上产生的电压。此外,AD7192具有差分模拟输入,接受差分基准电压。称重传感器差分SENSE线路与AD7192基准电压输入端相连,可构成一个比率式配置,不受电源激励电压的低频变化影响。如果采用4线式称重传感器,则不存在检测引脚,ADC基准电压引脚将与激励电压和地相连。这种配置中,由于存在线路电阻,激励电压与SENSE+之间将有压降,因此系统不是完全比率式。另外,低端上也会有线路电阻引起的压降。
 
AD7192具有单独的模拟电源和数字电源。模拟部分必须采用5 V电源供电。数字电源独立于模拟电源,可以为2.7 V至5.25 V范围内的任意电压。微控制器采用3.3 V电源。因此,DVDD也采用3.3 V电源供电。这样就无需外部电平转换,从而可以简化ADC与微控制器之间的接口。
 
有多种方法可以为该电子秤系统供电,例如:利用主电源或利用电池(如图1所示)供电。一个5 V低噪声稳压器用来确保AD7192和称重传感器获得低噪声电源。低噪声稳压器ADP3303 (5 V)用来产生5 V电源。虚线框内显示的滤波器网络用来确保系统获得低噪声AVDD。此外,按照ADP3303 (5 V)数据手册的建议,在稳压器输出端配有降噪电容。为优化电磁屏蔽性能,稳压器输出先经过滤波,然后再给AD7192和称重传感器供电。3.3 V数字电源可利用ADP3303 (3.3 V)稳压器产生。由于电源或接地层上的任何噪声都会给系统带来噪声,导致电路性能降低,因此必须用低噪声稳压器产生供给AD7192和称重传感器的全部电源。
 
如果使用灵敏度为2 mV/V的2 kg称重传感器,则激励电压为5 V时,来自称重传感器的满量程信号为10 mV。称重传感器具有相关失调电压或TARE。此TARE的幅度最高可达称重传感器满量程输出信号的50%。称重传感器还有最高可达满量程±20%的增益误差。一些客户利用DAC来消除或抵消TARE。如果AD7192采用5 V基准电压,则增益设置为128且器件配置为双极性工作模式时,其模拟输入范围等于±40 mV。相对于称重传感器的满量程信号(10 mV)而言,AD7192的模拟输入范围较宽,这有利于确保称重传感器的失调电压和增益误差不会使ADC前端过载。
 
当输出数据速率为4.7 Hz时,AD7192的均方根噪声为11 nV。无噪声采样数等于
 
 
      其中系数6.6用来将均方根电压转换为峰峰值电压。
以克(g)为单位表示的分辨率等于
 
 
      无噪声码分辨率等于
 
 
      在实际操作中,称重传感器本身会引入一定的噪声。AD7192的漂移也会导致称重传感器发生一定的时间和温度漂移。为确定完整系统的精度,可以将该电子秤通过USB连接器与PC相连,然后利用LabView软件评估电子秤系统的性能。图4显示将1 kg重物置于称重传感器上,并收集500次转换结果所测得的输出性能。软件计算的系统噪声为14 nV和98 nV(峰峰值),相当于102,000无噪声采样数或16.6位无噪声码分辨率。
常见变化
AD7192是一款高精度ADC,适用于高端电子秤。其它合适的ADC有 AD7190 和 AD7191。AD7190与AD7192引脚兼容,但前者的均方根噪声略低。当输出数据速率均为4.7 Hz时,AD7190的均方根噪声为8.5 nV,AD7192的均方根噪声为11 nV。AD7191是一款引脚可编程器件,具有四种输出数据速率和四种增益设置。由于它具有引脚可编程性能,并且功能较少,因此易于使用。AD7191的均方根噪声与AD7192相同。
AD7799适用于中端电子秤。当输出数据速率为4.17 Hz时,其均方根噪声为27 nV。
AD7798、 AD7781和AD7780均适用于低端电子秤。AD7798与AD7799的功能组合相同。在4.17 Hz时,其均方根噪声为40 nV。AD7780和AD7781均有一路差分模拟输入,并且引脚可编程,输出数据速率可以为10 Hz和17.6 Hz,增益可设置为1或128。当输出数据速率为10 Hz时,均方根噪声为44 nV。
与其它高精度电路一样,必须采用适当的布局、接地和去耦技术。欲了解更多信息,请参考 教程MT-031——“实现数据转换器的接地并解开AGND和DGND的谜团” ,以及 教程MT-101——“去耦技术”。



 
 
       
 
 
       