12V Automatic PowerPath Switchover (Vprimary > Vbackup)
详情介绍
概览
电路功能与优势
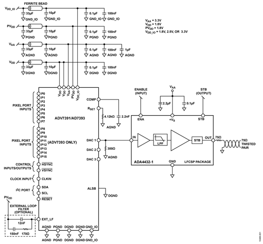
图1中的电路显示了数模视频转换器与输出具有电池短路(STB)保护功能的低成本、低功耗、完全集成式重构视频滤波器配对,非常适用于在恶劣的信息娱乐环境(例如汽车领域)中传输CVBS视频。尽管 ADV7391等许多视频编码器(视频DAC)都能直接驱动视频负载,但在视频编码器的输出端放置一个视频驱动器通常都很有好处,可用于实现省电、滤波、线路驱动以及过压电路保护功能。视频驱动器通常配置为有源滤波器(也称为重构滤波器),其主要用途体现在两个方面:阻止采样过程中引入视频信号的高频成分(奈奎斯特频率以上);提供增益以驱动连接到视频显示器的750Ω外部电缆。
后视摄像头和后座娱乐系统等信息娱乐及其它视频系统的设计人员都倾向于用这种电路来传输视频,其原因就如上文所述。然而,还有第三种迫切的设计问题,也就是鲁棒性。 ADA4432-1 和 ADA4433-1 为模拟视频设计人员提供集成式IC,这种IC具有至关重要的过压保护功能、强化的ESD耐受性能、出色的视频特性、较低的功耗以及线路诊断功能。
ADA4432-1和ADA4433-1是完全集成的视频重构滤波器,分别为单端和差分类型。二者使输出端具有高达18 V的过压保护(STB保护)功能,同时还具备低功耗特性和线路诊断功能。线路诊断功能通过逻辑输出方式提供,可在发生故障情况时激活。ADA4432-1和ADA4433-1内置一个高阶滤波器,该滤波器的−3 dB截止频率为10 MHz且在27 MHz时提供45 dB抑制性能。
凭借STB保护和鲁棒的ESD耐受性能,ADA4432-1和ADA4433-1能够在恶劣的环境中提供卓越的保护。
ADV7391和ADA4432-1完全符合汽车应用标准,非常适合汽车应用中的信息娱乐系统和视觉安全系统。ADV7391、ADA4432-1和ADA4433-1提供非常小的LFCSP封装,适合小空间应用。
 
 
     电路描述
ADV7391 是一款低功耗、完全集成式数字视频编码器,能够将来自CMOS成像设备的数字8位分量视频数据转换为与全球标准兼容的标准模拟基带视频信号。三个10位数模视频转换器(采用VAA = 2.6 V至3.46 V工作)支持标清(SD)或高清(HD)视频格式的复合(CVBS)、S视频(YC)或分量(YPrPb/RGB)模拟输出。图1中的电路配置为仅通过DAC1提供低输出驱动。为了进一步降低功耗,其它DAC和锁相环(PLL)均已关闭。低驱动模式定义为4.33 mA满量程输出电流。ADV7391包含一个RSET引脚。RSET引脚与AGND之间连接了一个电阻,用于控制满量程输出电流。对于低驱动操作,RSET必须等于4.12kΩ,RL必须等于300Ω。连接到RSET引脚的电阻必须有1%的容差。
ADV7391包含一个片内PLL,允许对视频数据进行过采样。如图1所示,PLL已禁用(子地址0x00,Bit 1 = 1),从而提供了2倍的SD过采样速率。在PLL禁用的情况下,为了节省空间和成本,移除了外部环路滤波器元件。
ADA4432-1可用作带不平衡传输线路的伪差分(单端)驱动器。伪差分模式使用一个导体来承载从驱动器传输到接收器的不平衡数据信号,另一个导体用作接地参考信号。
正极导体将ADA4432-1输出端连接到差分接收器的正输入端。来自源极电路的负极线或接地导体连接到接收器的负输入端。ADA4432-1的输出端接电阻应该与接收器输入端接电阻的阻抗相匹配。例如,在一个75Ω的系统中,ADA4432-1的每个输出端均后部端接75Ω电阻,这些电阻与接收器处的一个75Ω电阻相连。
在图1中,ADA4432-1配置为单端至单端驱动器,允许使用双绞线、非双绞线或同轴电缆进行不平衡传输。
低功耗考虑因素
与通过DAC输出直接驱动视频电缆相比,在低电源电压下利用ADA4432-1或 ADA4433-1和串联源端接和并联负载端接能够实现显著的省电效果。图2显示了直接驱动电缆的视频DAC。正确端接的DAC驱动传输线路要求将两个75 Ω负载并联,需要超过33mA的电流才能实现1.3 V的满量程电压电平。图3显示了利用ADA4432-1和串联-并联端接驱动相同视频负载的情况。这就要求有两倍的输出电压来驱动150Ω等效电阻,但只需要略高于15 mA的电流即可实现满量程输出。采用与DAC相同的电源电压时,与图2中的电路相比,这样可以省电74%。ADA4432-1提供的高阶滤波功能可降低DAC过采样速率要求,从而进一步降低功耗。图3所示配置实现省电的主要来源是ADV7391的低驱动模式设置。与过采样要求(PLL关闭)及所需负载电流的降低相结合,此模式可以明显降低功耗。
有关低驱动模式的详情,请参阅 ADV7391数据手册。
 
 
     图2. 利用DAC直接驱动视频传输线路
 
 
     图3. 利用ADA4432-1驱动视频传输线路
EMI和EMC考量
ADV7391 等视频DAC的模拟输出要求进行低通滤波,以去除频率高于采样速率或频率边带的无用信号成分。数模信号的转换会在频域中创建重复镜像,具体频率大小等于采样频率的倍数。重构滤波器的主要功能就是去除这些频率边带成分。此类滤波器可以显著衰减边带信号,从而防止在对DAC输出进行解码时出现混叠。混叠误差会导致图像质量问题。
此外,镜像频率边带会在输出走线和线路中造成辐射,可能对相邻电路及其它电子系统造成干扰。为了降低辐射影响,在沿印刷电路板(PCB)走线和传输电缆进行传输之前,应先去除所有无用的高频成分。ADA4432-1 可对DAC输出进行滤波并去除无用的高频内容,从而帮助降低EMI。图4至图6说明了这一点。
图4显示了不采用ADA4432-1的情况下ADV7391输出端CVBS视频信号的频谱。该频谱显示了内容带宽为6.5 MHz的信号,其边带为27 MHz、54 MHz、108 MHz等。ADV7391采用全输出驱动模式工作,PLL关闭且2倍过采样。
 
 
     图4. 直接在ADV7391输出端测量的CVBS(PLL关闭、2倍过采样和全输出驱动模式)
图5显示了不采ADV7391 的情况下ADA4332-1输出端相同CVBS信号的频谱。此处的差别在于,虽然ADV7391也采用全输出驱动模式工作,但是PLL开启且进行8倍过采样。
 
 
     图5. 直接在ADV7391输出端测量的CVBS(PLL开启、8倍过采样和全输出驱动模式)
图6显示了采用ADA4432-1对ADV7391输出进行滤波的情况下相同CVBS信号的频谱。所有边带均衰减到50 dB以下。ADV7391采用低输出驱动模式工作,PLL关闭且进行2倍过采样。
 
 
     图6. 在ADA4432-1输出端测量的CVBS(PLL关闭)
PCB布局考虑
在任何注重精度的电路中,必须仔细考虑电路板上的电源和接地回路布局。应尽可能隔离PCB的数字部分和模拟部分。本PCB采用4层板堆叠而成,具有较大面积的接地层和电源层多边形。有关布局和接地的详细论述,请参见 MT-031指南 ;有关去耦技术的信息,请参 MT-101 指南
通过10μF和0.1μF电容对ADV7391的电源进行去耦。通过0.1μF和22μF电容对ADA4432-1和 ADA4433-1输出放大器进行去耦,以适当地抑制噪声并减小纹波。这些电容应尽可能靠近相应器件,0.1μF电容应具有低ESR值。对于所有高频去耦,建议使用陶瓷电容。
两个IC应尽可能相互靠近,这点很重要。电源走线应尽可能宽,以提供低阻抗路径,并减小电源线路上的毛刺效应。通过数字地将时钟及其它快速开关数字信号屏蔽起来,使之不影响电路板的其它器件。
有关本电路笔记的完整设计支持包(包括电路板布局),请访问 http://www.analog.com/CN0264-DesignSupport
常见变化
许多应用都需要差分输出,而不是单端输出。对于此类应用,应以 ADA4432-1替换 ADA4433-1.
ADA4433-1是一款全差分滤波器/驱动器,可用作单端至差分放大器或差分至差分放大器。在图7中,ADA4433-1配置为单端至差分输出驱动器。在单端至差分输出应用中,对INN输入进行适当地偏置可优化输出范围。为了最有效地利用ADA4433-1的输出范围,尤其在电源电压较低的情况下,允许差分输出电压围绕输出共模电压(VOCM)电平(即电源电压中间值,1.65 V)沿正负两个方向摆动是非常重要的。
为此,应将−IN输入偏置到预期输入信号范围的中点,如图7所示。这通过使用分压器对电源电压进行分压来实现(3.3 V电源和GND之间连接的7.5 kΩ和1.33 kΩ将−IN偏置到0.5 V)。0.1μF电容有助于对高频电源噪声进行滤波。−IN偏置到0.5 V时,+IN上的1 V p-p单端信号可产生−0.5 V至+0.5 V的差分输入电压。所得差分输出在VOCM电平(1.65 V)上下摆动。ADA4433-1的输出电压范围现在为1.15 V至2.15 V,只需要1 V的输出范围即可在接收器处产生1 V p-p信号。
 
 
     
 图7. ADA4433-1典型应用电路
ADA4433-1 的差分输出允许使用双绞线或非双绞线进行完全平衡的传输。在这种配置下,差分输出端接电阻包括每个输出端连接一个源电阻。两个电阻均等于接收器输入端接电阻的一半。例如,在75Ω系统中,ADA4433-1的每个输出端后部均端接37.5Ω电阻,这些电阻与接收器处的75Ω差分电阻相连。
电路评估与测试
该电路使用EVAL-CN0264-EB1Z电路板,其中包含要评估的电路,如本笔记所述。Cypress USB微控制器用于配置EVAL-CN0264-EB1Z板并向/从该板加载软件。
设备要求
需要以下设备:
- 带USB端口的Windows® XP、Windows Vista®(32位)或Windows® 7(32位)PC
- EVAL-CN0264-EB1Z 电路评估板
- CN-0264 评估软件
- 电源:7.5 V壁式电源适配器
- 频谱分析仪:Agilent E4440A或等同产品
 
 
 
将CN0264评估软件光盘放进PC的光盘驱动器,加载评估软件。打开我的电脑,找到包含评估软件光盘的驱动器,打开Readme文件。按照Readme文件中的说明安装和使用评估软件。
功能框图
电路框图参见本电路笔记的图1,电路原理图参见EVALCN0264-EB1Z-SCH.pdf文件。此文件位于CN0264设计支持包中。
设置
在断电情况下,将一个7.5 V电源连接到板上的7.5 V引脚和GND引脚。如果有7.5 V壁式电源适配器,可将其连接到板上的管式连接器,代替7.5 V电源。将USB电缆连接到PC上的USB端口。此时请勿将该USB电缆连接到板上的微型USB连接器。
测试
为连接到EVAL- CN0264-EB1Z电路板的7.5 V电源(或壁式电源适配器)通电。启动评估软件,并通过USB电缆将PC连接到PCB上的微型USB连接器。
有关如何使用评估软件来捕捉数据的详细信息,请参阅CN-0264评估软件Readme文件。
讨论
- 加入我的myAnalog 登录 myAnalog




