Altera Nios II Embedded Evaluation Kit, Cyclone III Edition
详情介绍
概览
设计资源
评估硬件
产品型号带"Z"表示符合RoHS标准。评估此电路需要下列选中的电路板
- EVAL-AD7195EBZ ($59.00) Precision Weigh Scale Design Using a 24-Bit Sigma-Delta ADC with Internal PGA and AC Excitation
驱动/参考代码
Software such as C code and/or FPGA code, used to communicate with component's digital interface.
优势和特点
- 单电源供电的电子秤系统
- 通过AC激励驱动电桥
- 处理最高为4.8kHz的快速数据速率
- 集成PGA允许使用多种压力传感器
- 高精度压力应用
电路功能与优势
 
 
      电路描述
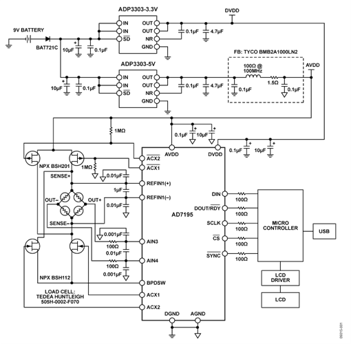
利用交流激励,即可使用外部MOSFET来切换称重传感器的激励电压极性。然后对相邻值求平均值,以消除直流感应偏差。AD7195包含内部逻辑来控制外部MOSFET的开关。来自AD7195的驱动信号经过精确定时,非重叠,可确保在切换桥式驱动电压的极性时不会发生短路。上拉和下拉电阻1 MΩ连接到ACX2和ACX2,防止上电时短路。
AD7195提供一种集成式交流激励称重传感器解决方案。AD7195可接受反向基准电压,当称重传感器的激励电压反向时,就需要这种特性。AD7195将交流激励与转换保持同步,然后求平均值。只需用到很少的外部元件。除了MOSFET晶体管外,只需在模拟输入端用一些滤波器,在基准电压引脚上配置一些电容等外部元件,便可满足电磁屏蔽(EMC)要求。
来自称重传感器的低电平信号由AD7195的内置PGA放大。该PGA经过编程,以128的增益工作。AD7195的转换结果通过USB接口送至PC。使用Labview软件可将转换结果转换为重量并显示。
图2所示为实际的测试设置。为实现最佳系统性能,该测试设置使用一个6线式称重传感器。除激励、接地和2个输出连接外,6线式称重传感器还有2个检测引脚。这些检测引脚分别与惠斯登电桥的高端和低端相连。因此,尽管线路电阻会引起压降,但仍能精确测量该电桥上产生的电压。此外,AD7195具有差分模拟输入,接受差分基准电压。称重传感器差分SENSE线路与AD7195基准电压输入端相连,可构成一个比率式配置,不受电源激励电压的低频变化影响,也无需精密基准电压源。如果采用4线式称重传感器,则不存在检测引脚,ADC基准电压引脚将与激励引脚EXC +和EXC -相连。这种配置中,由于存在线路电阻,EXC +/ EXC –引脚与SENSE+/SENSE-之间将有压降,因此系统不是完全比率式。
 
 
      
AD7195具有单独的模拟电源引脚和数字电源引脚。模拟部分必须采用5 V电源供电。数字电源独立于模拟电源,可以为2.7 V至5.25 V范围内的任意电压供电。
微控制器采用3.3 V电源。因此,DVDD也采用3.3 V电源供电。这样就无需外部电平转换,从而可以简化ADC与微控制器之间的接口。
有多种方法可以为该电子秤系统供电,例如:利用主电源或利用电池(如图1所示)供电。一个5 V低噪声稳压器用来确保AD7195和称重传感器获得低噪声电源。ADP3303 (5 V)是一款低噪声调节器,用来产生5 V电源。虚线框内显示的滤波器网络用来确保系统获得低噪声AVDD。此外,按照ADP3303 (5 V)数据手册的建议,在调节器输出端配有降噪电容。为优化电磁屏蔽性能,调节器输出先经过滤波,然后再给AD7195和称重传感器供电。3.3 V数字电源可利用ADP3303 (3.3 V)调节器产生。由于电源或接地层上的任何噪声都会给系统带来噪声,导致电路性能降低,因此必须用低噪声调节器产生供给AD7195和称重传感器的全部电源。
 
 如果使用灵敏度为2 mV/V的2 kg称重传感器,则激励电压为5 V时,来自称重传感器的满量程信号为10 mV。称重传感器具有相关失调电压或TARE。此TARE的幅度最高可达称重传感器满量程输出信号的50%。称重传感器还有最高可达满量程±20%的增益误差。一些客户利用DAC来消除或抵消TARE。如果AD7195采用5 V基准电压,则增益设置为128且器件配置为双极性工作模式时,其模拟输入范围等于±40mV。相对于称重传感器的满量程信号(10 mV)而言,AD7195的模拟输入范围较宽,这有利于确保称重传感器的失调电压和增益误差不会使ADC前端过载。 
当一阶滤波器陷波设置值为4.7Hz时,AD7195的均方根噪声为6 nV,峰峰值噪声为40 nV。当使用交流激励时(选中sinc4滤波器),这相当于1.17 Hz的输出数据速率。无噪声采样数等于

在实际操作中,称重传感器本身会引入一定的噪声。图3显示将1 kg重物置于称重传感器上,并收集500次转换结果所测得的输出性能。软件计算的系统噪声为10nV(均方根值)和51nV(峰峰值),相当于196,000无噪声数或17.5位无噪声分辨率(根据测得的峰峰值噪声计算得出)。
 
 
      图4显示重量方面的性能。相对于500个码,输出的峰峰值变化量为0.01克。因此,该电子秤系统的精度达到0.01克。
 
 
     
上图所示为连接称重传感器之后,从AD7195回读得到的实际(原始)转换结果。在实际操作中,电子秤系统会采用数字后置滤波器。在后置滤波器中另外执行均值计算会进一步提高无噪声采样数,但数据速率会降低。
与其它高精度电路一样,必须采用适当的布局、接地和去耦技术。欲了解更多信息,请参考 教程MT-031——“实现数据转换器的接地并解开AGND和DGND的谜团” ,以及 教程MT-101——“去耦技术”。
电路评估与测试
With the exception of the external load cell and the PC, the circuit shown in Figure 1 is contained on the AD7195 eval-uation board (EVAL-AD7195-EBZ ). Interface to the evaluation board is via a standard USB connec-tor, J1. J1 is used to connect the evaluation board to the USB port of a PC. A standard USB connector cable is included with the AD7195 evaluation board to allow the evaluation board to interface with the USB port of the PC. The AD7195 evaluation board can be powered using a 9 V battery, B1, or using an external 9 V dc source connected at J31. The 9 V is regulated down to 5 V using the on-board ADP3303-5, a high precision, low power 5 V output regulator. Using link J1, this regulated 5 V can be used as the supply to the AD7195.To use this option, link J1 should be placed in the 5 VBAT position.
Equipment Needed
The EVAL-AD7195-EBZ evaluation board and a PC running Windows® 2000, Windows XP, or Windows Vista (32-bit) are the only items required other than the external load cell. A Tedea Huntleigh 505H-0002-F070 load cell was used to obtain the results presented in this circuit note. The load cell is not shipped with the evaluation board and must be purchased from the manufacturer by the customer.
Getting Starting
The EVAL-AD7195-EBZ evaluation board is shipped with a CD containing software that can be installed onto a standard PC to control the AD7195. The software communicates with the AD7195 through the USB cable, which accompanies the board. The software allows conversion data to be read from the AD7195 and displayed or stored for later analysis.
The AD7195 evaluation board software should be installed using the supplied AD7195 evaluation board CD before connecting the board to the PC. Complete details can be found in the AD7195 evaluation board user guide (see the CN0155 Design Support Package: http://www.analog.com/CN0155-DesignSupport).
 
 
 Functional Block
  The evaluation board user guide shows the basic functional block diagram of the test setup (see the CN0155 Design Support Package: http://www.analog.com/CN0155-DesignSupport).
 
 
 Setup and Test
  Complete instructions for setup and testing of the AD7195 evaluation board can be found in AD7195 evaluation board user guide (see the CN0155 Design Support Package: http://www.analog.com/CN0155-DesignSupport).
 
After the software is installed, the AD7195 evaluation board should be configured for use with the external load cell by setting the appropriate links (jumpers) as described in theAD7195 evaluation board user guide (see the CN0155 Design Support Package: http://www.analog.com/CN0155-DesignSupport). Make sure the links are set before applying power to the evaluation board.
 
The load cell connects to the evaluation board header J4. Operation of the Weighscale Demo is described in the AD7195 evaluation board user guide (see the CN0155 Design Support Package: http://www.analog.com/CN0155-DesignSupport).
讨论
- 加入我的myAnalog 登录 myAnalog




