Altera Stratix IV E FPGA Development Kit
详情介绍
概览
设计资源
评估硬件
产品型号带"Z"表示符合RoHS标准。评估此电路需要下列选中的电路板
- EVAL-CFTL-6V-PWRZ ($17.00) Wall Power Supply for Eval Board
- EVAL-CN0235-SDPZ ($90.00) Fully Isolated Lithium Ion Battery Monitoring and Protection System
- EVAL-SDP-CB1Z ($99.00) Eval Control Board
驱动/参考代码
Software such as C code and/or FPGA code, used to communicate with component's digital interface.
AD7280A IIO Lithium Ion Battery Monitoring System Linux Driver
优势和特点
- 最多测量48个电池通道
- 1.6mV电池电压精度
- 不同电压条件下的报警中断
- 平衡电池组,实现负载共享
- 锂电池管理系统
电路功能与优势
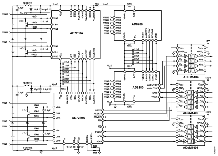
锂离子(Li-Ion)电池组包含大量的电池单元,必须正确监控才能提高电池效率,延长电池寿命并确保安全性。图1所示电路中的6通道AD7280A器件充当主监控器,向系统演示平台(SDP-B)评估板提供精确的电压测量数据,而6通道 AD8280器件充当副监控器和保护系统。两个器件均采用8 V至30 V的单电源宽工作电压范围,工作温度范围为–40°C至+105°C工业温度范围。
AD7280A内置一个±3 ppm基准电压源,提供±1.6 mV的电池电压测量精度。ADC分辨率为12位,转换48个单元只需7 μs时间。
AD7280A具有电池平衡接口输出,用来控制外部FET晶体管,允许各电池放电,并强行使堆叠中的所有电池单元具有相同电压。
AD8280独立于主监控器工作,并提供报警功能,可指示超容差条件。该器件内置自用基准电压源和LDO,二者均完全采用电池组供电。基准电压源与外部电阻分压器一起,用来设置过压/欠压的跳变点。每个电池通道都含有可编程去毛刺(D/G)电路,以免瞬时输入电平引发报警。
AD7280A和AD8280位于电池管理系统(BMS)的高压端,具有一个菊花链接口,最多能将8个AD7280A和8个AD8280堆叠在一起,以监控48个锂离子电池单元的电压。堆叠中的相邻AD7280A和AD8280可以直接通信,向上向下传递数据,而无需隔离。
堆叠底部的主器件使用SPI接口和GPIO与SDP-B评估板通信,只有在这个地方才需要高压电流隔离,以便保护SDP-B板的低压端。数字隔离器ADuM1400, ADuM1401和集成DC-DC转换器的隔离器ADuM5404共同提供所需的11通道隔离,构成一种紧凑、高性价比的解决方案。ADuM5404还可为较低AD7280A的VDRIVE输入提供5 V隔离输出,并为ADuM1400和ADuM1401隔离器提供VDD2电源电压。
 
 
 
 
     电路描述
AD7280A是一款完整的数据采集系统,内置一个高压输入多路复用器、一个低压输入多路复用器、一个12位、1 μs SAR ADC和用于通道时序控制的片内寄存器。HV MUX用于测量串联锂离子电池单元,如图1所示。LV MUX提供单端ADC输入,可结合外部热敏电阻测量个别电池单元的温度;如果不需要温度测量,则可利用辅助ADC输入转换任何其它0 V至5 V输入信号。另外还提供2.5 V精密基准电压源和片内电压调节器。
AD8280是一款用于锂离子电池组的纯硬连线安全监控器,配合AD7280A使用时,可提供具有可调阈值检测和共用或单独报警输出的低成本、冗余、备用电池监控器。它具有自测功能,因此适合混合动力电动汽车等高可靠性应用或者不间断电源等高压工业应用。AD7280A和AD8280均从监控的电池单元获得电源。
ADuM5404集成一个DC-DC转换器,用于向ADuM1400和ADuM1401隔离器的高压端供电,以及向AD7280A SPI接口提供VDRIVE电源。这些4通道、磁性隔离电路是安全、可靠、易用的光耦合器替代解决方案。
为了优化菊花链在高噪声条件下的通信性能(例如遇到电池干扰时),菊花链信号被屏蔽在印刷电路板(PCB)的一个内层上,上下都由VSS电源层提供屏蔽,该电源层连接到菊花链中上一个器件的VSS引脚。图2所示为EVAL-CN0235-SDPPCB的顶层,包含AD7280A的上部屏蔽,图5所示为底层,包含AD8280的上部屏蔽。图3所示为内层(第2层),它包含屏蔽的菊花链信号,下方的屏蔽在图4所示的第3层上实现。每个菊花链连接上都配有22 pF电容,根据菊花链的数据流方向,这些电容端接于上一个器件的VSS引脚或下一个器件的VDD引脚。PD、CS、SCLK、SDI和CNVST菊花链连接沿菊花链向上传递数据,因此这些引脚上的22 pF电容端接于上一个器件的VSS引脚。
 
 
 
 
      
 
       
 
       
 
      
SDOlo和ALERTlo菊花链连接沿菊花链向下传递数据,因此这些引脚上的22 pF电容端接于下一个器件的VDD引脚。使用一条低阻抗走线将下一个器件的VDD与上一个器件的VSS直接相连,使这两个电位在高噪声环境下尽可能接近。
隔离栅处的接地护栏用于围住PCB左侧构成的低压端。该护栏由通过过孔系在一起的保护环组成,连接到板上所有层的数字地。到达电路板边缘的电源层与接地层上的噪声可能会辐射,但采用这种屏蔽结构时,噪声会被反射回来。
当驱动电流源跨过接地层之间的间隙时,也可能产生输入至输出的偶极子辐射。为将这种效应降至最小,隔离间隙处使用一个连续的屏蔽体,从而将接地层扩展至PCB的所有层上,以利用屏蔽重叠部分构成跨隔离栅耦合。各层上的隔离间隙保持最小,测试板使用0.008英寸的间隙。有关isoPower®器件(如本电路所用的ADuM5404)辐射控制的更多建议,请参阅应用笔记AN-0971。
测试结果
衡量该电路性能的一个重要指标是最终输出电压测量结果中的噪声量。
图6所示为VIN3−VIN2通道的10,000个测量样本的直方图。该数据是利用连接到EVAL-SDP-CB1Z系统演示平台(SDP-B)评估板的CN0235评估板获得的。设置详情参见本电路笔记的“电路评估与测试”部分。
已将12个锂离子电池连接到输入螺纹接线端子。注意,只有一小部分码字受噪声影响而落在主仓之外。图6和图7所示为对应于大约0.5 LSB rms的3 LSB峰峰噪声。
有关本电路笔记的完整设计支持包,请参阅www.analog.com/CN0235-DesignSupport。
 
 
 
 
       
 
       常见变化
电路评估与测试
本电路使用EVAL-CN0235-SDPZ电路板和EVAL-SDP-CB1Z系统演示平台(SDP-B)评估板。这两片板具有120引脚的对接连接器,可以快速完成设置并评估电路性能。EVAL-CN0235-SDPZ板包含要评估的电路,如本笔记所述。SDP-B评估板与CN0235评估软件一起使用,可从EVAL-CN0235-SDPZ电路板获取数据。
设备要求
- 带USB端口的Windows® XP、Windows Vista®(32位)或Windows® 7(32位)PC
- EVAL-CN0235-SDPZ电路评估板
- EVAL-SDP-CB1Z SDP-B评估板
- CN0235 SDP评估软件
- 电源:+6 V或+6 V“壁式电源适配器”
- 锂离子电池或精密直流电源
将CN0235评估软件光盘放进PC的光盘驱动器,加载评估软件。打开“我的电脑”,找到包含评估软件的驱动器。
功能框图
EVAL-CN0235-SDPZ电路板上的120引脚连接器连接到EVAL-SDP-CB1Z (SDP-B)评估板上标有“CON A”的连接器。应使用尼龙五金配件,通过120引脚连接器两端的孔牢牢固定这两片板。在断电情况下,将一个+6 V电源连接到板上标有“+6 V”和“GND”的引脚。如果有+6 V“壁式电源适配器”,可以将它连接到板上的管式连接器,代替+6 V电源。此外只需连接锂离子电池组。电池组可以用一个由精密直流电源电压驱动的电阻分压器来模拟。SDP-B板附带的USB电缆连接到PC上的USB端口。注意:此时请勿将该USB电缆连接到SDP-B板上的微型USB连接器。
测试
为连接到EVAL-CN0235-SDPZ电路板的+6 V电源(或“壁式电源适配器”)通电。启动评估软件,并通过USB电缆将PC连接到SDP-B板上的微型USB连接器。
一旦USB通信建立,就可以使用SDP-B板来发送、接收、捕捉来自EVAL-CN0235-SDPZ板的串行数据。
有关SDP-B板的信息,请参阅SDP-B用户指南。
讨论
- 加入我的myAnalog 登录 myAnalog


