NXP (Freescale) i.MX7 96Board
详情介绍
概览
设计资源
评估硬件
产品型号带"Z"表示符合RoHS标准。评估此电路需要下列选中的电路板
- EVAL-CN0325-SDPZ ($150.00) PLC/DCS Universal Analog Input Using Either 4 or 6 Pin Terminal Block
- EVAL-SDP-CB1Z ($99.00) Eval Control Board
驱动/参考代码
Software such as C code and/or FPGA code, used to communicate with component's digital interface.
优势和特点
- PLC/DCS通用输入模块
- 4引脚或6引脚端子板
- 完全隔离
- 16位Σ-Δ型ADC
电路功能与优势
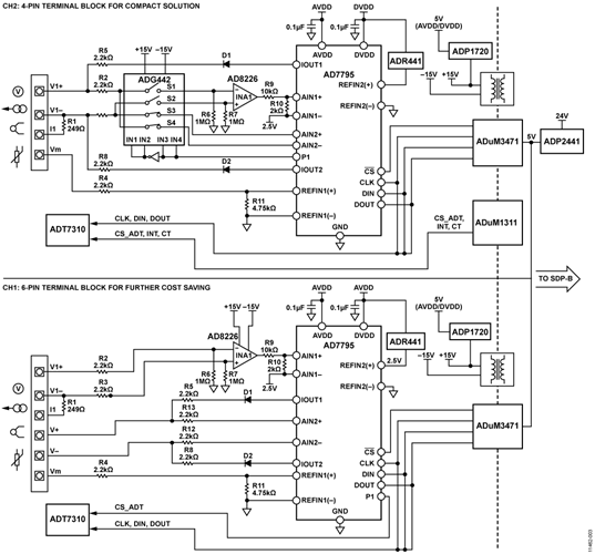
图1所示电路提供两个16位全隔离式通用模拟输入通道,适用于可编程逻辑控制器(PLC)和分布式控制系统(DCS)模块。两个通道均支持软件编程,以及多种电压、电流范围和热电耦、RTD类型,具体如图1所示。输入通道提供±30 V直流过压条件保护。
演示板含有两个不同的全隔离式通用输入通道,一个带4引脚端子板(CH2),一个带6引脚端子板(CH1)。对于4引脚端子板(CH2),电压、电流、热电偶和RTD输入全部共用相同的4个端子,从而最大限度地减少了所需端子引脚的数量。对于6引脚端子板通道(CH1),电压和电流输入共用一组3个端子,热电偶和RTD输入共用另一组3个端子;这需要更多端子,但其器件数量较少,元件成本也较低。图2所示为PCB照片,图3所示为电路的详细原理图。
电路描述
AD7795 低噪声、16位Σ-Δ ADC搭载片内仪表放大器和基准电压源,用于数据转换应用。片内仪表放大器和电流源为RTD和热电偶测量提供了一种完整的解决方案。对于电压和电流输入, AD8226仪表放大器(其CMR大于90 dB)用于提供高输入阻抗,抑制共模干扰。通过一个精密电阻分压器将电压和电流信号缩放至ADC的范围之内。
ADR441 是一款超低噪声、低压差 XFET® 2.5 V基准电压源,用作ADC的基准电压源。
对于4引脚端子板通道(CH2),使用 ADG442、低 RON 防闩锁开关来在电压、电流、热电偶和RTD输入模式之间切换。
ADuM1311三通道数字隔离器也用在4引脚端子板电路中,用于隔离ADG442开关的控制线路。数字和电源隔离采用 ADuM3471实现,这是一款PWM控制器和变压器驱动器,搭载四通道隔离器,用于基于外部变压器产生±15 V隔离式电源。
ADP2441 36 V降压DC-DC稳压器对输入电源的容限较宽,是可接受24 V工业电压的理想之选。最高可接受36 V电源,因而更有利于实现对电源输入进行可靠的瞬变保护。ADP2441将输入电压降至5 V,以驱动ADuM347以及所有其他控制端电路。电路在24 V电源端还提供了外部保护功能。
ADP2441还具有其他各种安全性/可靠性功能,如欠压闭锁(UVLO)、精确使能特性、电源良好引脚和过流限值保护。还可以在24 V输入、5 V输出配置中实现最高90%的效率。
硬件
图2所示为含4引脚端子板的通道位置以及含6引脚端子板的通道位置。同时显示了24 V电源输入的位置。
通道选择
需要插入并切换跳线,以配置CH1和CH2之间的电源和SPI信号,如表1所示。
表1.通道选择配置设置
| 链路编号 | 数字功能 | 选择CH1(6引脚端子板)的链路位 | 选择CH2(4引脚端子板)的链路位 |
| JK0 | 5V 电源 | CH1 | CH2 |
| JK1 | SCLK | CH1 |
CH2 |
| JK2 | /CS | CH1 |
CH2 |
| JK3 | Din | CH1 |
CH2 |
| JK4 | Dout | CH1 |
CH2 |
| JK11 | TEMP_CS | 未插入 | 已插入 |
电源配置
用24 V电源来驱动评估板的控制器端。也可使用5 V电源,旁路ADP2441电路。该5 V输入不具有任何过压保护功能,不得超过6 V。所用电源应通过J4链路选项进行配置,如表2所示。
表2.外部电源配置设置
| 选择24V输入(默认)的链路位 | 选择5V输入(默认)的链路位 | |
| J4 | VCC1 | VCC2 |
对于隔离栅的模拟输入端,有两种选项可用于驱动模拟电路的5 V稳压电源。可使用 ADP1720线性稳压器将15 V电源降至5 V,也可使用ADuM3471的内置5 V稳压器。两种选项的链路配置如表3所示。
表3.现场5V电源配置设置
| ADP1720 5V稳压器(默认)的链路位 | ADuM3471 5V稳压器的链路位 | |
| J3 | Vreg | Vaum |
| J9 | Vreg | Vaum |
CH2:4引脚端子板通道
输入连接器
电压和电流
P12连接器用于电压和电流输入连接。图11和图12所示为该输入连接和配置的简化原理图。支持的差分输入范围为:0 V至5V、0 V至10V、±5V、±10 V、0 mA至20 mA、4 mA至20 mA和±20 mA。在V1+和V1–之间连接电压或电流输入,因为电流输入会同时把V1+和I1引脚短接在一起。这样就连接了一个249 Ω精密电流检测电阻,其精度为0.1%,额定值为0.25 W。
热电偶
P12连接器也用于热电偶输入。可以连接多种热电偶类型,包括J、K、T和S。热电偶连接于V1+和V1-输入之间(图5)。下面的图6所示为将热电偶(例如,T型)连接到通用型模拟输入板的方法。热电偶输入的简化原理图见图13。
RTD
P12、P13连接器用于RTD输入。硬件可以支持1000 Ω和100 Ω铂RTD输入。对于3线模式,两条通用线连接至V1+和V1–,回路连接至Vm (见图5)。下面的图7所示为将3线RTD传感器连接到通用型模拟输入板的方法。RTD输入的简化原理图见图14。
CH1:6引脚端子板通道
输入连接器
图8. CH1通道输入连接器。简化输入示意图见图13。
电压和电流
P10连接器用于电压和电流输入连接。支持的差分输入范围为:0 V至5 V、0 V至10V、±5V、±10V、0 mA至20 mA、4 mA至20mA和±20 mA。在V1+和V1–之间连接电压或电流输入(见图13),尽管对于电流输入,同时还要把V1+和I1引脚短接在一起,这样就连接了一个249 Ω精密电流检测电阻,其精度为0.1%,额定值为0.25 W。
热电偶
P11连接器用于热电偶输入。可以连接多种热电偶类型,包括J、K、T和S。热电偶连接于V+和V-输入之间(图8)。下面的图9所示为将热电偶(此例为T型)连接到通用型模拟输入板的方法。
RTD
P11连接器也用于RTD输入。硬件可以支持1000 Ω和100 Ω铂RTD输入。对于3线模式,两条共用线连接至V+和V–,回路连接至Vm (见图8)。下面的图10所示为将3线RTD传感器连接到通用型模拟输入板的方法。
简化输入电路示意图
图15. CH1简化输入示意图
讨论
样片申请及购买
样片
| 产品 |
描述 |
可提供样片的 |
| AD7795 | 6通道、低噪声、低功耗、16位Σ-Δ型ADC,内置片内仪表放大器和基准电压源 | |
| ADR441 | 超低噪声、2.5V LDO XFET®基准电压源,具有吸电流和源电流能力 | ADR441ARMZ ADR441ARZ |
| ADUM1311 | 三通道数字隔离器 | ADUM1311ARWZ ADUM1311BRWZ |
| ADG442 | LC2MOS 四通道单刀单掷开关 | ADG442BRZ |
| AD8226 | 宽电源电压范围、轨到轨输出仪表放大器 | AD8226ARMZ AD8226ARZ |
| ADT7310 | ±0.5°C精度、16位数字SPI温度传感器 | ADT7310TRZ |
| ADP2441 | 36 V、1 A同步降压DC-DC调节器 | ADP2441ACPZ-R7 |
| ADUM3471 | 隔离式开关稳压器(3/1通道方向性) | ADUM3471ARSZ ADUM3471CRSZ ADUM3471WARSZ ADUM3471WCRSZ |
| ADP1720 | 50 mA、高压、微功耗线性稳压器 | ADP1720ARMZ-3.3-R7 ADP1720ARMZ-5-R7 ADP1720ARMZ-R7 ADP1720TRMZ-EP ADP1720TRMZ3.3-EP ADP1720TRMZ5-EP |
- 加入我的myAnalog 登录 myAnalog




