5V to 45V Low Noise ADP Bias Topology with Fast Current Monitor Transient Response
详情介绍
概览
设计资源
评估硬件
产品型号带"Z"表示符合RoHS标准。评估此电路需要下列选中的电路板
- EVAL-AD7780EBZ ($60.77) Weigh Scale Design Using the AD7780 24-Bit Sigma-Delta ADC with Internal PGA
驱动/参考代码
Software such as C code and/or FPGA code, used to communicate with component's digital interface.
AD7780 - No-OS Driver for Renesas Microcontroller Platforms
AD7780 - No-OS Driver for Microchip Microcontroller Platforms
优势和特点
- 24位电子秤应用电路
- 集成PGA可用于多种电子秤
- 低功耗、低成本
- 通常用于便携式电子秤应用
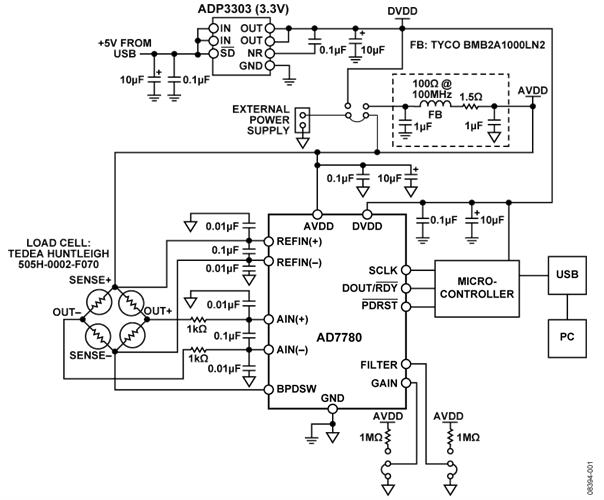
电路功能与优势
 
 
     电路描述
AD7780提供一种集成式电子秤解决方案,可以直接与称重传感器接口。只需在模拟输入端用一些滤波器,在基准电压引脚上配置一些电容等外部元件,便可满足电磁屏蔽(EMC)要求。来自称重传感器的低电平信号由AD7780的内置PGA放大。该PGA经过编程,以128的增益工作。AD7780的转换结果通过USB接口送至PC,由PC将数字信息转换为重量。
图2所示为实际的测试设置。为实现最佳系统性能,该测试设置使用一个6线式称重传感器。除激励、接地和2个输出连接外,6线式称重传感器还有2个检测引脚。这些检测引脚分别与惠斯登电桥的高端和低端相连。因此,尽管线路电阻会引起压降,但仍能精确测量该电桥上产生的电压。此外,AD7780具有一路差分模拟输入,接受差分基准电压。称重传感器差分SENSE线路与AD7780基准电压输入端相连,可构成一个比率式配置,不受电源激励电压的低频变化影响。
 
 
       如果采用4线式称重传感器,则不存在检测引脚,ADC基准电压引脚将与激励电压和地相连。这种配置中,由于存在线路电阻,激励电压与SENSE+之间将有压降,因此系统不是完全比率式。另外,低端上也会有线路电阻引起的压降。
AD7780具有单独的模拟电源引脚和数字电源引脚。模拟电源和数字电源彼此独立,因此AVDD和DVDD可以处于不同的电位。微控制器采用3.3 V电源。因此,DVDD也采用3.3 V电源供电。这样就无需外部电平转换,从而可以简化ADC与微控制器之间的接口。3.3 V数字电源可利用 ADP3303 稳压器产生。
有多种方法可以为该电子秤系统供电,例如:利用主电源总线,或者利用ADP3303 (3.3 V)。用5 V电压激励电子秤时,必须使用主电源总线。用3.3 V电压激励称重传感器时,可以使用主电源总线或ADP3303 (3.3 V)。ADP3303 (3.3 V)是一款低噪声稳压器。此外,按照ADP3303 (3.3 V)数据手册的建议,在稳压器输出端配有降噪电容。为优化电磁屏蔽,稳压器输出先经过滤波,然后再给AD7780和称重传感器供电。由于电源或接地层上的任何噪声都会给系统带来噪声,导致电路性能降低,因此必须用低噪声稳压器产生供给AD7780和称重传感器的电源。
 
当输出数据速率为10 Hz时,AD7780的均方根噪声为49 nV。无噪声采样数等于
 
 
      其中系数6.6用来将均方根电压转换为峰峰值电压。
因此,以克(g)为单位表示的分辨率等于
 
 
      无噪声分辨率等于
 
 
      在实际操作中,称重传感器本身会引入一定的噪声。AD7780的漂移也会导致称重传感器发生一定的时间和温度漂移。为确定完整系统的精度,可以将该电子秤通过USB连接器与PC相连,然后利用LabView软件评估电子秤系统的性能。图3显示将1 kg重物置于称重传感器上,并收集500次转换结果所测得的输出性能(使用5 V激励电压)。软件计算的系统噪声为50 nV(均方根值),相当于30,300无噪声采样数或14.9位无噪声码分辨率。
图4显示重量方面的性能。相对于500个码,输出的峰峰值变化量为0.075克。因此,该电子秤系统的精度达到0.075克。
上图所示为连接称重传感器之后,从AD7780回读得到的实际(原始)转换结果。在实际操作中,电子秤系统会采用数字后置滤波器。
 
 
     在后置滤波器中另外执行均值计算会进一步提高采样数,但数据速率会降低。





