Dual Battery Load Sharing with Automatic Switchover to a Wall Adapter
详情介绍
概览
电路功能与优势
低压差分信号(LVDS)是低功耗、高速、点对点通信的既定 标准(TIA/EIA-644)。它用于在仪器仪表和控制应用中通过 背板或短电缆链路传输大量数据,或分配高速时钟至应用 电路的不同部分。
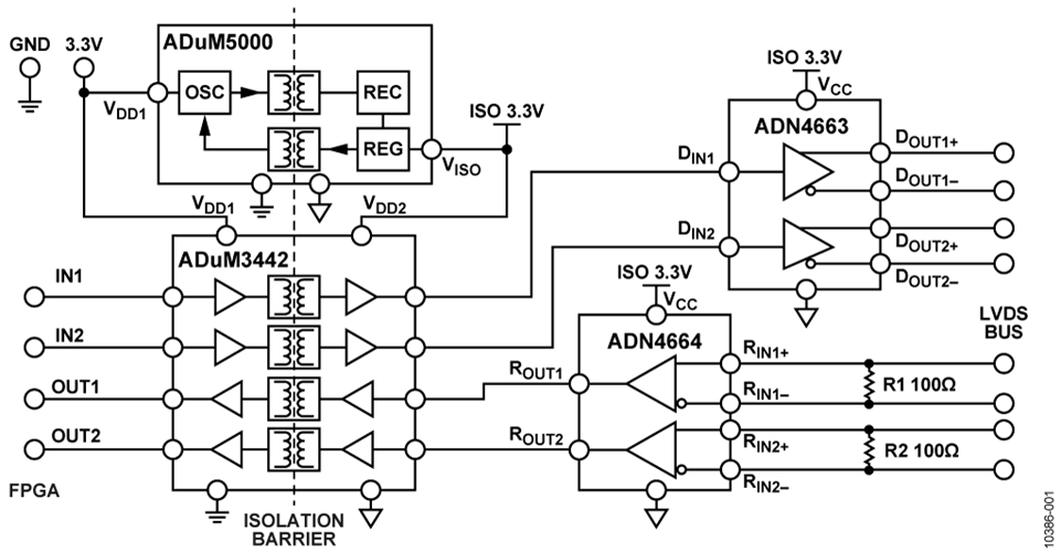
图1所示电路表示LVDS接口的隔离。隔离LVDS接口的好处 有:保护器件免受故障影响(安全隔离),以及增加鲁棒性 (功能隔离)。
ADuM3442为 ADN4663 LVDS驱动器的逻辑输入以及 ADN4664LVDS驱动器的逻辑输出提供数字隔离。除了使用 ADuM5000提供隔离式电源,在工业和仪器仪表应用中隔离LVDS链路还面临着许多挑战,包括:
- 逻辑信号与LVDS驱动器/接收器隔离、确保电路总线端的标准LVDS通信。
- 高度集成的隔离仅使用两个额外的宽体SOIC器件(ADuM3442和ADuM5000)来隔离标准LVDS器件(ADN4663和ADN4664)。
- 与传统隔离(光耦合器)相比功耗更低。LVDS应用的特性之一是低功耗工作。
- 多通道隔离。LVDS应用中,使用并行通道以尽量增大数据吞吐量。本电路演示4通道隔离(本实例中采用两条发射通道和两条接收通道)。
- 工作速度高;最高工作速度达150 Mbps,轻松满足基本LVDS的速度要求。
图1所示电路隔离了一个双通道LVDS线路驱动器和一个双通道LVDS接收器。它可在单电路板上实现两条完整的发射和接收路径。
电路描述
隔离式LVDS的应用包括安全隔离和/或电路板间、背板和印刷电路板(PCB)通信链路的功能隔离。例如当LVDS背板系统的一个或多个插卡有遭受高电压瞬变的风险时,便可使用安全隔离。隔离LVDS接口可确保这类故障条件不影响系统中的其他电路。某些情况下使用功能隔离很有效,例如测量设备。若在ADC和FPGA之间隔离LVDS链路,则可提供浮动的接地层,提升测量数据的完整性,并降低来自应用的其他部分的干扰。
图2表示隔离式LVDS接口电路,它隔离两个发射通信通道(CMOS/TTL至LVDS)和两个接收通道( LVDS至 CMOS/TTL)。隔离信号的数据速率最高可达150Mbps,此速率下还可保持 ADuM3442 的最大脉冲宽度失真规范。
逻辑电平可施加于IN1和IN2,并且被ADuM3442隔离。ADuM3442对应的输出(DIN1和DIN2测试引脚)连接至 ADN4663 LVDS驱动器,以便在DOUT1+、DOUT1−和 DOUT2+、DOUT2−上建立LVDS信号。
ADN4664 LVDS接收器可在RIN1+、RIN1−和RIN2+、RIN2−上接收LVDS信号。接收器输出(ROUT1、ROUT2测试引脚)连接至ADuM3442,以便隔离信号。ADuM3442对应的逻辑输出为OUT1和OUT2。
电路通过连接VDD1从逻辑端供电。电源可以是3.3 V或5 V,为ADuM3442(电路信号隔离)的逻辑端供电或为ADuM5000供电,ADuM5000则为电路总线端提供隔离式电源。
ADuM5000的输出VISO可为LVDS驱动器(ADN4663) 和LVDS接收器(ADN4664) 以及 ADuM3442的总线端提供3.3 V电源。
采用了 AN-0971 应用笔记“isoPower器件的辐射控制建议”指南中的描述进行电路布局。此外,该布局针对高速差分信号优化。LVDS输入/输出走线长度匹配,并具有50Ω的对地阻抗(差分对之间的阻抗为100Ω)。每对测试点与驱动器/接收器同样距离匹配。多个接地过孔排列在走线旁边以增加高速工作时的信号完整性。
LVDS的输入RIN1+、RIN1−和RIN2+、RIN2−连接100Ω的端电阻(R1、R2)。将任意连接到DOUT1+、DOUT1−和DOUT2+、DOUT1−的总线接收端进行端接。
电源和接地通过螺旋电缆连接器互相连接(VDD1和GND1)。逻辑输入(IN1、IN2)/输出(OUT1、OUT2)通过4个SMB连接器互相连接。总线信号通过8个SMB连接器以相似的方式连接。它们通过走线以对地50Ω的阻抗连接LVDS驱动器(ADN4663) 和接收器(ADN4664) 。
电路评估与测试
若要对隔离式LVDS接口电路板供电,在VDD1上施加3.3V 或5V电源。检查VDD2测试点的电压水平以测试该电路是 否正确供电。该测试点是 ADuM5000提供的隔离式电源, 额定值应为3.3V或5V。
完整的发射和接收通道可通过将LVDS输出的一条通道连接至LVDS输入的一条通道进行测试。例如,要测试通道1,则:DOUT1+与RIN1+相连;DOUT1-与RIN1-相连;连接可使用SMB至SMB导联。
信号发生器或模式发生器可连接至IN1,并且OUT1测试点(或OUT1连接器)的输出必须匹配输入。测试设置如图3所示。
图4中的示波器曲线图表示IN1、RIN1+、RIN1−和OUT1的测试波形,测试时在IN1上采用50 Mbps时钟信号,DIN1+和RIN1+、DIN1−和RIN1−之间采用90cm屏蔽导联。
讨论
- 加入我的myAnalog 登录 myAnalog




