三个 LTM4648 并联以实现 1.5V/30A 设计
详情介绍
电路功能与优势
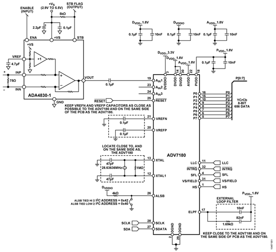
图1所示电路提供了极为鲁棒的解决方案,集成过压(电池短路[STB])保护,可在恶劣环境下接收CVBS视频信号。它采用低成本、低功耗、单极性、差分接收器ADA4830-1,可在 ADV7180完成数字化前将全差分或伪差分(地参考单端)视频信号转换为单端信号。
ADA4830-1 用于消除共模噪声和相位噪声,噪声是由于输入视频信号源与接收电路之间存在地电位差造成的。更重要的是ADA4830-1 和 ADV7180 的组合提供了可在恶劣汽车环境下工作的非常鲁棒的输入特性,还可保护与检测电池短路事件,并符合汽车制造商严格的要求。
该鲁棒的接收器电路使用 ADA4830-1 和 ADV7180 ,符合传统、经验证的隔离/独立式低压集成电路架构,例如来自外部并使用放大器电路进行信号调理和保护的ADV7180 。
ADA4830-1(单通道)是一款单芯片高速差动放大器,集成最高18V的输入过压(电池短路)保护功能,提供宽输入共模电压范围和出色的ESD鲁棒性。它设计用作差分或伪差分CVBS及其它高速视频信号的接收器,适合在恶劣的高噪声环境下工作,如汽车信息娱乐和视觉系统等。
ADA4830-1 兼具高速和精密特性,可以精确再现CVBS视频信号,同时抑制不需要的共模误差电压。凭借STB保护/检测、鲁棒的ESD耐受性和宽输入共模电压范围,ADA4830-1可用作后视摄像头和后座娱乐等系统内的汽车模拟视频接收器。
ADV7180 和ADA4830-1完全符合汽车应用标准,非常适合汽车应用中的信息娱乐系统和视觉安全系统。ADA4830-1提供非常小的LFCSP封装,适合空间受限的应用。
 
 
     电路描述
ADA4830-1是一款单芯片高速差动放大器,专为汽车应用而设计。该设计以传统4电阻差动放大器为基础,经优化以避免增强该标准放大器应用电路时容易犯的错误。
当检测到输入过压条件时,集成到ADA4830-1的电池短路保护功能利用快速开关电路,将内部电压节点箝位并保持在安全电平。这种保护使得ADA4830-1的输入可以直接连接到远程视频源,如后视摄像头等,而不需要昂贵的串联大电容。
像 ADV7180等大多数视频解码器都建立在极低的电压处理上,因此输入电压范围有限。ADA4830-1的信号增益为0.5V/V,设计用于将视频信号保持在视频解码器允许的输入范围内,通常为1Vp-p或更低。
输入共模电压范围
在一个具有0.5V/V增益的标准4电阻差动放大器中,输入共模(CM)范围是内核放大器CM范围的三倍。ADA4830-1的输入共模被扩展至超过地电压±8.5V(5 V电源)。这种极宽的共模电压范围可让ADA4830-1和ADV7180在很大的共模偏置和噪声下工作,而对图像质量不产生任何不利影响。
 
 
 
线路诊断
 
  
图1所示的ADA4830-1/ADV7180组合通过连接ADA4830-1上的STB输出至ADV7180的其中一个GPIO端口而具有电池短路线路诊断功能。在电池短路事件发生期间,STB输出为逻辑低电平信号。 ADV7180读取该低电平并产生一个可被系统微控制器读取的中断。电池短路输出标志(STB引脚)功能与电池短路保护无关。它的作用是表示每个输出的过压状态。由于是被动提供保护,因此始终有效;标志仅表示目前是否发生故障而已。
 
 
 
保护ADA4830-1输入的架构采用了双向非对称闭锁电压的全新技术。它不受电池短路影响,并且具有超过8 kVHBM 等级的ESD鲁棒性。对于高达15kV的额外ESD保护,推荐使用外部瞬态抑制器。
 
 
 
ADA4830-1 集成的片内电阻内部匹配良好,增加了宽频率范围的共模抑制(CMR)性能。图2表示ADA4830-1 CMR与频率的关系,低频时的典型值为65dB,可在共模噪声较大的情况下恢复视频信号。
 
 
     
共模误差,无论是直流偏置还是交流信号,都会降低视频图像质量。图3和图4显示白色背景下的单个巨大黑色条纹。图3表示500 kHz、1Vp-p共模噪声信号对视频图像质量的影响。图4表示加入了ADA4830-1输入级以去除共模噪声的增强视频图像质量。
 
 
       
ADV7180 自动检测与全球NSTC、PAL和SECAM标准兼容的标准模拟基带电视信号,并将其转换为与8位ITU-R.656 接口标准兼容的4:2:2分量视频数据。针对具有真8位数据分辨率的消费电子应用,精确的10位模数转换可以提供专业品质的视频性能。三个模拟视频输入通道接受标准复合视频信号、S-视频信号或分量视频信号,支持较宽范围的消费视频源。自动增益控制(AGC)和箝位复位电路使输入视频信号峰峰值范围可达到1.0 V。
印刷电路板(PCB)布局考量
在任何注重精度的电路中,必须仔细考虑电路板上的电源和接地回路布局。PCB应尽可能隔离数字部分和模拟部分。本PCB采用4层板堆叠而成,具有较大面积的接地层和电源层多边形。有关布局和接地的详细论述,请参见MT-031 指南;有关去耦技术的信息,请参见MT-101 指南。
通过10μF和0.1μF电容对ADV7180的电源进行去耦。此外,采用0.1μF和22μF电容对ADA4830-1进行去耦,以适当抑制噪声并减小纹波。这些电容应尽可能靠近相应器件,以确保0.1μF电容具有低ESR值。对于所有高频去耦,建议使用陶瓷电容。
确保电源走线尽可能宽,以提供低阻抗路径,并减小电源线路上的毛刺效应。通过数字地将时钟及其它快速开关数字信号屏蔽起来,使之不影响电路板的其它器件。
有关本电路笔记的完整设计支持包,包括电路板布局布线、完整的原理图和物料清单,请参阅 http://www.analog.com/CN0263-DesignSupport
电路评估与测试
该电路使用 EVAL-CN0263-EB1Z 电路板,其中包含要评估的电路,如本笔记所述。电路板还包括ADV7391 视频编码器,可用于重建输入视频信号。若需有关输出电路的介绍,请参考CN-0264 电路笔记。Cypress USB微控制器用于配置EVAL-CN0263-EB1Z 板并向/从该板加载软件。
 
 
 
设备要求
 
  
需要以下设备:
 
 
- 带USB端口的Windows® XP、Windows Vista®(32位)或Windows® 7(32位)PC。
- Astrodesign VG-828可编程视频信号发生器。
- 用作单通道和共模误差电压的视频源。本电路笔记中的测试采用 AD8137差分放大器,它将单端视频从VG-828转换为差分视频,并为AD8137的VOCM输入施加500 kHz、1 V p-p共模信号。加入共模电压情况下的输出差分信号施加于评估板的输入端。
- Hewlett-Packard 3314A函数发生器。
- Agilent E3631A电源。
- EVAL-CN0263-EB1Z 电路板。
- CN-0263 评估软件。
- 电源:7.5 V或7.5 V壁式电源适配器。
- 视频显示器,用于观察EVAL-CN0263-EB1Z 电路板的模拟视频输出。
开始使用
 
  
将CN-0263评估软件光盘放入PC,加载评估软件。打开我的电脑,找到包含评估软件光盘的驱动器,打开Readme文件。按照Readme文件中的说明安装和使用评估软件。
 
 
 
电路框图参见本电路笔记的图1,电路原理图参见EVALCN0263- EB1Z-SCH.pdf文件。此文件位于CN0263设计支持包中。
 
 
 
在断电情况下,将一个7.5 V电源连接到电路板上的+7.5 V和GND引脚。如果有7.5 V壁式电源适配器,可将其连接到板上的管式连接器,代替7.5V电源。将USB电缆连接到PC上的USB端口。此时请勿将该USB电缆连接到板上的微型USB连接器。
 
 
 
为连接到EVAL-CN0263-EB1Z电路板的7.5 V电源(或壁式电源适配器)通电。启动评估软件,并通过USB电缆将PC连接到PCB上的微型USB连接器。
有关如何使用评估软件来捕捉数据的详细信息,请参阅CN-0263评估软件的Readme文件。
讨论
- 加入我的myAnalog 登录 myAnalog





