三通道、单电源 AC 耦合视频线路驱动器
详情介绍
概览
设计资源
驱动/参考代码
Software such as C code and/or FPGA code, used to communicate with component's digital interface.
优势和特点
- 全隔离输入模块
- 24位Sigma-Delta ADC
- 单电源输入电路
- 可编程增益能够检测到微小信号
电路描述
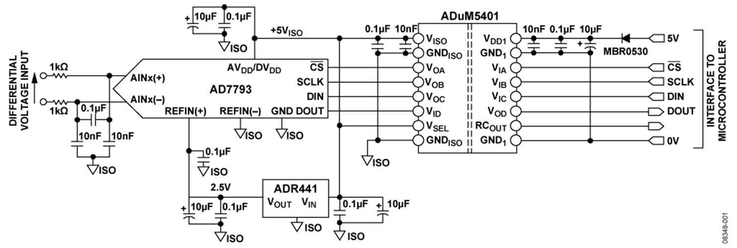
传感器输出通常是小信号,例如热电偶或RTD等。本设计允许将这些小信号输入直接与AD7793的输入相连,后者具有最大增益为128的内部PGA。该设计可以用作非环路供电SMART发射器的完整解决方案。
本电路选择ADR441 为基准电压源。它具有0.04%的出色精度特性,温度漂移最大值为3 ppm/°C。
 
 ADuM5401是一款采用ADI公司iCoupler®技术并集成isoPower技术的四通道隔离器。它可用来在现场端与系统微控制器之间实现隔离,隔离额定值为2.5 kV(均方根值)。ADuM5401还集成了DC-DC转换器,可在5 V或3.3 V时提供500 mW的稳压隔离电源。本设计利用ADuM5401提供的5 V电压为输入模块上的所有模拟电路供电。所有四条数据线都得到利用:三条用于发射, (CS, SCLK, DIN) 一条用于接收(DOUT),这些线与标准SPI接口相连。
 
 
 
 
     图2. 输入模块直方图(AD7793,512个样本,数据速率为4.17 Hz,增益为1,输入为2.5 V基准电压)
图2所示为2.5 V基准电压与AD7793的输入相连时,其输出性能的直方图。输出端测得的噪声以峰峰分辨率来衡量。20.4位峰峰分辨率值表示:相对于ADC的24位分辨率,ADC输出端有3.6位“闪烁噪声”。因此,ADC的“无噪声”码分辨率为20.4位。就对整体系统误差的贡献而言,测得的3.6位噪声相对于ADC的满量程范围贡献了约0.00007%的误差。AD7793的积分非线性误差为0.0015%。
本设计还含有外部保护功能(如标准保护二极管和TVS器件等),且成功通过测试,符合下列表1所示的IEC 61000标准。关于外部保护技术的详细讨论,请参考 Colm Slattery、Derrick Hartmann和Li Ke合作撰写的“PLC评估板简化工业过程控制系统设计”一文(《模拟对话》,43-04,2009年4月)。
表1. 符合IEC标准
| 测试项目 | 描述 | 结果 | 
| EN & IEC 61000-4-2 | 静电放电(ESD),±4 kV VCD | 最大偏差:0.32%(CH3. Class B) | 
| 静电放电(ESD),±8 kV HCD | 最大偏差:0.28%(CH3. Class B) | |
| EN & IEC 61000-4-3 | 辐射抗扰度80 MHz 至 1 GHz(10 V/m),垂直天线极化 | 最大偏差:0.09%(CH1),0.30%(CH3. Class B) | 
| 辐射抗扰度80 MHz 至 1 GHz(10 V/m),水平天线极化 | 最大偏差:–0.04%(CH1),0.22%(CH3. Class B) | |
| 辐射抗扰度1.4 GHz 至 2 GHz(3 V/m),垂直天线极化 | 最大偏差:0.01%(CH1),-0.09%(CH3. Class B) | |
| 辐射抗扰度1.4 GHz 至 2 GHz(3 V/m),水平天线极化 | 最大偏差:0.01%(CH1),0.09%(CH3. Class B) | |
| EN & IEC 61000-4-4 | 电快速瞬变(EFT) ±2 kV电源端口 | 最大偏差:–0.12%(CH3. Class B) | 
| 电快速瞬变(EFT) ±1 kV信号端口 | 最大偏差:–0.02%(CH3. Class A) | |
| EN & IEC 61000-4-5 | 电源线突波,±0.5 kV | 未发生电路板或器件损坏情况,符合Class B要求 | 
| EN & IEC 61000-4-6 | 对电源线执行抗扰度测试,10 V/m、5分钟 | 最大偏差:0.09%(CH3. Class B) | 
| 对I/O电缆执行抗扰度测试,10 V/m、5分钟 | 最大偏差:–0.93%(CH3. Class B) | |
| EN & IEC 61000-4-8 | 磁场抗扰度,水平天线极化 | 最大偏差:–0.01%(CH3. Class A) | 
| 磁场抗扰度,垂直天线极化 | 最大偏差:–0.02%(CH3. Class A) | 



