LTM4675 具数字电源系统管理功能的双通道 9A 或单通道 18A μModule 稳压器
详情介绍
概览
设计资源
评估硬件
产品型号带"Z"表示符合RoHS标准。评估此电路需要下列选中的电路板
- EVAL-CN0204-SDPZ ($65.00) Flexible, High Voltage, High Accuracy, Low Drift PLC/DCS Analog Output Module
- EVAL-SDP-CB1Z ($99.00) Eval Control Board SDP
驱动/参考代码
Software such as C code and/or FPGA code, used to communicate with component's digital interface.
优势和特点
- 最高电压44V
- 可编程模拟输出
- 与系统其他部分电流隔离
- PLC和DCS模块的理想选择
电路功能与优势
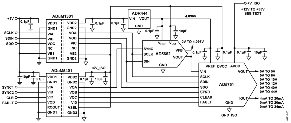
图1所示电路是一种全功能、高压(最高44 V)、灵活、可编程的模拟输出解决方案,它满足可编程逻辑控制器(PLC)和分布式控制系统(DCS)应用的大部分要求。
AD5662 是一款低功耗(0.75 mW @ 5 V)、轨到轨输出、16位nanoDAC®器件,AD5751 是一款工业电流/电压输出驱动器,二者的输入和输出电压范围以及基准电压要求完全一致。
ADR444是一款低漂移(B级最大值为3 ppm/°C)、高初始精度(B级最大值为0.04%)、低噪声(典型值1.8 μV p-p,0.1 Hz至10 Hz)基准电压源,为AD5751和AD5662提供基准电压,保证电路具有超低噪声、高精度、低温漂特性。该电路提供所有典型的电流和电压输出范围、16位分辨率且无失码、0.05%的线性度以及小于0.2%的总输出误差。
 
 ADuM1301 和ADuM5401在微控制器与模拟信号链之间提供所需的全部信号隔离。ADuM5401 还提供5 V隔离电源。该电路还具有一些支持工业应用的重要特性,如片内输出故障检测、用于防止分组错误(PEC)的CRC校验以及灵活的上电选项等,非常适合构建鲁棒的工业控制系统。在大批量生产中,它无需外部精密电阻或校准程序就能保持一致的性能,因而是PLC或DCS模块的理想选择。

 
图1. 针对单通道的基本模拟输出电路(原理示意图,未显示所有连接和保护电路)
电路描述
AD5751是一款单通道、低成本、精密电压/电流输出驱动器,设计用于满足工业过程控制应用的需要。AD5751的工作电压范围是10.8 V至55 V,电压输出可以高达44 V。电压输出范围可以编程为PLC和DCS应用的标准输出范围及20%超范围设置:0 V至5 V、0 V至10 V、0 V至6 V、0 V至12 V。此外还提供两种高压输出范围:0 V至40 V和0 V至44 V。
电流输出通过单独的引脚提供,可以编程为以下标准范围:4 mA至20 mA、0 mA至20 mA、0 mA至24 mA。此外还有2%超范围设置,提供3.92 mA至20.4 mA、0 mA至20.4 mA和0 mA至24.5 mA。如果需要,可以将电压和电流输出引脚连在一起,以便将终端系统配置为单通道输出。
 
 AD5662是一款单通道、低成本、低功耗、轨到轨电压缓冲输出 nanoDAC 器件。在0.75 V至VDD电源电压的宽基准电压范围内,AD5662保证±1 LSB的DNL。在图1所示电路中,AD5751和AD5662采用ADR444提供的4.096 V公共基准源工作。整个系统都能受益于ADR444的超低噪声和低温漂特性。ADR44x系列基准源可以流出和流入电流,因此非常适合驱动基准电压或电源输入。AD5662还内置一个上电复位电路,确保DAC输出上电至中间电平或0 V并保持该电平,直到执行一次有效的写操作为止。
ADuM1301是一款三通道数字隔离器。ADuM5401是一款四通道数字隔离器,集成isoPower®隔离式DC/DC转换器。它们均基于 iCoupler® 技术,用来在信号链与系统微控制器之间实现隔离,隔离额定值为2.5 kV rms。ADuM5401为副边的所有电路提供5 V隔离电源。
 
 数字电源与模拟电源应分离,通过铁氧体磁珠连接。各电源引脚通过并联的10 μF电容和0.1 nF陶瓷电容进行去耦。更多信息请参见CN0204设计支持包 中的原理图。
用于PLC和DCS应用的器件所需的ESD保护和过压保护一般远高于形式上的推荐要求。AD5751的各引脚内置ESD保护二极管,可以防止瞬变损害器件。但是,工业控制环境可能会使I/O电路遭受高得多的瞬变。EVAL-CN0204-SDPZ电路板内置外部64 V/1500 W瞬变电压抑制器(TVS)、50 mA/30 V自恢复保险丝(PolySwitch)和肖特基功率二极管,以提供更高电压的ESD保护、50 mA过流保护和64 V过压保护。图1的原理示意图未显示可选的外部保护电路,但可以在CN0204设计支持包的详细原理图(EVAL-CN0204-SDPZ-SCH pdf文件)中找到:www.analog.com/CN0204-DesignSupport
本电路必须构建在具有较大面积接地层的多层电路板上。为实现最佳性能,必须采用适当的布局、接地和去耦技术(请参考指南MT-031——“实现数据转换器的接地并解开AGND和DGND的谜团” 以及 指南MT-101——“去耦技术”)。
 
 
 测量
  对于PLC、DCS和其它过程控制系统,积分非线性(INL)、微分非线性(DNL)和输出误差是最重要的性能指标。AD5751具有非常灵活并且可配置的输出范围,可以满足应用需要。该电路的INL、DNL和输出误差测量结果分别如图2、图3和图4所示。测量条件为25°C、电压输出模式并且使用内部电流检测电阻。AD5751范围设置为0 V至5 V。所有其它范围的测试结果如表1所列。
表1所示测试结果是在25°C下使用EVAL-CN0204-SDPZ电路板和Agilent E3631A直流电源,利用Agilent 34401A数字万用表测得的。
注意,客户需要调整输出范围0 mA至20.4 mA和0 mA至24.5 mA,以便与0 mA至20 mA和0 mA至24 mA范围完全匹配。0 mA至20.4 mA范围下的1.70% FSR输出误差包括增益误差,增益误差可以由客户通过校准消除。

 
图2. 0 V至5 V输出范围的INL
 
 
     
 
图3.0V至5V输出范围的DNL

 
图4. 0 V至5 V输出范围的输出误差
电路评估与测试
- 系统演示平台(EVAL-SDP-CB1Z)
- CN-0204电路评估板(EVAL-CN0204-SDPZ)
- CN-0204评估软件
- 用于控制外部测试测量设备的软件(CD中未包括)
- Agilent 34401A 6.5数字万用表
- Agilent E3631A 0 V-6 V/5 A、±25 V/1 A三路输出直流电源
- 带USB接口的PC(Windows® 2000或Windows XP)
- National Instruments GPIB转USB-B接口和电缆
开始使用
将CN0204评估软件光盘放进PC的光盘驱动器,加载评估软件。打开“我的电脑”,找到包含评估软件光盘的驱动器,打开Readme文件。按照Readme文件中的说明安装和使用评估软件。
功能框图
图5所示为测试设置的功能框图。Pdf文件“EVAL-CN0204-SDPZ-SCH”包含CN0204评估板的详细电路原理图。此文件位于CN-0204设计支持包中: www.analog.com/CN0204-DesignSupport
设置
EVAL-CN0204-SDPZ电路板上的120引脚连接器连接到EVAL-SDP-CB1Z (SDP)评估板上标有“CON A”或“CON B”的连接器。应使用尼龙五金配件,通过120引脚连接器两端的孔牢牢固定这两片板。将直流输出电源设置为+25 V、−25 V和+6 V输出后,关闭电源。
Agilent E3631A电源具有±25 V/1 A和6 V/5 A输出通道。±25 V/1 A和6 V/5 A彼此隔离。因此,±25 V/1 A可以用于提供电路的+50 V电源。6 V/5 A电源的“−”引脚与±25 V/1 A电源的“COM”引脚之间不得有任何外部连接。
在断电情况下,将一个+25 V电源连接到板上标有“12~50VIN”的CN3引脚,将一个−25 V电源连接到板上标有“GND_ISO”的CN3引脚。±25 V/1 A的“COM”不连接。以同样方式将+6 V连接到CN2。接通电源,然后将SDP板附带的USB电缆连接到PC上的USB端口。注意:接通EVAL-CN0204-SDPZ的直流电源之前,请勿将该USB电缆连接到SDP板上的微型USB连接器。

 
图5. 测试设置功能框图
 
 
      测试
设置好测试设备后,将标有“VOUT”的CN4引脚或标有“IOUT”的CN1引脚连接到Agilent 34401A的输入端。根据输入信号类型(电流或电压),确保Agilent 34401A前面板上的电缆连接正确。测试INL、DNL和总误差需要相当长的时间,因为AD5662 16位DAC的所有电平都需要由34401A设置并测量。
利用CD中提供的软件,可以通过PC设置DAC代码。需要使用自动测试程序来逐步测试各个代码并分析数据。CD中未提供此程序,必须由客户根据测试设置所用特定万用表的要求予以实现。
在图5所示的测试配置中,利用National Instruments GPIB转USB-B接口和电缆,34401A万用表的GPIB输出与PC上的另一个USB端口接口。这样,万用表读数就能与载入PC中Excel电子表格的各代码对应。然后根据业界标准定义分析这些数据,以获得INL、DNL和总误差。
欲详细了解参数定义以及如何从测量数据计算INL、DNL和总误差,请参阅AD5662数据手册的“术语”部分和以下文献:数据转换手册第5章“测试数据转换器”,ADI公司
讨论
样片申请及购买
样片
| 产品 | 描述 |  可提供样片的  | 
| AD5662 | 2.7-5.5V、16位nanoDAC®转换器,采用SOT-23封装 | AD5662ARJZ-1500RL7 AD5662ARMZ-1 AD5662ARMZ-1REEL7 AD5662BRJZ-1500RL7 AD5662BRJZ-1REEL7 AD5662BRJZ-2500RL7 AD5662BRMZ-1 | 
| ADUM1301 | 三通道数字隔离器 | ADUM1301ARWZ ADUM1301BRWZ ADUM1301WSRWZ ADUM1301WTRWZ | 
| ADUM5401 | 集成DC/DC转换器的四通道隔离器(3/1通道方向性) | ADUM5401ARWZ ADUM5401CRWZ ADUM5401WCRWZ ADUM5401WCRWZ-1 | 
| AD5751 | 工业电流/电压(I/V)输出驱动器,单电源供电,最大供电电压为55V,输出范围可编程 | AD5751ACPZ AD5751BCPZ | 
| ADR444 | 超低噪声、4.096V LDO XFET®基准电压源,具有吸电流和源电流能力 | ADR444ARMZ ADR444ARZ | 
- 加入我的myAnalog 登录 myAnalog




