LTC4151 在 -48V ATCA 应用中与绝缘势垒相连接
详情介绍
概览
电路功能与优势

 
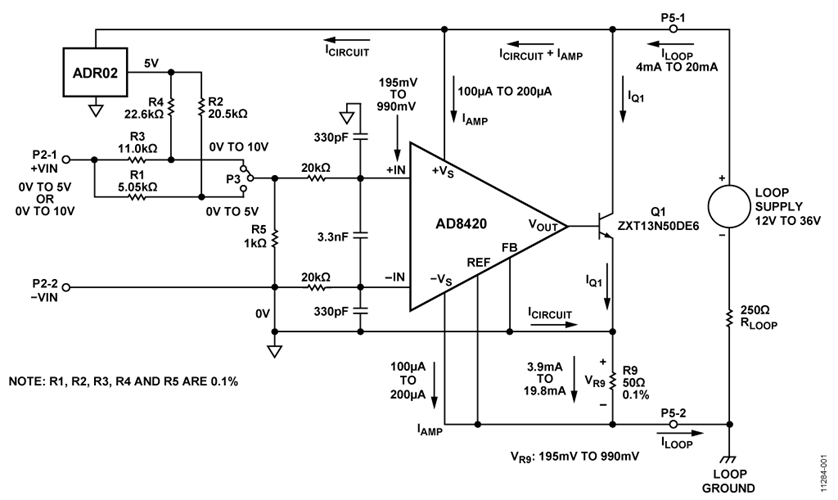
图1.鲁棒的环路供电型可配置发射器电路(带4 mA至20 mA输出)
设计针对精密、低噪声和低功耗工业过程控制应用而优化。作为发射器时,电路可以接受0 V至5V或0 V至10 V的输入电压。作为接收器时,则可提供0.2 V至2.3 V或0.2 V至4.8 V输出电压,与采用2.5 V或5 V基准电压源的ADC兼容。作为发射器时,电源电压范围为12 V至36 V,作为接收器时为7 V至36 V。
由于该电路是可以配置的,因此,单个硬件设计可以同时用作备用发射器和备用接收器,从而降低客户的库存要求。
电路描述
  
图1所示为4mA至20mA发射器配置的简化电路图。电路功耗仅为1 mA左右,非常适合环路供电应用。发射器的输入范围为0 V至5 V和0 V至10 V,可以通过跳线P3选择。然后,将输入电压范围调整至0.195 V至0.990 V,因为AD8420的差分输入电压的上限为±1 V。
AD8420的输入端有一个差模噪声滤波器(40 kΩ/3.3 nF),带宽为1.2 kHz,还有一个共模噪声滤波器(20 kΩ/330 pF),带宽为24 kHz。
AD8420的间接电流反馈架构强制放大器的差分输入电压出现在其FB和REF引脚之间。然后,晶体管Q1把0.195 V至0.990 V电压范围转换成3.9 mA至19.8 mA的电流,流过R9 50 Ω检测电阻。
通过R9检测电阻的电流包括电路电流和Q1电流,但不包括AD8420电流 IAMP。
 AD8420的特有架构使其电源电流具有可预测性,当在+IN和−IN之间施加0.195 V至0.990 V的输入电压时,其范围在100 μA至200 μA之间。该电源电流会增加通过R9的电流,使总输出环路电流增至4 mA至20 mA。因此,环路中的总电流可通过以下等式得到:
 
  
 
 
 若要使电路正常工作,电路总电源电压必须大于7 V,以便为ADR02基准电压源提供充分的裕量。

环路电源电压同样限值为36 V(最大值)。AD8420的一个优势是其高阻抗基准电压源引脚,该引脚无需通过额外的运算放大器来驱动,从而减少了发射器电路的功耗、成本和空间要求。为了使环路正常工作,电路板地和环路地不得相连,除非需要R9(50 Ω检测电阻)。
 
 
 调整电阻的选择 
 
AD8420的差分输入电压范围限值为±1V(最大值)。因此,为了能接受更高的工业输入电压范围,电路采用调整电阻网络将0 V至5 V或0 V至10 V输入转换成0.195 V至0.990 V。下列等式利用节点分析法来求得电路中R1、R2、R3和R4的值:

同样,求得相应调整电阻的值:

EVAL-CN0314-EB1Z板提供的电阻如下:实际电路中,必须选择最接近EIA标准的0.1%电阻,因此可得固定失调误差。
 
  
      有了随电路板提供的这些值,就可以利用以下等式算出这些电阻值导致的失调误差:
对于0 V至5 V输入,VREF = 5 V,R1 = 5.05 kΩ,R2 = 20.5 kΩ,且R5 = 1 kΩ。

为了最大限度地减小该失调误差,可使用两个0.1%电阻组合,以便更接近算出的电阻值。
 
总发射器电路精度
 
对电阻容差导致的总误差的合理近似推算是假设每个关键电阻对总误差贡献都相等。四个关键电阻为R1或R3、R2或R4、R5和R9。0.1%电阻导致的最差情况下的容差可造成0.4%总电阻误差最大值。若假定rss误差,则总rss误差为0.1√4 = 0.2%。
因系统中有源元件导致的最大误差和rss误差(AD8420使用A级,ADR02使用B级)如下表所示。
表1.有源元件导致的误差
| 误差元件 | 误差 | 误差值 | 误差(%FSR) | 
| AD8420-A | 失调 | 250 µV | 0.03% | 
| ADR02-B | 失调 | 0.06% | 0.015% | 
| RSS FS误差 | 0.034% | ||
| 最大FS误差 | 0.045% | 

这些误差假定选用理想电阻,同时假定,这些误差来源于其容差。
电路的实际误差数据见图3和图4,其中,环路电源电压= 25 V。总输出误差(%FSR)通过将实测输出电流与理想输出电流的差除以FSR (16 mA),然后将计算结果乘以100即可算出。

 
图2.总发射器误差(% FSR)与输入电压(范围:0 V至5 V)的关系
 

 
图3.总发射器误差(% FSR)与输入电压(范围 :0 V至10 V)的关系
 
 
 
接收器配置
图4所示为简化的接收器配置。接收器电路将电流信号转换成电压电平,该电平与采用2.5 V或5 V基准电压源的 多数单端输入ADC相兼容。

 
图4. 4 mA至20 mA接收器配置的简化原理 图。
电阻R6用于检测4 mA至20 mA信号,并将其转换成0.2 V至1 V的输入电压以提供给放大器。然后,输入电压反射过 放大器的FB和REF引脚。不同于输出电压范围为1 V至5 V的多数直接增益接收器,电路采用ADR02和增益及调整电阻 来提高0.2 V至4.8 V的输出范围。这使采用5 V基准电压源的ADC的输入动态范围实现了最大化。结果带来的额外裕量 为整个输入信号范围提供了线性度保障。接收器电路也可以用跳线P4进行配置,以便为采用2.5 V基准电压源的ADC 提供0.2 V至2.3 V的输出电压。
不同于许多其他单电源仪表放大器,对于这种应用,AD8420的关键优势在于,它可以检测近地电流,而不会超 过输入范围,也不会遇到共模限制。另外,AD8420还具有增益和电平转换能力,不会像简单的电阻分压器一样浪费 ADC输入范围。
 
 
 
增益和调整电阻的选择
 
AD8420的增益一般通过两个电阻(R11和R10)的比值来设定。然而,电路采用ADR02以利用被低端直接增益浪费 的20%的额外范围。以下等式展示了如何获得针对目标输出电压范围的增益值和调整电阻值。


电路板上提供的电阻是值最接近EIA标准0.1%的电阻,可从供应商处取得。因此,电路板随附电阻的实际值如下 :
 
根据电路板提供的这些值,电阻值引起的误差可计算如下:

也可使用两个0.1%电阻组合,以便更接近计算值,从而最大限度地减小该失调误差。 
 
 
 总接收器电路精度 
 
对电阻容差导致的总误差的合理近似推算是假设每个关键电阻对总误差贡献都相等。四个关键电阻为R11或 R13、R12或R14、R6和R10。0.1%电阻导致的最差情况下的容差可造成0.4%总电阻误差最大值。若假定rss误差,则 总rss误差为0.1√4 = 0.2%。
因系统中有源元件导致的最大误差和rss误差(AD8420使用A级,ADR02使用B级)如下表所示。
表2.有源元件导致的误差
| 误差元件 | 误差 | 误差值 | 误差 (% FSR) | 
| ADR02-B | 失调 | 0.06% | 0.01% | 
| AD8420-A | 失调 | 250 µV | 0.01% | 
| AD8420-A | 增益 | 0.05% | 0.05% | 
| RSS FS 失调 | 0.014% | ||
| RSS FS 增益 | 0.05% | ||
| RSS FS 误差 | 0.064% | ||
| 最大FS失调 | 0.02% | ||
| 最大FS增益 | 0.05% | ||
| 最大FS误差 | 0.07% | 
这些误差假定选用理想电阻,同时假定,这些误差来源于其容差。
接收器电路的实际误差数据见图5和图6,其中, VCC= 25 V。总输出误差(%FSR)通过将实测输 出电压与理想输出电流的差除以输出电压的FSR,然后将计算结果乘以100即可算出。

 
图5.总接收器误差(%FSR)与输入电流(范围 :4 mA至20 mA)在0.2 V至2.3 V输出范围下的关系

 
图6.总接收器误差(%FSR)与输入电压(范围 :4 mA至20 mA)在0.2 V至4.8 V输出范围下的关系
有关EVAL-CN0314-EB1Z发射器/接收器板的设计支持包(包括完整的原理图、物料清单和布局文件),请参考: http://www.analog.com/CN0314 -DesignSupport。
常见变化
AD8237是一款微功耗、零漂移、真正轨到轨仪表放大器,也可用于本电路配置的低电源电压版本。
针对低电流电压应用,可使用高精度、低功耗、低噪声基准电压源ADR4550来代替ADR02。
电路评估与测试
- EVAL-CN0314-EB1Z 评估板
- Agilent E3631A 双直接电源(或等效设备)
- Yokogawa 2000 双直接电源(或等效设备)
- Agilent 3458 精密万用表(或等效设备)
测试设置配置和测试
电路通过图7和图8所示测试设置进行了测试。Agilent3631A设为25 V,作为评估板的电源。Agilent 3458万用表用于测量评估板的实际电流或电压输出。EVAL-CN0314-EB1Z的照片如图9所示。
对于发射器配置测试设置(图8),利用一个Yokogawa 2000精密直流源来产生0 V至5 V或0 V至10 V的差分输入范围。S1开关必须置于“V-I”位,以将电路配置为发射器。
 
  
 
图7.发射器测试设置的功能框图
对于接收器配置测试设置(图9),利用第二块EVAL-CN0314-EB1Z来产生4 mA至20 mA的输入电流。如果需要可以使用精密电流源。S1开关必须置于“I-V”位,以将电路配置为接收器。

 
图8.接收器测试设置的功能框图

 
图9.EVAL-CN0314-EB1Z板的照片
针对4 mA至20 mA发射器的开关和跳线设置
对于如图1所示发射配置,开关S1应置于“V-I”位。对于0 V至10 V的输入范围,跳线P3应置于“0–10V”位,对于0 V至5 V的输入范围,则应置于“0–5V”位。同时参见图9所示评估板照片。
S针对4 mA至20 mA接收器的开关和跳线设置
对于如图4所示接收器配置,开关S1应置于“I-V”位。对于0.2 V至2.3 V的输入范围,跳线P4应置于“0.2-2.3V”位,对于0.2 V至4.8 V的输入范围,则应置于“0.2-4.8V”位。同时参见图9所示评估板照片。
讨论
- 加入我的myAnalog 登录 myAnalog




