LTC3638 4V~125V 输入至 -15V 输出正至负稳压器
详情介绍
概览
电路描述
      电路信号带宽由 
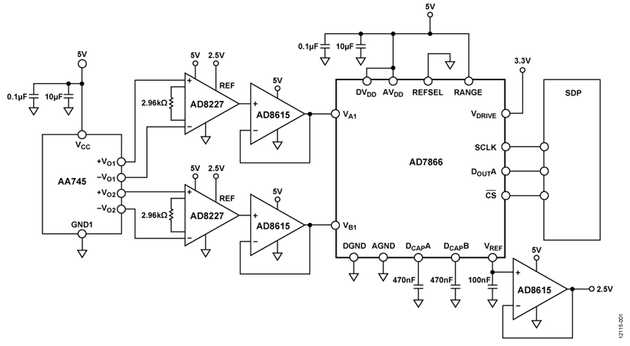
     AD8227确定,其在增益32下具有大约100 kHz 带宽。 
     
 
     
单位增益运算放大器 AD8615 缓冲仪表放大器的输出电压, 并直接连接ADC。该缓冲器具有轨到轨输出级,可在电源 供电轨200 mV范围内摆动。
 
     
AD7866是一款双通道12位1 MSPS SAR ADC。RANGE引脚的 极性确定模拟输入范围和输出编码。如果片选信号变为低 电平时该引脚连接逻辑高电平,则下一次转换的模拟输入 范围为0 V至2VREF(0 V至5 V),为缓冲放大器的0.2 V至4.8 V 输入信号提供大约200 mV裕量。
 
     
将REFSEL引脚连接至低电平可配置ADC使用内部2.5 V基准 电压源。VREF引脚提供该电压,但将其用于系统的其他位 置前必须先使用缓冲器。DCAPA引脚和DCAPB引脚采用470 nF 电容去耦,确保ADC正常工作。基准电压由AD8615缓冲, 并设置仪表放大器AD8227共模输出电压。
 
     
AD7866同步采样磁阻传感器的两个通道。数字字通常在 DOUTA和DOUTB端提供。每个数据流包括1个前导零,随后 是3个状态位,再加上12位转换数据。然而,保持片选信 号为低电平并持续额外16个时钟周期,则两个数字字均可 从一个通道(DOUTA)读取。
 
     
SPI接口允许在一条数据线路上访问两个通道。
 
     
磁阻(MR)理论, 请参考 CN0341 PDF.
 
     
传感器基础知识
标准AMR传感器由两个惠斯登电桥组成,互相之间的相对 角度为45°。透磁合金条包含两个电桥的全部元器件,标称 电阻值为3.2 kΩ。
 
     
 
     
 
     
 
      
      
 
     
 
     
 
     
图7.AA745双惠斯登电桥配置
 
     
AA745最大峰值信号幅度为70 mV(14 mV/VCC,5 V电源)。 传感器失调电压为±10 mV(±2 mV/VCC,5 V电源),输出2.5 V ±0.70 mV可用信号。旋转磁场产生sin(2ø)和cos(2ø)输出信号, 如图8所示。两个信号在180°范围内均为周期信号,可进行 全方位360°测量,无需额外电路和元件。
 
     
 
     
 
      
      
 
     
 
     
 
     
图8. 磁阻传感器输出电压
  
     
 
     
Channel 通道灵敏度
每通道的传感器标称灵敏度为2.35 mV/°。这意味着磁化矢 量和传感器方向之间的每一度变化都会产生2.35 mV的输出 电压改变。角度的灵敏度并非常量。灵敏度下降的部分是 线路斜率接近零时的输出部分。
 
     
如图8所示,通道1(蓝线)在磁化矢量接近45°或135°时损失 灵敏度。类似地,通道2(红线)在磁化矢量接近0°和90°时损 失灵敏度。幸运的是,当一个通道的灵敏度降低时,另一 个通道处于高灵敏度区域。
 
     
软件利用了这一特性,并基于某一时刻最为精确的传感器 测量角度。如果通道1接近45°,则使用通道2计算角度,保 证系统精度。
 
     
测试结果
通过在数显卡尺的臂上安装磁体,测试EVAL-CN0341-SDPZ PCB。安放EVAL-CN0341-SDPZ PCB,使其AA745 AMR传感 器(U5)正面与磁体正面垂直。当磁体移动时,数显卡尺显 示移动的距离,精度达0.0005英寸。同时,磁力线与传感 器相交,提供可用输出范围。图9显示该设置的功能框 图;图10显示该设置的照片。
 
     
 
     
 
     
 
     
 
      
      
 
     
 
     
 
     
 
     
 
 
图9. 数据采集测试设置
 
  
     
 
     
 
      
      
 
     
 
     
 
     
图10. 基准测试设置照片
 
     
测试所用的磁体为2英寸长,与传感器相距1英寸。通过移 动磁体来获得数据,并将评估软件读数与卡尺数字显示屏 的读数做比较。图11显示1.0英寸范围内记录的输出位置误 差。整个范围内的误差为±2密耳。
 
     
 
     
 
      
      
 
     
 
     
 
     
图11. 磁场位置误差: 1.0英寸范围, 显示四片评估板的数据
 
     
将测量范围限制在0.4英寸可获得更好的误差结果。注意, 0.4英寸与图8所示的三角波的线性部分重合,并将测量限 制在30˚范围内。对此更改范围应用新的增益校正系数,可 获得±1密耳的误差,如图12所示。
 
     
 
     
 
     
 
      
      
 
     
 
     
 
     
图12. 磁场位置误差: 0.4英寸范围, 显示四片评估板的数据
 
     
将测量范围限制在0.4英寸可获得更好的误差结果。注意, 0.4英寸与图8所示的三角波的线性部分重合,并将测量限 制在30˚范围内。对此更改范围应用新的增益校正系数,可 获得±1密耳的误差,如图12所示。
 
     
 
     
 
      
      
 
     
 
     
 
     
图13. 基准测试设置照片: 垂直对齐误差
 
     
传感器放在磁体本体的中央,如图13所示。当传感器相对磁 体上下移动时,会产生一个常见误差源——垂直对齐误差。
 
     
 
     
 
      
      
 
     
 
     
 
     
图14. 磁场位置误差: 垂直对齐误差
 
     
图14显示了传感器与磁体在垂直方向上未对齐所造成的误 差。测试将PCB上移或下移0.25英寸和0.5英寸,然后获取 数据。对于1.0英寸测量范围,上移或下移0.25英寸会严重 降低性能,给计算增加数密耳的误差。上移或下移0.5英寸 时,情况更糟,原始读数的误差会增加数十密耳。
 
     
 
     
 
      
      
 
     
 
     
 
     
图15. 基准测试设置照片: 旋转对齐误差
 
     
通过调整增益校正系数,可以减小这些误差,但无法完全 消除。增大与磁体的距离会对磁场强度产生不利影响,磁 力线的方向会使得某些数据不可恢复。
 
     
图15显示了第二个常见误差源——旋转对齐误差。虽然传 感器和磁体在垂直方向上定位理想,但传感器与磁体的正 面并不平行。
 
     
 
     
图16显示了与该误差源相关的读数。绿线显示了平行配置 所记录的误差,红线和蓝线显示了传感器相对于磁体正面 左右旋转所带来的额外误差。
 
     
 
     
 
      
      
 
     
 
     
 
     
图16. 磁场位置误差: 旋转对齐误差
 
 
图17显示了最后一个常见误差源——传感器与磁体的距离。 传感器与磁体的理想距离是磁体长度的一半。增大或减小 该距离都会带来测量误差。图17显示了磁体和传感器相距 太近的基准测试设置。
 
 
 
 
       
  
     
 
     
 
      
 
     
 
     
 
     
图18. 磁场位置误差: 平面距离变化
  
     
 
     
通过调整增益校正系数,可以减小这些误差,但无法完全 消除。增大或减小与磁体的距离会对磁场强度产生不利影 响,磁力线的方向会使得某些数据不可恢复。
 
     
图19所示为用于所有读数和计算的LabVIEW®评估软件的屏 幕截图。
 
     
 
     
 
      
      
 
     
 
     
 
     
图19. CN-0341评估软件屏幕截图
 
     
 
     
 
     
校准选项卡确定每个惠斯登电桥的最大和最小电压输出 (V MAX 和V MIN )。了解这些数值可以更精确地将电压映射到 数字码。用户可以手动输入数值,使计算误差最小。
 
     
PCB布局考虑
在任何注重精度的电路中,必须仔细考虑电路板上的电源 和接地回路布局。PCB应尽可能隔离数字部分和模拟部分。 本系统的PCB采用4层板堆叠而成,具有较大面积的接地层 和电源层多边形。有关布局和接地的详细论述,请参见 MT-031 指南,有关去耦技术的信息,请参见 MT-101 指南。
 
     
所有IC的电源应当用1 μF和0.1 μF电容去耦,以适当抑制噪 声并减小纹波。这些电容应尽可能靠近器件。对于所有高 频去耦,建议使用陶瓷电容。
 
     
电源走线应尽可能宽,以提供低阻抗路径,并减小电源线 路上的毛刺效应。通过数字地将时钟及其它快速开关数字 信号屏蔽起来,使之不影响电路板的其它器件。图20为 PCB的照片。
 
     
有关本电路笔记的完整设计支持包,请访问 www.analog.com/CN0341-DesignSupport.
 
     
 
     
 
      
      
 
     
 
     
 
     
图20. EVAL-CN0341-SDPZ PCB照片
 
     
 
     
 
     
 
     
 
     
 
    
 
   单位增益运算放大器 AD8615 缓冲仪表放大器的输出电压, 并直接连接ADC。该缓冲器具有轨到轨输出级,可在电源 供电轨200 mV范围内摆动。
AD7866是一款双通道12位1 MSPS SAR ADC。RANGE引脚的 极性确定模拟输入范围和输出编码。如果片选信号变为低 电平时该引脚连接逻辑高电平,则下一次转换的模拟输入 范围为0 V至2VREF(0 V至5 V),为缓冲放大器的0.2 V至4.8 V 输入信号提供大约200 mV裕量。
将REFSEL引脚连接至低电平可配置ADC使用内部2.5 V基准 电压源。VREF引脚提供该电压,但将其用于系统的其他位 置前必须先使用缓冲器。DCAPA引脚和DCAPB引脚采用470 nF 电容去耦,确保ADC正常工作。基准电压由AD8615缓冲, 并设置仪表放大器AD8227共模输出电压。
AD7866同步采样磁阻传感器的两个通道。数字字通常在 DOUTA和DOUTB端提供。每个数据流包括1个前导零,随后 是3个状态位,再加上12位转换数据。然而,保持片选信 号为低电平并持续额外16个时钟周期,则两个数字字均可 从一个通道(DOUTA)读取。
SPI接口允许在一条数据线路上访问两个通道。
磁阻(MR)理论, 请参考 CN0341 PDF.
传感器基础知识
标准AMR传感器由两个惠斯登电桥组成,互相之间的相对 角度为45°。透磁合金条包含两个电桥的全部元器件,标称 电阻值为3.2 kΩ。
 
 
     图7.AA745双惠斯登电桥配置
AA745最大峰值信号幅度为70 mV(14 mV/VCC,5 V电源)。 传感器失调电压为±10 mV(±2 mV/VCC,5 V电源),输出2.5 V ±0.70 mV可用信号。旋转磁场产生sin(2ø)和cos(2ø)输出信号, 如图8所示。两个信号在180°范围内均为周期信号,可进行 全方位360°测量,无需额外电路和元件。
 
 
     图8. 磁阻传感器输出电压
Channel 通道灵敏度
每通道的传感器标称灵敏度为2.35 mV/°。这意味着磁化矢 量和传感器方向之间的每一度变化都会产生2.35 mV的输出 电压改变。角度的灵敏度并非常量。灵敏度下降的部分是 线路斜率接近零时的输出部分。
如图8所示,通道1(蓝线)在磁化矢量接近45°或135°时损失 灵敏度。类似地,通道2(红线)在磁化矢量接近0°和90°时损 失灵敏度。幸运的是,当一个通道的灵敏度降低时,另一 个通道处于高灵敏度区域。
软件利用了这一特性,并基于某一时刻最为精确的传感器 测量角度。如果通道1接近45°,则使用通道2计算角度,保 证系统精度。
测试结果
通过在数显卡尺的臂上安装磁体,测试EVAL-CN0341-SDPZ PCB。安放EVAL-CN0341-SDPZ PCB,使其AA745 AMR传感 器(U5)正面与磁体正面垂直。当磁体移动时,数显卡尺显 示移动的距离,精度达0.0005英寸。同时,磁力线与传感 器相交,提供可用输出范围。图9显示该设置的功能框 图;图10显示该设置的照片。
 
 
     图9. 数据采集测试设置
 
 
     图10. 基准测试设置照片
测试所用的磁体为2英寸长,与传感器相距1英寸。通过移 动磁体来获得数据,并将评估软件读数与卡尺数字显示屏 的读数做比较。图11显示1.0英寸范围内记录的输出位置误 差。整个范围内的误差为±2密耳。
 
 
     图11. 磁场位置误差: 1.0英寸范围, 显示四片评估板的数据
将测量范围限制在0.4英寸可获得更好的误差结果。注意, 0.4英寸与图8所示的三角波的线性部分重合,并将测量限 制在30˚范围内。对此更改范围应用新的增益校正系数,可 获得±1密耳的误差,如图12所示。
 
 
     图12. 磁场位置误差: 0.4英寸范围, 显示四片评估板的数据
将测量范围限制在0.4英寸可获得更好的误差结果。注意, 0.4英寸与图8所示的三角波的线性部分重合,并将测量限 制在30˚范围内。对此更改范围应用新的增益校正系数,可 获得±1密耳的误差,如图12所示。
 
 
     图13. 基准测试设置照片: 垂直对齐误差
传感器放在磁体本体的中央,如图13所示。当传感器相对磁 体上下移动时,会产生一个常见误差源——垂直对齐误差。
 
 
     图14. 磁场位置误差: 垂直对齐误差
图14显示了传感器与磁体在垂直方向上未对齐所造成的误 差。测试将PCB上移或下移0.25英寸和0.5英寸,然后获取 数据。对于1.0英寸测量范围,上移或下移0.25英寸会严重 降低性能,给计算增加数密耳的误差。上移或下移0.5英寸 时,情况更糟,原始读数的误差会增加数十密耳。
 
 
     图15. 基准测试设置照片: 旋转对齐误差
通过调整增益校正系数,可以减小这些误差,但无法完全 消除。增大与磁体的距离会对磁场强度产生不利影响,磁 力线的方向会使得某些数据不可恢复。
图15显示了第二个常见误差源——旋转对齐误差。虽然传 感器和磁体在垂直方向上定位理想,但传感器与磁体的正 面并不平行。
图16显示了与该误差源相关的读数。绿线显示了平行配置 所记录的误差,红线和蓝线显示了传感器相对于磁体正面 左右旋转所带来的额外误差。
 
 
     图16. 磁场位置误差: 旋转对齐误差
图17显示了最后一个常见误差源——传感器与磁体的距离。 传感器与磁体的理想距离是磁体长度的一半。增大或减小 该距离都会带来测量误差。图17显示了磁体和传感器相距 太近的基准测试设置。

图17. 基准测试设置照片: 平面距离变化 
 
 
 磁体与传感器的距离先后设置为0.1英寸、0.5英寸和1英 寸,然后获取数据。图18显示了不同配置相关的误差。 
 
 
 
 
 
     图18. 磁场位置误差: 平面距离变化
通过调整增益校正系数,可以减小这些误差,但无法完全 消除。增大或减小与磁体的距离会对磁场强度产生不利影 响,磁力线的方向会使得某些数据不可恢复。
图19所示为用于所有读数和计算的LabVIEW®评估软件的屏 幕截图。
 
 
     图19. CN-0341评估软件屏幕截图
校准选项卡确定每个惠斯登电桥的最大和最小电压输出 (V MAX 和V MIN )。了解这些数值可以更精确地将电压映射到 数字码。用户可以手动输入数值,使计算误差最小。
PCB布局考虑
在任何注重精度的电路中,必须仔细考虑电路板上的电源 和接地回路布局。PCB应尽可能隔离数字部分和模拟部分。 本系统的PCB采用4层板堆叠而成,具有较大面积的接地层 和电源层多边形。有关布局和接地的详细论述,请参见 MT-031 指南,有关去耦技术的信息,请参见 MT-101 指南。
所有IC的电源应当用1 μF和0.1 μF电容去耦,以适当抑制噪 声并减小纹波。这些电容应尽可能靠近器件。对于所有高 频去耦,建议使用陶瓷电容。
电源走线应尽可能宽,以提供低阻抗路径,并减小电源线 路上的毛刺效应。通过数字地将时钟及其它快速开关数字 信号屏蔽起来,使之不影响电路板的其它器件。图20为 PCB的照片。
有关本电路笔记的完整设计支持包,请访问 www.analog.com/CN0341-DesignSupport.
 
 
     图20. EVAL-CN0341-SDPZ PCB照片
常见变化
      欲将CN-0323笔记所述的角位置测量系统更改为线性位置 测量系统,需要做两点改变。首先是用AA745代替AA747 传感器。该传感器专门检测线性移动,并具有与AA747相 当的电气特性。其次,采用由一系列变化的南北极组成的 多极条状磁体代替现有磁体,如图21所示。 
     
 
     
 
     
 
     
 
      
      
 
     
 
     
 
     
 
     
图21. 线性位置测量磁体、PCB和传感器
 
     
AA745采用水平包装,安装位置与PCB的边缘齐平。这样 可实现磁体和传感器之间的最佳距离,理想距离是磁极长 度的一半。
 
     
随着传感器沿与磁体平行方向移动,每转过磁极长度的 180°,它都会检测磁场。磁极长度(P)和传感器的角度精度 (ΔØ = 0.05°)确定理论精度(Δx)。
 
     
Δx = P × Δ?/180°
这样便形成了仅有一个磁极长度的绝对测量系统。若磁体 有多个磁极,则对通过的磁极进行计数可获得更精确的读 数。实现该功能需要更多电子元器件,并且通常具有不同 磁极长度的第二个磁体能为额外的传感器提供参照点。
 
     
 
     
 
    
 
    
 
     图21. 线性位置测量磁体、PCB和传感器
AA745采用水平包装,安装位置与PCB的边缘齐平。这样 可实现磁体和传感器之间的最佳距离,理想距离是磁极长 度的一半。
随着传感器沿与磁体平行方向移动,每转过磁极长度的 180°,它都会检测磁场。磁极长度(P)和传感器的角度精度 (ΔØ = 0.05°)确定理论精度(Δx)。
Δx = P × Δ?/180°
这样便形成了仅有一个磁极长度的绝对测量系统。若磁体 有多个磁极,则对通过的磁极进行计数可获得更精确的读 数。实现该功能需要更多电子元器件,并且通常具有不同 磁极长度的第二个磁体能为额外的传感器提供参照点。
电路评估与测试
      本电路使用EVAL-SDP-CB1Z系统演示平台(SDP)评估板和 EVAL-CN0341-SDPZ电路板。这两片板具有120引脚的对接 连接器,可以快速完成设置并评估电路性能。 
     
 
     
EVAL-CN0341-SDPZ包含待评估电路,如本笔记所述。 EVAL-SDP-CB1Z与CN-0341评估软件一同使用,收集 EVAL-CN0341-SDPZ评估板的数据。
 
     
设备要求
 
     
带USB端口的Windows® XP、Windows Vista®(32位)或 Windows® 7(32位)PC
EVAL-CN0341-SDPZ评估板
EVAL-SDP-CB1Z评估板
6 V电源或壁式电源适配器
CN-0341评估软件
传感器封装处磁场强度不低于25 kA/m的钕磁体。
开始使用
将CN-0341评估软件评估软件光盘放入PC,加载评估软 件。打开我的电脑,找到包含评估软件光盘的驱动器,打 开Readme文件。按照Readme文件中的说明安装和使用评 估软件。
 
     
功能框图
图22所示为测试设置的功能框图。
 
     
 
     
 
      
      
 
     
 
     
 
     
 
     
设置
将 EVAL-CN0341-SDPZ上的120引脚连接器连接到EVALSDP-CB1Z上的连接器。使用尼龙五金配件,通过120引脚 连接器两端的孔牢牢固定这两片板。
 
     
在断电情况下,将6.0 V直流管式插孔连接到J4连接器。将 EVAL-SDP-CB1Z附带的USB电缆连接到PC上的USB端口。 注意:此时请勿将该USB电缆连接到SDP板上的微型USB连 接器。
 
     
将钕磁体直接放置在IC之上,或置于专为旋转磁体而设计 的夹具中,使IC和磁体本身的距离最短。
 
     
使磁场的其他来源远离IC很重要,因为任何杂散磁场都会 使传感器输出电压产生误差。
 
     
测试
为直流管式插孔、J4连接器上电。启动CN-0341评估软件, 并通过USB电缆将PC连接到EVAL-SDP-CB1Z上的微型USB 连接器。
 
     
一旦USB通信建立,就可以使用EVAL-SDP-CB1Z来发送、 接收和捕捉来自EVAL-CN0341-SDPZ的串行数据。
 
     
有关EVAL-SDP-CB1Z的信息,请参阅SDP用户指南。
 
     
有关测试设置、校准以及如何使用评估软件来捕捉数据的 详细信息,请参阅 CN-0341 软件用户指南: www.analog.com/CN0341-UserGuide.
 
     
 
     
 
     
 
    
 
   EVAL-CN0341-SDPZ包含待评估电路,如本笔记所述。 EVAL-SDP-CB1Z与CN-0341评估软件一同使用,收集 EVAL-CN0341-SDPZ评估板的数据。
设备要求
带USB端口的Windows® XP、Windows Vista®(32位)或 Windows® 7(32位)PC
EVAL-CN0341-SDPZ评估板
EVAL-SDP-CB1Z评估板
6 V电源或壁式电源适配器
CN-0341评估软件
传感器封装处磁场强度不低于25 kA/m的钕磁体。
开始使用
将CN-0341评估软件评估软件光盘放入PC,加载评估软 件。打开我的电脑,找到包含评估软件光盘的驱动器,打 开Readme文件。按照Readme文件中的说明安装和使用评 估软件。
功能框图
图22所示为测试设置的功能框图。
 
 
     设置
将 EVAL-CN0341-SDPZ上的120引脚连接器连接到EVALSDP-CB1Z上的连接器。使用尼龙五金配件,通过120引脚 连接器两端的孔牢牢固定这两片板。
在断电情况下,将6.0 V直流管式插孔连接到J4连接器。将 EVAL-SDP-CB1Z附带的USB电缆连接到PC上的USB端口。 注意:此时请勿将该USB电缆连接到SDP板上的微型USB连 接器。
将钕磁体直接放置在IC之上,或置于专为旋转磁体而设计 的夹具中,使IC和磁体本身的距离最短。
使磁场的其他来源远离IC很重要,因为任何杂散磁场都会 使传感器输出电压产生误差。
测试
为直流管式插孔、J4连接器上电。启动CN-0341评估软件, 并通过USB电缆将PC连接到EVAL-SDP-CB1Z上的微型USB 连接器。
一旦USB通信建立,就可以使用EVAL-SDP-CB1Z来发送、 接收和捕捉来自EVAL-CN0341-SDPZ的串行数据。
有关EVAL-SDP-CB1Z的信息,请参阅SDP用户指南。
有关测试设置、校准以及如何使用评估软件来捕捉数据的 详细信息,请参阅 CN-0341 软件用户指南: www.analog.com/CN0341-UserGuide.
讨论
       电脑端提供购买功能 
     
 
     
       购买评估板  
       所示报价为单片价格  
       
        
       
       
       
        
     
 
     
         所示报价为单片价格。所列的美国报价单仅供预算参考,指美元报价(每片美国离岸价),如有修改恕不另行通知。由于地区关税、商业税、汇率及手续费原因,国际报价可能不同。 
       
 
      - 加入我的myAnalog 登录 myAnalog





