LT8620 5V 2MHz 降压转换器
详情介绍
概览
设计资源
评估硬件
产品型号带"Z"表示符合RoHS标准。评估此电路需要下列选中的电路板
- EVAL-CN0364-SDPZ ($110.00) PLC/DCS Quad Channel Voltage and Current Input with HART Compatibility
- EVAL-SDP-CB1Z ($99.00) Eval Control Board
驱动/参考代码
Software such as C code and/or FPGA code, used to communicate with component's digital interface.
优势和特点
- 四通道电压和电流输入
- 完全隔离
- 兼容HART
电路功能与优势
此模拟输入电路是为分组隔离的工业模拟输入而设计,可支持的电压和电流输入范围包括±5 V、±10 V、0 V至+5 V、0 V至+10 V、+4 mA至20 mA和0 mA至+20 mA。
该电路由标准的24 V总线供电,并产生一个隔离的5 V系统供电电压。
电路描述
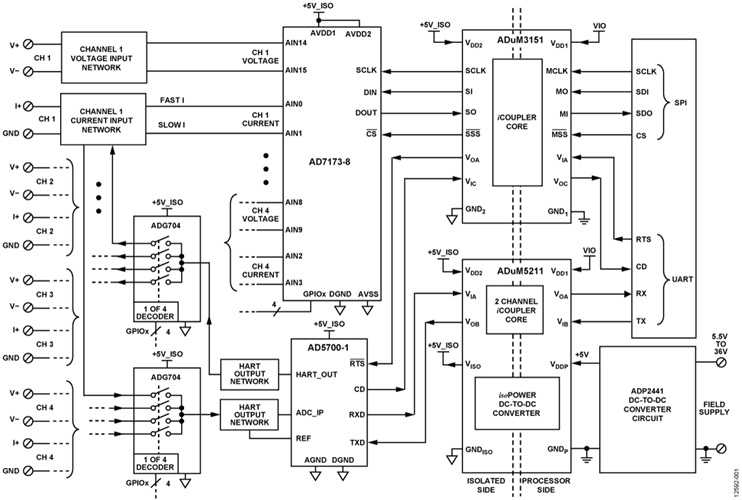
AD5700-1是业内最低功率、最小封装、HART兼容的调制解调器,与电流输入通道一起形成HART兼容的,4 mA到20 mA接收器解决方案。AD5700-1包括一个内部精密振荡器,可以额外节省空间,尤其是在隔离应用中。
ADG704 多路复用器提供多路电流输入通道与HART之间的连接。
ADuM5211将两个数据通道(Tx,Rx)隔离,并且通过集成的isoPower®技术提供了5 V电源隔离。 ADuM3151 PIsolator提供串行外围接口(SPI)隔离,时钟速率可以高达17 MHz(B级),同时可隔离三个附加的数据通道。
ADP2441 是36 V,降压调节器,可接受工业标准24 V电源供电,具有宽输入电压。ADP2441将输入电压降至5 V,为所有控制器侧电路供电。该电路还包括标准24 V输入端外围保护。
 
 
图1. PLC/DCS四通道电压和电流输入前端(简化原理图:未显示所有连接及去耦电路)
电压输入电路
图2显示通道1的电压输入网络。
 
   
图2.电压输入等效电路(简化)
该电路为差分输入,支持最高输入范围为±10 V,并允许具有±5 V的共模电压。输入阻抗约为900 kΩ,高值的R1和R2在高电压瞬变期间也可以对输入进行保护。
R1、R2、R3和R4电阻形成差分电阻分压器。这些电阻的匹配对电路的直流精度至关重要。推荐单点校准以消除初始误差。多点校准可用来消除温漂影响。评估板R1、R2、R3和R4的默认安装为0.1%,25 ppm/°C的电阻。
R5、R6电阻设置ADC的共模电压。 AD7173-8 具有允许输入0 V至3.9 V电压范围。+2.2 V的偏置电压于输入的分压电阻配合,将±10 V输入信号进行偏置和衰减,使得在ADC输入端,信号变为以2 V共模电压为中心,幅值为±1.1 V的信号。
输入共模噪声滤波由R1||R3/C1和R2||R4/C2提供,大约200 kHz。差模噪声滤波由R1||R3,R2||R4和C3提供,大约20 kHz。
表1总结了四个电压输入通道的参数。
表1.电压输入电路参数(基于最坏的情况计算的最大值)
| 参数 | 数值 | 单位 | 测试条件/注释 | 
| 输入阻抗 分压比 | 903 0.11 | kΩ | 02 kΩ和49.9 kΩ的电阻分压 | 
| 源于电阻的始误差 | 0.18 | %FSR max | 25°C,未校正,假定0.1%电阻 | 
| 源于输入漏电流的误差 | ±0.01 | %FSR | ±10 V范围,AD7173-8,±2 nA典型漏电流 | 
| 源于电阻漂移的误差 | 18 | ppm/°C max ppm/°C max | 假定10 ppm/°C电阻 假定5 ppm/°C电阻 | 
| 源于基准电压漂移的误差 | 10 | ppm/°C max | 内部基准 | 
| 共模 | ±5 | V | |
| 数据速率 | 31.25 1.55 6.25 | kSPS kSPS SPS | 1输入使能(±10 V,14.7位无噪声分辨率) 4通道,每通道完全稳定,sinc5+1滤波(±10 V,14.7位无噪音分辨率) 4通道,每通道完全稳定,50 Hz/60 Hz抑制,(±10 V,18.8位无噪音分辨率) | 
| 输入滤波 | 20 200 | kHz kHz | 差模 共模 | 
电流输入电路
 
 图3显示通道1的电流输入网络。
 
 
 
 
图3.电流输入等效电路(简化)
  
 该电路具有四个电流输入的通道,支持最大输入范围0 mA到24 mA。电路输入阻抗是250 Ω,输入参考为地。使用一个100 Ω精密电流检测电阻,因此24 mA输入产生2.4 V,在AD7173-8的2.5 V(使用内部的2.5 V电压参考)输入范围之内。评估板默认安装电阻为0.1%,10 ppm/°C电阻。
 
 ADC输入分为两个输入路径。快速输入路径用于不使用HART的通道,低速输入路径用于使用HART的通道。
 
 快速输入路径允许Σ-Δ ADC的信号输入全带宽的信号。也可能使用内部sinc滤波器滤除1.2 kHz和2.2 kHz的HART频率。然而,使用sinc滤波器需要在400 SPS数据速率(sinc3滤波器筛选)下运行相关通道,这将增加所有四个通道所需的转换时间。
 
 慢输入通道包含16 Hz双极点滤波器,滤掉1.2 kHz和2.2 kHz的HART数字信号频率。使用此输入,Σ-Δ ADC可以仍然运行在快速数据速率下,同时滤除HART数字信号频率。所有四个通道的转换时间不会增加。如果所有通道的HART不全使能,ADC运行在快速数据率下尤其有用。
 
 表2中总结了电流输入线路参数。
 
 表2.电流输入线路参数(基于最坏情况计算的最大值)
| 参数 | 数值 | 单位 | 测试条件/注释 | 
| 输入阻抗 | 250 | Ω | 接地 | 
| 源自电阻的误差 | N/A1 | %FSR max | 每个RSENSE 电阻规格 | 
| 源自电阻漂移的误差 | N/A1 | ppm/°C max | 每个 RSENSE 电阻规格 | 
| 源自基准漂移的误差 | 10 | ppm/°C max | 内部基准 | 
| 数据速率 | 31.25 1.55 6.25 | kSPS kSPS SPS | 使能1输入(14.8位无噪声编码分辨率,用于0 mA到20 mA) 4个通道,每通道完全稳定,sinc5+1的滤波(14.8位峰峰值分辨率,用于0 mA到20 mA) 4个通道,每通道完全稳定,50 Hz/60 Hz抑制(18.1位峰峰值分辨率,用于0 mA到20 mA) | 
| 输入滤波器 | 27 16 | kHz Hz | 快速输入 提供HART滤波的低速输入 | 
1 N/A = 不适用
 
 
 HART输入和输出电路
 
 图4显示了HART输入和输出电路。
 
 

 
图4. HART输入与输出电路(简化)
 
 HART的功能是在四个电流输入通道间进行复用。通过两个 ADG704 多路复用器(图4中SW1和SW2),实现HART输入和输出网络在四个通道上共享。
 
 HART输入电路由R3、C1、C2、R4、R5组成的HART带通滤波器组成。AD5700-1 的数据手册有此滤波器的描述。每个通道使用一个开关(SW1)来将HART输入线路切换到HART激活通道。每个通道上都有一个150 kΩ的电阻(R3),它是带通滤波器的一部分,同时给开关SW1提供了额外的保护。HART输入直接连接到电流输入端,以确保AD5700-1的ADC_IP引脚可以接收到正确的电压电平。
 
 每个通道使用一个开关SW2来将HART输出线路切换到激活通道。电容C3用来耦合HART信号。需要仔细选择R1、C3、R6,R7的组合,以确保AD5700-1的HART_OUT引脚的电压在25 Hz、4 mA至20 mA的输入信号(对于HART使能器件,代表最快的可允许速率)下不低于GND。
 
 

 
图5.供电电路(简化原理图:未显示所有的连接)
 
 电源电路
 
 评估板由5.5 V至36 V直流电源供电,并使用板上开关稳压器为系统提供5 V电压,如图5所示。在测试设置中,5 V电压为 EVAL-SDP-CB1Z 演示平台(SDP)评估板供电。EVAL-SDP-CB1ZSDP板提供VIO的3.3V电压。
 
 即使使用小尺寸电感,ADP2441 的高开关频率也能够提供最小的输出电压纹波。电感尺寸的选择需要在效率和瞬态响应之间权衡。小电感会引起大的电感电流纹波,可提供良好的瞬态响应,但效率会降低。由于ADP2441的高开关频率,建议使用屏蔽的铁氧体磁芯电感,因为此类电感的铁芯损耗和电磁干扰(EMI)都低。
 
 图5电路中,开关频率大约为1 MHz,由88.7 kΩ外部电阻设定。12 μH的电感(线艺LPS6235-123MLC)是按照ADP2441数据手册的表8进行选择的。
 
 该电路通过螺丝端子连接到5.5 V至36 V的供电电源。EARTH端可以与外部的大地连接,不使用外部接地时刻连接至GND端子。
 
 功率电感(DR73-102-R),压敏电阻(V56ZA3P,56 V),功率二极管(S2A-TP,50 V)和一个1.1 A的保险丝提供额外的输入电压瞬变保护。
 
 噪声测试
 
 短接每个通道的输入端子进行系统噪声的评估,这样会使得每个输入通道的差分电压为零,且每个电流输入通道的输入接地。输入短路时采集数据,从样本数中计算代码的分布和无噪声编码分辨率。
 
 可使用 CN-0364 评估软件来进行噪声试验。可以得到每个通道代码的分布和无噪声编码分辨率,数据显示在直方图中。图6直方图是由通道1电压输入采集的样本数据。
 
 

 
图6.通道1电压输入、输入短路,偏置到参考电压,31.25 kSPS,Sinc5+1滤波器,2000个采样(15.8位无噪声编码分辨率)
 
 
 HART测试
 
 HART功能进行测试按照HART物理层测试规范(HCF-试验-2)进行。该电路满足HART物理层的要求。有关HART规格的更多细节可以直接从HART通信基金会获取。
 
 ADC输入对HART 1.2 KHz和2.2 KHz信号的抑制进行了测试。表3显示测试结果。
 
 表3. 1.2KHz和2.2 KHz HART频率的抑制
| 操作模式 | 频率(kHz) | 抑制(dB) | 
| 低速输入路径,31 kSPS Sinc5 + 1滤波 | 1.2 2.2 | 60.5 66.5 | 
| 快速输入路径,400 SPS Sinc3滤波 | 1.2 2.2 | ≥74.4 66.6 | 
EVAL-CN0364-SDPZ 评估板的完整设计支持包,包括原理图、BOM和布局,可以从 www.analog.com/CN0364-DesignSupport下载。
电路评估与测试
EVAL-CN0364-SDPZ评估板具有PMOD兼容的端子,可与外部控制器板集成。
CN-0364评估软件与SDP板通讯,并对EVAL-CN0364-SDPZ评估板进行配置并从其获取数据。
所需设备
 
 需要以下设备:
 
- 带有USB端口的PC机,windows Vista (32位) 或Windows7 (32位)
- EVAL-CN0364-SDPZ 电路评估板
- EVAL-SDP-CB1Z SDP 控制器板
- CN-0364 评估软件
- 精密电压和电流源
- 电源:直流5.5 V至36 V,500mA
启动
安装CN-0364评估软件,软件可在 ftp://ftp.analog.com/pub/cftl/CN0364 下载。请按照屏幕上的提示安装和使用本软件。从 CN-0364 软件用户指南中可获取更多详细信息。
功能框图
 
图7为测试设置的功能框图。
 

 
图7.测试设置功能框图
设置
通过一个120针的匹配连接器连接EVAL-CN0364-SDPZ评估板和EVAL-SDP-CB1Z SDP板。CN-0364评估软件和SDP板允许使用PC机对数据进行分析。
可以连接 CN-0267 电路(一个完整的带有HART接口,4 mA至20 mA环路供电现场仪表),来方便测试HART物理层功能。CN-0267硬件响应CN-0364评估软件中的HART指令。
外部控制器也可以通过SPI和UART通信的PMOD头来与评估板通信并为其供电。
精密电压和电流源可用作模拟前端的输入来进行系统性能评估。
图8是EVAL-CN0364-SDPZ评估板的照片。

 
图8.EVAL-CN0364-SDPZ评估板照片
讨论
样片申请及购买
样片
| 产品 | 描述 |  可提供样片的  | 
| AD5700-1 | 集成精密振荡器的低功耗HART调制解调器 | AD5700-1BCPZ-R5 | 
| AD7173-8 | 低功耗、8/16通道、31.25kSPS、24位、高度集成的Σ-Δ型ADC | AD7173-8BCPZ | 
| ADG704 | CMOS、低压、2.5 Ω、4通道多路复用器 | ADG704BRMZ | 
| ADP2441 | 36 V、1 A同步降压DC-DC调节器 | ADP2441ACPZ-R7 | 
| ADUM3151 | 用于SPI的3.75 kV、7通道、SPIsolator数字隔离器(2/1辅助通道方向性) | ADUM3151ARSZ ADUM3151BRSZ | 
| ADUM5211 | 集成DC/DC转换器的双通道隔离器(1/1通道方向性) | ADUM5211ARSZ ADUM5211BRSZ ADUM5211CRSZ | 
| AD7176-2 | 24位、250 KSPS Σ-Δ型ADC,建立时间20μS | AD7176-2BRUZ | 
| AD7175-2 | 24位、250 KSPS Σ-Δ型ADC,具有20 MS建立时间和真轨到轨缓冲器 | AD7175-2BRUZ | 
| AD7172-2 | 集成真轨到轨缓冲器的低功耗、24位、31.25 KSPS、Σ-Δ型ADC | AD7172-2BRUZ | 
| AD7177-2 | 32位、10 kSPS Σ-Δ型ADC,具有100 μs建立时间,集成真轨到轨缓冲器 | AD7177-2BRUZ | 
| AD7172-4 | 集成真轨到轨缓冲器的低功耗、4/8通道、24位、31.25 kSPS、Σ-Δ型ADC | AD7172-4BCPZ | 
- 加入我的myAnalog 登录 myAnalog




