LT8620 1.8V 2MHz 降压转换器
详情介绍
概览
设计资源
评估硬件
产品型号带"Z"表示符合RoHS标准。评估此电路需要下列选中的电路板
- EVAL-CN0363-PMDZ ($200.00) Dual-Channel Colorimeter with Programmable Gain and Digital Synchronous Detection
驱动/参考代码
Software such as C code and/or FPGA code, used to communicate with component's digital interface.
AD7175 Microcontroller Renesas Driver
AD7176-2 FMC-SDP Interposer & Evaluation Board / Xilinx KC705 Reference Design
优势和特点
- 双通道RGB色度计
- 高灵敏度、低噪声跨导放大器
- 可编程增益TIA
- 数字同步检波
电路功能与优势
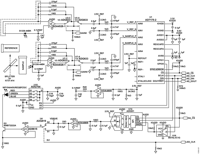
图1所示电路是一款双通道色度计,其具有一个调制光源 发射器,各通道上有可编程增益跨阻放大器,后接一个噪 声非常低的24位 Σ-Δ 型模数转换器(ADC)。ADC的输出连 接到一个标准FPGA夹层卡。FPGA从ADC获得采样数据, 实现一个同步检波算法。
图1. 带可编程增益跨阻放大器和锁定放大器的双通道色度计
(原理示意图: 未显示所有连接和去耦)
通过使用调制光和数字同步检波而非恒流(直流)源,系统可有力地抑制非调制频率的噪声源,提供出色的精度。
该双通道电路以三种不同的波长测量样本与参考容器中的液体的吸收光线之比。这种测量方法构成许多通过吸收光谱测量浓度和表征材料的化学分析和环境监控仪器仪表的基础。
图1. 带可编程增益跨阻放大器和锁定放大器的双通道色度计
(原理示意图: 未显示所有连接和去耦)
通过使用调制光和数字同步检波而非恒流(直流)源,系统可有力地抑制非调制频率的噪声源,提供出色的精度。
该双通道电路以三种不同的波长测量样本与参考容器中的液体的吸收光线之比。这种测量方法构成许多通过吸收光谱测量浓度和表征材料的化学分析和环境监控仪器仪表的基础。
电路描述
一个设置为用户可编程频率的时钟利用一个恒流驱动器调 制三种LED颜色中的一种,该恒流驱动器由运算放大器
AD8615 、开关
ADG819和数字电位计
AD5201 构成。分光镜 将一半光线通过样本容器发送,另一半通过参考容器发 送。配置为跨阻放大器的
ADA4528-1随后将光电二极管电流 转换为输出电压方波,其幅度与从样本或参考容器透射出 来的光线成正比。跨阻放大器利用单刀双掷(SPDT)开关
ADG633 选择两个跨阻增益中的一个。
AD7175-2 Σ-Δ ADC对 电压进行采样,并将数字数据发送到FPGA进行数字解调。
FPGA首先将一个以数字方式生成的正弦波与LED时钟同步,然后将此正弦波与ADC采样数据相乘,从而实现同步解调。此外,该正弦波的90°相移版本也与ADC数据相乘以获得调制信号的正交分量。这些操作的结果是产生两个低频解调信号,分别代表各通道接收光线的同相和正交分量。一个窄带FIR低通滤波器滤除所有其他频率成分,这样便很容易计算光电二极管测得的信号的幅度和相移,而与LED时钟不同的频率的光线或电气噪声则被抑制。多路复用器 ADG704将供电轨连接至三种颜色LED中的一个, 用户可以通过2位地址选择测试波长。AD8615和NPN晶体 管构成一个简单的电流源,LED电流由下式给出:
其中:
VNON-INVERTING 为AD8615同相输入端电压。
REMITTER为连接到晶体管Q3发射极的电阻值。
ADG819 SPDT开关连接到设定点电压和地,其控制引脚连接到参考时钟。当时钟在高低之间振荡时,电流源的设定点从0 mA变为所需的输出电流,从而产生一个方波信号。
数字电位计AD5201充当2.5 V基准电压源的可编程电阻分压器,使得LED电流共有33种不同的电流输出设置。
样本和参考容器各接收LED光能的一半,吸收的光量取决于每个容器中介质的类型和浓度。每个容器另一侧的光电二极管产生少量电流,数量与接收到的光量成比例。
每个接收器通道的第一级包含ADA4528-1运算放大器,该运算放大器配置为跨阻放大器,可将光电二极管输出电流转换为电压。ADA4528-1是一款自稳零放大器,其所导致的失调可忽略不计,无1/f噪声,宽带噪声则非常 低(5.9 nV/√Hz)。像所有自稳零放大器一样,在自稳零频 率处会出现一个噪声尖峰。对于ADA4528-1,该频率约为200 kHz,但电路信号带宽早在此之前即发生滚降。
运算放大器输入偏置电流乘以输出端的反馈电阻值,作为 失调电压。运算放大器的输入失调电压出现在输出端会被 放大,其增益取决于反馈电阻和光电二极管分流电阻此外,运算放大器的任何输入电压失调都会出现在光电二极 管上,导致光电二极管暗电流增加。ADA4528-1的失调电 压很低(2.5 μV),非常适合这种应用。
图2显示了一个带单反馈电阻的典型跨阻放大器及其理想 传递函数。
图2. 跨阻放大器传递函数
由于某些受测溶液可能具有非常强的吸收特性,因此有时 需要使用大反馈电阻来测量光电二极管产生的极小电流, 同时要能够测量与高度稀释溶液相对应的大电流。为了解 决这一难题,图1中的光电二极管放大器含有两个不同的 可选增益。其中一个增益设为33 kΩ,另一个设为1 MΩ。当 单SPDT开关连接运算放大器的输出端以便开关反馈电阻时,ADG633的导通电阻会导致跨阻增益误差。为了避免 这个问题,图3显示了一种较好的配置,在该配置中,反馈环路内部的ADG633选择所需电阻,同时第二个开关将 系统下一级与所选反馈环路相连。放大器输出端的电压为:
它表示增益误差。但是,由于其中一个ADG633位于反馈 环路之外,该级的输出阻抗即为ADG633的导通电阻(通常 52 Ω),而非闭环工作时与运算放大器输出有关的极低输出阻抗。ADG633漏电流(典型值5 pA)引起的误差可忽略不计。
哪怕诸如ADA4528-1这类最好的轨到轨输出放大器,其输出都无法完全摆动至供电轨。此外,ADA4528-1上的输入 失调电压可以为负,虽然其数值非常小。运算放大器 ADA4805-1 不是通过一个负电源来保证放大器绝不削波,并且保证它能驱动至0.0 V,而是提供一个100 mV缓冲电压 来偏置光电二极管阳极和ADA4528-1。ADA4805-1非常适合用作基准电压缓冲器,因为当驱动去耦用大容性负载 时, 它能保持单位增益稳定性。另外还使用第二个ADA4805-1来缓冲用以设置LED电流的数字电位计AD5201 输出。
图3. 可编程增益跨阻放大器
光电二极管放大器输出电压可在0.1 V至5.0 V范围内摆动。对于33 kΩ范围而言,4.9 V输出范围对应148.5 μA的满量程 光电二极管电流。对于1 MΩ范围,其对应4.9 μA的满量程 光电二极管电流。使用1 MΩ的增益设置工作时,务必保护 光电二极管不受外界光线影响,以防放大器饱和。虽然下 文所述的同步检波方案能够有力地衰减任何不与LED时钟 同步的频率,但若ADC返回饱和数据,检波方案将无法正常工作。
各通道的增益设置可通过FPGA板独立选择。
ADC采样速率和调制频率选择
AD7175-2 ADC配置有sinc5+sinc1滤波器,输出数据速率为 250 kSPS,可采样单周期建立对两个通道采样。这种配置使得各通道的有效采样速率为25 kSPS(各通道每隔40 μs输出数据)任何高于12.5 kHz的频率(例如方波调制的奇数谐波)都 会混叠回到ADC通带中,只要其不是刚好位于调制频率之 上,同步解调级就会抑制这些频率。为了防止调制波形的 混叠频率折回到基频,应根据以下关系选择调制频率:
其中:
FMODULATION 为调制频率。
FSAMPLE为ADC有效输出数据速率。
例如在本系统中,有效输出数据速率为25 kSPS,因此,如果需要1 kHz左右的调制频率,该频率必须是1020 Hz (n = 12) 或943 Hz (n = 13)以避免混叠问题。采样这种方法选择调制 频率,前端即无需使用陡峭的抗混叠滤波器。
数字同步检波
本电路不是在硬件中实现同步检波 (参见 电路笔记 CN-0312), 而是获得时间采样数据并利用FPGA实现数字 同步检波。图4是FPGA中实现的数字同步检波模块的示意 图。FPGA产生交流激励信号驱动LED,以数字方式产生的 正弦波在数字锁相环中锁定该信号。输入信号与数字正弦 波和90°相移版本相乘,产生两个低频解调信号,其分别与 输入信号在调制频率的同相和正交分量成正比。如图4所 示,幅度为这两个分量的平方和之根。有关该解调技术的 更多信息,请参阅“了解详情”部分。
图4. 包括FPGA同步检波器的系统框图
电源
EVAL-CN0363-PMDZ 板由外部6 V至12 V直流电源供电。电 路的模拟部分由来自低压差稳压器 ADP7102 的AVDD = 5 V 供电。电路的数字部分由低压差稳压器 ADP1720产生的 IOVDD = 3.3 V供电。或者,IOVDD也可以通过链路选项由 PMOD连接器VCC提供。
2.5 V基准电压由AD7175-2 ADC的内部2.5 V基准源提供。
电路性能测量
为了验证系统的噪声性能,应在禁用所有LED的情况下获 取数据。同步检波器依然工作在LED时钟频率,但不会检 测到任何与该时钟同步的光信号,因此,它会消除所有直 流和交流信号。
表1所示为无噪声位性能。
表1. 无噪声位性能1
FPGA首先将一个以数字方式生成的正弦波与LED时钟同步,然后将此正弦波与ADC采样数据相乘,从而实现同步解调。此外,该正弦波的90°相移版本也与ADC数据相乘以获得调制信号的正交分量。这些操作的结果是产生两个低频解调信号,分别代表各通道接收光线的同相和正交分量。一个窄带FIR低通滤波器滤除所有其他频率成分,这样便很容易计算光电二极管测得的信号的幅度和相移,而与LED时钟不同的频率的光线或电气噪声则被抑制。多路复用器 ADG704将供电轨连接至三种颜色LED中的一个, 用户可以通过2位地址选择测试波长。AD8615和NPN晶体 管构成一个简单的电流源,LED电流由下式给出:
其中:
VNON-INVERTING 为AD8615同相输入端电压。
REMITTER为连接到晶体管Q3发射极的电阻值。
ADG819 SPDT开关连接到设定点电压和地,其控制引脚连接到参考时钟。当时钟在高低之间振荡时,电流源的设定点从0 mA变为所需的输出电流,从而产生一个方波信号。
数字电位计AD5201充当2.5 V基准电压源的可编程电阻分压器,使得LED电流共有33种不同的电流输出设置。
样本和参考容器各接收LED光能的一半,吸收的光量取决于每个容器中介质的类型和浓度。每个容器另一侧的光电二极管产生少量电流,数量与接收到的光量成比例。
每个接收器通道的第一级包含ADA4528-1运算放大器,该运算放大器配置为跨阻放大器,可将光电二极管输出电流转换为电压。ADA4528-1是一款自稳零放大器,其所导致的失调可忽略不计,无1/f噪声,宽带噪声则非常 低(5.9 nV/√Hz)。像所有自稳零放大器一样,在自稳零频 率处会出现一个噪声尖峰。对于ADA4528-1,该频率约为200 kHz,但电路信号带宽早在此之前即发生滚降。
运算放大器输入偏置电流乘以输出端的反馈电阻值,作为 失调电压。运算放大器的输入失调电压出现在输出端会被 放大,其增益取决于反馈电阻和光电二极管分流电阻此外,运算放大器的任何输入电压失调都会出现在光电二极 管上,导致光电二极管暗电流增加。ADA4528-1的失调电 压很低(2.5 μV),非常适合这种应用。
图2显示了一个带单反馈电阻的典型跨阻放大器及其理想 传递函数。
图2. 跨阻放大器传递函数
由于某些受测溶液可能具有非常强的吸收特性,因此有时 需要使用大反馈电阻来测量光电二极管产生的极小电流, 同时要能够测量与高度稀释溶液相对应的大电流。为了解 决这一难题,图1中的光电二极管放大器含有两个不同的 可选增益。其中一个增益设为33 kΩ,另一个设为1 MΩ。当 单SPDT开关连接运算放大器的输出端以便开关反馈电阻时,ADG633的导通电阻会导致跨阻增益误差。为了避免 这个问题,图3显示了一种较好的配置,在该配置中,反馈环路内部的ADG633选择所需电阻,同时第二个开关将 系统下一级与所选反馈环路相连。放大器输出端的电压为:
它表示增益误差。但是,由于其中一个ADG633位于反馈 环路之外,该级的输出阻抗即为ADG633的导通电阻(通常 52 Ω),而非闭环工作时与运算放大器输出有关的极低输出阻抗。ADG633漏电流(典型值5 pA)引起的误差可忽略不计。
哪怕诸如ADA4528-1这类最好的轨到轨输出放大器,其输出都无法完全摆动至供电轨。此外,ADA4528-1上的输入 失调电压可以为负,虽然其数值非常小。运算放大器 ADA4805-1 不是通过一个负电源来保证放大器绝不削波,并且保证它能驱动至0.0 V,而是提供一个100 mV缓冲电压 来偏置光电二极管阳极和ADA4528-1。ADA4805-1非常适合用作基准电压缓冲器,因为当驱动去耦用大容性负载 时, 它能保持单位增益稳定性。另外还使用第二个ADA4805-1来缓冲用以设置LED电流的数字电位计AD5201 输出。
图3. 可编程增益跨阻放大器
光电二极管放大器输出电压可在0.1 V至5.0 V范围内摆动。对于33 kΩ范围而言,4.9 V输出范围对应148.5 μA的满量程 光电二极管电流。对于1 MΩ范围,其对应4.9 μA的满量程 光电二极管电流。使用1 MΩ的增益设置工作时,务必保护 光电二极管不受外界光线影响,以防放大器饱和。虽然下 文所述的同步检波方案能够有力地衰减任何不与LED时钟 同步的频率,但若ADC返回饱和数据,检波方案将无法正常工作。
各通道的增益设置可通过FPGA板独立选择。
ADC采样速率和调制频率选择
AD7175-2 ADC配置有sinc5+sinc1滤波器,输出数据速率为 250 kSPS,可采样单周期建立对两个通道采样。这种配置使得各通道的有效采样速率为25 kSPS(各通道每隔40 μs输出数据)任何高于12.5 kHz的频率(例如方波调制的奇数谐波)都 会混叠回到ADC通带中,只要其不是刚好位于调制频率之 上,同步解调级就会抑制这些频率。为了防止调制波形的 混叠频率折回到基频,应根据以下关系选择调制频率:
其中:
FMODULATION 为调制频率。
FSAMPLE为ADC有效输出数据速率。
例如在本系统中,有效输出数据速率为25 kSPS,因此,如果需要1 kHz左右的调制频率,该频率必须是1020 Hz (n = 12) 或943 Hz (n = 13)以避免混叠问题。采样这种方法选择调制 频率,前端即无需使用陡峭的抗混叠滤波器。
数字同步检波
本电路不是在硬件中实现同步检波 (参见 电路笔记 CN-0312), 而是获得时间采样数据并利用FPGA实现数字 同步检波。图4是FPGA中实现的数字同步检波模块的示意 图。FPGA产生交流激励信号驱动LED,以数字方式产生的 正弦波在数字锁相环中锁定该信号。输入信号与数字正弦 波和90°相移版本相乘,产生两个低频解调信号,其分别与 输入信号在调制频率的同相和正交分量成正比。如图4所 示,幅度为这两个分量的平方和之根。有关该解调技术的 更多信息,请参阅“了解详情”部分。
图4. 包括FPGA同步检波器的系统框图
电源
EVAL-CN0363-PMDZ 板由外部6 V至12 V直流电源供电。电 路的模拟部分由来自低压差稳压器 ADP7102 的AVDD = 5 V 供电。电路的数字部分由低压差稳压器 ADP1720产生的 IOVDD = 3.3 V供电。或者,IOVDD也可以通过链路选项由 PMOD连接器VCC提供。
2.5 V基准电压由AD7175-2 ADC的内部2.5 V基准源提供。
电路性能测量
为了验证系统的噪声性能,应在禁用所有LED的情况下获 取数据。同步检波器依然工作在LED时钟频率,但不会检 测到任何与该时钟同步的光信号,因此,它会消除所有直 流和交流信号。
表1所示为无噪声位性能。
表1. 无噪声位性能1
| 增益 | ADC 输出 | 最终滤波输出 |
||
| 参考通道 ADC | 样本通道 ADC | 参考通道输出 | 样本通道输出 | |
| 1 MΩ | 12.46 | 12.85 | 15.91 |
15.50 |
| 33 kΩ | 15.58 |
15.59 | 18.77 | 18.85 |
1 采样速率 = 25 kSPS,激励频率 = 1020 Hz,输出滤波器带宽 = 100 Hz。
常见变化
改变光电二极管放大器上反馈电阻的值即可改变放大器增 益,这是一种自定义电路的简单方法,可用于不同光照水 平的特定应用。然而,补偿电容也必须改变,以保持带宽 不变,并保证放大器的稳定性。
对于极低水平光照测量系统而言,同步检波器的输出低通 滤波器的截止频率可设为低得多的频率值,以便具有最佳 性能,但代价是测量周期较长。
由于LED的光输出随温度变化而改变,系统以样本和参考 通道的比例进行测量。光电二极管的增益容差最大值为 ±11%;因此,由于LED输出随时间和温度的变化而改变, 比例的变动在一定程度上存在漂移。增加光反馈网络来控 制LED光输出可降低其随温度的变化,使精确的单端测量 成为可能。
可以不使用方波来调制LED,而用FPGA中的DDS或PWM 来产生正弦波调制。正弦波调制可减少信号的谐波成分, 使滤波更简单,并降低噪声。
对于极低水平光照测量系统而言,同步检波器的输出低通 滤波器的截止频率可设为低得多的频率值,以便具有最佳 性能,但代价是测量周期较长。
由于LED的光输出随温度变化而改变,系统以样本和参考 通道的比例进行测量。光电二极管的增益容差最大值为 ±11%;因此,由于LED输出随时间和温度的变化而改变, 比例的变动在一定程度上存在漂移。增加光反馈网络来控 制LED光输出可降低其随温度的变化,使精确的单端测量 成为可能。
可以不使用方波来调制LED,而用FPGA中的DDS或PWM 来产生正弦波调制。正弦波调制可减少信号的谐波成分, 使滤波更简单,并降低噪声。
电路评估与测试
EVAL-CN0363-PMDZ板的完整文档,包括原理图、布局 图、Gerber文件和物料清单,可在
CN-0363设计支持包中 找到,网址:www.analog.com/CN0363-DesignSupport。
CN-0363评估软件与FPGA开发板通信,以从EVAL-CN0363- PMDZ电路板捕捉数据并进行分析。
Equipment needed
开始使用
有关评估硬件和软件的操作详情,请参阅 CN-0363 用户指南.
HDL软件和驱动在软件链接中提供,支持各种FPGA开发 板,例如Avnet ZedBoard。
开发平台需要一个SD开,其已随同CN-0363硬件提供。SD 卡已经过适当分区,但必须用最新镜像予以更新。程序参 见CN-0363用户指南。
功能框图
图5所示为测试设置的功能框图。
图5. 评估系统功能框图
设置
按照如下方式设置系统:
按照如下方式初始化系统:
校准
系统需进行一次初始校准,以便补偿波束分离器与光电二极管之间的对齐误差,以及补偿光电二极管的所有响应失配若要校准系统,以蒸馏水填充两个容器,然后插入 PCB的方孔中。在校准过程中,建议将光电二极管屏蔽起来,防止环境光线照射。
在软件中启动自动校准程序: 从 Menu(菜单) 栏打开 Calibration(校准)对话框,然后单击 Calibrate(校准)。完成 全部校准程序需要几秒钟时间,进度条会指示当前步骤。 校准完成时,校准值会更新。校准会消除零点失调,并设 置各通道的正确增益。校准数据还包括一个乘法系数K,其 表示满量程激励下参考通道值和样本通道值的相对关系。
针对每种LED颜色,软件都会计算系数K,因此有:
其中,K表示经计算得出的校准常数。
完成校准后,软件在后续测量中均使用这些校准常数。
在光谱技术上,吸光度定义为到达被测介质的光与通过介 质传递的光的对数之比。根据比尔-朗伯特定律,通过介质 传递的光量随通道长度和浓度的增加而以指数规律递减。 通过将吸光度定义为对数,可使得它与介质的浓度直接成 比例(假设通道长度不变)。
无需使用有害化学物质即可验证该理论的简单方法,是测 量食用色素的染料浓度。图6显示采用EVAL-CN0363-PMDZ 进行测量时,黄色5号染料不同浓度的实验结果。
图6. 465 nm(主波长)光下黄色5号染料 的吸光度直线
黄色溶液可强烈吸收蓝光;因此,测量采用蓝光(465 nm主 波长)LED作为光源。x轴表示体积浓度(每毫升水中染料的 毫升数,因此x轴没有单位),y轴表示吸光度。根据比尔朗 伯特定律的预测,吸光度随浓度呈线性变化。
分析样本
单击 Automated Data Collection(自动收集数据)选项卡中的 Analyze Sample(分析样本)按钮(参见图7)以自动分析样本, 循环处理所有三种颜色,并计算每种颜色的吸光度。完成分析需要几秒钟时间,进度条会更新以指示当前步骤。分析完成时会显示吸光度值。然后便可将该样本与样本库中的现有样本进行比对,或将其保存到样本库中供将来使用。
图7. Automated Data Collection(自动收集数据)选项卡视图
电流/吸光度测量和手动设置
通过 Current/Absorbance Measurement(电流/吸光度测量) 选项卡,用户可以直接手动控制LED和增益,以及查看原 始数据(参见图8)。下列参数可供设置: Excitation Frequency (激励频率)、Excitation Current(激励电流)、LED(红光、绿 光或蓝光)、Reference Channel Gain(参考通道增益)和 Sample Channel Gain(样本通道增益)。
更改这些值后,运行自动校准程序可以恢复初始默认值。
图8. Current/Absorbance Measurement(电流/吸光度测量)选项卡视图
样本库
利用 Sample Library(样本库)选项卡(参见图9),用户可以管 理和比较以前保存的样本数据。左侧是所有样本的列表。 右侧是当前所选样本的吸光度值。
按住CTRL键可以选择多个样本。利用此功能可以直接比较多个样本的吸光度。选择样本,然后单击 Remove(删除), 可以将样本从库中删除。从库中删除的样本无法恢复。
EVAL-CN0363-PMDZ板的照片如图10所示。
图9. Sample Library(样本库)选项卡视图
图 10. EVAL-CN0363-PMDZ照片
CN-0363评估软件与FPGA开发板通信,以从EVAL-CN0363- PMDZ电路板捕捉数据并进行分析。
Equipment needed
- EVAL-CN0363-PMDZ电路评估板
- 6 V至12 V、500 mA直流电源或壁式电源适配器
- FPGA开发板(如ZedBoard)和12 V电源
- 8 GB SD卡,随同EVAL-CN0363-PMDZ提供
- USB键盘和鼠标组合
- HDMI监视器(仅HD)
- CN-0363评估软件(参见CN-0363用户指南)
- 蒸馏水和测试液体样本
开始使用
有关评估硬件和软件的操作详情,请参阅 CN-0363 用户指南.
HDL软件和驱动在软件链接中提供,支持各种FPGA开发 板,例如Avnet ZedBoard。
开发平台需要一个SD开,其已随同CN-0363硬件提供。SD 卡已经过适当分区,但必须用最新镜像予以更新。程序参 见CN-0363用户指南。
功能框图
图5所示为测试设置的功能框图。
图5. 评估系统功能框图
设置
按照如下方式设置系统:
- 用PMOD电缆连接EVAL-CN0363-PMDZ和ZedBoard,并将一个6 V至12 V直流电源连接到J2电源连接器。此时不要接通电源。
- 将USB键盘/鼠标、HDMI监视器和电源连接到ZedBoard。此时不要接通电源。
按照如下方式初始化系统:
- 接通EVAL-CN0363-PMDZ板的电源。
- 接通ZedBoard的电源。
- 让系统开始引导。
- 若需要,输入CN-0363用户指南所述的适当键盘命令。
校准
系统需进行一次初始校准,以便补偿波束分离器与光电二极管之间的对齐误差,以及补偿光电二极管的所有响应失配若要校准系统,以蒸馏水填充两个容器,然后插入 PCB的方孔中。在校准过程中,建议将光电二极管屏蔽起来,防止环境光线照射。
在软件中启动自动校准程序: 从 Menu(菜单) 栏打开 Calibration(校准)对话框,然后单击 Calibrate(校准)。完成 全部校准程序需要几秒钟时间,进度条会指示当前步骤。 校准完成时,校准值会更新。校准会消除零点失调,并设 置各通道的正确增益。校准数据还包括一个乘法系数K,其 表示满量程激励下参考通道值和样本通道值的相对关系。
针对每种LED颜色,软件都会计算系数K,因此有:
其中,K表示经计算得出的校准常数。
完成校准后,软件在后续测量中均使用这些校准常数。
在光谱技术上,吸光度定义为到达被测介质的光与通过介 质传递的光的对数之比。根据比尔-朗伯特定律,通过介质 传递的光量随通道长度和浓度的增加而以指数规律递减。 通过将吸光度定义为对数,可使得它与介质的浓度直接成 比例(假设通道长度不变)。
无需使用有害化学物质即可验证该理论的简单方法,是测 量食用色素的染料浓度。图6显示采用EVAL-CN0363-PMDZ 进行测量时,黄色5号染料不同浓度的实验结果。
图6. 465 nm(主波长)光下黄色5号染料 的吸光度直线
黄色溶液可强烈吸收蓝光;因此,测量采用蓝光(465 nm主 波长)LED作为光源。x轴表示体积浓度(每毫升水中染料的 毫升数,因此x轴没有单位),y轴表示吸光度。根据比尔朗 伯特定律的预测,吸光度随浓度呈线性变化。
分析样本
单击 Automated Data Collection(自动收集数据)选项卡中的 Analyze Sample(分析样本)按钮(参见图7)以自动分析样本, 循环处理所有三种颜色,并计算每种颜色的吸光度。完成分析需要几秒钟时间,进度条会更新以指示当前步骤。分析完成时会显示吸光度值。然后便可将该样本与样本库中的现有样本进行比对,或将其保存到样本库中供将来使用。
图7. Automated Data Collection(自动收集数据)选项卡视图
电流/吸光度测量和手动设置
通过 Current/Absorbance Measurement(电流/吸光度测量) 选项卡,用户可以直接手动控制LED和增益,以及查看原 始数据(参见图8)。下列参数可供设置: Excitation Frequency (激励频率)、Excitation Current(激励电流)、LED(红光、绿 光或蓝光)、Reference Channel Gain(参考通道增益)和 Sample Channel Gain(样本通道增益)。
更改这些值后,运行自动校准程序可以恢复初始默认值。
图8. Current/Absorbance Measurement(电流/吸光度测量)选项卡视图
样本库
利用 Sample Library(样本库)选项卡(参见图9),用户可以管 理和比较以前保存的样本数据。左侧是所有样本的列表。 右侧是当前所选样本的吸光度值。
按住CTRL键可以选择多个样本。利用此功能可以直接比较多个样本的吸光度。选择样本,然后单击 Remove(删除), 可以将样本从库中删除。从库中删除的样本无法恢复。
EVAL-CN0363-PMDZ板的照片如图10所示。
图9. Sample Library(样本库)选项卡视图
图 10. EVAL-CN0363-PMDZ照片
样片申请及购买
样片
| 产品 |
描述 |
可提供样片的 |
| AD7175-2 | 24位、250 KSPS Σ-Δ型ADC,具有20 MS建立时间和真轨到轨缓冲器 | AD7175-2BRUZ |
| ADA4528-1 | 精密、超低噪声、轨到轨输入/输出、零点漂移单通道运算放大器 | ADA4528-1ACPZ-R7 ADA4528-1ARMZ |
| AD8615 | 精密20 MHZ CMOS单通道RRIO运算放大器 | AD8615AUJZ-REEL7 |
| AD5201 | 33位数字电位计 | AD5201BRMZ10 |
| ADA4805-1 | 0.2 µV/°C 失调漂移、105 MHz 低功耗、低噪声、轨到轨放大器 | ADA4805-1AKSZ-R7 ADA4805-1ARJZ-R7 |
| ADG633 | CMOS、±5 V/5 V/3 V、三通道单刀双掷开关 | ADG633YCPZ ADG633YRUZ |
| ADG733 | CMOS、2.5 Ω、低压、三通道单刀双掷开关 | ADG733BRQZ ADG733BRUZ |
| ADG704 | CMOS、低压、2.5 Ω、4通道多路复用器 | ADG704BRMZ |
| ADG819 | 0.5 Ω、CMOS、1.8 V至5.5 V、2:1多路复用器/单刀双掷开关,采用BBM开关动作 | ADG819BRMZ ADG819BRTZ-500RL7 |
电脑端提供购买功能
购买评估板
所示报价为单片价格
所示报价为单片价格。所列的美国报价单仅供预算参考,指美元报价(每片美国离岸价),如有修改恕不另行通知。由于地区关税、商业税、汇率及手续费原因,国际报价可能不同。
- 加入我的myAnalog 登录 myAnalog








