LT8616 5V、2.5V、2.05MHz 降压型转换器
详情介绍
概览
设计资源
评估硬件
产品型号带"Z"表示符合RoHS标准。评估此电路需要下列选中的电路板
- EVAL-AD7124-4SDZ ($59.00) Completely Integrated 4-Wire RTD Measurement System Using a Low Power, Precision, 24-Bit, Sigma-Delta ADC
- EVAL-SDP-CB1Z ($99.00) Eval Control Board
驱动/参考代码
Software such as C code and/or FPGA code, used to communicate with component's digital interface.
优势和特点
- 高度集成的4线RTD测量系统
- 24位分辨率
- 精度: <1°C
- 低功耗
- 精度: <1°C(整个温度范围)
电路功能与优势
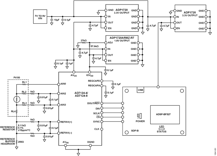
      图1所示电路是一个集成的4线式电阻温度检测器(RTD)系统,基于 
     AD7124-4/ 
     AD7124-8低功耗、低噪声、24位Σ-Δ型ADC,针对高精度测量应用而优化。 采用两点校准和线性化,在−50℃至+200℃的温度范围内,4线系统的整体精度优于±1℃。 在全功率模式、选择sinc4滤波器、输出数据速率为50 SPS的条件下,系统的典型无噪声码分辨率为17.9位;在低功耗模式、选择后置滤波器、输出数据速率为25 SPS的条件下,系统的典型无噪声码分辨率为17.3位。 
     
 
     
AD7124-4可配置为4个差分或7个伪差分输入通道,而AD7124-8可配置为8个差分或15个伪差分输入通道。片内可编程增益 阵列(PGA)确保ADC中可直接输入小信号。
 
     
片内可编程增益 阵列(PGA)确保ADC中可直接输入小信号。 AD7124-4/AD7124-8提供最高的信号链集成度,其中包括可编程低漂移激励电流源。 片内集成了RTD测量系统需要的大部分构建模块,因而能够大大简化RTD系统设计。
 
     
AD7124-4/AD7124-8允许用户灵活地使用三种集成功耗模式中的一种,电流消耗、输出数据速率范围和均方根噪声与所选的功耗模式相对应。 低功耗模式下,AD7124-4/AD7124-8的功耗仅255 μA,全功率模式下为930 μA。 这些功耗选项使得该器件既适合功耗不重要的应用,如输入/输出模块,也适合低功耗应用,如环路供电智能变送器(整个变送器的功耗必须低于4 mA)。 .
 
     
该器件还具有关断选项。 在关断模式下,整个ADC及其辅助功能均关断,器件的典型功耗降至1 μA。AD7124-4/AD7124-8还集成了丰富的诊断功能,作为全面特性组合的一部分。
 
     
 
      
      
       
 
      
      
      
图1. 4 线RTD测量配置 
     
 
    
 
   AD7124-4可配置为4个差分或7个伪差分输入通道,而AD7124-8可配置为8个差分或15个伪差分输入通道。片内可编程增益 阵列(PGA)确保ADC中可直接输入小信号。
片内可编程增益 阵列(PGA)确保ADC中可直接输入小信号。 AD7124-4/AD7124-8提供最高的信号链集成度,其中包括可编程低漂移激励电流源。 片内集成了RTD测量系统需要的大部分构建模块,因而能够大大简化RTD系统设计。
AD7124-4/AD7124-8允许用户灵活地使用三种集成功耗模式中的一种,电流消耗、输出数据速率范围和均方根噪声与所选的功耗模式相对应。 低功耗模式下,AD7124-4/AD7124-8的功耗仅255 μA,全功率模式下为930 μA。 这些功耗选项使得该器件既适合功耗不重要的应用,如输入/输出模块,也适合低功耗应用,如环路供电智能变送器(整个变送器的功耗必须低于4 mA)。 .
该器件还具有关断选项。 在关断模式下,整个ADC及其辅助功能均关断,器件的典型功耗降至1 μA。AD7124-4/AD7124-8还集成了丰富的诊断功能,作为全面特性组合的一部分。
 
 
     图1. 4 线RTD测量配置
电路描述
 
     RTD温度测量简介  
     
 
     
RTD是工业应用中温度测量常用的传感器。 RTD由纯金属(如铂、镍或铜)制成,其电阻随温度的变化是可预测的。 最常用的RTD是铂Pt100和Pt1000。 与其它类型的温度传感器相比,RTD具有高精度和良好的稳定性。 长导线的电阻所引起的误差可利用4线连接来消除。
 
     
为了精确测定电阻,须利用一个恒定电流源在RTD上产生一个电压。AD7124-4/ AD7124-8提供两个这样的激励电流源,可通过寄存器编程将其设置为50 μA到1 mA的值。将测量值折合为精密参考电阻两端的电压(由同一个电流驱动),即可轻易消除电流源中的误差,实现比例测量。
 
     
图1所示电路使用Pt100 RTD B类传感器。 Pt100 RTD的温度测量范围是−200℃至+600℃。 B类RTD在0℃时的电阻典型值为100 Ω,典型温度系数约为0.385 Ω/℃(参见图2)。 利用此信息,根据所选的电流源很容易计算出Pt100 RTD两端产生的电压。
 
     
 
      
      
       
 
      
      
      
图2. Pt100 RTD电阻与温度的关系 
     
 
     
电路工作原理
 
     
AD7124-4/AD7124-8提供集成式RTD测量解决方案,可实现高分辨率、低非线性度误差和低噪声性能,以及极高的50 Hz/60 Hz抑制能力。AD7124-4/AD7124-8片内集成低噪声PGA,可放大RTD的小信号,增益编程范围为1到128,因而可以直接与传感器接口。 增益级具有高输入阻抗,输入漏电流在全功率模式下不超过3.3 nA,在低功耗模式下为1 nA(典型值)。 下面说明构成4线RTD温度测量系统的不同元件。
 
     
 
     
 
      
      
 
      
 
      
      
       
 
      
      
      
图3. AD7124-4/AD7124-8 EVAL+软件配置窗口 
     
AD7124-4/AD7124-8的片内诊断功能可用来检测SPI通信故障。这些诊断包括检查SPI读写操作,确保仅访问有效寄存器。 SCLK计数器确保使用正确数量的SCLK脉冲,而CRC功能检查传输期间位值有无变化。 当任一SPI通信诊断功能使能且发生相关的错误时,错误寄存器中的对应标志就会置1。 所有使能的标志进行或运算,以控制状态寄存器的ERR标志位。 该功能在将状态位附加到ADC转换结果时特别有用。
 
     
 
     
 
      
       
 
      
      
      
图4. 4线RTD测量的模拟输入配置 
     
 
     
 
      
      
差分滤波器(截止频率约为800 Hz)和共模滤波器(截止频率约为16 kHz)在模拟输入端和基准输入端实现。 为了抑制调制器频率及其倍数处的干扰,必须使用这种滤波。
 
      
AD7124-4/AD7124-8在片内数字滤波方面拥有很大的灵活性。 有多种滤波器选项可用,所选的滤波器会影响输出数据速率、建立时间和50 Hz/60 Hz抑制性能。 对于此电路笔记,电路实现了sinc 4滤波器和后置滤波器。 之所以使用sinc4滤波器,是因为它在整个输出数据速率范围内具有出色的噪声性能,另外还有出色的50 Hz/60 Hz抑制性能。 后置滤波器提供50 Hz和60 Hz同时抑制,建立时间为40 ms。
 
      
 
      
 
      
      
      
 
      
4线RTD配置
 
      
图1所示电路使用AD7124-4/AD7124-8进行精密4线RTD测量。 4线RTD测量需要一个激励电流源。 AD7124-4/AD7124-8提供两个匹配电流源,可使用其中任何一个来激励RTD。 RTD产生低电平电压信号,AD7124-4/AD7124-8的片内PGA将其放大。 放大后的电压通过24位Σ-Δ型ADC转换为精密数字信号。
 
      
本4线RTD电路采用B类RTD。 如果片内激励电流设置为500 μA,在最高温度600℃时,RTD上产生的电压约为156.85 mV。 为确保使用AD7124-4/AD7124-8的最大范围,PGA增益设置为16。 PGA将RTD传感器最大输出电压放大至2.5096 V。
 
      
选择适当的外部精密电阻值,使RTD上产生的最大电压等于基准电压除以PGA增益。
 
      
 
       
 
      
 
      
因此使用5.11 kΩ电阻,其给出的基准电压为
 
      
 
       
 
      
 
      
利用AD7124-4/AD7124-8进行4线RTD测量时,还必须考虑激励电流源的输出顺从电压。 输出顺从电压取决于所选的激励电流。 本电路选择500 μA,其输出顺从电压为AVDD − 0.37 V。 本电路的AVDD电源电压为3.3 V,因此,激励电流源的输出顺从电压必须低于2.93 V。 从上述计算可知,电路满足这一要求,因为AIN0引脚的最大电压等于精密基准电阻上的电压加上RTD上的电压和裕量电阻上的电压。
 
      
 
       
 
      
 
      
针对4线RTD测量的AD7124-4/AD7124-8配置如下: :
 
      
 
       
 
      
 
      
其中
CODE为ADC输出码。
N为ADC的分辨率(本电路为24)。
RREF为基准电阻。
G 为所选增益。
 
      
根据B类RTD的规格,电阻变化约为0.385 Ω/℃。 可利用此关系快速获得RTD的近似温度。 由于RTD的温度系数在整个温度范围内略有变化,因此上述方法不够精确,但可以利用它来快速检查温度。
 
      
要计算近似温度,请使用公式2。
 
      
 
       
 
      
 
      
RTD传递函数即所谓Callender-Van Dusen公式,它由两个不同的多项式公式组成,可提供更精确的结果。 公式3用于0℃以上的温度,公式4用于0℃以下的温度。
 
      
温度t ≤ 0℃时,公式为:
 
      
 
       
 
      
 
      
温度t ≥ 0℃时,公式为:
 
      
 
       
 
      
 
      
其中:
t为RTD温度(℃)。
RRTD(t) 为RTD电阻(Ω)。
R0 为0℃时的RTD电阻(本例中R 0 = 100 Ω)。
A = 3.9083 × 10 −3.
B = −5.775 × 10 −7.
C = −4.23225 × 10 −12.
 
      
结合公式3和公式4给出的传递函数,有多种方法可以确定作为RTD电阻函数的温度值。 这里选择直接数学方法,因为其精度高。 根据公式3可得出以下温度计算公式:
 
      
 
       
 
      
 
      
其中r为RTD电阻,其它变量的定义如上所述。
 
      
此方法能够很好地处理大于或等于0℃的温度。 要计算0℃以下的RTD温度,需要一个最佳拟合多项式表达式,本电路笔记使用的多项式为公式6所示的五阶多项式。
 
      
 
       
 
      
 
      
举例来说,温度设置为25℃时,若从AD7124-4/AD7124-8读出的代码为11270065,则利用公式1将其转换为电阻值:
 
      
 
      
 
      
利用公式5进行线性化,得出温度为24.921℃。 再举一例,温度设置为−25℃时,若从AD7124-4/AD7124-8读出的代码为10757779,则将其转换为电阻值:
 
      
 
       
 
      
 
      
利用公式6进行线性化,得出温度为−24.982℃。
 
      
 
      
4线RTD测量和结果
 
      
对于图1所示电路,我们采集了AD7124-4/AD7124-8在不同数字滤波器和功耗模式配置下获得的数据,sinc 4滤波器用于全功率模式,后置滤波器用于低功耗模式。
 
      
若选择sinc 4滤波器、全功率模式和50 SPS的配置,则AD7124-4/AD7124-8可以最佳的速度和噪声性能工作。 图5显示了室温下4线RTD按图1所示连接时的噪声分布。 对应的均方根噪声典型值为199.37 nV,相当于约17.9位无噪声分辨率。 使用相同的滤波器、增益、功耗模式和输出数据速率,但输入短路时,AD7124-4/AD7124-8的噪声性能为100 nV rms,相当于18.7位无噪声分辨率。 噪声的增加直接来自输入通道(AIN2、AIN3)上的RTD连接。
 
      
 
       
       
        
 
       
       
       
图5. 室温、 Sinc 4 滤波器、全功率模式、50 SPS时的RTD码直方图 
      
对于选择 4滤波器和全功率模式的4线RTD配置,将RTD温度从−50℃扫描至+200℃。 对于每个温度,按照上述方法利用AD7124-4/AD7124-8测量RTD上的相应电压。 然后将此电压转换为电阻,按照“4线RTD配置”部分所述进行线性化并转换为温度。 图6显示了设定温度与线性化后RTD实测温度之间的误差。 对于每个RTD温度设置,AD7124-4/AD7124-8保持25℃。 如图6所示,线性化后RTD实测温度的误差在Pt100 B类RTD的误差窗口内。 图6还显示了RTD误差在不同AD7124-4/AD7124-8温度设置下的偏差。 对于AD7124-4/AD7124-8的每个温度设置,执行内部零电平校准和满量程校准。 如图6所示,对于AD7124-4/AD7124-8的所有温度设置,RTD误差在B类RTD的预期误差范围内。
 
      
 
       
       
        
 
       
       
       
图6. 温度精度测量(Sinc 4 滤波器、全功率模式、50 SPS) 
      
图7显示了在25℃执行一次性内部零电平和满量程校准后的RTD实测温度误差。 从图中可看出,在25℃执行一次性校准与在各温度设置执行校准,AD7124-4/AD7124-8表现出相同的性能。
 
      
 
       
       
        
 
       
       
       
图7. 温度精度测量(Sinc 4 滤波器、全功率模式、50 SPS,仅执行25℃一次性校准) 
      
测试的第二种AD7124-4/AD7124-8配置是低功耗模式,选择后置滤波器和25 SPS输出数据速率。 25 SPS滤波器提供50 Hz和60 Hz同时抑制,并且允许用户用建立时间换取电源抑制性能。 图8显示了室温下4线RTD按图1所示连接时的噪声分布。 对应的均方根噪声典型值为774 nV,相当于约16.8位无噪声分辨率。 使用相同的滤波器、增益、功耗模式和输出数据速率,但输入短路时,AD7124-4/AD7124-8的噪声性能典型值为360 nV rms,相当于17.3位无噪声分辨率。 两次测量的噪声增加直接来自输入通道(AIN2、AIN3)上的RTD连接。
 
      
 
       
       
        
 
       
       
       
图8. 室温、后置滤波器、低功耗模式、25 SPS时的RTD码直方图 
      
RTD的温度从−50℃扫描到+200℃。 对于每个设定的RTD温度,按照上述方法利用AD7124-4/AD7124-8测量RTD上的相应电压。 然后将此电压转换为电阻,按照“4线RTD配置”部分所述进行线性化并转换为温度。 图9显示了设定温度与线性化后RTD实测温度之间的误差。 对于每个RTD温度设置,AD7124-4/AD7124-8保持25℃。 如图9所示,RTD实测温度的误差在Pt100 B类RTD的误差窗口内。 图9还显示了RTD误差在不同AD7124-4/AD7124-8温度设置下的偏差。 对于AD7124-4/AD7124-8的每个温度设置,执行内部零电平校准和满量程校准。 如图9所示,对于AD7124-4/AD7124-8的所有温度设置,RTD误差在B类RTD的预期误差范围内。
 
      
 
       
       
        
 
       
       
       
图9. 温度精度测量(后置滤波器、低功耗模式、25 SPS) 
      
图10显示了在25℃执行一次性内部零电平和满量程校准后的RTD实测温度误差。 从图中可看出,在25℃执行一次性校准与在各温度设置执行校准,AD7124-4/AD7124-8表现出相似的性能。
 
      
 
       
       
        
 
       
       
       
图10. 温度精度测量(后置滤波器、低功耗模式、25 SPS,仅执行25℃一次性校准) 
      
     
 
     
 
     
 
    
 
   RTD是工业应用中温度测量常用的传感器。 RTD由纯金属(如铂、镍或铜)制成,其电阻随温度的变化是可预测的。 最常用的RTD是铂Pt100和Pt1000。 与其它类型的温度传感器相比,RTD具有高精度和良好的稳定性。 长导线的电阻所引起的误差可利用4线连接来消除。
为了精确测定电阻,须利用一个恒定电流源在RTD上产生一个电压。AD7124-4/ AD7124-8提供两个这样的激励电流源,可通过寄存器编程将其设置为50 μA到1 mA的值。将测量值折合为精密参考电阻两端的电压(由同一个电流驱动),即可轻易消除电流源中的误差,实现比例测量。
图1所示电路使用Pt100 RTD B类传感器。 Pt100 RTD的温度测量范围是−200℃至+600℃。 B类RTD在0℃时的电阻典型值为100 Ω,典型温度系数约为0.385 Ω/℃(参见图2)。 利用此信息,根据所选的电流源很容易计算出Pt100 RTD两端产生的电压。
 
 
     图2. Pt100 RTD电阻与温度的关系
电路工作原理
AD7124-4/AD7124-8提供集成式RTD测量解决方案,可实现高分辨率、低非线性度误差和低噪声性能,以及极高的50 Hz/60 Hz抑制能力。AD7124-4/AD7124-8片内集成低噪声PGA,可放大RTD的小信号,增益编程范围为1到128,因而可以直接与传感器接口。 增益级具有高输入阻抗,输入漏电流在全功率模式下不超过3.3 nA,在低功耗模式下为1 nA(典型值)。 下面说明构成4线RTD温度测量系统的不同元件。
 
      电源 
      
AD7124-4/AD7124-8具有单独的模拟电源和数字电源。 数字电源IOV DD独立于模拟电源,可以为1.65 V至3.6 V范围内的值(以DGND为基准)。 模拟电源 AV DD以AVSS为基准,范围是2.7 V到3.6 V(中低功率模式)或2.9 V至3.6 V(全功率模式)。 图1所示电路采用单电源供电,因此AVSS与DGND相连,仅使用一个接地层。 AV DD和IOV DD电压利用低压差稳压器ADP1720分别产生。 AV DD电压设置为3.3 V,IOV DD电压设置为1.8 V,采用ADP1720稳压器。 使用单独的稳压器可确保噪声最低。
 
     AD7124-4/AD7124-8具有单独的模拟电源和数字电源。 数字电源IOV DD独立于模拟电源,可以为1.65 V至3.6 V范围内的值(以DGND为基准)。 模拟电源 AV DD以AVSS为基准,范围是2.7 V到3.6 V(中低功率模式)或2.9 V至3.6 V(全功率模式)。 图1所示电路采用单电源供电,因此AVSS与DGND相连,仅使用一个接地层。 AV DD和IOV DD电压利用低压差稳压器ADP1720分别产生。 AV DD电压设置为3.3 V,IOV DD电压设置为1.8 V,采用ADP1720稳压器。 使用单独的稳压器可确保噪声最低。
 
      串行外设接口(SPI) 
与AD7124-4/AD7124-8 的SPI通信由 EVAL-SDP-CB1Z板上的Blackfin® ADSP-BF527处理,如图1所示。 为了访问AD7124-4/AD7124-8的寄存器,使用 AD7124-4/AD7124-8 EVAL+ Software. 。 图3显示了该软件的主窗口。 单击 4-WIRE RTD (4线RTD)按钮以配置软件用于4线RTD测量。
 
     与AD7124-4/AD7124-8 的SPI通信由 EVAL-SDP-CB1Z板上的Blackfin® ADSP-BF527处理,如图1所示。 为了访问AD7124-4/AD7124-8的寄存器,使用 AD7124-4/AD7124-8 EVAL+ Software. 。 图3显示了该软件的主窗口。 单击 4-WIRE RTD (4线RTD)按钮以配置软件用于4线RTD测量。
 
 
     图3. AD7124-4/AD7124-8 EVAL+软件配置窗口
AD7124-4/AD7124-8的片内诊断功能可用来检测SPI通信故障。这些诊断包括检查SPI读写操作,确保仅访问有效寄存器。 SCLK计数器确保使用正确数量的SCLK脉冲,而CRC功能检查传输期间位值有无变化。 当任一SPI通信诊断功能使能且发生相关的错误时,错误寄存器中的对应标志就会置1。 所有使能的标志进行或运算,以控制状态寄存器的ERR标志位。 该功能在将状态位附加到ADC转换结果时特别有用。
模拟输入和基准电压源
 AD7124-4可配置为4个差分或7个伪差分输入通道,而AD7124-8可配置为8个差分或15个伪差分输入通道。
 
 AD7124-4/AD7124-8的片内诊断功能可用来检查模拟引脚上的电平是否在额定工作范围以内。 正(AINP)和负(AINM)模拟输入可以单独检查是否发生过压和欠压,以及ADC是否饱和。 当模拟输入上的电压超过AVDD时,过压标志就会置1;当模拟输入上的电压低于AVSS时,欠压标志就会置1。 
 
 图1所示电路利用3个模拟引脚实现4线测量: AIN0、AIN2和AIN3。 AIN2和AIN3配置为全差分输入通道,用于检测RTD上的电压。 用于激励RTD的激励电流源由AVDD产生,并流向AIN0。 图4详细显示了模拟引脚及其配置。
 
 
 
 
     图4. 4线RTD测量的模拟输入配置
       数字和模拟滤波 对于图1所示电路,所用的基准输入为REFIN1(±)。 流经RTD的电流也会流过精密基准电阻,产生基准电压。 此精密基准电阻上产生的电压与RTD上的电压成比例,因此,激励电流的波动会被消除。 由于缓冲器已使能,务必满足正常工作所需的裕量(AV 
      DD − 0.1 V和AV 
      SS + 0.1 V)。 0.125 V (500 μA × 250 Ω)的裕量由250 Ω接地电阻提供,如图4所示。 
     
 
     差分滤波器(截止频率约为800 Hz)和共模滤波器(截止频率约为16 kHz)在模拟输入端和基准输入端实现。 为了抑制调制器频率及其倍数处的干扰,必须使用这种滤波。
AD7124-4/AD7124-8在片内数字滤波方面拥有很大的灵活性。 有多种滤波器选项可用,所选的滤波器会影响输出数据速率、建立时间和50 Hz/60 Hz抑制性能。 对于此电路笔记,电路实现了sinc 4滤波器和后置滤波器。 之所以使用sinc4滤波器,是因为它在整个输出数据速率范围内具有出色的噪声性能,另外还有出色的50 Hz/60 Hz抑制性能。 后置滤波器提供50 Hz和60 Hz同时抑制,建立时间为40 ms。
 
      校准 
      
AD7124-4/AD7124-8提供不同的校准模式,通过校准可消除失调和增益误差。 对于本电路笔记,电路使用了内部零电平校准和内部满量程校准。
 
     
 
     AD7124-4/AD7124-8提供不同的校准模式,通过校准可消除失调和增益误差。 对于本电路笔记,电路使用了内部零电平校准和内部满量程校准。
4线RTD配置
图1所示电路使用AD7124-4/AD7124-8进行精密4线RTD测量。 4线RTD测量需要一个激励电流源。 AD7124-4/AD7124-8提供两个匹配电流源,可使用其中任何一个来激励RTD。 RTD产生低电平电压信号,AD7124-4/AD7124-8的片内PGA将其放大。 放大后的电压通过24位Σ-Δ型ADC转换为精密数字信号。
本4线RTD电路采用B类RTD。 如果片内激励电流设置为500 μA,在最高温度600℃时,RTD上产生的电压约为156.85 mV。 为确保使用AD7124-4/AD7124-8的最大范围,PGA增益设置为16。 PGA将RTD传感器最大输出电压放大至2.5096 V。
选择适当的外部精密电阻值,使RTD上产生的最大电压等于基准电压除以PGA增益。
 
 
      因此使用5.11 kΩ电阻,其给出的基准电压为
 
 
      利用AD7124-4/AD7124-8进行4线RTD测量时,还必须考虑激励电流源的输出顺从电压。 输出顺从电压取决于所选的激励电流。 本电路选择500 μA,其输出顺从电压为AVDD − 0.37 V。 本电路的AVDD电源电压为3.3 V,因此,激励电流源的输出顺从电压必须低于2.93 V。 从上述计算可知,电路满足这一要求,因为AIN0引脚的最大电压等于精密基准电阻上的电压加上RTD上的电压和裕量电阻上的电压。
 
 
      针对4线RTD测量的AD7124-4/AD7124-8配置如下: :
- 差分输入: AINP = AIN2,AINM = AIN3
- 激励电流: IOUT0 = AIN0 = 500 μA
- 增益 = 16
- 精密基准电阻: 5.11 kΩ
- 数字滤波: 
        - Sinc4滤波器(全功率模式)
- 后置滤波器(低功耗模式)
 
 
 
      其中
CODE为ADC输出码。
N为ADC的分辨率(本电路为24)。
RREF为基准电阻。
G 为所选增益。
根据B类RTD的规格,电阻变化约为0.385 Ω/℃。 可利用此关系快速获得RTD的近似温度。 由于RTD的温度系数在整个温度范围内略有变化,因此上述方法不够精确,但可以利用它来快速检查温度。
要计算近似温度,请使用公式2。
 
 
      RTD传递函数即所谓Callender-Van Dusen公式,它由两个不同的多项式公式组成,可提供更精确的结果。 公式3用于0℃以上的温度,公式4用于0℃以下的温度。
温度t ≤ 0℃时,公式为:
 
 
      温度t ≥ 0℃时,公式为:
 
 
      其中:
t为RTD温度(℃)。
RRTD(t) 为RTD电阻(Ω)。
R0 为0℃时的RTD电阻(本例中R 0 = 100 Ω)。
A = 3.9083 × 10 −3.
B = −5.775 × 10 −7.
C = −4.23225 × 10 −12.
结合公式3和公式4给出的传递函数,有多种方法可以确定作为RTD电阻函数的温度值。 这里选择直接数学方法,因为其精度高。 根据公式3可得出以下温度计算公式:
 
 
      其中r为RTD电阻,其它变量的定义如上所述。
此方法能够很好地处理大于或等于0℃的温度。 要计算0℃以下的RTD温度,需要一个最佳拟合多项式表达式,本电路笔记使用的多项式为公式6所示的五阶多项式。
 
 
      举例来说,温度设置为25℃时,若从AD7124-4/AD7124-8读出的代码为11270065,则利用公式1将其转换为电阻值:

利用公式5进行线性化,得出温度为24.921℃。 再举一例,温度设置为−25℃时,若从AD7124-4/AD7124-8读出的代码为10757779,则将其转换为电阻值:
 
 
      利用公式6进行线性化,得出温度为−24.982℃。
4线RTD测量和结果
对于图1所示电路,我们采集了AD7124-4/AD7124-8在不同数字滤波器和功耗模式配置下获得的数据,sinc 4滤波器用于全功率模式,后置滤波器用于低功耗模式。
若选择sinc 4滤波器、全功率模式和50 SPS的配置,则AD7124-4/AD7124-8可以最佳的速度和噪声性能工作。 图5显示了室温下4线RTD按图1所示连接时的噪声分布。 对应的均方根噪声典型值为199.37 nV,相当于约17.9位无噪声分辨率。 使用相同的滤波器、增益、功耗模式和输出数据速率,但输入短路时,AD7124-4/AD7124-8的噪声性能为100 nV rms,相当于18.7位无噪声分辨率。 噪声的增加直接来自输入通道(AIN2、AIN3)上的RTD连接。
 
 
      图5. 室温、 Sinc 4 滤波器、全功率模式、50 SPS时的RTD码直方图
对于选择 4滤波器和全功率模式的4线RTD配置,将RTD温度从−50℃扫描至+200℃。 对于每个温度,按照上述方法利用AD7124-4/AD7124-8测量RTD上的相应电压。 然后将此电压转换为电阻,按照“4线RTD配置”部分所述进行线性化并转换为温度。 图6显示了设定温度与线性化后RTD实测温度之间的误差。 对于每个RTD温度设置,AD7124-4/AD7124-8保持25℃。 如图6所示,线性化后RTD实测温度的误差在Pt100 B类RTD的误差窗口内。 图6还显示了RTD误差在不同AD7124-4/AD7124-8温度设置下的偏差。 对于AD7124-4/AD7124-8的每个温度设置,执行内部零电平校准和满量程校准。 如图6所示,对于AD7124-4/AD7124-8的所有温度设置,RTD误差在B类RTD的预期误差范围内。
 
 
      图6. 温度精度测量(Sinc 4 滤波器、全功率模式、50 SPS)
图7显示了在25℃执行一次性内部零电平和满量程校准后的RTD实测温度误差。 从图中可看出,在25℃执行一次性校准与在各温度设置执行校准,AD7124-4/AD7124-8表现出相同的性能。
 
 
      图7. 温度精度测量(Sinc 4 滤波器、全功率模式、50 SPS,仅执行25℃一次性校准)
测试的第二种AD7124-4/AD7124-8配置是低功耗模式,选择后置滤波器和25 SPS输出数据速率。 25 SPS滤波器提供50 Hz和60 Hz同时抑制,并且允许用户用建立时间换取电源抑制性能。 图8显示了室温下4线RTD按图1所示连接时的噪声分布。 对应的均方根噪声典型值为774 nV,相当于约16.8位无噪声分辨率。 使用相同的滤波器、增益、功耗模式和输出数据速率,但输入短路时,AD7124-4/AD7124-8的噪声性能典型值为360 nV rms,相当于17.3位无噪声分辨率。 两次测量的噪声增加直接来自输入通道(AIN2、AIN3)上的RTD连接。
 
 
      图8. 室温、后置滤波器、低功耗模式、25 SPS时的RTD码直方图
RTD的温度从−50℃扫描到+200℃。 对于每个设定的RTD温度,按照上述方法利用AD7124-4/AD7124-8测量RTD上的相应电压。 然后将此电压转换为电阻,按照“4线RTD配置”部分所述进行线性化并转换为温度。 图9显示了设定温度与线性化后RTD实测温度之间的误差。 对于每个RTD温度设置,AD7124-4/AD7124-8保持25℃。 如图9所示,RTD实测温度的误差在Pt100 B类RTD的误差窗口内。 图9还显示了RTD误差在不同AD7124-4/AD7124-8温度设置下的偏差。 对于AD7124-4/AD7124-8的每个温度设置,执行内部零电平校准和满量程校准。 如图9所示,对于AD7124-4/AD7124-8的所有温度设置,RTD误差在B类RTD的预期误差范围内。
 
 
      图9. 温度精度测量(后置滤波器、低功耗模式、25 SPS)
图10显示了在25℃执行一次性内部零电平和满量程校准后的RTD实测温度误差。 从图中可看出,在25℃执行一次性校准与在各温度设置执行校准,AD7124-4/AD7124-8表现出相似的性能。
 
 
      图10. 温度精度测量(后置滤波器、低功耗模式、25 SPS,仅执行25℃一次性校准)
常见变化
 
     多个4线RTD  
     
 
     
AD7124-4/AD7124-8可用作多个4线RTD的测量系统。 AD7124-4可连接2个4线RTD,AD7124-8最多可连接5个4线RTD。 所有RTD可使用同一基准输入,一个电流源可激励所有RTD。 当需要进行RTD温度测量时,电流依次流向各RTD的顶端。 利用AD7124-4/AD7124-8上的交叉多路复用器可单独配置多个通道,各通道可配置为不同的设置。
 
     
测量RTD电压需要进行如下设置:
 
     
 
     
图11显示了一个例子,2个4线RTD连接到AD7124-4。 一个4线RTD连接在AIN2和AIN3模拟输入引脚上(通道0配置),激励电流来自AIN0;另一个4线RTD连接在AIN6和AIN7模拟输入引脚上(通道1配置),AIN1用于提供激励电流。 然后按照下述步骤依次对每个RTD执行温度测量:
 
     
 
      
      
 
      
     
 
      
      
       
 
      
      
      
图11. 使用2个4线RTD的AD7124-4 4线RTD配置 
     
对图11所示4线RTD配置的性能进行了评估,确保连接多个RTD时实现了预期性能。 对于此测量,两个4线RTD的温度均从−50℃扫描到+200℃。 对于每个温度设置,记录各RTD上的电压。 图12显示了各RTD的误差。 如结果所示,将同一电流从通道0切换到通道1对建立性能无影响,两个RTD均在B类RTD的预期误差窗口内。
 
     
 
      
      
       
 
      
      
      
图12. 两种不同RTD测量配置下记录的RTD温度误差 
     
 
     
 
    
 
   AD7124-4/AD7124-8可用作多个4线RTD的测量系统。 AD7124-4可连接2个4线RTD,AD7124-8最多可连接5个4线RTD。 所有RTD可使用同一基准输入,一个电流源可激励所有RTD。 当需要进行RTD温度测量时,电流依次流向各RTD的顶端。 利用AD7124-4/AD7124-8上的交叉多路复用器可单独配置多个通道,各通道可配置为不同的设置。
测量RTD电压需要进行如下设置:
- 将外部基准电压设置为REFIN1±。
- 使能要测量的RTD的IOUT0电流。
- 使能输入端连接有RTD的模拟输入通道。
图11显示了一个例子,2个4线RTD连接到AD7124-4。 一个4线RTD连接在AIN2和AIN3模拟输入引脚上(通道0配置),激励电流来自AIN0;另一个4线RTD连接在AIN6和AIN7模拟输入引脚上(通道1配置),AIN1用于提供激励电流。 然后按照下述步骤依次对每个RTD执行温度测量:
- IOUT0流向AIN0。 测量通道0(AIN2、AIN3)上的电压;因此,必须使能通道0。 对于此测量,禁用所有其它通道。
- 禁用通道0,使能通道1,将IOUT0电流导向AIN1。 然后测量通道1(AIN6、AIN7)上的电压。
 
 
     图11. 使用2个4线RTD的AD7124-4 4线RTD配置
对图11所示4线RTD配置的性能进行了评估,确保连接多个RTD时实现了预期性能。 对于此测量,两个4线RTD的温度均从−50℃扫描到+200℃。 对于每个温度设置,记录各RTD上的电压。 图12显示了各RTD的误差。 如结果所示,将同一电流从通道0切换到通道1对建立性能无影响,两个RTD均在B类RTD的预期误差窗口内。
 
 
     图12. 两种不同RTD测量配置下记录的RTD温度误差
电路评估与测试
 
     设备要求  
     
 
     
4线RTD测量系统需要如下设备:
 
     
 
     
 
     
软件安装
 
     
AD7124-4/AD7124-8和SDP板的完整软件用户指南参见 EVAL–AD7124-4SDZ (UG-855)/ EVAL-AD7124-8SDZ (UG-856) 用户指南和 SDP 用户指南.
 
     
软件需要与硬件接口。 此软件可从 ftp://ftp.analog.com/pub/evalcd/AD7124. 下载。 如果安装文件未自动运行,请双击 setup.exe 文件。 请先安装评估软件,再将评估板和SDP板连接到PC的USB端口,确保PC能够正确识别评估系统。
 
     
完成评估软件安装后,将EVAL-SDP-CB1Z(通过连接器B)连接到EVAL-AD7124-4SDZ/EVAL-AD7124-8SDZ,然后利用附送的电缆将EVAL-SDP-CB1Z连接到PC的USB端口。 检测到评估系统后,确认出现的所有对话框,完成安装。
 
     
 
     
  
      
       
 
      
      
      
图13. 测试设置功能框图 
     
测试该电路需要EVAL-AD7124-4SDZ /EVAL-AD7124-8SDZ评估板。 此外还需要下列传感器和电阻以确保电路正常工作:
 
     
 
     
 
     
  
      
      
 
      
     
 
      
      
       
 
      
      
      
图14. EVAL–AD7124-4SDZ/EVAL-AD7124-8SDZ评估板 
     
运行AD7124-4/AD7124-8 EVAL+软件,随即出现图15所示的窗口。
 
     
 
      
      
       
 
      
      
      
图15. AD7124-4 EVAL+软件窗口 
     
为了配置AD7124-4/AD7124-8进行4线RTD测量,单击 4-WIRE RTD(4线RTD)演示模式按钮(参见图15)。 单击 4-WIRE RTD b(4线RTD)按钮以配置ADC软件,如下所示:
 
     
 
     
将AD7124-4/AD7124-8配置为4线RTD测量之前,还需要一项额外的设置: 此校准可通过Register Map(寄存器映射)选项卡执行,如图16所示。
 
     
 
     
 
      
      
       
 
      
      
      
图16. 寄存器映射内部满量程和零电平校准 
     
现在,评估板和器件已完成4线RTD测量配置。 单击 SAMPLE(采样)以启动AD7124-4/AD7124-8采样。 Waveform(波形)和 Histogram (直方图)选项卡显示从AD7124-4/AD7124-8采集到的数据。
 
    
 
   4线RTD测量系统需要如下设备:
- EVAL–AD7124-4SDZ 或 EVAL-AD7124-8SDZ 评估板
- EVAL-SDP-CB1Z 系统演示平台(SDP)
- AD7124-4/AD7124-8 EVAL+ Software
- 电源: 7 V或9 V壁式电源适配器
- B类Pt100 4线RTD
- 运行Windows® XP (SP2)、Windows Vista或Windows 7(32位或64位)的PC
软件安装
AD7124-4/AD7124-8和SDP板的完整软件用户指南参见 EVAL–AD7124-4SDZ (UG-855)/ EVAL-AD7124-8SDZ (UG-856) 用户指南和 SDP 用户指南.
软件需要与硬件接口。 此软件可从 ftp://ftp.analog.com/pub/evalcd/AD7124. 下载。 如果安装文件未自动运行,请双击 setup.exe 文件。 请先安装评估软件,再将评估板和SDP板连接到PC的USB端口,确保PC能够正确识别评估系统。
完成评估软件安装后,将EVAL-SDP-CB1Z(通过连接器B)连接到EVAL-AD7124-4SDZ/EVAL-AD7124-8SDZ,然后利用附送的电缆将EVAL-SDP-CB1Z连接到PC的USB端口。 检测到评估系统后,确认出现的所有对话框,完成安装。
设置与测试 
 
 图13所示为测试设置的功能框图。 
 
 
 
 
     图13. 测试设置功能框图
测试该电路需要EVAL-AD7124-4SDZ /EVAL-AD7124-8SDZ评估板。 此外还需要下列传感器和电阻以确保电路正常工作:
- B类4线Pt100 RTD
- 5.11 kΩ精密电阻
- 缓冲器裕量所需的250 Ω电阻
配置硬件 
 
 按照下述步骤配置硬件: 
 
 
- 将EVAL-AD7124-4SDZ/EVAL-AD7124-8SDZ评估板上的所有链接设为默认位置,如EVAL-AD7124-4SDZ/EVAL-AD7124-8SDZ用户指南所述。
- 利用连接到J5的7 V或9 V电源为评估板上电。
- 连接RTD、精密基准电阻和裕量电阻,如图14所示。
 
 
     图14. EVAL–AD7124-4SDZ/EVAL-AD7124-8SDZ评估板
运行AD7124-4/AD7124-8 EVAL+软件,随即出现图15所示的窗口。
 
 
     图15. AD7124-4 EVAL+软件窗口
为了配置AD7124-4/AD7124-8进行4线RTD测量,单击 4-WIRE RTD(4线RTD)演示模式按钮(参见图15)。 单击 4-WIRE RTD b(4线RTD)按钮以配置ADC软件,如下所示:
- Channel_0
- AINP_0 = AIN2
- AINM_0 = AIN3
- Setup0
- Enabled = TRUE
- Setup_0 
       - PGA_0 = 16
- AIN_BUFP, AIN_BUFM both = ENABLED
- BIPOLAR = ENABLED
- FS_0 = 384
- FILTER_MODE_0 = SINC4
 
- ADC_Control
- MODE = Continuous Conversion
- POWER_MODE = FULL
- IO_CONTROL_1
- IOUT0 Channel Enable = AIN1
- IOUT0 Select = 500 μA
将AD7124-4/AD7124-8配置为4线RTD测量之前,还需要一项额外的设置: 此校准可通过Register Map(寄存器映射)选项卡执行,如图16所示。
- 单击ADC_Control寄存器。
- 选择 Low Power(低功耗)模式。
- 执行内部满量程校准。
- 单击ADC控制寄存器的 Mode ( 模式)位域。
- 在Mode 位域中,选择内部满量程校准选项。 calibration option.
- 单击寄存器树中的 Gain0寄存器,检查校准是否已执行,并且系数是否改变。
- 执行内部零电平校准。
- 单击ADC控制寄存器的Mode( 模式)位域。
- 在Mode位域中,选择内部零电平校准选项。
- 单击寄存器树中的 Offset0 寄存器,检查校准是否已执行,并且系数是否改变。
- 校准完成后,将功耗模式改变为所需的工作模式,并从Continuous 寄存器的 Mode位域下拉框选择 ADC_Control(连续),以确保将ADC设置为连续转换模式。
 
 
     图16. 寄存器映射内部满量程和零电平校准
现在,评估板和器件已完成4线RTD测量配置。 单击 SAMPLE(采样)以启动AD7124-4/AD7124-8采样。 Waveform(波形)和 Histogram (直方图)选项卡显示从AD7124-4/AD7124-8采集到的数据。
讨论
       电脑端提供购买功能 
     
 
     
       购买评估板  
       所示报价为单片价格  
       
        
       
       
       
        
     
 
     
         所示报价为单片价格。所列的美国报价单仅供预算参考,指美元报价(每片美国离岸价),如有修改恕不另行通知。由于地区关税、商业税、汇率及手续费原因,国际报价可能不同。 
       
 
      - 加入我的myAnalog 登录 myAnalog




