LTC4011 3A NiMH 充电器具全 PowerPath 控制功能
详情介绍
概览
电路描述
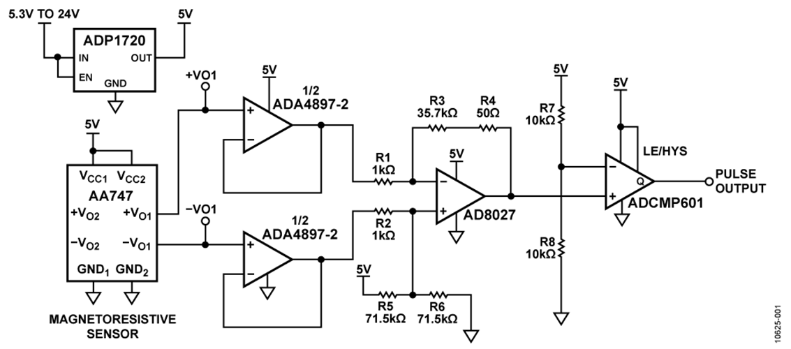
AA747 Sensitec MR传感器的输出来自一个电桥,当共模电压为电源电压的一半时,其典型输出电压为30 mV p-p至100 mV p-p。电桥输出阻抗约为 3 kΩ.
传感器的小信号输出首先由运算放大器ADA4897-2缓冲。双通道运算放大器ADA4897-2具有高带宽(G = +1时为230 MHz)和轨到轨输入/输出特性,是传感器信号的理想缓冲器。电压噪声仅为1 nV/√Hz。
然后,缓冲的差分信号施加于运算放大器 AD8027 其配置为差动放大器,增益由下式给出:

共模电压2.5 V由R5/R6分压器提供。
该电路的元件值为:R1 = R2 = 1 kΩ,R5 = R6 = 71.5 kΩ,R3 = 35.7 kΩ,R4 = 50kΩ。这些值提供的增益为35.75。
反馈电阻由R3 + R4构成,因此可以使用标准电阻值来获得所需的35.75 kΩ.
AD8027也是高带宽(G = +1时为190 MHz)、轨到轨放大器,压摆率为100 V/ s。它能在高增益下保持稳定,非常适合放大磁阻传感器的小信号输出。
AD8027的输出驱动ADCMP601,后者是一款超快速单电源轨到轨TTL/CMOS比较器,传播延迟仅有3.5 ns,最小脉冲宽度为3 ns。
低压差线性稳压器ADP1720用于将电路与恶劣环境下可能存在的噪声隔离开。
ADA4897-2、AD8027、ADCMP601和ADP1720全都采用小型封装,例如TSOT、MSOP和SC-70等,使电路非常适合要求极小PCB面积的应用。
磁阻传感器
磁阻是铁磁性材料的特性,在有外部磁场的情况下,其电阻会改变。磁阻(MR)元件是通过沉积透磁合金(20% Fe、80%Ni)薄膜而产生,使其具有优选的磁化方向。当外部磁场与透磁合金平面平行,但与电流流向垂直时,透磁合金的内部磁化矢量将旋转一个角度α,导致透磁合金的电阻相对于该角度发生变化。这一关系可通过下面的数学公式来表述。R0和 R是透磁合金的特性, R的典型范围是2%到3%。
![]()
当α为0时,MR元件的电阻最大。以上公式是非线性的,但利用双色条磁极可将其线性化,使其在一定范围内提供线性响应(参见电路笔记CN-0323:磁阻角度测量)。
完整的MR传感器由4个配置为桥型的磁阻元件构成,产生接近线性的差分输出信号。另外,4个MR元件的固有温度系数因为桥型配置而互相抵消。
对于低磁场应用,MR传感器具有很高的磁场灵敏度,可以很好地取代霍尔效应传感器。MR传感器之所以受欢迎,是因为其工作方式是非接触式,因而不存在损耗和摩擦。其结构坚固,可靠性高,对振动和机械应力相对不敏感。MR传感器具有宽工作频率范围(0 Hz至1 MHz)、高工作温度、低成本、小尺寸和快速响应时间等特性。其灵敏度非常高,可以测量弱磁场,并能检测零速度,因而特别适合转速检测应用。MR传感器在工业和汽车应用中非常受欢迎。
与霍尔效应传感器相比,MR传感器的输出电压更大,因而信噪比和EMC性能更好。由于其灵敏度更高,因此MR传感器与目标轮子之间的空气间隙可以更大。传感器外壳和机械设置的容差也可以放宽,从而降低设计的成本和复杂度。MR传感器的性价比也更高,因为它不像霍尔效应传感器那样需要磁体,相关成本也就不存在。
因此,MR传感器非常适合用来检测转速,在工业和汽车应用中特别受欢迎
转速检测
图1所示应用电路利用磁阻传感器测量转速,然后将其转换为脉冲输出。
与使用感性传感器的转速测量应用相比,MR传感器的输出信号电平不随转速而改变,因而无需用来处理宽动态范围的复杂调理电路。此外,该相对简单的调理电路可产生低抖动的脉冲输出。
MR传感器通过测量铁磁标记之间的周期来检测转速,可从被动目标的齿轮或主动目标的磁性元件开始。此类应用中,当磁力线相对于目标齿轮位置发生改变时,MR传感器的电阻随之改变。
MR传感器能够测量低至0 Hz的极慢速旋转。图2所示正弦波是MR传感器检测被动齿轮一个齿的典型输出。当磁力线与运动方向平行时,输出电压达到峰值。正弦波的一个周期(T)相当于一个轮齿,因此,正弦波的周期乘以齿数(n)便得到转一圈的周期。转速(rpm)等于周期的倒数,如下式所示:

脉冲测量
使用EVAL-CN0332-PMDZ评估板中的实际MR传感器(SensitecAA747)进行测试时,AD8027增益放大器和ADCMP601比较器的最终输出如图3所示。
从图4所示测试设置获得的1 MHz仿真MR信号的上升时间和下降时间分别为3.80 ns和3.23 ns。均方根抖动为101.1 ps,如图4所示。
欲查看完整原理图和印刷电路板的布局,请参见 www.analog.com/CN0332-DesignSupport。
常见变化
本应用电路所用的器件是根据精度、低噪声和高速度要求而选择。ADI公司拥有广泛的高性能放大器,使用其他产品也能获得类似的性能。
ADA4895-2和ADA4896-2与ADA4897-2相似,均为高速、低噪声、低功耗双通道轨到轨放大器,可以考虑用作替代器件。ADA4528-2是零漂移放大器,可提供更好的漂移性能。
AD8027是一款具有轨到轨输入和输出的高速放大器,工作电压低,并专门针对高性能和宽动态信号范围进行了优化。AD8045、ADA4899-1和AD8099也是适合该电路的替代器件。AD8028是AD8027的双通道版本,适合需要多个通道的应用。
ADCMP601采用6引脚SC-70封装;ADCMP600是其变化形式,采用5引脚SC-70和SOT-23封装;ADCMP602采用8引脚MSOP封装。
电路评估与测试
- EVAL-CN0332-PMDZ 评估板
- Agilent 33500B系列波形发生器(或具有双通道输出的等效AWG)
- Agilent 3631A直流电源(或等效设备)
- Agilent 53210A RF计数器(或等效设备)
测试设置
测试设置的框图如图5所示。双通道波形发生器用于模拟磁阻传感器的输出,其直流偏移设置为内部基准源电压的一半。电源为CN0332评估板提供5.5 V电压。波形发生器产生两个相位相差180度的1 MHz信号,这两个信号在内部同步,用以模拟差分信号MR输出。两个信号的直流偏移均设置为2.5 V,连接到CN0332评估板的+VO1和–VO1孔眼。测试时AA747传感器断开连接。但是,如果信号发生器的输出阻抗较低(50 ¬或更低),则传感器可以保持连接,因为其输出阻抗为3 kΩ,低阻抗信号发生器会覆盖传感器输出。如果使用板载AA747 MR传感器,应将传感器靠近外部磁体放置。
如果使用板载AA747 MR传感器,应将传感器靠近外部磁体放置。
RF计数器读取评估板的脉冲输出。确保电源、波形发生器、RF计数器和CN0332评估板具有相同的地。
电源和计数器通过12引脚PMOD连接器连接。
CN0332评估板的照片如图6所示。
讨论
- 加入我的myAnalog 登录 myAnalog




