LTC4002 1.5A 单电池锂离子电池充电器
详情介绍
概览
设计资源
评估硬件
产品型号带"Z"表示符合RoHS标准。评估此电路需要下列选中的电路板
- EVAL-CN0172-SDPZ ($160.00) High Accuracy Multichannel Thermocouple Measurement Solution
- EVAL-SDP-CB1Z ($99.00) Eval Control Board
驱动/参考代码
Software such as C code and/or FPGA code, used to communicate with component's digital interface.
优势和特点
- 3通道K型热电偶测量系统
- 典型温度范围为-200 C至+1200 C
- 高精度温度测量,可精确至0.25度
- 采用16位数字温度传感器进行冷结补偿
电路功能与优势
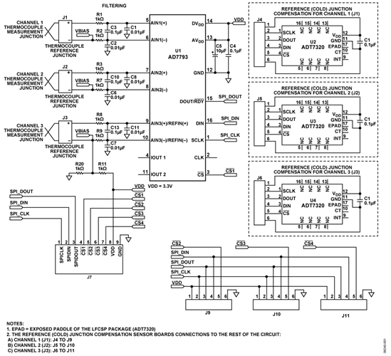
图1中的电路在功能上可提供高精度、多通道的热电偶测 量解决方案。精确的热电偶测量要求采用精密元件组成信 号链,该信号链应当能够放大微弱的热电偶电压、降低噪 声、校正非线性度并提供精确的基准结补偿(通常称为冷结 补偿)。本电路可解决热电偶温度测量的全部这些难题,并 具有±0.25°C以上的精度。
图1中的电路显示将3个K型热电偶连接至AD7793 精密24位 Σ-Δ型模数转换器(ADC),以测量热电偶电压。由于热电 偶是一种差分器件而不是绝对式温度测量器件,必须知道 基准结温才能获得精确的绝对温度读数。这一过程被称为 基准结补偿,通常称为冷结补偿。本电路中ADT7320 精 密16位数字温度传感器用于冷结基准测量,并提供所需的 精度。
对于需要在热电偶提供的宽温度范围内进行高性价比的精 确温度测量而言,这类应用非常受欢迎。

电路描述
图1中的电路专为使用 ADT7320同时测量3个K型热电偶而设计,该器件是一款±0.25°C精度、16位数字SPI温度传感器。
热电偶电压测量
采用热电偶连接器和滤波器作为热电偶与AD7793 ADC之间的接口。每个连接器(J1、J2和J3)都直接与一组差分ADC输入相连。AD7793输入端的滤波器可在信号到达ADC的AIN(+)和AIN(−)输入端之前降低任何热电偶引脚上叠加的噪声。AD7793集成片内多路复用器、缓冲器和仪表放大器,可放大来自热电偶测量结点的小电压信号。
冷结测量
ADT7320精密16位数字温度传感器用于测量基准结(冷结)温度,其精度在−20°C至+105°C温度范围内可达±0.25°C。ADT7320完全经过工厂校准,用户无需自行校准。它内置一个带隙温度基准源、一个温度传感器和一个16位Σ-Δ型ADC, 用来测量温度并进行数字转换, 分辨率为0.0078°C。
AD7793和ADT7320均利用系统演示平台 (EVAL-SDP-CB1Z)由SPI接口控制。此外,这两个器件也可由微控制器控制。

图2显示带有3个K型热电偶连接器的EVAL-CN0172-SDPZ 电路评估板,AD7793 ADC, 和ADT7320温度传感器安装在独立柔性印刷电路板(PCB)的两块铜触点之间,用于基准温度测量。
图3是安装在独立柔性PCB上ADT7320 的侧视图,该器件插在热电偶连接器的两个铜触点之间。图3中的柔性PCB更薄更灵活,比小型FR4类PCB更具优势。它允许将ADT7320巧妙地安装在热电偶连接器的铜触点之间,以尽量降低基准结和ADT7320之间的温度梯度。

图3. 安装在柔性PCB上ADT7320的侧视图
小而薄的柔性PCB还能使ADT7320快速响应基准结的温度变化。 图4显示ADT7320的典型热响应时间。

本解决方案较为灵活,允许使用其它类型的热电偶,如J型或T型。本电路笔记中,选择K型是考虑到其更受欢迎。实际选用的热电偶具有裸露尖端。测量结位于探头壁(probewall)之外,暴露在目标介质中。
采用裸露尖端的优势在于,它能提供最佳的热传导率、具有最快的响应时间,并且成本低、重量轻。不足之处是容易受到机械损坏和腐蚀的影响。因此,不适合用于恶劣环境。但在需要快速响应时间的场合下,裸露尖端是最佳选择。若在工业环境中使用裸露尖端,则可能需对信号链进行电气隔离。可使用数字隔离器达到这一目的 (见www.analog.com/icoupler).
不同于传统的热敏电阻或电阻式温度检测器(RTD),ADT7320是一款完全即插即用型解决方案,无需在电路板装配后进行多点校准,也不会因校准系数或线性化程序而消耗处理器或内存资源。它在3.3 V电源下工作时的典型功耗仅为700μW,避免了会降低传统电阻式传感器解决方案精度的自发热问题。
精密温度测量指南
下列指南可确保ADT7320精确地测量基准结温度。
电源: 如果ADT7320 从开关电源供电,可能产生50 kHz以上的噪声,从而影响温度精度。为了防止此缺陷,应在电源和VDD. 之间使用RC滤波器。所用元件值应仔细考虑,确 保电源噪声峰值小于1 mV
去耦: ADT7320必须在尽可能靠近 VDD 的地方安装去耦电容,以确保温度测量的精度。推荐使用诸如0.1μF高频陶瓷类型的去耦电容。此外,还应使用一个低频去耦电容与高 频陶瓷电容并联,如10μF 至 50 μF 钽电容。
最大热传导: 塑料封装和背面的裸露焊盘(GND)是基准结至ADT7320的主要热传导路径。由于铜触点与ADC输入相连,本应用中无法连接背面的焊盘,因为这样做会影响ADC输入的偏置。
精密电压测量指南
下列指南可确保AD7793精确地测量热电偶测量结电压。
去耦:AD7793必须在尽可能靠近AVDD 和 DVDD 的地方安装去耦电容,以确保电压测量的精度。应将0.1 μF陶瓷电容与10 μF钽电容并联,将AVDD去耦到GND。此外,应将0.1 μF陶瓷电容与10 μF钽电容并联,将DVDD去耦到GND。 更多有关接地、布局和去耦技巧的讨论,请参考Tutorial MT-031 和 Tutorial MT-101
滤波:AD7793的差分输入用于消除热电偶线路上的大部分共模噪声。例如,将组成差分低通滤波器的R1、R2和C3放置在AD7793的前端,可消除热电偶引脚上可能存在的叠加噪声。C1和C2电容提供额外的共模滤波。由于输入ADC的AIN(+)和AIN(−)均为模拟差分输入,因此,模拟调制器中的多数电压均为共模电压。AD7793的出色共模抑制(100dB最小值)进一步消除了这些输入信号中的共模噪声。
本方案解决的其它难题
下文总结了本解决方案是如何解决前文提到的其它热电偶相关难题。
热电偶电压放大:热电偶输出电压随温度的变化幅度只有每度几μV。本例中所用的常见K型热电偶变化幅度为41μV/°C。这种微弱的信号在ADC转换前需要较高的增益级。AD7793内部可编程增益放大器(PGA)能够提供的最大增益为128。本解决方案中的增益为16,允许AD7793通过内部基准电压源运行内部满量程校准功能。
热电偶的非线性校正:AD7793在宽温度范围(–40°C至+105°C)内具有出色的线性度,不需要用户校正或校准。为了确定实际热电偶温度,必须使用美国国家标准技术研究院(NIST)所提供的公式将参考温度测量值转换成等效热电电压。此电压与AD7793测量的热电偶电压相加,然后再次使用NIST公式将两者之和再转换回热电偶温度。另一种方法涉及查找表的使用。然而,若要获得同样的精度,查找表的大小可能有较大不同,这就需要主机控制器为其分配额外的存储资源。所有处理均通过EVAL-SDP-CB1Z以软件方式完成。EVAL-SDP-CB1Z以软件方式完成。
欲查看完整原理图和EVAL-CN0172-SDPZ的布局,请参见CN-0172设计支持包:www.analog.com/CN0172-DesignSupport.
电路评估与测试
本系统使用EVAL-CN0172-SDPZ和EVAL-SDP-CB1Z。EVAL-CN0172-SDPZ板自带CN0172分线板。
设备要求
需要以下设备:
- 一个油槽
- EVAL-CN0172-SDPZ电路评估板
- CN0172分线板(EVAL-CN0172-SDPZ评估板自带)
- EVAL-CN0172-SDPZ电路评估板
- CN0172评估板软件
- 一台Datron 4808校准仪
- 一台Hart Scientific 1590超级温度计
- 一个Hart Scientific精密探头
- GPIB电缆(3)
- 一台PC,安装Windows XP或更高版本,运行LabVIEW并 带有一块GPIB卡和一个USB 2.0端口
设置与测试
图5中的测试设置用于评估多通道热电偶解决方案的性能。使用Datron校准仪提供精密电压源,用于3个热电偶输入。使用超级温度计测量油槽的温度,并通过GPIB总线对其进行控制。
CN0172的LabVIEW软件通过USB端口EVAL-SDP-CB1Z评估板、分线板和SPI总线控制EVAL-CN0172-SDPZ评估板。EVAL-SDP-CB1Z评估板的电源来自USB总线,EVAL-SDP-CB1Z的3.3 V输出为EVAL-CN0172-SDPZ评估板供电。
如果不需要油槽测量,则可利用CD光盘上的软件,通过PC的USB接口使用EVAL-CN0172-SDPZ评估板测量3个热电偶的温度。
有关测试设置、校准以及如何使用评估软件来捕捉数据的详细信息,请参阅CN0172用户指南: www.analog.com/CN0172-UserGuide.

测试结果
表6显示采用不同的冷结(CJ)温度固定值,在各种热电偶温度下该解决方案的误差曲线。宽温度范围内的整体解决方案误差不超过±0.25°C。请注意,若对AD7793ADC执行系统校准,则可进一步改善解决方案精度。

图7显示采用不同的热电偶温度固定值,在各种CJ温度下该解决方案的误差曲线。宽温度范围内的整体解决方案误差不超过±0.25°C。
