LTC3896 高效率 36V~72V 至 –48V/2A 负输出稳压器
详情介绍
概览
设计资源
评估硬件
产品型号带"Z"表示符合RoHS标准。评估此电路需要下列选中的电路板
- EVAL-AD7124-8SDZ ($59.00) Completely Integrated Thermocouple Measurement System using a Low Power, Precision, 24-Bit, Sigma-Delta ADC
- EVAL-SDP-CB1Z ($99.00) Eval Control Board
驱动/参考代码
Software such as C code and/or FPGA code, used to communicate with component's digital interface.
优势和特点
- 高度集成的热电偶测量系统
- 24位分辨率
- 精度: <1°C
- 低功耗
- 精度: <1°C(整个温度范围)
电路功能与优势
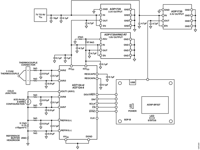
      图1所示电路是一个集成的热电偶测量系统,基于 
     AD7124-4/ 
     AD7124-8 低功耗、低噪声、24位Σ-Δ型模数转换器(ADC),针对高精度测量应用而优化。 使用该系统的热电偶测量在−50℃至+200℃的测量温度范围内具有±1℃的整体系统精度。 系统的典型无噪声码分辨率约为15位。 
     
 
     
 
      
      
       
 
      
      
      
图1. AD7124-4/AD7124-8热电偶测量配置,包括RTD冷结补偿 
     
AD7124-4可配置为4个差分或7个伪差分输入通道,而AD7124-8可配置为8个差分或15个伪差分输入通道。片内低噪声可编程增益阵列(PGA)确保ADC中可直接输入小信号。
 
     
AD7124-4/AD7124-8提供最高的信号链集成度,其中包括可编程低漂移激励电流源、偏置电压发生器和内部基准电压源。片内集成了系统需要的大部分构建模块,因而能够简化热电偶系统设计。
 
     
AD7124-4/AD7124-8允许用户灵活地使用三种集成功耗模式中的一种,电流消耗、输出数据速率范围和均方根噪声与所选的功耗模式相对应。低功耗模式下,AD7124-4/AD7124-8的功耗仅255 μA,全功率模式下为930 μA。 这些功耗选项使得该器件既适合功耗不重要的应用,如输入/输出模块,也适合低功耗应用,如环路供电智能变送器(整个变送器的功耗必须低于4 mA)。
 
     
该器件还具有关断选项。 在关断模式下,整个ADC及其辅助功能均关断,器件的典型功耗降至1 μA。AD7124-4/AD7124-8还集成了丰富的诊断功能,作为全面特性组合的一部分。
 
     
 
    
 
    
 
     图1. AD7124-4/AD7124-8热电偶测量配置,包括RTD冷结补偿
AD7124-4可配置为4个差分或7个伪差分输入通道,而AD7124-8可配置为8个差分或15个伪差分输入通道。片内低噪声可编程增益阵列(PGA)确保ADC中可直接输入小信号。
AD7124-4/AD7124-8提供最高的信号链集成度,其中包括可编程低漂移激励电流源、偏置电压发生器和内部基准电压源。片内集成了系统需要的大部分构建模块,因而能够简化热电偶系统设计。
AD7124-4/AD7124-8允许用户灵活地使用三种集成功耗模式中的一种,电流消耗、输出数据速率范围和均方根噪声与所选的功耗模式相对应。低功耗模式下,AD7124-4/AD7124-8的功耗仅255 μA,全功率模式下为930 μA。 这些功耗选项使得该器件既适合功耗不重要的应用,如输入/输出模块,也适合低功耗应用,如环路供电智能变送器(整个变送器的功耗必须低于4 mA)。
该器件还具有关断选项。 在关断模式下,整个ADC及其辅助功能均关断,器件的典型功耗降至1 μA。AD7124-4/AD7124-8还集成了丰富的诊断功能,作为全面特性组合的一部分。
电路描述
 
     温度测量简介  
     
 
     
热电偶是工业应用中最常用的温度测量传感器之一,其成本低,坚固耐用,可重复性好,并具有很宽的工作温度范围和快速响应时间。 热电偶特别适合高温测量(C型热电偶最高可测量2300℃的温度)。
 
     
热电偶由两条不同金属线连接而成,如图2所示。
 
     
 
      
      
       
 
      
      
      
图2. 包括测量结和参考结的热电偶连接 
     
一端放置在需要进行温度测量的地方,称为测量结。 热电偶的另一端连接精密电压测量单元,该连接称为参考结,或者称为冷结。 测量结和冷结之间的温差产生一个电压,其值与两个结点之间的温差成比例。 该温差产生的信号通常为数微伏至数十毫伏不等,具体取决于温度差值。 图1所示电路采用T型热电偶。 T型热电偶可测量−200℃至+400℃的温度,输出范围约−8.6 mV至+17.2 mV。 对于信号链而言,重要的是对热电偶保持较高的阻抗和较低的漏电流,以便实现最高精度。
 
     
T型热电偶的灵敏度约为40 μV/℃。 因此,利用AD7124-4/AD7124-8的集成PGA,可以轻松检测热电偶的小电压并将其精确转换为数字信号。 在一个较小范围(0℃至60℃)内,热电偶响应接近线性,如图3所示。 为了在宽温度范围内实现精确测量,必须对实测值应用线性化处理,确保获得准确的温度值。
 
     
 
      
      
       
 
      
      
      
图3. T型热电偶输出电压与温度的关系 
     
T型热电偶由铜和康铜连接而成。 其它金属组合形成范围和灵敏度不同的其它类型热电偶。 例如,J型热电偶由铁和康铜连接而成,测量范围为0℃至760℃,灵敏度为55 μV/℃。 K型热电偶由铬镍和铝镍连接而成,测量范围为−200℃至+1260℃,灵敏度为39 μV/℃。
 
     
 
     
冷结补偿(CJC)
 
     
必须将热电偶产生的电压转换为温度。 将测得的电压转换为精确的温度是很困难的,因为热电偶电压很小,温度与电压不是线性关系,而且还必须准确测量冷结温度。
 
     
热电偶输出电压代表热电偶与冷结的温差。 为确保从热电偶获得精确的绝对温度读数,必须知道冷结温度。 冷结温度使用另一种温度敏感器件来测量,一般为热敏电阻、二极管、RTD(电阻温度检测器)或半导体温度传感器。 本电路使用的温度检测器件为一个4线RTD。 冷结温度误差直接产生绝对温度误差,因此需要对冷结温度进行高精度测量。 测量并补偿冷结温度的技术称为冷结补偿或CJC。
 
     
 
     
电路工作原理
 
     
AD7124-4/AD7124-8提供集成式热电偶测量解决方案,可实现高分辨率、低非线性度误差和低噪声性能,以及极高的50 Hz/60 Hz抑制能力。该器件片内集成低噪声PGA,可放大热电偶的小信号,增益编程范围为1到128,因而可以直接与传感器接口。 增益级具有高输入阻抗,输入漏电流在全功率模式下不超过3.3 nA,在低功耗模式下为1 nA(典型值)。 下面说明基于AD7124-4/AD7124-8开发热电偶温度测量系统所用的不同元件
 
     
 
     
 
      
      
 
      
  
      
      
      
 
       
       
        
 
       
       
       
图4. AD7124-4/AD7124-8 EVAL+软件配置窗口 
      
AD7124-4/AD7124-8的片内诊断功能可用来检测SPI通信故障。 这些诊断包括检查SPI读写操作,确保仅访问有效寄存器。 SCLK计数器确保使用正确数量的SCLK脉冲,而CRC功能检查传输期间位值有无变化。 当任一SPI通信诊断功能使能且发生相关的错误时,错误寄存器中的对应标志就会置1。 所有使能的标志进行“或”运算,以控制状态寄存器的ERR标志位。 该功能在将状态位附加到ADC转换结果时特别有用。
 
      
 
      
  
      
      
      
AD7124-4/AD7124-8的片内诊断功能可用来检查模拟引脚上的电平是否在额定工作范围以内。正(AINP)和负(AINM)模拟输入可以单独检查是否发生过压和欠压,以及ADC是否饱和。 当模拟输入上的电压超过AV DDSS时,欠压标志就会置1。
 
      
对于图1所示电路,使用两个模拟输入引脚来连接热电偶(AIN2、AIN3),需要三个模拟引脚来进行冷结补偿(AIN1、AIN6、AIN7)。 AIN2和AIN3配置为全差分输入通道,用于测量热电偶产生的电压。 对于本电路,如图1所示,热电偶是浮空的。 要将热电偶偏置到已知电平,AIN2上使能V BIAS电压发生器,使热电偶偏置到以下值:
 
      
 
       
 
      
 
      
热电偶测量是绝对测量,因而需要一个基准电压源,使用AD7124-4/AD7124-8内置2.5 V基准电压源。
 
      
针对冷结补偿,一个激励电流源用于激励RTD。 此电流从AV DD产生,流向AIN1。 图5详细显示了模拟引脚及其配置。
 
      
 
       
       
        
 
       
       
       
图5. 热电偶测量的模拟输入配置,采用4线RTD进行冷结补偿 
      
对于本电路,冷结电路采用基准输入REFIN1(±)。 流经4线RTD(用于冷结测量)的电流也会流过精密基准电阻,产生基准电压。 此精密基准电阻上产生的电压与RTD上的电压成比例,因此,激励电流的波动会被消除。 由于基准电压缓冲器已使能,务必满足正常工作所需的裕量(AV DD − 0.1 V和AV SS + 0.1 V)。 0.125 V (500 μA × 250 Ω)的裕量由250 Ω接地电阻提供,如图5所示。
 
      
 
      
数字和模拟滤波
差分滤波器(截止频率约为800 Hz)和共模滤波器(截止频率约为16 kHz)在模拟输入端和基准输入端实现。 为了抑制调制器频率及其倍数处的干扰,必须使用这种滤波。 
      
      
AD7124-4/AD7124-8在片内数字滤波方面拥有很大的灵活性。有多种滤波器选项可用,所选的滤波器会影响输出数据速率、建立时间和50 Hz/60 Hz抑制性能。 对于此电路笔记,电路实现了sinc4滤波器和后置滤波器。 之所以使用sinc 4滤波器,是因为它在整个输出数据速率范围内具有出色的噪声性能,另外还有出色的50 Hz/60 Hz抑制性能。 后置滤波器用于提供50 Hz和60 Hz同时抑制,建立时间为40 ms。
 
      
 
      
校准
AD7124-4/AD7124-8提供不同的校准模式,通过校准可消除失调和增益误差。对于本电路笔记,电路使用了内部零电平校准和内部满量程校准。
 
      
 
      
热电偶配置
 
      
图1所示电路使用AD7124-4/AD7124-8进行精密T型热电偶测量。 热电偶测量要求冷结补偿。 如图1所示,一个4线Pt100 RTD用于此目的。 采用图1所示配置,作为冷结补偿测量的一部分,需要一个精密激励电流源来激励RTD。 该RTD连接到模拟输入AIN6、AIN7。 RTD的底端连接到一个精密基准电阻,后置将一个外部基准电压施加于器件。 该精密基准电阻连接在基准输入引脚REFIN1(±)之间。 此配置代表一个比率式配置,激励电流的任何偏差都会同时作用于RTD和基准电阻,因而不会出现在测量结果中。
 
      
热电偶本身连接到模拟输入AIN2、AIN3。 其中一个输入利用ADC的内部偏置电压发生器偏置。 热电偶电压在−8 mV到+17.2 mV范围内,代表的温度范围为−200℃至+400℃。 此低电平电压由AD7124-4/AD7124-8的片上PGA放大,然后通过24位Σ-Δ ADC转换为精密数字信号。 为确保利用ADC的全部范围,PGA增益设置为128。 此热电偶测量相对于内部低漂移2.5 V基准电压源执行。
 
      
一个4线Pt100 B类RTD用于冷结测量。 Pt100 RTD的激励电流设置为500 μA。 选择适当的外部精密电阻值,使RTD上产生的最大电压等于基准电压除以所选增益。 电路笔记CN-0381 详细讨论了下列必需步骤:
 
      
 
      
针对热电偶测量的AD7124-4/AD7124-8全系统配置如下:
 
      
 
      
 
      
热电偶温度计算
 
      
实现上述程序之后,下一步便是解决热电偶和冷结计算。 线性化和补偿可使用不同的方法,包括:
 
      
 
      
软件线性近似法需要两个输入: 热电偶上测得的电压和冷结温度。
 
      
模拟输入通道(AIN2、AIN3)用于测量热电偶上的电压。 公式1用于将代码转换为电压,它假设ADC为双极性配置。AD7124-4/AD7124-8软件根据所实现的配置自动将代码转换为电压。
 
      
 
       
 
      
 
      
其中:
VTC为热电偶(TC)电压。
CODETC 为热电偶(TC)代码。
N为ADC的分辨率(24位)。
VREF为测量所用的基准电压。 对于本电路,内部基准电压用于热电偶测量。
Gain 为针对TC模式选择的增益(128)。
冷结温度必须转换为电压。 冷结温度利用国家标准技术研究院(NIST)提供的多项式进行转换,如公式3所示。
 
      
 
       
 
      
 
      
其中:
VCJ 为热电电压。
ax为与热电偶类型相关的多项式系数。
T为冷结温度(℃)。
n为多项式阶数。
 
      
增加多项式的阶数可提高冷结温度转电压的转换精度。 然而,阶数越高,所需的处理越多。 因此,执行此转换时需要权衡。 本电路的计算采用八阶多项式。
 
      
冷结温度电压必须加到热电偶上测得的差分电压上。 最终电压是热电偶温度检测结点产生的热电电压近似值。
 
      
然后便可利用该热电电压计算热电偶整体温度。 这一步涉及到公式4给出的幂级数多项式。 本电路采用六阶多项式,T型热电偶的多项式系数从NIST网站获得。
 
      
 
       
 
      
 
      
其中:
V为热电电压(μV)
ax为与热电偶类型相关的多项式系数。
T为温度(℃)。
n为多项式阶数。
 
      
 
      
热电偶测量和结果
 
      
对于图1所示电路,我们收集了AD7124-4/AD7124-8在不同数字滤波器和功耗模式配置下的数据。
 
      
第一种配置是采用sinc4滤波器、全功耗模式和50 SPS的输出数据速率。 在这些条件下,AD7124-4/AD7124-8具有最佳的速度和噪声性能。 图6显示了室温下热电偶按图1所示连接在AIN2、AIN3输入通道之间时的噪声分布。 对应的均方根噪声典型值为70 nV,相当于约16.4位无噪声分辨率。 在相同条件下,输入短路时AD7124-4/AD7124-8的噪声性能典型值为48 nV rms,相当于17位无噪声分辨率。 噪声的增加直接来自输入通道(AIN2、AIN3)上连接的热电偶。
 
      
 
       
       
        
 
       
       
       
图6. 室温、Sinc 4 滤波器、全功率模式、50 SPS时的热电偶码直方图 
      
对于选择sinc 4滤波器和全功率模式的热电偶配置,将热电偶温度从−50℃扫描至+200℃,而冷结保持在−40℃、+25℃和+105℃。 对于每个设定的热电偶温度,按照上述方法利用AD7124-4/AD7124-8测量热电偶上的相应电压。 另外还记录了使用4线RTD测得的冷结温度。 利用热电偶电压和冷结温度的电压表示来计算热电偶的温度。 图7显示了冷结温度为−40℃、+25℃和+105℃时,设定温度值与线性化后热电偶实测温度之间的误差。 在每个冷结温度执行内部零电平和满量程校准。 如图7所示,计算得到的温度与热电偶设定温度之间的误差在T型热电偶和Pt100 RTD的均方根合并误差窗口内。 T型热电偶的最大误差为1℃或0.75%;根据IEC751标准,Pt100误差为±(0.3 + 0.005 × |T|)。
 
      
 
       
       
        
 
       
       
       
图7. 热电偶温度精度测量(Sinc 4 滤波器、全功率模式、50 SPS) 
      
测试的第二种配置采用后置滤波器、低功耗模式和25 SPS输出数据速率,其提供50 Hz和60 Hz同时抑制,并且允许用户用建立时间换取抑制性能。 图8显示了室温下热电偶按图1所示连接在AIN2、AIN3输入通道之间时的噪声分布。 对应的均方根噪声典型值为220 nV rms,相当于约14.7位无噪声分辨率。 选择相同的滤波器、增益和输出数据速率,但输入短路时,AD7124-4/AD7124-8的噪声性能典型值为170 nV rms,相当于15.1位无噪声分辨率。 噪声的增加直接来自输入通道(AIN2、AIN3)上连接的热电偶。
 
      
 
       
       
        
 
       
       
       
图8. 室温、后置滤波器、低功耗模式、25 SPS时的热电偶和冷结温度的码直方图 
      
对于选择后置滤波器和低功耗模式的AD7124-4/AD7124-8配置,将RTD温度从−50℃扫描至+200℃。 对于每个设定的热电偶温度,按照上述方法利用AD7124-4/AD7124-8测量热电偶上的相应电压。 另外还记录了使用4线RTD测得的冷结温度。 利用热电偶电压和冷结温度的电压表示来计算热电偶的温度。
 
      
图9显示了冷结温度为−40℃、+25℃和+105℃时,设定温度与线性化后热电偶实测温度之间的误差。 如图9所示,计算得到的温度与热电偶设定温度之间的误差在T型热电偶和Pt100 RTD的均方根合并误差窗口内。 T型热电偶的最大误差为1℃或0.75%;根据IEC751标准,Pt100误差为±(0.3 + 0.005 × |T|)。
 
      
 
       
       
        
 
       
       
       
图9. 热电偶温度精度测量(后置滤波器、低功耗模式、25 SPS) 
      
     
 
     
 
    
 
   热电偶是工业应用中最常用的温度测量传感器之一,其成本低,坚固耐用,可重复性好,并具有很宽的工作温度范围和快速响应时间。 热电偶特别适合高温测量(C型热电偶最高可测量2300℃的温度)。
热电偶由两条不同金属线连接而成,如图2所示。
 
 
     图2. 包括测量结和参考结的热电偶连接
一端放置在需要进行温度测量的地方,称为测量结。 热电偶的另一端连接精密电压测量单元,该连接称为参考结,或者称为冷结。 测量结和冷结之间的温差产生一个电压,其值与两个结点之间的温差成比例。 该温差产生的信号通常为数微伏至数十毫伏不等,具体取决于温度差值。 图1所示电路采用T型热电偶。 T型热电偶可测量−200℃至+400℃的温度,输出范围约−8.6 mV至+17.2 mV。 对于信号链而言,重要的是对热电偶保持较高的阻抗和较低的漏电流,以便实现最高精度。
T型热电偶的灵敏度约为40 μV/℃。 因此,利用AD7124-4/AD7124-8的集成PGA,可以轻松检测热电偶的小电压并将其精确转换为数字信号。 在一个较小范围(0℃至60℃)内,热电偶响应接近线性,如图3所示。 为了在宽温度范围内实现精确测量,必须对实测值应用线性化处理,确保获得准确的温度值。
 
 
     图3. T型热电偶输出电压与温度的关系
T型热电偶由铜和康铜连接而成。 其它金属组合形成范围和灵敏度不同的其它类型热电偶。 例如,J型热电偶由铁和康铜连接而成,测量范围为0℃至760℃,灵敏度为55 μV/℃。 K型热电偶由铬镍和铝镍连接而成,测量范围为−200℃至+1260℃,灵敏度为39 μV/℃。
冷结补偿(CJC)
必须将热电偶产生的电压转换为温度。 将测得的电压转换为精确的温度是很困难的,因为热电偶电压很小,温度与电压不是线性关系,而且还必须准确测量冷结温度。
热电偶输出电压代表热电偶与冷结的温差。 为确保从热电偶获得精确的绝对温度读数,必须知道冷结温度。 冷结温度使用另一种温度敏感器件来测量,一般为热敏电阻、二极管、RTD(电阻温度检测器)或半导体温度传感器。 本电路使用的温度检测器件为一个4线RTD。 冷结温度误差直接产生绝对温度误差,因此需要对冷结温度进行高精度测量。 测量并补偿冷结温度的技术称为冷结补偿或CJC。
电路工作原理
AD7124-4/AD7124-8提供集成式热电偶测量解决方案,可实现高分辨率、低非线性度误差和低噪声性能,以及极高的50 Hz/60 Hz抑制能力。该器件片内集成低噪声PGA,可放大热电偶的小信号,增益编程范围为1到128,因而可以直接与传感器接口。 增益级具有高输入阻抗,输入漏电流在全功率模式下不超过3.3 nA,在低功耗模式下为1 nA(典型值)。 下面说明基于AD7124-4/AD7124-8开发热电偶温度测量系统所用的不同元件
 
      电源  
      
AD7124-4/AD7124-8具有单独的模拟电源和数字电源。 数字电源IOV DD独立于模拟电源,可以为1.65 V至3.6 V范围内的值(以DGND为基准)。 模拟电源AV DD以AV SS 为基准,范围是2.7 V到3.6 V(低功耗模式和中功率模式)或2.9 V至3.6 V(全功率模式)。 图1所示电路采用单电源供电,因此AVSS与DGND相连,仅使用一个接地层。 AV DD和IOV DD电压利用低压差稳压器ADP1720分别产生。 AV DD电压设置为3.3 V,IOV DD电压设置为1.8 V,采用ADP1720稳压器。 使用单独的稳压器可确保噪声最低。
 
     AD7124-4/AD7124-8具有单独的模拟电源和数字电源。 数字电源IOV DD独立于模拟电源,可以为1.65 V至3.6 V范围内的值(以DGND为基准)。 模拟电源AV DD以AV SS 为基准,范围是2.7 V到3.6 V(低功耗模式和中功率模式)或2.9 V至3.6 V(全功率模式)。 图1所示电路采用单电源供电,因此AVSS与DGND相连,仅使用一个接地层。 AV DD和IOV DD电压利用低压差稳压器ADP1720分别产生。 AV DD电压设置为3.3 V,IOV DD电压设置为1.8 V,采用ADP1720稳压器。 使用单独的稳压器可确保噪声最低。
 
      串行外设接口(SPI) 
与AD7124-4/AD7124-8的SPI通信由 EVAL-SDP-CB1Z板上的Blackfin® ADSP-BF527处理,如图1所示。 为了访问AD7124-4/AD7124-8的寄存器,使用 
       AD7124-4/AD7124-8 EVAL+ 软件 
       . 。 图4显示了该软件的主窗口。 单击 
      THERMOCOUPLE (热电偶)以配置软件用于T型热电偶测量。 
     
 
     与AD7124-4/AD7124-8的SPI通信由 EVAL-SDP-CB1Z板上的Blackfin® ADSP-BF527处理,如图1所示。 为了访问AD7124-4/AD7124-8的寄存器,使用
 
 
      图4. AD7124-4/AD7124-8 EVAL+软件配置窗口
AD7124-4/AD7124-8的片内诊断功能可用来检测SPI通信故障。 这些诊断包括检查SPI读写操作,确保仅访问有效寄存器。 SCLK计数器确保使用正确数量的SCLK脉冲,而CRC功能检查传输期间位值有无变化。 当任一SPI通信诊断功能使能且发生相关的错误时,错误寄存器中的对应标志就会置1。 所有使能的标志进行“或”运算,以控制状态寄存器的ERR标志位。 该功能在将状态位附加到ADC转换结果时特别有用。
 
      模拟输入 
AD7124-4可配置为4个差分或7个伪差分输入通道,而AD7124-8可配置为8个差分或15个伪差分输入通道。
  
     
 
     AD7124-4可配置为4个差分或7个伪差分输入通道,而AD7124-8可配置为8个差分或15个伪差分输入通道。
AD7124-4/AD7124-8的片内诊断功能可用来检查模拟引脚上的电平是否在额定工作范围以内。正(AINP)和负(AINM)模拟输入可以单独检查是否发生过压和欠压,以及ADC是否饱和。 当模拟输入上的电压超过AV DDSS时,欠压标志就会置1。
对于图1所示电路,使用两个模拟输入引脚来连接热电偶(AIN2、AIN3),需要三个模拟引脚来进行冷结补偿(AIN1、AIN6、AIN7)。 AIN2和AIN3配置为全差分输入通道,用于测量热电偶产生的电压。 对于本电路,如图1所示,热电偶是浮空的。 要将热电偶偏置到已知电平,AIN2上使能V BIAS电压发生器,使热电偶偏置到以下值:
 
 
      热电偶测量是绝对测量,因而需要一个基准电压源,使用AD7124-4/AD7124-8内置2.5 V基准电压源。
针对冷结补偿,一个激励电流源用于激励RTD。 此电流从AV DD产生,流向AIN1。 图5详细显示了模拟引脚及其配置。
 
 
      图5. 热电偶测量的模拟输入配置,采用4线RTD进行冷结补偿
对于本电路,冷结电路采用基准输入REFIN1(±)。 流经4线RTD(用于冷结测量)的电流也会流过精密基准电阻,产生基准电压。 此精密基准电阻上产生的电压与RTD上的电压成比例,因此,激励电流的波动会被消除。 由于基准电压缓冲器已使能,务必满足正常工作所需的裕量(AV DD − 0.1 V和AV SS + 0.1 V)。 0.125 V (500 μA × 250 Ω)的裕量由250 Ω接地电阻提供,如图5所示。
数字和模拟滤波
差分滤波器(截止频率约为800 Hz)和共模滤波器(截止频率约为16 kHz)在模拟输入端和基准输入端实现。 为了抑制调制器频率及其倍数处的干扰,必须使用这种滤波。
AD7124-4/AD7124-8在片内数字滤波方面拥有很大的灵活性。有多种滤波器选项可用,所选的滤波器会影响输出数据速率、建立时间和50 Hz/60 Hz抑制性能。 对于此电路笔记,电路实现了sinc4滤波器和后置滤波器。 之所以使用sinc 4滤波器,是因为它在整个输出数据速率范围内具有出色的噪声性能,另外还有出色的50 Hz/60 Hz抑制性能。 后置滤波器用于提供50 Hz和60 Hz同时抑制,建立时间为40 ms。
校准
AD7124-4/AD7124-8提供不同的校准模式,通过校准可消除失调和增益误差。对于本电路笔记,电路使用了内部零电平校准和内部满量程校准。
热电偶配置
图1所示电路使用AD7124-4/AD7124-8进行精密T型热电偶测量。 热电偶测量要求冷结补偿。 如图1所示,一个4线Pt100 RTD用于此目的。 采用图1所示配置,作为冷结补偿测量的一部分,需要一个精密激励电流源来激励RTD。 该RTD连接到模拟输入AIN6、AIN7。 RTD的底端连接到一个精密基准电阻,后置将一个外部基准电压施加于器件。 该精密基准电阻连接在基准输入引脚REFIN1(±)之间。 此配置代表一个比率式配置,激励电流的任何偏差都会同时作用于RTD和基准电阻,因而不会出现在测量结果中。
热电偶本身连接到模拟输入AIN2、AIN3。 其中一个输入利用ADC的内部偏置电压发生器偏置。 热电偶电压在−8 mV到+17.2 mV范围内,代表的温度范围为−200℃至+400℃。 此低电平电压由AD7124-4/AD7124-8的片上PGA放大,然后通过24位Σ-Δ ADC转换为精密数字信号。 为确保利用ADC的全部范围,PGA增益设置为128。 此热电偶测量相对于内部低漂移2.5 V基准电压源执行。
一个4线Pt100 B类RTD用于冷结测量。 Pt100 RTD的激励电流设置为500 μA。 选择适当的外部精密电阻值,使RTD上产生的最大电压等于基准电压除以所选增益。 电路笔记CN-0381 详细讨论了下列必需步骤:
- 选择精密基准电阻
- 为RTD测量选择适当的PGA增益
- 裕量电阻选择
- 激励电流输出顺从电压
针对热电偶测量的AD7124-4/AD7124-8全系统配置如下:
- 热电偶测量(T型) 
        - 差分输入(AINP = AIN2, AINM = AIN3)
- 增益= 128
- 2.5 V内部基准电压源
- 数字滤波(sinc4和后置滤波器 )
 
- 冷结补偿测量(4线RTD) 
        - 差分输入(AINP = AIN6, AINM = AIN7)
- 激励电流: IOUT1 = AIN1= 500 μA
- 增益= 16
- 5.11 kΩ精密基准电阻
- 数字滤波(sinc4和后置滤波器)
 
热电偶温度计算
实现上述程序之后,下一步便是解决热电偶和冷结计算。 线性化和补偿可使用不同的方法,包括:
- 查找表: 需要存储器来存储,但也提供快速、准确的计算。
- 软件线性近似法: 只需存储转换多项式系数,不需要其它存储器。 需要处理时间来求解多阶多项式。 但是,它也能产生非常精确的结果。 这是本电路采用的方法。
软件线性近似法需要两个输入: 热电偶上测得的电压和冷结温度。
模拟输入通道(AIN2、AIN3)用于测量热电偶上的电压。 公式1用于将代码转换为电压,它假设ADC为双极性配置。AD7124-4/AD7124-8软件根据所实现的配置自动将代码转换为电压。
 
 
      其中:
VTC为热电偶(TC)电压。
CODETC 为热电偶(TC)代码。
N为ADC的分辨率(24位)。
VREF为测量所用的基准电压。 对于本电路,内部基准电压用于热电偶测量。
Gain 为针对TC模式选择的增益(128)。
 
 用于冷结的4线RTD需要自行线性化。 当ADC工作在双极性模式时,计算RTD电阻(R)的通用表达式如下所示: 
 
 
 
 其中: 
  RRTD 为RTD的电阻。 
  CODE为ADC码。 
  N为ADC的分辨率(24位)。 
  RREF 为基准电阻。
  G为所选增益(16)。 
 
 将RTD电压转换为温度以及线性化所涉及到的步骤参见电路笔记CN-0381.
 
 计算热电偶温度需要下列步骤: 
 
 
- 将冷结温度转换为电压
- 计算热电电压
- 将热电电压转换为温度表示。
冷结温度必须转换为电压。 冷结温度利用国家标准技术研究院(NIST)提供的多项式进行转换,如公式3所示。
 
 
      其中:
VCJ 为热电电压。
ax为与热电偶类型相关的多项式系数。
T为冷结温度(℃)。
n为多项式阶数。
增加多项式的阶数可提高冷结温度转电压的转换精度。 然而,阶数越高,所需的处理越多。 因此,执行此转换时需要权衡。 本电路的计算采用八阶多项式。
冷结温度电压必须加到热电偶上测得的差分电压上。 最终电压是热电偶温度检测结点产生的热电电压近似值。
然后便可利用该热电电压计算热电偶整体温度。 这一步涉及到公式4给出的幂级数多项式。 本电路采用六阶多项式,T型热电偶的多项式系数从NIST网站获得。
 
 
      其中:
V为热电电压(μV)
ax为与热电偶类型相关的多项式系数。
T为温度(℃)。
n为多项式阶数。
热电偶测量和结果
对于图1所示电路,我们收集了AD7124-4/AD7124-8在不同数字滤波器和功耗模式配置下的数据。
第一种配置是采用sinc4滤波器、全功耗模式和50 SPS的输出数据速率。 在这些条件下,AD7124-4/AD7124-8具有最佳的速度和噪声性能。 图6显示了室温下热电偶按图1所示连接在AIN2、AIN3输入通道之间时的噪声分布。 对应的均方根噪声典型值为70 nV,相当于约16.4位无噪声分辨率。 在相同条件下,输入短路时AD7124-4/AD7124-8的噪声性能典型值为48 nV rms,相当于17位无噪声分辨率。 噪声的增加直接来自输入通道(AIN2、AIN3)上连接的热电偶。
 
 
      图6. 室温、Sinc 4 滤波器、全功率模式、50 SPS时的热电偶码直方图
对于选择sinc 4滤波器和全功率模式的热电偶配置,将热电偶温度从−50℃扫描至+200℃,而冷结保持在−40℃、+25℃和+105℃。 对于每个设定的热电偶温度,按照上述方法利用AD7124-4/AD7124-8测量热电偶上的相应电压。 另外还记录了使用4线RTD测得的冷结温度。 利用热电偶电压和冷结温度的电压表示来计算热电偶的温度。 图7显示了冷结温度为−40℃、+25℃和+105℃时,设定温度值与线性化后热电偶实测温度之间的误差。 在每个冷结温度执行内部零电平和满量程校准。 如图7所示,计算得到的温度与热电偶设定温度之间的误差在T型热电偶和Pt100 RTD的均方根合并误差窗口内。 T型热电偶的最大误差为1℃或0.75%;根据IEC751标准,Pt100误差为±(0.3 + 0.005 × |T|)。
 
 
      图7. 热电偶温度精度测量(Sinc 4 滤波器、全功率模式、50 SPS)
测试的第二种配置采用后置滤波器、低功耗模式和25 SPS输出数据速率,其提供50 Hz和60 Hz同时抑制,并且允许用户用建立时间换取抑制性能。 图8显示了室温下热电偶按图1所示连接在AIN2、AIN3输入通道之间时的噪声分布。 对应的均方根噪声典型值为220 nV rms,相当于约14.7位无噪声分辨率。 选择相同的滤波器、增益和输出数据速率,但输入短路时,AD7124-4/AD7124-8的噪声性能典型值为170 nV rms,相当于15.1位无噪声分辨率。 噪声的增加直接来自输入通道(AIN2、AIN3)上连接的热电偶。
 
 
      图8. 室温、后置滤波器、低功耗模式、25 SPS时的热电偶和冷结温度的码直方图
对于选择后置滤波器和低功耗模式的AD7124-4/AD7124-8配置,将RTD温度从−50℃扫描至+200℃。 对于每个设定的热电偶温度,按照上述方法利用AD7124-4/AD7124-8测量热电偶上的相应电压。 另外还记录了使用4线RTD测得的冷结温度。 利用热电偶电压和冷结温度的电压表示来计算热电偶的温度。
图9显示了冷结温度为−40℃、+25℃和+105℃时,设定温度与线性化后热电偶实测温度之间的误差。 如图9所示,计算得到的温度与热电偶设定温度之间的误差在T型热电偶和Pt100 RTD的均方根合并误差窗口内。 T型热电偶的最大误差为1℃或0.75%;根据IEC751标准,Pt100误差为±(0.3 + 0.005 × |T|)。
 
 
      图9. 热电偶温度精度测量(后置滤波器、低功耗模式、25 SPS)
常见变化
 
     冷结测量替代方法 
     
 
     
EVAL–AD7124-4SDZ/ EVAL-AD7124-8SDZ 评估板上有一个热敏电阻,其是评估板整体设计的一部分。该热敏电阻为KTY81/110型,+25℃时典型电阻值为1 kΩ,−40℃时为500 Ω,+105℃时为1.7 kΩ。 该热敏电阻可用于测量冷结温度。 热敏电阻比4线RTD便宜,但精度不如后者。 采用热敏电阻测量冷结温度时,务必确保冷结测量符合预期。 下列步骤列出了需要考虑的一些决策:
 
     
 
     
考虑所有这些步骤,当利用此热敏电阻测量冷结温度时,整个温度测量系统要求进行如下寄存器配置:
 
     
 
     
 
     
 
      
      
       
 
      
      
      
图10. 热电偶测量的热敏电阻冷结配置 
     
使用图10所示的配置,AD7124-4/AD7124-8的基准电压始终在1 V左右(基于500 μA电流和2 kΩ精密基准电阻)。 热敏电阻用于冷结补偿时,记录系统的性能,冷结保持在25℃,热电偶温度从−50℃扫描到+200℃。 使用全功率模式的sinc 4滤波器和低功耗模式的后置滤波器。 图11显示了记录到的热电偶设定温度与计算温度(利用线性化技术,两类滤波器和两种功耗模式下)之间的最大误差。 记录到的最大误差为±1℃。
 
     
 
      
      
       
 
      
      
      
图11. 热电偶温度精度测量,利用热敏电阻进行冷结补偿(25℃) 
     
 
     
偏置电压
 
     
图1中,内部V BIAS电压通过AINP或AINM引脚提供给热电偶。 当利用图1所示元件值实现抗混叠滤波器时,这种V BIAS电压配置能够很好地工作。 如果滤波器使用非常大的R值和C值(例如用于EMC滤波器),V BIAS必须从单独的专用引脚获得,然后从外部施加于热电偶。 这样可以消除潜在共模噪声(可转换为差模噪声)引起的测量误差。
 
     
 
     
多热电偶测量系统
 
     
AD7124-4和AD7124-8可用于多热电偶测量。 热电偶测量要求
 
     
 
     
利用此信息,AD7124-4允许连接两个热电偶并相对于同一冷结进行测量,如图12所示。 AD7124-8允许六个热电偶相对于同一冷结进行测量,如图13所示。
 
     
 
      
      
       
 
      
      
      
图12. AD7124-4—二热电偶测量系统,包括冷结补偿 
     
 
      
      
       
 
      
      
      
图13. AD7124-8—六热电偶测量系统,包括冷结补偿 
     
 
     
 
     
 
    
 
   EVAL–AD7124-4SDZ/ EVAL-AD7124-8SDZ 评估板上有一个热敏电阻,其是评估板整体设计的一部分。该热敏电阻为KTY81/110型,+25℃时典型电阻值为1 kΩ,−40℃时为500 Ω,+105℃时为1.7 kΩ。 该热敏电阻可用于测量冷结温度。 热敏电阻比4线RTD便宜,但精度不如后者。 采用热敏电阻测量冷结温度时,务必确保冷结测量符合预期。 下列步骤列出了需要考虑的一些决策:
- 选择精密基准电阻值
- 选择适当的增益。
- 选择激励电流。
- 检查激励电流的输出电压顺从范围。
- 检查不同冷结温度下的热敏电阻值。
考虑所有这些步骤,当利用此热敏电阻测量冷结温度时,整个温度测量系统要求进行如下寄存器配置:
- 热电偶测量设置如上所示(T型) 
       - 差分输入 (AINP = AIN2, AINM = AIN3)
- 增益 = 128
- 2.5 V内部基准电压源
- 数字滤波(sinc4和后置滤波器)
 
- 冷结补偿测量(热敏电阻 ) 
       - 差分输入(AINP = AIN4, AINM = AIN5)
- 激励电流: IOUT0 = AIN1 = 500 μA
- 增益 = 1
- 2 kΩ精密基准电阻(热敏电阻值在500 Ω(−40℃时)到1.7 kΩ(+105℃)之间变化;还需要利用此电阻评估裕量)
 
 
 
     图10. 热电偶测量的热敏电阻冷结配置
使用图10所示的配置,AD7124-4/AD7124-8的基准电压始终在1 V左右(基于500 μA电流和2 kΩ精密基准电阻)。 热敏电阻用于冷结补偿时,记录系统的性能,冷结保持在25℃,热电偶温度从−50℃扫描到+200℃。 使用全功率模式的sinc 4滤波器和低功耗模式的后置滤波器。 图11显示了记录到的热电偶设定温度与计算温度(利用线性化技术,两类滤波器和两种功耗模式下)之间的最大误差。 记录到的最大误差为±1℃。
 
 
     图11. 热电偶温度精度测量,利用热敏电阻进行冷结补偿(25℃)
偏置电压
图1中,内部V BIAS电压通过AINP或AINM引脚提供给热电偶。 当利用图1所示元件值实现抗混叠滤波器时,这种V BIAS电压配置能够很好地工作。 如果滤波器使用非常大的R值和C值(例如用于EMC滤波器),V BIAS必须从单独的专用引脚获得,然后从外部施加于热电偶。 这样可以消除潜在共模噪声(可转换为差模噪声)引起的测量误差。
多热电偶测量系统
AD7124-4和AD7124-8可用于多热电偶测量。 热电偶测量要求
- 两个模拟引脚配置为差分形式以测量热电偶上的电压
- 两个模拟引脚配置为差分形式以测量冷结端子上的电压
- 一个模拟引脚将激励电流导向冷结补偿电路
利用此信息,AD7124-4允许连接两个热电偶并相对于同一冷结进行测量,如图12所示。 AD7124-8允许六个热电偶相对于同一冷结进行测量,如图13所示。
 
 
     图12. AD7124-4—二热电偶测量系统,包括冷结补偿
 
 
     图13. AD7124-8—六热电偶测量系统,包括冷结补偿
电路评估与测试
 
     设备要求  
     
 
     
热电偶测量系统需要如下设备:
 
     
 
     
 
     
软件安装
 
     
EVAL–AD7124-4SDZ/EVAL-AD7124-8SDZ和SDP板的完整软件用户指南分别参见 EVAL–AD7124-4SDZ (UG-855)/ EVAL-AD7124-8SDZ (UG-856) 用户指南和 SDP 用户指南。
 
     
S需要软件来与硬件接口,此软件可从 ftp://ftp.analog.com/pub/evalcd/AD7124下载。 如果安装文件未自动运行,请双击setup.exe文件。 请先安装评估软件,再将评估板和SDP板连接到PC的USB端口,确保PC能够正确识别评估系统。
 
     
完成评估软件安装后,将SDP板(通过连接器A)连接到评估板,然后利用附送的电缆将评估板连接到PC的USB端口。 检测到评估系统后,确认出现的所有对话框,完成安装。
 
     
 
     
设置与测试
 
     
图14所示为测试设置的功能框图。 为了快速设置热电偶测量,使用板上热敏电阻来实现冷结测量。
 
     
 
      
      
       
 
      
      
      
图14. 测试设置功能框图 
     
测试该电路需要EVAL–AD7124-4SDZ/EVAL-AD7124-8SDZ评估板。 此外还需要下列传感器和电阻以确保电路正常工作:
 
     
 
     
 
     
配置硬件
 
     
 
      
      
       
 
      
      
      
图15. 用于热电偶测量的评估板连接器 
     
 
     
配置软件 
       
 
      
      
      
图16. AD7124-4/AD7124-8 EVAL+软件主窗口 
     
为了配置AD7124-4/AD7124-8进行热电偶测量,单击主窗口中的 THERMOCOUPLE(热电偶)演示模式按钮(参见图16)。 单击此按钮配置ADC软件以获得最佳性能。 一些寄存器设置如下:
 
     
 
     
将AD7124-4/AD7124-8配置为热电偶测量之前,还需要一项额外的设置: 热电偶通道需要执行AD7124-4/AD7124-8的内部满量程和零电平校准。 此校准可通过 Register Map(寄存器映射)选项卡执行,如图17所示。
 
     
 
      
      
 
      
     
 
      
      
       
 
      
      
      
图17. 寄存器映射内部满量程和零电平校准 
     
热敏电阻通道不需要校准,因为增益为1时的增益误差经过工厂校准。
 
     
现在,评估板和器件已完成热电偶测量配置,包括使用评估板上的热敏电阻进行冷结测量。 单击 SAMPLE (采样)以启动AD7124-4/AD7124-8采样。 Waveform (波形)和Histogram(直方图)选项卡显示从AD7124-4/AD7124-8采集到的数据。
 
     
要实现更精确的冷结测量,可连接一个4线RTD,如上文所述。 使用4线RTD时,来自AIN1的电流必须与热敏电阻断开,而连接到4线RTD,如图1所示。
 
     
 
     
 
     
 
    
 
   热电偶测量系统需要如下设备:
- EVAL–AD7124-4SDZ/EVAL-AD7124-8SDZ 评估板
- EVAL-SDP-CB1Z系统演示平台(SDP)
- AD7124-4/AD7124-8 EVAL+ 软件
- 电源: 7 V或9V壁式电源适配器
- T型热电偶
- 运行Windows® XP (SP2)、Windows Vista或Windows 7(32位或64位)的PC
软件安装
EVAL–AD7124-4SDZ/EVAL-AD7124-8SDZ和SDP板的完整软件用户指南分别参见 EVAL–AD7124-4SDZ (UG-855)/ EVAL-AD7124-8SDZ (UG-856) 用户指南和 SDP 用户指南。
S需要软件来与硬件接口,此软件可从 ftp://ftp.analog.com/pub/evalcd/AD7124下载。 如果安装文件未自动运行,请双击setup.exe文件。 请先安装评估软件,再将评估板和SDP板连接到PC的USB端口,确保PC能够正确识别评估系统。
完成评估软件安装后,将SDP板(通过连接器A)连接到评估板,然后利用附送的电缆将评估板连接到PC的USB端口。 检测到评估系统后,确认出现的所有对话框,完成安装。
设置与测试
图14所示为测试设置的功能框图。 为了快速设置热电偶测量,使用板上热敏电阻来实现冷结测量。
 
 
     图14. 测试设置功能框图
测试该电路需要EVAL–AD7124-4SDZ/EVAL-AD7124-8SDZ评估板。 此外还需要下列传感器和电阻以确保电路正常工作:
- T型热电偶
- 2 kΩ精密电阻
- 缓冲器裕量所需的250 Ω电阻
配置硬件
  按照下述步骤配置硬件: 
 
 
- 将EVAL–AD7124-4SDZ/EVAL-AD7124-8SDZ评估板上的所有链接设为默认位置,如评估板用户指南所述。
- 利用连接到J5的7 V或9 V电源为评估板上电。
- 连接热电偶、精密基准电阻和裕量电阻,如图15所示。
 
 
     图15. 用于热电偶测量的评估板连接器
配置软件
  运行AD7124-4/AD7124-8 EVAL+软件。 图16显示了该软件的主窗口截图。 
 
 
 
 
     图16. AD7124-4/AD7124-8 EVAL+软件主窗口
为了配置AD7124-4/AD7124-8进行热电偶测量,单击主窗口中的 THERMOCOUPLE(热电偶)演示模式按钮(参见图16)。 单击此按钮配置ADC软件以获得最佳性能。 一些寄存器设置如下:
- Channel_0(热电偶)
- AINP_0 = AIN2
- AINM_0 = AIN3
- Setup = Setup0
- Enabled = TRUE
- Channel_1(热敏电阻冷结测量)
- AINP_1 = AIN4
- AINM_0 = AIN5
- Setup = Setup1
- Enabled = TRUE
- CONFIG_0(热电偶)
- PGA_0 = 128
- AIN_BUFP, AIN_BUFM both = ENABLED
- BIPOLAR = ENABLED
- REF_SEL = Internal Reference
- CONFIG_1(热敏电阻冷结测量)
- PGA_0 = 1
- AIN_BUFP, AIN_BUFM both = ENABLED
- BIPOLAR = ENABLED
- REF_SEL = External Reference
- FILTER_0(热电偶)
- Filter = Sinc4
- FS_0 = 384
- FILTER_1(热敏电阻冷结)
- Filter = Sinc4
- FS_0 = 384
- ADC_Control
- MODE = Continuous Conversion
- POWER_MODE = FULL POWER
- REF_EN = Enabled
- IO_CONTROL_1 (excitation for RTD) 
       - IOUT1 Channel Enable = AIN1
- IOUT1 Select = 500 μA
 
- IO_CONTROL_2(偏置热电偶 ) 
       - VBIAS2 = True
 
将AD7124-4/AD7124-8配置为热电偶测量之前,还需要一项额外的设置: 热电偶通道需要执行AD7124-4/AD7124-8的内部满量程和零电平校准。 此校准可通过 Register Map(寄存器映射)选项卡执行,如图17所示。
- 从寄存器树中选择ADC_Control寄存器。
- 仅使能通道0。
- 选择Low Power(低功耗)模式。
- 执行内部满量程校准。 
       - 单击ADC控制寄存器的Mode (模式)位域。
- 选择内部满量程校准。
- 选择寄存器树中的Gain0 寄存器,检查校准是否已执行,并且系数是否改变。
 
- 执行内部零电平校准。 
       - 单击ADC控制寄存器的Mode (模式)位域。
- 选择内部零电平校准。
- 选择寄存器树中的Offset0 寄存器,检查校准是否已执行,并且系数是否改变。
 
 
 
     图17. 寄存器映射内部满量程和零电平校准
热敏电阻通道不需要校准,因为增益为1时的增益误差经过工厂校准。
现在,评估板和器件已完成热电偶测量配置,包括使用评估板上的热敏电阻进行冷结测量。 单击 SAMPLE (采样)以启动AD7124-4/AD7124-8采样。 Waveform (波形)和Histogram(直方图)选项卡显示从AD7124-4/AD7124-8采集到的数据。
要实现更精确的冷结测量,可连接一个4线RTD,如上文所述。 使用4线RTD时,来自AIN1的电流必须与热敏电阻断开,而连接到4线RTD,如图1所示。
讨论
       电脑端提供购买功能 
     
 
     
       购买评估板  
       所示报价为单片价格  
       
        
       
       
       
        
     
 
     
         所示报价为单片价格。所列的美国报价单仅供预算参考,指美元报价(每片美国离岸价),如有修改恕不另行通知。由于地区关税、商业税、汇率及手续费原因,国际报价可能不同。 
       
 
      - 加入我的myAnalog 登录 myAnalog




