LTC4054-4.2 600mA 单电池锂离子电池充电器
详情介绍
概览
产品详情
 
 
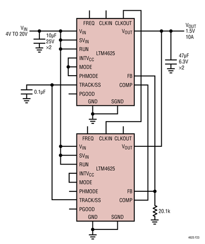
          The LTM4625 is a complete 5A step-down switching mode μModule (micromodule) regulator in a tiny 6.25mm × 6.25mm × 5.01mm BGA package. Included in the package are the switching controller, power FETs, inductor and support components. Operating over an input voltage range of 4V to 20V or 2.375V to 20V with an external bias supply, the LTM4625 supports an output voltage range of 0.6V to 5.5V, set by a single external resistor. Its high efficiency design delivers up to 5A continuous output current. Only bulk input and output capacitors are needed.


