LTC4040 具 12V 降压的 5V 备份系统以针对汽车应用 (充电电流设置:1A,输入电流限制设置:2A)
详情介绍
概览
设计资源
评估硬件
产品型号带"Z"表示符合RoHS标准。评估此电路需要下列选中的电路板
- EVAL-CFTL-6V-PWRZ ($17.00) Universal Power Supply
- EVAL-CN0287-SDPZ ($99.00) Isolated 4-Channel, Temperature Measurement Circuit Optimized
- EVAL-SDP-CB1Z ($99.00) Eval Control Board
驱动/参考代码
Software such as C code and/or FPGA code, used to communicate with component's digital interface.
AD7193 - No-OS Driver for Renesas Microcontroller Platforms
AD7193 - No-OS Driver for Microchip Microcontroller Platforms
优势和特点
- 4 通道热电偶/RTD 测量
- 完全隔离
- 输入保护
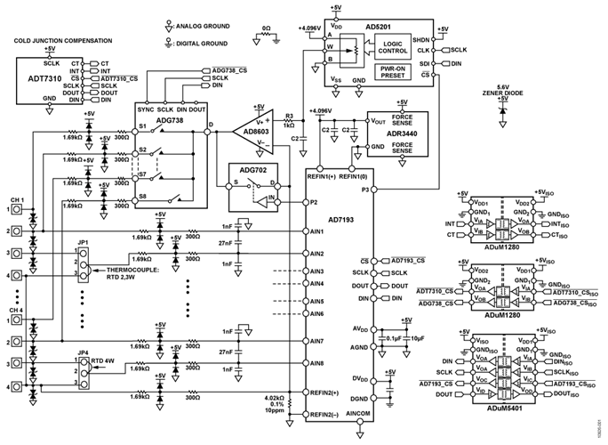
电路功能与优势
图1所示电路是一款完整的隔离式4通道温度测量电路,针 对性能、输入灵活性、稳定性以及低成本而优化。它支持 所有类型的热电偶(带冷结补偿),以及电阻高达4 kΩ 的任意 类型RTD(电阻温度检测器,双线式、三线式或四线式连接 配置)。
RTD激励电流可针对最佳噪声和线性度性能编程。
RTD测量精度达到0.1°C(典型值),K类热电偶测量精度达 0.05°C(典型值),这是因为将16位数字温度传感器ADT7310用于冷结补偿。该电路采用4通道、24位、∑-△型ADCAD7193,该器件片内集成PGA,具有高精度和低噪声特性。
由低漏电瞬变电压抑制器(TVS)和肖特基二极管提供输入 瞬变和过压保护。SPI兼容型数字输入和输出均隔离(2500 V rms),且电路采用全隔离式电源供电。
 
 
 
 
     电路描述
热电偶和RTD(电阻温度检测器)是最常用的传感器,用于工业应用中的温度测量。热电偶可测量极高的温度,最高可达+2300°C左右,并且响应时间快(瞬间完成测量)。RTD比热电偶具有更高的精度和稳定性,且连接远端RTD的长导线(数百米)电阻可采用三线式或四线式连接加以补偿。
热电偶由一端相连的两根不同金属线组成。将相连的一端放置在需要进行温度测量的地方,称为测量结点。另一端连接精密电压测量单元,该连接称为参考结点,或者称为冷结。测量结点和冷结之间的温差产生电压(称为塞贝克效应电压),数值与两个结点之间的温度差有关,该温差产生的信号通常为数微伏至数十毫伏不等,具体取决于温度差值。
例如,K类热电偶可测量−200°C至+1350°C,输出范围约−10 mV至+60 mV。对于信号链而言,重要的是尽可能保持较高的阻抗和较低的漏电流,以便测得的电压具有最高的精度。若要将该电压转换为绝对温度,则必须精确知道冷结温度。一般而言,1°C至2°C便已足够,虽然由于冷结温度测量误差会直接增加绝对温度误差,但较高的冷结温度测量精度是有好处的。
RTD由纯净材料(如铂、镍或铜)制成,随温度变化而改变的电阻值可预测。最常见的RTD材料是铂(Pt100和Pt1000)。
精确测定电阻的一种方法是测量恒定电流源产生的RTD电压。将测量值折合为参考电阻两端的电压(由同一个电流驱动),即可消除电流源中的误差(如比例测量)。最大程度降低电流路径上的漏电流对于获得高精度而言很重要,因为为了防止自发热,激励电流通常仅数百微安。
对于工业现场应用而言,高性能以及针对高压瞬变事件和直流过压条件提供保护都是重要的设计考虑因素。
 
 本电路工作原理
 
 
图1所示电路设计用于工业现场环境中的精密温度测量应用,针对灵活性、性能、稳定性和成本进行了优化。本电路采用低噪声、24位∑-△型ADC AD7193,确保整个电路具有高分辨率和线性度。
33位数字电位计AD5201、运算放大器AD8603和单通道开 关ADG702构成简单可编程电流源和偏置电压缓冲器,用于RTD和热电偶测量。ADG738可将电流源路由至活动RTD通道,允许针对三线式RTD配置进行导线电阻补偿。
数字SPI温度传感器ADT7310在−40°C至+105°C温度范围内具有±0.8°C最大精度(采用+5 V电源),用于热电偶测量中的冷结补偿。ADR3440是一款低噪声、高精度、4.096 V基准电压源,连接AD7193的REFIN1(+)/REFIN1(−),用于热电偶测量。
 
模数转换器
  AD7193是一款适合高精密测量应用的低噪声完整模拟前端。它集成一个低噪声、24位∑-△型模数转换器(ADC)。该ADC具有高分辨率、低非线性度和低噪声性能,以及极高的50 Hz/60 Hz抑制能力。数据输出速率可在4.7 Hz(24位有效分辨率,Gain = 1)到4.8 kHz(18.6位有效分辨率,Gain = 1)范围内变化。片上低噪声PGA可将来自热电偶或RTD的差分小信号以增益1至128放大,从而允许实现直接接口。增益级缓冲器具有高输入阻抗,并将输入漏电流限制为± 3 nA(最大值)。AD7193的增益必须根据温度范围和传感器类型进行适当配置。片内多路复用器允许四个差分输入通道共享同一个ADC内核,节省空间与成本。
 
用于RTD的可编程电流源以及用于热电偶的偏置电压生成电路
  RTD测量要求使用低噪声电流源,以便驱动RTD和参考电阻。而另一方面,热电偶需要使用共模偏置电压,可将较小的热电偶电压转换至AD7193的输入范围内。图2所示电路同时满足这两个要求,并采用了低噪声CMOS轨到轨输入/输出运算放大器AD8603,该器件的最大输入偏置电流仅1 pA且最大失调电压为50μV;同时,还配合使用了单通道CMOS低压2Ω单刀单掷(SPST)开关ADG702,以及8通道 矩阵开关ADG738。
 
 
      图2. 外部可编程电流源和偏置电压发生器
开启ADG738并关断ADG702,则AD8603可用作热电偶应用中的低噪声、低输出阻抗单位增益缓冲器。将来自AD5201数字电位计的电压进行缓冲,然后用于热电偶共模电压,通常为电源电压的一半,即2.5 V。33位数字电位计AD5201采用低漂移(5 ppm/°C) 4.096 V基准电压源ADR3440驱动,以获得所需精度。
开启ADG738并关断ADG702,则AD8603产生RTD激励电流,即IEXC = VW/RREF。
温度测量是一种高精度、低速度的应用,因此有足够的建立时间可在全部4个通道间切换单个电流源,提供出色的通道间匹配性能、低成本以及较小的PCB尺寸面积。
ADG738是一款8:1多路复用器,可在通道间切换电流源。为了支持双线式、三线式和四线式RTD配置,这四个通道中的每一个都需要两个开关。
在很多应用中,RTD都有可能放置在远离测量电路的地方。长引线电阻可能会产生较大的误差,尤其用于低电阻RTD时。为了最大程度减少引线电阻效应,支持三线式RTD配置,如图3所示。
 
 
 
 
      图3. 三线式RTD传感器的连接器和跳线配置
关断ADG738的S1,同时打开S2,则AD7193输入端的电压为 V 1。打开S1,同时关断S2,则AD7193输入端电压为 V 2。RTD传感器两端的电压为V RTD,而电流源的激励电流为I EXC。V 1 和 V 2包括引线电阻产生的误差,如下所示:

假定 RW1 = RW2 = RW3,然后结合等式1、等式2和等式3,可得:

等式5表示三线式配置需要分别进行两次测量 (V1 和V2) 才能计算RRTD,因此输出数据速率有所下降。在很多应用中,这并不是个问题。
四线式RTD连接要求具有两个额外的检测线路,但对导线电阻不敏感,且仅需进行一次测量。
图4总结了双线式、三线式和四线式RTD和热电偶应用的连接器配置和跳线位置。
 
 
 
 
      图4. EVAL-CN0287-SDPZ板的连接器配置和跳线位置
保护电路
在制造过程中和现场使用时,都有可能产生瞬变和过压条件。为了获得较高的保护水平,有必要使用外部保护电路,补充IC的内部集成保护电路。外部保护功能会增加额外的电容、电阻和漏电流。这些效应应当仔细考虑,以获得高精度水平。额外保护电路如图5所示。
 
 
      图5. 瞬变和过压保护电路
漏电流会对RTD测量造成巨大影响,应仔细考虑。当较长的热电偶引线具有极高电阻时,漏电流也会对热电偶测量产生一些误差。
本电路中,PTVS30VP1UP瞬变电压抑制器(TVS)可快速箝位任何瞬变电压至30 V(25°C时典型漏电流仅1 nA)。选择30 V TVS,以便支持30 V直流过压。使用1.69 kΩ电阻,后接低泄露BAV199LT1G肖特基二极管,用于在瞬变和直流过压事件发生时将电压箝位至5 V供电轨。在30 V直流过压条件下,1.69 kΩ电阻将流过外部二极管的电流限制为15 mA。为了确保供电轨能够吸取该电流,可使用齐纳二极管将供电轨进行箝位处理,以保证它不超过连接电源的任意IC的绝对最大额定值。选择5.6 V齐纳二极管(NZH5V6B)实现这一目的。300Ω电阻可进一步限制有可能进入AD7193或ADG738的电流。
 
隔离
  ADuM5401和ADuM1280使用ADI iCoupler®技术,在测量端和电路控制器端之间提供2500 V rms隔离电压。ADuM5401还提供隔离电源,用于电路的测量端。ADuM5401采用了isoPower 技术,该项技术使用高频开关元件,通过变压器传输电力。设计印刷电路板(PCB)布局时应特别小心,必须符合相关辐射标准。有关电路板布局建议,请参考应用笔记AN-0971。
 
热电偶配置测试结果
  电路的性能高度依赖于传感器和AD7193的配置。K类热电偶输出变化范围为−10 mV至+60 mV,对应温度范围为−200°C至+1350°C。AD7193 PGA配置为G = 32。PGA电压摆幅范围为−320 mV至+1.92 V,即2.24 V p-p。斩波使能时,50 Hz/60Hz噪声抑制使能,滤波器字FS[9:0] = 96,1024个样本的噪声分布直方图如图6所示。
 
 
 
 
      图6. CN-0287噪声分布直方图(VDD = 5 V,VREF = 4.096 V,差分输入,双极性,输入缓冲器使能,输出数据速率 = 50 Hz,增益 = 32,斩波使能,60 Hz抑制使能,Sinc4)
AD7193分辨率为24位,即224 = 16,777,216个代码。AD7193的全动态范围为2 ×VREF = 2 × 4.096 V = 8.192 V。位于PGA之后的热电偶输出电压仅为2.24 V p-p,并且不会完全占据AD7193的所有动态范围。因此,系统范围以2.24 V/8.192V系数降低。
噪声分布约为40个代码峰峰值。2.24 Vp-p测量范围内的无噪声代码分辨率为:

K类热电偶的满量程温度范围为−200°C至+1350°C,即1550°C p-p。因此16.8位无噪声代码分辨率相当于0.013°C无噪声温度分辨率。热电偶配置测试结果电路的性能高度依赖于传感器和AD7193的配置。K类热电偶输出变化范围为−10 mV至+60 mV,对应温度范围为−200°C至+1350°C。AD7193 PGA配置为G = 32。PGA电压摆幅范围为−320 mV至+1.92 V,即2.24 V p-p。斩波使能时,50 Hz/60Hz噪声抑制使能,滤波器字FS[9:0] = 96,1024个样本的噪声分布直方图如图6所示。
 
热电偶测量线性度
  热电偶测量线性度图7显示K类热电偶系统的近似线性度。该曲线中,“冷结”温度为0°C。
 
 
 
 
      图7. K类热电偶温度与0°C冷结输出电压的关系
 
 
      图8. CN-0287配置为K类热电偶的误差(VDD = 5 V,VREF = 4.096 V,差分输入,双极性,输入缓冲器使能,输出数据速率 = 50 Hz,增益 = 32,斩波使能,60 Hz抑制使能,Sinc4)
对于Pt100 RTD,默认ADC的增益设置为G = 8,而对于Pt1000RTD,默认增益设置为G = 1。ADC的基准电压等于4.02 kΩ 参考电阻两端的电压。Pt100 RTD的温度系数大约为0.385Ω/°C,且+850°C时电阻可高达400Ω。若默认激励电流为400μA,则最大RTD电压大约为160 mV。ADC基准电压为4.02 kΩ×400μA = 1.608 V。对于G = 8,最大RTD电压为160 mV × 8 = 1.28 V,该值大致为可用范围的80%。
对于Pt1000 RTD,+850°C时的最大电阻约为4000Ω。默认激励电流为380μA,从而最大RTD电压为1.52 V。ADC的基准电压为4.02 kΩ× 380μA = 1.53 V。采用默认增益设置G = 1,则RTD最大电压便可利用几乎所有的可用范围。
RTD电阻R以ADC代码(Code)、分辨率(N)、参考电阻(RREF) 和增益(G)表示的通用表达式如下所示:

 
 来自TVS、二极管、箝位二极管和ADC的漏电流是RTD测量电路误差的最大来源,虽然本设计中采用了纳安器件。
每个输入的总泄露电流为9 nA(3 nA来自AD7193,缓冲器开启;5 nA来自箝位二极管;1 nA来自TVS二极管)。因此,全部4个通道将产生36 nA最大漏电流。图2中的反馈环路通过参考电阻,保持恒定电流。这意味着漏电流影响RTD激励电流,从而产生误差。默认激励电流为400μA (Pt100)和380μA(Pt1000)。对于Pt100 RTD,漏电流引起的最差情况系统近似误差为:
 
 

对于可测量范围为−200°C至+850°C的Pt100,这相当于系统精度大约为:

误差量取决于输入端的配置。完成输入配置后,可进行室温校准,进一步减少误差。
以实验方式显示漏电流效应。每通道均首先配置为四线式RTD。100Ω固定电阻连接RTD位置上的通道1。0Ω电阻连接另外3个通道的输入。
增益设为G = 1,激励电流为380μA(Pt1000配置)。
收集数据,然后依次移除连接通道4、通道3和通道2的跳线,收集每种条件下的数据。结果如图9所示。
 
 
 
 
      图9. 4通道Pt100 RTD通道1漏电流产生的误差(G = 1)
ADC代码从大约437,800变化到437,600,相应的测量值从104.9015Ω变化到104.8627或0.0388Ω。这表示测量误差大约为0.1°C;然而,通过在室温下采用固定输入配置进行校准,即可消除误差。
电路评估与测试
本电路使用EVAL-CN0287-SDPZ 电路板和SDP-B (EVAL-SDP-CB1Z)系统演示平台控制器板。这两片板具有120引脚的对 接连接器,可以快速完成设置并评估电路性能。EVALCN0287- SDPZ板包含要评估的电路,如本笔记所述。 SDP-B控制器板与CN0287评估软件一起使用,可从EVALCN0287- SDPZ电路板获取数据。
设备要求
需要以下设备:
- 带USB端口的Windows® XP(32位)、Windows Vista®或 Windows® 7 PC
- EVAL-CN0287-SDPZ电路板
- EVAL-SDP-CB1Z SDP-B控制器板
- CN-0287 SDP评估软件
- EVAL-CFTL-6V-PWRZ直流电源或同等6 V/1 A台式电源
- RTD或热电偶传感器或传感器仿真器(评估软件支持 下列RTD:Pt100、Pt1000;热电偶:K类、J类、T类、 S类)
将CN0287评估软件光盘放进PC的光盘驱动器,安装评估 软件。打开我的电脑,找到包含评估软件的驱动器。
功能框图
电路框图见图1,完整的电路原理图见EVAL-CN0287-SDPZ-PADSSchematic.pdf文件。 此文件位于CN0287设计支持包中: www.analog.com/CN0287-DesignSupport。图10显示测试设置的功能框图。
 
 
      图10. 测试设置功能框图
设置
将EVAL-CN0287-SDPZ电路板上的120引脚连接器连接到 EVAL-SDP-CB1Z控制器板(SDP-B)上的CON A连接器。使用 尼龙五金配件,通过120引脚连接器两端的孔牢牢固定这 两片板。在断电情况下,将一个6 V电源连接到电路板上的 +6 V和GND引脚。如果有6 V壁式电源适配器,可将其连接 到板上的管式连接器J2,代替6 V电源。SDP-B板附带的USB 电缆连接到PC上的USB端口。此时请勿将该USB电缆连接 到SDP-B板上的微型USB连接器。
接通6 V电源,为评估板和SDP板上电,然后将Mini-USB电 缆连接到SDP板上的Mini-USB端口。
 
测试
  启动评估软件。一旦USB通信建立,就可以使用SDP-B板 来发送、接收、捕捉来自EVAL-CN0287-SDPZ板的数据。
图11显示EVAL-CN0287-SDPZ评估板连接SDP板的照片。 有关SDP-B板的信息,请参阅SDP-B用户指南。
有关测试设置、校准以及如何使用评估软件来捕捉数据的 详细信息,请参阅CN-0287软件用户指南:
 
针对原型开发的连接
  EVAL-CN0287-SDPZ评估板设计用于EVAL-SDP-CB1Z SDP-B板,但任何微处理器都可通过PMOD连接器J6实现 与SPI接口的对接。有关PMOD连接器的引脚定义可参见 CN0287设计支持包中CN0287评估板的原理图。为使另一 个控制器能与EVAL-CN0287-SDPZ评估板一同使用,第三 方必须开发相应的软件。
 
 
 
 
      图11. 连接到EVAL-SDP-CB1Z SDP-B板的EVAL-CN0287-SDPZ评估板
讨论
样片申请及购买
样片
| 产品 | 描述 |  可提供样片的  | 
| AD8603 | 微功耗RRIO、低噪声、精密单通道CMOS运算放大器 | AD8603AUJZ-REEL7 | 
| ADUM5401 | 集成DC/DC转换器的四通道隔离器(3/1通道方向性) | ADUM5401ARWZ ADUM5401CRWZ ADUM5401WCRWZ ADUM5401WCRWZ-1 | 
| ADT7310 | ±0.5°C精度、16位数字SPI温度传感器 | ADT7310TRZ | 
| AD7193 | 内置PGA的4通道、4.8 kHz、超低噪声、24位Σ-Δ ADC | AD7193BCPZ AD7193BRUZ | 
| ADR3440 | 微功耗、高精度基准电压源 | |
| ADUM1280 | 3kV rms、默认输出高电平、双通道数字隔离器(2/0通道方向性) | ADUM1280ARZ ADUM1280BRZ ADUM1280CRZ ADUM1280WARZ ADUM1280WBRZ ADUM1280WCRZ | 
| ADG738 | CMOS、低压、单电源8:1多路复用器,串行控制矩阵开关 | ADG738BRUZ | 
| AD5201 | 33位数字电位计 | AD5201BRMZ10 | 
| ADG702 | CMOS、低压、2 Ω、单刀单掷开关 | ADG702BRJZ-REEL7 ADG702BRMZ ADG702BRTZ-REEL7 | 
- 加入我的myAnalog 登录 myAnalog




