LTC3892 大电流两相单路输出降压型 12V@30A 转换器
详情介绍
概览
设计资源
设计集成文件
• Schematic• Bill of Materials
• Gerber Files
• Layout Files
• Assembly Drawing
• 下载设计文件 1.33 M
评估硬件
产品型号带"Z"表示符合RoHS标准。评估此电路需要下列选中的电路板
- DEMO-AD7124-DZ ($90.00) Isolated 4 mA to 20 mA/HART Temperature and Pressure Industrial Transmitter
驱动/参考代码
Software such as C code and/or FPGA code, used to communicate with component's digital interface.
优势和特点
- Isolated 4-20mA Field Instrument
- HART Transmitter
- Loop Powered
- Temperature and Pressure Inputs
电路功能与优势
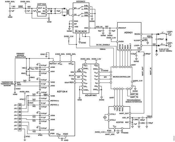
该电路采用超低功耗、精密、24位-型模数转换器(ADC) AD7124-4,其包括温度和压力系统所需的全部特性。该电 路还包括16位4 mA至20 mA环路供电数模转换器(DAC) AD5421, 业界功耗最低且尺寸最小的HART兼容型IC调制解调器 AD5700,提供超低功耗串行外设接口(SPI)隔离的 ADuM1441,CMOS开关 ADG5433以及位于隔离功率电路中的低功耗3.3 V稳压器 ADP162。
 
 
     (原理示意图: 未显示所有连接和去耦)
电路描述
AD7124-4是一款适合高精度测量应用的低功耗、低噪声、完整模拟前端。该器件内置一个低噪声24位-型模数转换器(ADC),可配置来提供4个差分输入或7个单端或伪差分输入。片内低噪声增益级确保ADC中可直接输入小信号。
AD7124-4的主要优势之一是用户可灵活使用三种集成功率模式。功耗、输出数据速率范围和均方根噪声可通过所选功率模式进行定制。该器件还提供多个滤波器选项,确保为用户带来最大的灵活性。
当输出数据速率为25 SPS(单周期建立)时,AD7124-4可实现50 Hz和60 Hz同时抑制。
AD7124-4提供最高的信号链集成度。该器件内置一个精密低噪声、低漂移内部带隙基准电压源,也可采用内部缓冲的外部差分基准电压。其它主要集成特性包括可编程低漂移激励电流源、开路测试(burnout)电流和偏置电压产生器,利用偏置电压产生器可将某一通道的共模电压设置为AVDD/2。低端功率开关允许用户在两次转换之间关断桥式传感器,从而保证系统具有绝对最小功耗。该器件还允许用户采用内部时钟或外部时钟工作。
内置通道序列器可以同时使能多个通道,AD7124-4按顺序在各使能通道上执行转换,简化了与器件的通信。多达16个通道可随时使能,这些通道具有模拟输入或诊断功能(比如电源检查或基准电压源检查)。这一独特的特性允许诊断和转换交替进行。该器件支持8种配置或设置。AD7124-4还支持各通道独立配置。每种配置包括增益、滤波器类型、输出数据速率、缓冲和基准电压源。用户可在各通道上分配任何设置。
AD7124-4还集成了丰富的诊断功能,作为全面特性组合的一部分。这些诊断功能包括循环冗余校验(CRC)、信号链检查和串行接口检查,从而提供更强大的解决方案。这些诊断功能可减少执行诊断功能所需的外部元件,从而减少对电路板空间的需求,缩短设计时间并节省成本。根据IEC 61508,典型应用的失效模式影响和诊断分析(FMEDA)表明安全失效比例(SFF)大于90%。
传感器输入
该电路通过8引脚连接器支持3线/4线RTD、热电偶和压力传感器。AD7124-4具有与这些传感器接口所需的全部构建模块。对于连接的所有类型传感器,ADC以中功耗模式工作。使用后置滤波器的原因是当以25 SPS速率转换时,它能实现50 Hz和60 Hz同时抑制。将一个传感器连接到该电路时,ADC按照所连传感器类型进行适当的配置。还可以执行内部满量程和失调校准,以使失调误差和满量程误差最小;校准由UART或HART命令启动。
AD7124-4具有多种片内诊断功能,可确保设计稳定可靠。在该电路中,开路故障检测确保传感器已连接;通过监视状态寄存器中的上电复位(POR)状态,可在发生上电复位时告知用户。每次转换都要读取错误寄存器,其内容随同传感器结果通过HART发送。
RTD
阻性温度检测器(RTD)的测量范围是−200°C至+600°C。典型RTD为由铂制成的Pt100和Pt1000。本电路使用Pt100。
4-线 RTD
图2显示了一个4线Pt100 RTD如何连接到本电路。
 
 
     AD7124-4的一个片内激励电流激励Pt100。Pt100的最大电阻值为313.71 (600°C时)。若激励电流设置为250 μA,则Pt100上产生的最大电压为:
 
 
     可编程增益阵列(PGA)设置为16倍增益,故调制器输入端看到的最大电压为:
 
 
     5.6 k精密电阻(0.05%、10 ppm/°C)产生基准电压。所选基准电阻RREF的值应使得其上产生的电压最小值为1.25 V,也就是说,模拟输入引起的调制器输入端电压小于或等于基准电压。为Pt100供电的250 μA电流同样流过5.6 k电阻,得到一个比率式配置。因此,激励电流的任何变化对电路性能无影响。精密电阻上产生的电压为:
 
 
     模拟输入端和基准输入端上有抗混叠滤波器。这些滤波器防止任何频率为调制器采样频率倍数的干扰混叠到目标频带中。为确保这些滤波器和外部电阻不引起增益误差,须使能基准电压缓冲器。模拟输入缓冲器会自动使能,因为使用PGA就会使能这些缓冲器。基准电压缓冲器需要一些裕量(电源轨的100 mV以内)。因此,低端上有一个470 电阻以提供此裕量。
250 μA激励电流需要370 mV的裕量。此引脚看到的电压为(470 + 5600 + 313.71) × 250 μA = 1.6 V,这是可以接受的。
AIN4和AIN5引脚用作AINP和AINM模拟输入。
连接器引脚上的1 k电阻有两个作用:一是构成抗混叠滤波器,二是在发生过压时(例如因为接线错误)保护模拟输入。
电路笔记 CN-0381更详细地说明了4线Pt100传感器与AD7124-4的接口以及转换结果的线性化或后处理。
图1所示电路还支持4线Pt1000 RTD。电路连接与Pt100相同。ADC配置如本部分前面所述,不过PGA增益设置为1。
3-线 RTD
图3显示了一个3线Pt100 RTD如何连接到本电路。
 
 
     AD7124-4有两个匹配的激励电流。二者均要配合3线RTD使用,以便能够执行引线补偿。Pt100的最大电阻值为313.71 (600 °C时),因此激励电流设置为250 μA。基准电阻RREF连接在上方。故而,一个250 μA激励电流(IOUT0)通过引脚AIN6输出,经过5.6 k精密基准电阻(0.05%、10ppm/°C),然后流过Pt100。另一个250 μA电流(IOUT1)通过引脚AIN7输出。此电流因为引脚电阻而产生一个电压,其与AIN6上电流产生的引脚电阻电压相反。因此,引脚电阻引起的误差被降至最小。
5.6 k基准电阻上产生的电压为
 
 
     Pt100上产生的最大电压为
 
 
     PGA设置为16倍增益,故AD7124-4的调制器看到的电压为
 
 
     此电压小于基准电压,故在范围内。
模拟输入端和基准输入端上有抗混叠滤波器。这些滤波器防止任何频率为调制器采样频率倍数的干扰混叠到目标频带中。为确保这些滤波器和外部电阻不引起增益误差,须使能基准电压缓冲器。模拟输入缓冲器会自动使能,因为使用PGA就会使能这些缓冲器。基准电压缓冲器需要一些裕量(电源轨的100 mV以内)。因此,低端上有一个470 电阻以提供此裕量。
250 μA激励电流需要370 mV的裕量。此引脚看到的电压为(470 × 2 × 250 μA) + (5600 + 313.71) × 250 μA = 1.713 V,这是可以接受的。
电路笔记CN-0383更详细地说明了3线Pt100传感器与AD7124-4的接口以及转换结果的线性化或后处理。
图1所示电路还支持3线Pt1000 RTD。电路连接与Pt100相同。ADC配置如本部分前面所述,不过PGA增益设置为1。
热电偶
图4显示了一个热电偶如何连接到本电路。
 
 
     热电偶由两种不同类型的导线连接而成。产生的电压与温度具有相关性。例如,当温度发生1°C变化时,T型热电偶产生典型值为40 μV的电压。
必须将热电偶电压偏置到一个电压。AD7124-4内置一个V BIAS源,其将热电偶偏置到(AV DD − AV SS)/2。该偏置电压在AIN6通道上使能并作用于热电偶,如图4所示。也可以在模拟输入的AINM引脚上使能偏置电压。但在这种情况下,必须限制外部R和C的值,因为AINM上看到的偏置电压与AINP上看到的滤波版本有很大差别,足以影响转换结果。热电偶测量是绝对测量,内部2.5 V基准电压源用于转换。使用T型热电偶。这种热电偶的温度测量范围是−200°C至+400°C,因而其产生的电压范围是−8 mV至+16 mV。PGA设置为128。
热电偶测量是绝对测量,内部2.5 V基准电压源用于转换。使用T型热电偶。这种热电偶的温度测量范围是−200°C至+400°C,因而其产生的电压范围是−8 mV至+16 mV。PGA设置为128。
冷结补偿使用NTC热敏电阻(10 k、1%、3435 K)。
 
 
     内部基准电压源为热敏电阻供电,增益设置为1。热敏电阻低端使用一个电阻R REF。这是一个5.6 k精密电阻(0.05%、10 ppm/°C)。热敏电阻上的电压V NIC为
 
 
     其中:
VREF为基准电压。
ADCCODE为从AD7124-4读取的代码。
224为ADC输出的最大代码。
热敏电阻R NTC的阻值为
 
 
     其中:
RREF = 5.6 kΩ.
VREF为基准电压。
合并以上两个方程式可得:
 
 
     其中:
ADCCODE为从AD7124-4读取的代码。
RREF = 5.6 kΩ.
FSCODE为AD7124-4输出的满量程代码(224)。
然后在微控制器中利用基于热敏电阻方程的查找表,将阻值转换为温度:
 
 
     其中:
T为热敏电阻记录的温度(K)。
R0 = 10 kΩ.
β = 3435 K.
T0 = 298.15 K.
用摄氏度°C表示的温度为T − 273.15。
5.6 k电阻还为模拟输入提供裕量,因为使能了模拟输入缓冲器,其需要100 mV的裕量。发生接线错误时,此电阻还能限制电流,从而保护电路。
电路笔记CN-0384 更详细地说明了热电偶传感器与 AD7124-4的接口以及转换结果的线性化或后处理。
压力传感器
图6所示为连接一个电压激励的压力传感器,图7所示为连接一个电流激励的压力传感器。使用Honeywell压力传感器(Honeywell S&C 24PCDFA6D)。
 
 
      
 
     对于电压激励架构,AV DD (3.3 V)激励传感器。如果利用AV DD激励称重传感器,激励电压可直接用作ADC基准电压。请注意,传感器高端和低端上增加了一个电阻,用以确保满足AD7124-4缓冲器的裕量要求。使用16倍增益。
对于电流激励模式,AD7124-4的两个100 μA激励电流均被导向引脚AIN6,从而为传感器提供200 μA激励电流。增益同样设置为16。5.6 k精密电阻产生基准电压。这种安排得到一个比率式配置,激励电流值的波动不会影响系统精度。
此电路板提供了相关选项,允许将传感器低端连接到GND或AD7124-4的功率开关。
如上所述,模拟输入端和基准电压源入端具有抗混叠滤波器,可抑制任何频率为ADC采样频率倍数的干扰。发生过压时,串联电阻还会限制电流。
主传感器仿真
本电路包括一个电阻网络和电位计,支持传感器仿真(主传感器仿真电路如图1所示)。利用电位计,AIN0 (AINP)与AIN1 (AINM)之间施加的电压可以在大约−0.09 V到+1.36 V的范围内改变。此电路利用内部基准电压源来支持转换,AD7124-4增益设置为1,使能模拟输入缓冲器。利用这种配置,用户可以评估电路而无需外接传感器。
数字数据处理、算法和通信
演示软件(包含在 CN-0382 设计支持包中)中)可进行初始化和 配置、处理来自模拟输入的数据、控制模拟输出,并进行HART通信。提到的所有传感器都需要线性化或补偿。此线性化在软件中执行。有关RTD和热电偶传感器的更多信息以及所需的线性化,请参 电路笔记CN-0381、 电路笔记CN-0383,和 电路笔记CN-0384。
模拟输出
AD5421集成16位低功耗精密DAC,该DAC带4 mA至20 mA环路供电输出驱动器,可提供现场仪表模拟输出所需的全部功能。
AD5421通过SPI接口与微控制器对接。
AD5421还集成了一系列与4 mA至20 mA环路相关的诊断功能。辅助ADC可通过连接至VLOOP引脚上的20 M/1 M电阻分压器测量仪表环路端的电压。该ADC还可通过集成式传感器测量芯片温度。微控制器可配置并读取AD5421的全部诊断数据,但AD5421也可采用自主工作方式。
例如,若控制器和AD5421之间的通信发生故障,AD5421将在一段时间后自动设置其模拟输出为3.2 mA报警电流。此报警电流将现场仪表工作故障这一情况汇报给主机。
输出电流值的任何改变都受到软件的控制,以防对HART通信产生干扰。
HART通信
AD5700集成完整的HART FSK调制解调器。该调制解调器通过标准UART接口,伴随请求发送(RTS)和载波检测(CD)信号实现与微控制器的连接。
HART输出通过0.068 F/0.22 F容性分压器调整至所需幅度,并耦合至AD5421 CIN引脚,然后与DAC输出一同驱动和调制输出电流。
HART输入通过一个简单的无源RC滤波器,从LOOP+端耦合至AD5700的ADC_IP引脚。RC滤波器作为第一级,用作HART解调器的带通滤波器,同时增强系统抵抗电磁干扰的能力——这对于稳定工作在恶劣工业环境中的应用而言非常重要。
AD5700低功耗振荡器采用与XTAL1和XTAL2引脚直接相连的3.6864 MHz外部晶振,产生HART调制解调器的时钟。
输出保护
瞬变电压抑制器(TVS)保护4 mA至20 mA HART接口免受过压影响。选择合适的TVS额定电压,防止REGIN引脚上的电压超过AD5421的60 V绝对最大电压。请注意,TVS漏电流可能会影响电流输出精度;因此,选用此器件时,需关注一定环路电压和温度范围下的漏电流。
可使用外部耗尽型FET与AD5421搭配工作,提高环路电压最大值。
本电路具有保护功能,通过与环路输出相串联的一对二极管保护电路免受极性反转的影响。
铁氧体磁珠与环路串联,该串联部分与4700 pF电容一同提升系统的EMC性能。由于HART网络的规格限制,请勿在环路端点处使用更高数值的电容。
4.7 V低泄露齐纳二极管保护AD5421的片内50 环路检测电阻免受AD5421的COM引脚和LOOP−引脚间意外的外部电压影响(例如当调试电路时)。
电源和电源管理
包括传感器驱动电流在内的完整现场仪表电路必须工作在4 mA至20 mA环路提供的限量电源下。这对所有环路供电现场仪器设计而言,都是一个普遍的难题。图1中的电路提供了低功耗以及高性能解决方案的一个实例。应用中用到的全部集成电路均针对低功耗而设计,并且电路依靠各自的集成特性提供灵活的电源管理结构和性能最优的环路供电解决方案。
AD5421采用4 mA至20 mA环路电压供电,为电路的其余部分提供经过调节的低电压。AD5421的REG OUT电压可通过引脚在1.8 V至12 V范围内编程,具体电压值取决于电路要求。图1所示电路采用9 V电源电压选项。传感器端利用简单的推挽式DC-DC转换器与4-20 mA环路隔离。ADG5433由微控制器提供时钟,并产生9 V非重叠方波,以驱动一个变压器。变压器的工作电压比为2:1。副边上的4.5 V电压由ADP162整流和调节,产生AD7124-4所用的低噪声3.3 V电源。AD7124-4的3.3 V模拟和数字电源均由ADP162稳压器提供,但有一个滤波器(L1/R19),防止数字电路产生的噪声进入模拟部分。
AD5421在环路侧提供3.3 V逻辑电源。此电源直接由微控制器和AD5700使用。
REG OUT RC滤波器(10 F/10 /10 F)有助于防止模拟电路受到来自环路的任何干扰的影响。它还能防止电路产生的任何干扰(尤其是控制器和数字电路产生的干扰)回流耦合至环路,这对于可靠的HART通信而言非常重要。
AD5700 HART调制解调器通过一个额外的RC滤波器供电(470 /1 F)。该滤波器在环路供电应用中的作用非常重要,因为它可防止AD5700的电流噪声与4 mA至20 mA环路输出进行耦合;若非如此,将影响HART通信。AD5700调制解调器使用外部晶振,通过将XTAL1和XTAL2上的8.2 pF电容接地,这是功耗最低的选项。
AD7124-4的主要优势之一是用户可灵活使用三种集成功率模式。功耗、输出数据速率范围和均方根噪声可通过所选功率模式进行定制。因此,对于4 mA至20 mA或便携式设备,低功耗或中功耗模式是最佳选择。针对功耗不是问题的过程控制系统,可使用全功率模式,以便降低噪声。对于此环路供电电路,使用中功耗模式。有关功率模式的更多信息,参见AD7124-4数据手册。
连接压力传感器时,AD7124-4的PSW接地开关引脚控制激励和电源。仪表上电时,开关默认为断开。这一默认设定允许在开启传感器之前对系统进行全面配置,包括适当的电源模式,从而最大程度降低4 mA至20 mA环路输出上可能存在的任何上电尖峰。
连接RTD传感器时,它由AD7124-4的可编程电流源供电,因此可通过软件全面控制其电源输入。类似地,对于热电偶传感器,偏置电压和绝对基准电压均嵌入AD7124-4中,因而可由软件控制。
软件
微控制器通过SPI接口与AD7124-4和AD5421对接,通过UART接口UART0与AD5700通信。软件通过微控制器上的另一个UART接口UART1下载到微控制器。
启动时,微控制器配置所有三个器件,AD7124-4针对T型热电偶进行配置。AD7124-4工作在连续转换模式。因此,其DOUT/ RDY 引脚也连接到微控制器上的中断引脚。每次ADC提供转换结果时,就会在微控制器中产生一个中断,通知其可读取转换结果。然后,微控制器线性化并处理数据。结果送至AD5421 DAC以通过4 mA至20 mA环路传输。该软件支持本电路笔记提到的所有传感器类型。CN-0382设计支持包中包含用于演示本电路功能和性能的软件。关于如何修改软件以适应不同传感器类型的文档,以及关于下载软件到微控制器的详细信息,也包含在CN-0382设计支持包中。
代码示例包括基本HART从机命令响应,用于演示硬件的功能和特性。代码示例不包括HART通信的协议层。
常见变化
AD7124-8可以代替AD7124-4。AD7124-4和AD7124-8具有 相同的性能。不过,AD7124-8提供8个差分输入或15个伪 差分输入,因而适合需要高通道数的应用。
AD5421 可通过保护电路直接与环路相连。也可在AD5421和环路电源之间连接一个耗尽型N沟槽MOSFET,如图8所示。由于在本配置中使用额外MOSFET,因此可将AD5421上的电压降保持在12 V左右,降低AD5421封装的功耗,并增加4 mA至20 mA模拟输出精度。它还可将环路允许的最大电压提升至MOSFET的额定电平值。额外的MOSFET对HART通信无影响。
 
 
     本电路中, AD5700与3.6864 MHz晶振共同使用,形成具有 最低功耗的配置。作为替代方案, AD5700-1可配合0.5%精 度的集成式内部振荡器使用。与晶体振荡器相比,内部振荡器最多可提升225 A调制解调器电源电流,但因为无需使用外部晶体,因此该方案同时节省了成本,降低了所需的电路板面积。
对于非环路供电的应用, AD5410, AD5420, AD5422, 或 AD5755是很好的4 mA至20 mA DAC选择。
最后,有很多隔离器产品可以代替 ADuM1441 : ADuM1440, ADuM1442, ADuM1445, ADuM1446, ADuM1447, ADuM1240, ADuM1241, ADuM1245, 和 ADuM1246.
电路评估与测试
图1中的电路基于图9中的 DEMO-AD7124-DZ 印刷电路板(PCB)构建。
 
 
     DEMO-AD7124-DZ电路板具有一些额外的特性,方便进行系统评估。RTD、热电偶或压力传感器可以通过8引脚连接器J5连接。针对HART RTS和CD有测试点。通过4引脚连接器可将代码下载到微控制器。
The CN-0382设计支持包 还包括完整的用于3线/4线Pt100/Pt1000RTD、热电偶和电压/电流激励压力传感器的现场仪表C语言代码示例,可用来对全部硬件模块和电路特性进行完整的验证与评估,并对HART接口的功能性提供一定程度的验证。有关HART接口规范和资源的详细信息,请联系HART通信基金会。
电路功耗
为了方便在线测量,本电路有多个测试点可测量电流。AD5421的REG OUT引脚和DV DD引脚在其路径中包括一个10 电阻。ADP162的输出在其路径中也有一个类似的10 电阻。10 电阻的每一端都有测试点。利用这种设置可以测量各电阻上的压降并计算电流,而无中断电源电流或干扰电路。
电路配置如下:
- 微控制器内核时钟 = 1 MHz
- AD7124-4和模拟电路工作在与传感器类型相适应的模 式下
- AD5421以10 SPS的速率工作并更新环路输出电流
- HART通信,周期性响应主机请求以读取所有器件变量
表1. 电路功耗
| 模式 | AD5421内部(mA) | DVDD 3.3 V (mA) | REGOUT 9.0 V (mA) | 环路总 电流(mA) | 隔离 3.3 V (mA) | 
| 仿真 | 0.28 | 0.63 | 0.82 | 1.73 | 0.48 | 
| RTD 4-线 | 0.28 | 0.63 | 1.00 | 1.91 | 0.84 | 
| RTD 3-线 | 0.28 | 0.63 | 1.12 | 2.03 | 1.08 | 
| TC | 0.28 | 0.63 | 0.89 | 1.80 | 0.61 | 
| 压力 | |||||
| V模式 | 0.28 | 0.63 | 1.16 | 2.07 | 1.15 | 
| I模式 | 0.28 | 0.63 | 0.98 | 1.89 | 0.79 | 
表1给出了各模块的电源电流:这些器件的电流之和便是电路本身(未添加其它电流器件以构成4 mA至20 mA输出)从环路消耗的总电流。AD5421本身(估计值,将AD5421放入最低环路电流中验证)、从DVDD 3.3 V供电的电路(微控制器、HART调制解调器和SPI隔离的原边)以及隔离电源的9 V原边。隔离3.3 V栏是隔离3.3 V电源消耗的电流,其为传感器、AD7124-4和SPI的副边供电。
电路及所有相关模拟和数字模块(包括输入传感器)的功耗在最小4 mA环路输出电流的许可预算之内。
传感器输入性能
4-线 RTD
图10显示了系统连接一个4线RTD时的性能。使用B级Pt100传感器。AD7124-4配置如下:
- 功率模式:中功率模式
- 滤波器:后置滤波器,25 SPS
- 激励电流:AIN6上使能,设置为250 μA
- 增益 = 16
- 极性:单极性
- 基准电压缓冲器使能
- RTD连接到AIN4/AIN5通道
- 基准电压源:REFIN1,5.6 k基准电阻连接在REFIN1引 脚上
- AD7124-4内部失调和满量程校准在上电时执行
 
 
     从ADC读取的转换结果在微控制器内线性化。作用于Pt100传感器的温度从0°C变化到100°C,而电路板保持25°C温度。图10显示了演示系统的精度。演示系统的测量精度在B级Pt100传感器的额定精度内。
3线 RTD
图11显示了系统连接一个3线RTD时的性能。使用B级Pt100传感器。AD7124-4配置如下:
- 功率模式:中功率模式
- 滤波器:后置滤波器,25 SPS
- 激励电流IOUT0:AIN6上使能,设置为250 μA
- 激励电流IOUT0:AIN7上使能,设置为250 μA
- 增益 = 16
- 极性:单极性
- 基准电压缓冲器使能
- RTD连接到AIN4/AIN5通道
- 基准电压源:REFIN1,5.6 k基准电阻连接在REFIN1引 脚上
- AD7124-4内部失调和满量程校准在上电时执行
 
 
     作用于Pt100传感器的温度从0°C变化到100°C,而电路板保持25°C温度。从ADC读取的转换结果在微控制器内线性化。施加温度与电路板实测温度之间的误差如图所示。在温度扫描之前,在25°C时进行内部失调和满量程校准。校准之后,3线Pt100完全位于B级Pt100允许的包络以内。图11显示了演示系统的精度。演示系统的测量精度在B级Pt100传感器的额定精度内。
热电偶
图12显示了系统连接一个T型热电偶时的性能。AD7124-4配置如下:
- 功率模式:中功率模式
- 热电偶配置 
       - 增益 = 128
- 通道:AIN4/AIN5
- 使能内部基准电压源
- 滤波器:后置滤波器,25 SPS
- 极性:双极性
 
- AD7124-4内部失调和满量程校准在上电时执行
- 冷结配置 
       - 增益 = 1
- 滤波器:快速建立Sinc3,44.44 SPS
- 通道:AIN2/AIN3
- 选择内部基准电压源
- 模拟输入缓冲器使能
- 极性:单极性
 
AD7124-4的满量程误差经过工厂校准(增益为1时),因而无需再执行校准。
 
 
     在图12中,冷结保持在25°C,热电偶从0°C扫描到100°C。从ADC读取的转换结果在微控制器内进行处理和线性化。
T型热电偶的精度为1°C或0.75%(以较大者为准)。热敏电阻也会增加一些误差。电路中使用的热敏电阻精度为1%或1°C(以较大者为准)。图12显示了施加温度与实测温度之间的差异。结果完全在热电偶/热敏电阻组合的规格以内。
重复进行测量,热电偶保持在25°C,冷结从0°C扫描到80°C(参见图13)。系统总精度为1.75°C,使用更精确的冷结(如Pt100传感器)可以提高精度。
 
 
     压力
连接压力传感器后,执行噪声测试。噪声电平是模拟前端与板上其余电路交互所能影响的主要因素。因此,测试主要针对噪声以及相关的系统分辨率性能进行。
该演示配置为通过HART通信发送表示压力的数据,单位为kPa。捕获100个样本,完成基本数据分析以便量化性能。第一项测试是在连接标准压力传感器(Honeywell24PCDFA6D)的情况下进行。第二项测试是在由短路输入产生输入信号的情况下进行。
执行测试时,传感器用一个电流源和一个电压激励。在电压模式下,AD7124-4配置如下:
- 功率模式:中功率模式
- 滤波器:后置滤波器,25 SPS
- 增益 = 16
- 极性:双极性
- 基准电压缓冲器使能
- 传感器连接到AIN4/AIN5通道
- 基准电压源:REFIN2,基准电压由压力传感器的检测 电阻提供
在电流激励模式下,AD7124-4配置如下:
- 功率模式:中功率模式
- 滤波器:后置滤波器,25 SPS
- 激励电流:AIN6上的两个激励电流均使能并设置为100 μA,得到总计200 μA电流
- 增益 = 16
- 极性:双极性
- 基准电压缓冲器使能
- 传感器连接到AIN4/AIN5通道
- 基准电压源:REFIN1,5.6 k基准电阻连接在REFIN1引脚上
性能总结见表2,图14至图17显示信号曲线图。
表2. 压力传感器:噪声和分辨率
| 参数 | 电压模式 | 电流模式 | 单位 | ||
| 压力传感器 | 输入短路 | 压力传感器 | 输入短路 | ||
| 满量程 | 391.47 | 391.47 | 438.45 | 438.45 | kPa | 
| 均方根噪声 | 0.66 | 0.61 | 1.76 | 1.69 | Pa | 
| 峰峰值噪声 | 3.5 | 3.2 | 11.1 | 9.8 | Pa | 
| 有效(RMS) 分辨率 | 19.2 | 19.3 | 17.9 | 18 | Bits | 
| 无噪声(峰峰值)分辨率 | 16.8 | 16.9 | 15.3 | 15.4 | Bits | 
 
 
      
 
      
 
      
 
     样片申请及购买
样片
| 产品 | 描述 |  可提供样片的  | 
| AD7124-4 | 集成PGA和基准电压源的4通道、低噪声、低功耗24位Σ-Δ型ADC | AD7124-4BCPZ AD7124-4BRUZ | 
| AD5421 | 16位、串行输入、环路供电、4MA至20MA DAC | AD5421BCPZ-REEL7 AD5421BREZ AD5421CREZ AD5421CREZ-RL7 | 
| AD5700 | 低功耗HART调制解调器 | AD5700ACPZ-RL7 AD5700BCPZ-R5 | 
| ADUM1441 | 微功耗四通道数字隔离器,默认高电平(3/1通道方向性) | ADUM1441ARSZ | 
| ADP162 | 超低静态电流、150 mA CMOS线性调节器 | ADP162ACBZ-1.2-R7 ADP162ACBZ-1.8-R7 ADP162ACBZ-2.1-R7 ADP162ACBZ-2.3-R7 ADP162ACBZ-2.8-R7 ADP162ACBZ-3.0-R7 ADP162ACBZ-3.2-R7 ADP162ACBZ-4.2-R7 ADP162AUJZ-1.5-R7 ADP162AUJZ-1.8-R7 ADP162AUJZ-2.3-R7 ADP162AUJZ-2.5-R7 ADP162AUJZ-2.7-R7 ADP162AUJZ-2.8-R7 ADP162AUJZ-3.0-R7 ADP162AUJZ-3.1-R7 ADP162AUJZ-3.3-R7 ADP162AUJZ-4.2-R7 | 
| ADG5433 | 高压防闩锁型三通道SPDT开关 | ADG5433BCPZ-REEL7 ADG5433BRUZ ADG5433WBRUZ | 
- 加入我的myAnalog 登录 myAnalog




