LTC3890 高效率双通道 8.5V/3.3V 降压型转换器
详情介绍
概览
设计资源
设计集成文件
• Schematic• Bill of Materials
• Gerber Files
• PADS Files
• Assembly Drawing 下载设计文件 633.57 K
评估硬件
产品型号带"Z"表示符合RoHS标准。评估此电路需要下列选中的电路板
- EVAL-CFTL-6V-PWRZ ($17.00) Universal Power Supply
- EVAL-CN0368-SDPZ ($65.00) Magnetoresistive Angle and Linear Position Measurements Board
- EVAL-SDP-CB1Z ($99.00) Eval Control Board
优势和特点
- MR Angular and Linear Position Measurement
- Single Supply
- Small Footprint
电路描述
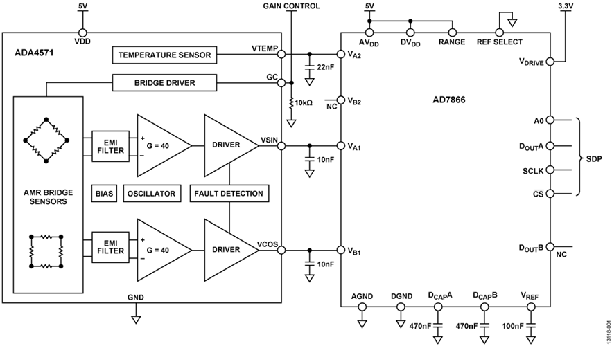
ADA4571 是一款各向异性磁阻(AMR)传感器,集成信号调理 放大器和ADC驱动器,以及用于温度补偿的温度传感器。 ADA4571产生两路模拟输出,指示周围磁场的角位置。
ADA4571集成一个AMR传感器和一个固定增益(标称值G = 40) 仪表放大器。ADA4571可提供有关旋转磁场角度的干净且 经过放大的余弦和正弦输出信号。T输出电压范围与电源 电压成比例。
传感器含有两个互成45°角的透磁合金惠斯登电桥。x-y传 感器平面的旋转磁场提供两路正弦输出信号,且传感器与 磁场方向的角度(α)频率翻倍。在x-y平面的均质场内,输 出信号与z方向(气隙)的物理位置无关。
正弦和余弦输出端的输出电压摆幅范围为7% V DD至93% V DD。 有两个诊断频段(V DD的0%至7%和V DD的93%至100%),因而 可向所有内部连接提供焊线断开检测。
ADA4571采用8引脚SOIC封装。
VSIN和VCOS输出的输出阻抗为50 Ω,采用外部10 nF电容 时组成318 kHz噪声滤波器。
AD7866是一款双通道、同步采样、12位、1 MSPS SAR ADC。 RANGE引脚的极性确定模拟输入范围和输出编码。如果片 选信号变为低电平时该引脚连接逻辑高电平,则下次转换 的模拟输入范围为0 V至2 × VREF(0 V至5 V),为ADA4571 AMR 传感器的0.35 V至4.65 V信号提供大约350 mV裕量。
将REFSEL引脚连接至低电平可配置ADC使用内部2.5 V基准 电压源。V REF引脚提供该电压,但将其用于系统的其他位置前必须先使用缓冲器。D CAPA引脚和D CAPB引脚采用470 nF 电容去耦,确保ADC正常工作。
AD7866同步采样传感器的两个通道。数字字通常在 D OUTA和D OUTB每个数据流包括1个前导零,随后是3个状态位,再加上12位转换数据。然而,保持 CS 引脚为低电 平并持续额外16个时钟周期,则两个数字字均可从一个通道(D OUTA)获取。因此,SPI接口允许在一条数据线路上访问两个通道。
AD7866的两个ADC输入均带有双通道多路复用器。A0输 入引脚上的逻辑0允许A1和A2输入端转换,而A0输入引脚 上的逻辑1允许B1和B2输入端转换。ADA4571的温度传感 器输出连接AD7866的B1输入,并允许对系统进行软件温 度校准。
磁阻(MR)理论
磁阻是存在外部磁场时,材料改变其电阻值的能力。最常 用的MR传感器基于AMR技术。
图2. 各向异性磁阻示例
AMR效应示例如图2所示。电流(I)流过导体,受外部磁场 (H Y)影响。导体电阻的变化与磁化矢量(M)和电流矢量(I) 之间的角度(Ø)成函数关系。磁化矢量是内部磁场(H X)与施 加的外部磁场(H Y)的净求和结果。
当磁化矢量(M)与电流矢量(I)平行时,具有最大电阻。当磁化矢量(M)与电流矢量(I)垂直时,具有最小电阻。
有效利用AMR效应要求导体自身必须对机械应力材料不敏 感,但对磁约束敏感。由于这些原因,透磁合金(80%镍, 20%铁)是AMR传感器制造中最常用的合金。
透磁合金属性
透磁合金条有两个属性,创建角度测量系统时会具有设计 挑战性。
首先,透磁合金具有较窄的线性工作区(见图3)。仅当磁化 矢量(M)和电流矢量(I)之间的角度(Ø)变大时,响应才是线 性的。不幸的是,线性响应不久后透磁合金就会饱和。
图3. 透磁合金电阻与磁场的关系
其次,透磁合金对极性不敏感。无论磁化矢量(M)和电流 矢量(I)之间的角度(Ø)是正或负,透磁合金条的电阻都将 下降。
双色条磁极
改善透磁合金条线性度和磁极非敏感特性的常用方法是与 金属条的轴向成45°添加铝条(称为双色条磁极,如图4所 示)。双色条磁极间流动的任何电流都将走最短的路径—— 垂直路径,并且电流矢量(I)和磁化矢量(M)之间的角度偏 移45°。
图4. 透磁合金条的双色条磁极效应
图5显示向透磁合金条中加入双色条磁极后的结果。电流矢量偏移45°,但磁化矢量保持不变。注意,线性特性现在存在于图形的中央部分。
图5. 双色条磁极透磁合金电阻与磁场的关系
磁场强度
磁场强度至少为25 kA/m,才能确保满足ADA4571数据手册 中的规格。该激励磁场必须与ADA4571封装内传感元件的 中央部分相交。
选择磁体时,需考虑传感器和磁体之间的气隙,如图6所 示。如果磁体未靠近传感器放置(即距离d极大),则可能需 要更强或更大的磁体才能确保达到最小磁场强度要求。
图6. 用于转轴角度测量的磁体方向与气隙
传感器基础知识
标准AMR传感器由两个惠斯登电桥组成,互相之间的相对 角度为45°,如图7所示。
图7. ADA4571双惠斯登电桥配置
旋转磁场产生正弦(2Ø)和余弦(2Ø)输出信号,如图8所示。 两个信号在180°范围内均为周期信号,因此没有额外元件 或参考点就无法进行全方位360°测量检测。
图8. 磁阻传感器输出电压
通道灵敏度
ADA4571传感器标称灵敏度为每通道52 mV/°,这意味着磁 化矢量和传感器方向之间的每一度变化都会产生52 mV的输 出电压改变。角度的灵敏度并非常量。灵敏度下降的部分 是线路斜率接近零时的输出部分。
如图8所示,余弦输出(绿线)在磁化矢量角度接近0°、90°、 180°或270°时损失灵敏度。类似地,正弦输出(红线)在磁化 矢量角度接近45°、135°、225°和315°时损失灵敏度。幸运 的是,当一个通道的灵敏度降低时,另一个通道处于高灵 敏度区域。
系统带宽、磁场旋转
磁场角度矢量是理解电路带宽的重要内容。ADC每微秒 转换一个样本。为了获得1°分辨率,磁场1 ms只能移动1° (2.778 kHz),否则ADC无法以足够高的速度进行采样,以 便跟上磁场变化的速度。对于1 MSPS ADC,这表示磁场的 最大可用角速度为2.778 kHz。
旋转测量测试结果
将直径方向的N42磁体(直径 = 0.5英寸,厚度 = 0.125英寸)连 接至金属杆的末端。精密直流电机可对金属杆进行精细角 度控制。传感器精确安装在磁体正面。气隙设为2 mm。只 要磁铁激励使传感器完全饱和,则结果便与气隙基本无关。
电机转动,创造出与传感器相交的旋转磁场,进而产生重复 性正弦和余弦输出电压,适合进行角度计算和数据采集。
图9显示了该设置的功能框图。图10是该设置的照片,可 用来采集轴尾配置的数据。该设置由无刷直流电机、物理 安装、磁体和集成相应ADA4571传感器的PCB组成。
图9. 数据采集测试设置——轴尾配置
图10. 无刷直流电机基准测试设置照片
图11通过磁体的多次转动,将电机的机械角与传感器的计 算磁场角相比较。该计算利用两个输出之比的反正切函 数。未进行校准时,误差接近±1°。
图11. 失调校正前的角误差与机械角之间的关系
图12显示仅有一次失调校正的误差。无需针对正弦和余弦 的幅度失配、非线性度或正交性校正进行额外调节。使用 每个通道的峰峰值或平均值可确定失调值,因为它贯穿整 个机械旋转。从对应通道中减去失调,以获得线性传感器 响应。最大误差接近±0.2°,而该范围内的绝大部分误差小 于±0.1°。
图12. 仅针对失调进行校正后的角误差与机械角的关系
线性位置测试结果
创建增量线性位置测量系统时,只需进行极少量的修改。 采用由一系列变化的南北极组成的多极条状磁体代替现有 磁体,如图13所示。
图13. 线性位置测量磁体、PCB和传感器
图14. 线性测量的数据采集测试设置
图15. 基准测试设置照片
该设置采用了长度为2英寸的磁体,放置位置离开传感器1 英寸。建议用于线性运动检测的传感器至磁体气隙等于磁 体磁极长度的一半。通过沿x轴移动磁体来采集数据,并 将评估软件读数与卡尺数字显示屏的读数做比较。图16显 示1.0英寸范围内记录的输出位置误差。整个范围内的误差 为±2密耳。
图16. 磁场位置误差:1.0英寸范围
将测量范围限制在0.4英寸可获得更好的测量结果。注意, 0.4英寸与图8所示的三角波的线性部分重合,并将测量限 制在30°范围内。对此更改范围应用新的增益校正系数,可 获得±1密耳的误差,如图17所示。
图17. 磁场位置误差:0.4英寸范围
传感器放在磁体本体的中央,如图18所示。当传感器相对磁 体上下移动时,会产生一个常见误差源——垂直对齐误差。
图18. 基准测试设置照片:垂直对齐误差
图19显示了传感器与磁体在垂直方向上未对齐所造成的误 差。测试将PCB上移或下移0.25英寸和0.5英寸,然后获取 数据。对于1.0英寸测量范围,将目标上移或下移0.25英寸 会给计算增加数密耳的误差。上移或下移0.5英寸会使测量 情况更糟,原始读数的误差会增加数十密耳。
图19. 磁场位置误差:垂直对齐误差
通过调整增益校正系数,可以减小这些误差,但无法完全 消除。增大与磁体的距离会对磁场强度产生不利影响,磁 力线的方向会使得某些数据不可恢复。
第二个常见的误差源是旋转对齐误差,如图20所示。虽然 传感器和磁体相对于垂直轴上定位理想,但传感器与磁体 的正面并不平行。
图20. 基准测试设置照片:旋转对齐误差
图21显示了与旋转对齐误差有关的读数。绿线显示了平行 配置所记录的误差,红线和蓝线显示了传感器相对于磁体 正面左右旋转所带来的额外误差。
图21. 磁场位置误差:旋转对齐误差
最后一个常见的误差源是传感器至磁体距离,如图22所 示。传感器与磁体的理想距离是磁体长度的一半。增大或 减小该距离都会导致数据组误差。图22显示了磁体和传感 器相距太近的基准测试设置。
图22. 基准测试设置照片:平面距离变化
磁体与传感器的距离先后设置为0.1英寸、0.5英寸和1英 寸,然后获取数据。图23显示了不同配置相关的误差。
图23. 磁场位置误差:平面距离变化
通过调整增益校正系数,可以减小这些误差,但无法完全消除。增大或减小与磁体的距离会对磁场强度产生不利影响,磁力线的方向会使得某些数据不可恢复。
图24是LabVIEW®评估软件的屏幕截图,该软件可用于角位置应用的一切读数显示与计算。图25是线性测量选项卡的 屏幕截图。
图24. CN0368评估软件旋转测量选项卡屏幕截图
图25. CN0368评估软件线性测量选项卡屏幕截图
校准期间确定每个惠斯登电桥的最大和最小电压输出(V MAX 和V MIN)。了解这些数值可以更精确地将电压映射到数字码。通过选择校准方法下拉框,用户可以有两种方法确定 V MAX和V MIN值。
第一种方法是在磁激励360°旋转时,软件确定V MAX和 V MIN。随后,软件计算各通道的失调电压值,并使用这些值来确定磁场角度。
第二种方法是在磁激励360°旋转时,软件确定V MAX、V MIN 和V TEMP。然后在不同的温度下重复该步骤。软件使用这些 变量计算各通道的失调电压和温度相关性,进而计算磁场角度。
PCB布局考虑
在任何注重精度的电路中,必须仔细考虑电路板上的电源 和接地回路布局。PCB应尽可能隔离数字部分和模拟部 分 CN-0368 系统的PCB采用4层板堆叠而成,具有较大面 积的接地层和电源层多边形。有关布局和接地的详细论 述,请参见 MT-031 指南 ;有关去耦技术的信息,请参见 MT-101 指南。
所有IC的电源应当用1μF和0.1μF电容去耦,以适当抑制噪 声并减小纹波。这些电容应尽可能靠近器件。对于所有高 频去耦,建议使用陶瓷电容。
电源走线应尽可能宽,以提供低阻抗路径,并减小电源线 路上的毛刺效应。通过数字地将时钟及其它快速开关数字 信号屏蔽起来,使之不影响电路板的其它器件。图26为 PCB的照片。
用于CN-0368的完整设计支持包可参见 www.analog.com/CN0368-DesignSupport.
图26. EVAL-CN0368-SDPZ板的照片
ADA4571集成一个AMR传感器和一个固定增益(标称值G = 40) 仪表放大器。ADA4571可提供有关旋转磁场角度的干净且 经过放大的余弦和正弦输出信号。T输出电压范围与电源 电压成比例。
传感器含有两个互成45°角的透磁合金惠斯登电桥。x-y传 感器平面的旋转磁场提供两路正弦输出信号,且传感器与 磁场方向的角度(α)频率翻倍。在x-y平面的均质场内,输 出信号与z方向(气隙)的物理位置无关。
正弦和余弦输出端的输出电压摆幅范围为7% V DD至93% V DD。 有两个诊断频段(V DD的0%至7%和V DD的93%至100%),因而 可向所有内部连接提供焊线断开检测。
ADA4571采用8引脚SOIC封装。
VSIN和VCOS输出的输出阻抗为50 Ω,采用外部10 nF电容 时组成318 kHz噪声滤波器。
AD7866是一款双通道、同步采样、12位、1 MSPS SAR ADC。 RANGE引脚的极性确定模拟输入范围和输出编码。如果片 选信号变为低电平时该引脚连接逻辑高电平,则下次转换 的模拟输入范围为0 V至2 × VREF(0 V至5 V),为ADA4571 AMR 传感器的0.35 V至4.65 V信号提供大约350 mV裕量。
将REFSEL引脚连接至低电平可配置ADC使用内部2.5 V基准 电压源。V REF引脚提供该电压,但将其用于系统的其他位置前必须先使用缓冲器。D CAPA引脚和D CAPB引脚采用470 nF 电容去耦,确保ADC正常工作。
AD7866同步采样传感器的两个通道。数字字通常在 D OUTA和D OUTB每个数据流包括1个前导零,随后是3个状态位,再加上12位转换数据。然而,保持 CS 引脚为低电 平并持续额外16个时钟周期,则两个数字字均可从一个通道(D OUTA)获取。因此,SPI接口允许在一条数据线路上访问两个通道。
AD7866的两个ADC输入均带有双通道多路复用器。A0输 入引脚上的逻辑0允许A1和A2输入端转换,而A0输入引脚 上的逻辑1允许B1和B2输入端转换。ADA4571的温度传感 器输出连接AD7866的B1输入,并允许对系统进行软件温 度校准。
磁阻(MR)理论
磁阻是存在外部磁场时,材料改变其电阻值的能力。最常 用的MR传感器基于AMR技术。
图2. 各向异性磁阻示例
AMR效应示例如图2所示。电流(I)流过导体,受外部磁场 (H Y)影响。导体电阻的变化与磁化矢量(M)和电流矢量(I) 之间的角度(Ø)成函数关系。磁化矢量是内部磁场(H X)与施 加的外部磁场(H Y)的净求和结果。
当磁化矢量(M)与电流矢量(I)平行时,具有最大电阻。当磁化矢量(M)与电流矢量(I)垂直时,具有最小电阻。
有效利用AMR效应要求导体自身必须对机械应力材料不敏 感,但对磁约束敏感。由于这些原因,透磁合金(80%镍, 20%铁)是AMR传感器制造中最常用的合金。
透磁合金属性
透磁合金条有两个属性,创建角度测量系统时会具有设计 挑战性。
首先,透磁合金具有较窄的线性工作区(见图3)。仅当磁化 矢量(M)和电流矢量(I)之间的角度(Ø)变大时,响应才是线 性的。不幸的是,线性响应不久后透磁合金就会饱和。
图3. 透磁合金电阻与磁场的关系
其次,透磁合金对极性不敏感。无论磁化矢量(M)和电流 矢量(I)之间的角度(Ø)是正或负,透磁合金条的电阻都将 下降。
双色条磁极
改善透磁合金条线性度和磁极非敏感特性的常用方法是与 金属条的轴向成45°添加铝条(称为双色条磁极,如图4所 示)。双色条磁极间流动的任何电流都将走最短的路径—— 垂直路径,并且电流矢量(I)和磁化矢量(M)之间的角度偏 移45°。
图4. 透磁合金条的双色条磁极效应
图5显示向透磁合金条中加入双色条磁极后的结果。电流矢量偏移45°,但磁化矢量保持不变。注意,线性特性现在存在于图形的中央部分。
图5. 双色条磁极透磁合金电阻与磁场的关系
磁场强度
磁场强度至少为25 kA/m,才能确保满足ADA4571数据手册 中的规格。该激励磁场必须与ADA4571封装内传感元件的 中央部分相交。
选择磁体时,需考虑传感器和磁体之间的气隙,如图6所 示。如果磁体未靠近传感器放置(即距离d极大),则可能需 要更强或更大的磁体才能确保达到最小磁场强度要求。
图6. 用于转轴角度测量的磁体方向与气隙
传感器基础知识
标准AMR传感器由两个惠斯登电桥组成,互相之间的相对 角度为45°,如图7所示。
图7. ADA4571双惠斯登电桥配置
旋转磁场产生正弦(2Ø)和余弦(2Ø)输出信号,如图8所示。 两个信号在180°范围内均为周期信号,因此没有额外元件 或参考点就无法进行全方位360°测量检测。
图8. 磁阻传感器输出电压
通道灵敏度
ADA4571传感器标称灵敏度为每通道52 mV/°,这意味着磁 化矢量和传感器方向之间的每一度变化都会产生52 mV的输 出电压改变。角度的灵敏度并非常量。灵敏度下降的部分 是线路斜率接近零时的输出部分。
如图8所示,余弦输出(绿线)在磁化矢量角度接近0°、90°、 180°或270°时损失灵敏度。类似地,正弦输出(红线)在磁化 矢量角度接近45°、135°、225°和315°时损失灵敏度。幸运 的是,当一个通道的灵敏度降低时,另一个通道处于高灵 敏度区域。
系统带宽、磁场旋转
磁场角度矢量是理解电路带宽的重要内容。ADC每微秒 转换一个样本。为了获得1°分辨率,磁场1 ms只能移动1° (2.778 kHz),否则ADC无法以足够高的速度进行采样,以 便跟上磁场变化的速度。对于1 MSPS ADC,这表示磁场的 最大可用角速度为2.778 kHz。
旋转测量测试结果
将直径方向的N42磁体(直径 = 0.5英寸,厚度 = 0.125英寸)连 接至金属杆的末端。精密直流电机可对金属杆进行精细角 度控制。传感器精确安装在磁体正面。气隙设为2 mm。只 要磁铁激励使传感器完全饱和,则结果便与气隙基本无关。
电机转动,创造出与传感器相交的旋转磁场,进而产生重复 性正弦和余弦输出电压,适合进行角度计算和数据采集。
图9显示了该设置的功能框图。图10是该设置的照片,可 用来采集轴尾配置的数据。该设置由无刷直流电机、物理 安装、磁体和集成相应ADA4571传感器的PCB组成。
图9. 数据采集测试设置——轴尾配置
图10. 无刷直流电机基准测试设置照片
图11通过磁体的多次转动,将电机的机械角与传感器的计 算磁场角相比较。该计算利用两个输出之比的反正切函 数。未进行校准时,误差接近±1°。
图11. 失调校正前的角误差与机械角之间的关系
图12显示仅有一次失调校正的误差。无需针对正弦和余弦 的幅度失配、非线性度或正交性校正进行额外调节。使用 每个通道的峰峰值或平均值可确定失调值,因为它贯穿整 个机械旋转。从对应通道中减去失调,以获得线性传感器 响应。最大误差接近±0.2°,而该范围内的绝大部分误差小 于±0.1°。
图12. 仅针对失调进行校正后的角误差与机械角的关系
线性位置测试结果
创建增量线性位置测量系统时,只需进行极少量的修改。 采用由一系列变化的南北极组成的多极条状磁体代替现有 磁体,如图13所示。
图13. 线性位置测量磁体、PCB和传感器
随着传感器沿与磁体平行方向移动,每转过磁极长度的 180°,它都会检测磁场。磁极长度(P)和传感器的角度精度 (Ø = 0.05°)确定理论精度(Δx)。
Δx = P × ΔØ/180°
这样便形成了仅有一个磁极长度的绝对测量系统。若磁体 有多个磁极,则对通过的磁极进行计数可获得更精确的读 数。传感器与磁体的理想距离是磁体磁极长度的一半。
通过在数显卡尺的臂上安装磁体,测试EVAL-CN0368-SDPZ PCB。安放EVAL-CN0368-SDPZ PCB,使其ADA4571 AMR 传感器(U5)正面与磁体正面垂直。当磁体移动时,数显卡 尺显示移动的距离,精度达0.0005英寸。同时,磁力线与 传感器相交,提供可用输出范围。图14是该设置的功能框 图,图15是该设置的照片。
图14. 线性测量的数据采集测试设置
图15. 基准测试设置照片
该设置采用了长度为2英寸的磁体,放置位置离开传感器1 英寸。建议用于线性运动检测的传感器至磁体气隙等于磁 体磁极长度的一半。通过沿x轴移动磁体来采集数据,并 将评估软件读数与卡尺数字显示屏的读数做比较。图16显 示1.0英寸范围内记录的输出位置误差。整个范围内的误差 为±2密耳。
图16. 磁场位置误差:1.0英寸范围
将测量范围限制在0.4英寸可获得更好的测量结果。注意, 0.4英寸与图8所示的三角波的线性部分重合,并将测量限 制在30°范围内。对此更改范围应用新的增益校正系数,可 获得±1密耳的误差,如图17所示。
图17. 磁场位置误差:0.4英寸范围
传感器放在磁体本体的中央,如图18所示。当传感器相对磁 体上下移动时,会产生一个常见误差源——垂直对齐误差。
图18. 基准测试设置照片:垂直对齐误差
图19显示了传感器与磁体在垂直方向上未对齐所造成的误 差。测试将PCB上移或下移0.25英寸和0.5英寸,然后获取 数据。对于1.0英寸测量范围,将目标上移或下移0.25英寸 会给计算增加数密耳的误差。上移或下移0.5英寸会使测量 情况更糟,原始读数的误差会增加数十密耳。
图19. 磁场位置误差:垂直对齐误差
通过调整增益校正系数,可以减小这些误差,但无法完全 消除。增大与磁体的距离会对磁场强度产生不利影响,磁 力线的方向会使得某些数据不可恢复。
第二个常见的误差源是旋转对齐误差,如图20所示。虽然 传感器和磁体相对于垂直轴上定位理想,但传感器与磁体 的正面并不平行。
图20. 基准测试设置照片:旋转对齐误差
图21显示了与旋转对齐误差有关的读数。绿线显示了平行 配置所记录的误差,红线和蓝线显示了传感器相对于磁体 正面左右旋转所带来的额外误差。
图21. 磁场位置误差:旋转对齐误差
最后一个常见的误差源是传感器至磁体距离,如图22所 示。传感器与磁体的理想距离是磁体长度的一半。增大或 减小该距离都会导致数据组误差。图22显示了磁体和传感 器相距太近的基准测试设置。
图22. 基准测试设置照片:平面距离变化
磁体与传感器的距离先后设置为0.1英寸、0.5英寸和1英 寸,然后获取数据。图23显示了不同配置相关的误差。
图23. 磁场位置误差:平面距离变化
通过调整增益校正系数,可以减小这些误差,但无法完全消除。增大或减小与磁体的距离会对磁场强度产生不利影响,磁力线的方向会使得某些数据不可恢复。
图24是LabVIEW®评估软件的屏幕截图,该软件可用于角位置应用的一切读数显示与计算。图25是线性测量选项卡的 屏幕截图。
图24. CN0368评估软件旋转测量选项卡屏幕截图
图25. CN0368评估软件线性测量选项卡屏幕截图
校准期间确定每个惠斯登电桥的最大和最小电压输出(V MAX 和V MIN)。了解这些数值可以更精确地将电压映射到数字码。通过选择校准方法下拉框,用户可以有两种方法确定 V MAX和V MIN值。
第一种方法是在磁激励360°旋转时,软件确定V MAX和 V MIN。随后,软件计算各通道的失调电压值,并使用这些值来确定磁场角度。
第二种方法是在磁激励360°旋转时,软件确定V MAX、V MIN 和V TEMP。然后在不同的温度下重复该步骤。软件使用这些 变量计算各通道的失调电压和温度相关性,进而计算磁场角度。
PCB布局考虑
在任何注重精度的电路中,必须仔细考虑电路板上的电源 和接地回路布局。PCB应尽可能隔离数字部分和模拟部 分 CN-0368 系统的PCB采用4层板堆叠而成,具有较大面 积的接地层和电源层多边形。有关布局和接地的详细论 述,请参见 MT-031 指南 ;有关去耦技术的信息,请参见 MT-101 指南。
所有IC的电源应当用1μF和0.1μF电容去耦,以适当抑制噪 声并减小纹波。这些电容应尽可能靠近器件。对于所有高 频去耦,建议使用陶瓷电容。
电源走线应尽可能宽,以提供低阻抗路径,并减小电源线 路上的毛刺效应。通过数字地将时钟及其它快速开关数字 信号屏蔽起来,使之不影响电路板的其它器件。图26为 PCB的照片。
用于CN-0368的完整设计支持包可参见 www.analog.com/CN0368-DesignSupport.
图26. EVAL-CN0368-SDPZ板的照片
电路评估与测试
本电路使用EVAL-SDP-CB1Z 系统演示平台(SDP)板和 EVAL-CN0368-SDPZ电路板。这两片板具有120引脚的对接 连接器,可以快速完成设置并评估电路性能。
EVAL-CN0368-SDPZ包含待评估电路,如CN-0368所述。 EVAL-SDP-CB1Z板与CN0368评估软件一同使用,捕获 EVAL-CN0368-SDPZ电路板的数据。
设备要求
需要以下设备:
- 带USB端口和Windows® XP(32位)、Windows
- Vista(32位) 或Windows 7(32位)PC
- EVAL-CN0368-SDPZ 电路板
- EVAL-SDP-CB1Z SDP 板
- 6 V电源或壁式电源适配器
- CN0368评估软件
- 传感器封装处磁场强度不低于25 kA/m的钕磁体
开始使用
将CN0368评估软件光盘放入PC,加载评估软件。打开我 的电脑,找到包含评估软件光盘的驱动器,打开Readme 文件。按照Readme文件中的说明安装和使用评估软件。
功能框图
图27所示为测试设置的功能框图。
图27. 测试设置框图
设置
将EVAL-CN0368-SDPZ上的120引脚连接器连接到 EVAL-SDP-CB1Z上的连接器。使用尼龙五金配件,通过 120引脚连接器两端的孔牢牢固定这两片板。
在断电情况下,将6 V直流管式插孔连接到J4连接器。将 EVAL-SDP-CB1Z附带的USB电缆连接到PC上的USB端口。 此时请勿将该USB电缆连接到SDP板上的微型USB连接器。
将钕磁体直接放置在IC之上,或置于专为旋转磁体而设计 的夹具中,使IC和磁体的距离最短。
使磁场的其他来源远离IC很重要,因为任何杂散磁场都会 使传感器输出电压产生误差。
测试
为直流管式插孔、J4连接器上电。启动CN0368评估软件, 并通过USB电缆将PC连接到EVAL-SDP-CB1Z上的微型USB 连接器。
一旦USB通信建立,就可以使用EVAL-SDP-CB1Z来发送、 接收和捕捉来自EVAL-CN0368-SDPZ的串行数据。
有关EVAL-SDP-CB1Z的信息,请参阅 SDP用户指南.
有关测试设置、校准以及如何使用评估软件来捕捉数据的 详细信息,请参阅 CN-0368 软件用户指南。
电脑端提供购买功能
购买评估板
所示报价为单片价格
所示报价为单片价格。所列的美国报价单仅供预算参考,指美元报价(每片美国离岸价),如有修改恕不另行通知。由于地区关税、商业税、汇率及手续费原因,国际报价可能不同。
- 加入我的myAnalog 登录 myAnalog




