LTC3890-2:12V SEPIC 和 3.3V 降压型转换器
详情介绍
概览
设计资源
评估硬件
产品型号带"Z"表示符合RoHS标准。评估此电路需要下列选中的电路板
- EVAL-CN0393-FMCZ ($199.00) EVAL-CN0393-FMCZ
- EVAL-SDP-CH1Z ($199.00) Eval Control Board
驱动/参考代码
Software such as C code and/or FPGA code, used to communicate with component's digital interface.
优势和特点
- 2-channel, 16-bit 500kSPS simultaneous sampling
- Bank isolated
- Complete data acquisition system
电路功能与优势
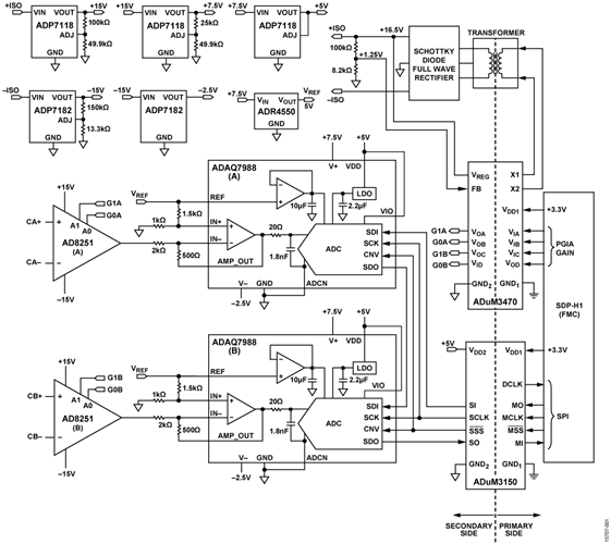
图1所示电路是一个双通道、库隔离、宽带宽数据采集 (DAQ) 系统,采用同步采样架构,每通道使用一个模数转换器 (ADC)。该系统实现了高通道密度以及库和数字背板之间的隔离,而且性能优异。设计还将ADC配置为菊花链模式,并使用具有微调延迟时钟特性的隔离器产品,从而高效使用隔离通道。集成脉宽调制 (PWM) 控制器和变压器驱动器的隔离器在隔离栅上执行DC/DC转换,使电源生成也得到了简化。该系统还具有典型DAQ信号链的许多常见特性,比如输入电路保护、可编程增益通道、高精度和高性能。
同步采样消除了多路复用DAQ信号链固有的多通道采样速率限制。模拟前端 (AFE) 设计也比多路复用方案简单,因为系统的建立时间性能要求有所降低。各通道同步采样,而顺序采样系统的通道之间会有延迟。
数字库隔离DAQ设计为数字后端电路提供了保护,减少了接地环路和库间共模干扰。每个接地层支持多个DAQ信号链,所需的数字隔离器件比通道间隔离系统要少。
 
 
 
      电路描述
图1所示系统有两个库隔离、同步采样数据采集通道,各通道均使用一个16位、500 kSPS模数转换子系统ADAQ7988。ADAQ7988不仅有出色的性能,还能减少板面积,简化许多与数据采集信号链相关的设计挑战。
数字隔离器ADuM3470 和ADuM3150将图1电路的两个电源层隔开。这两个电源层分别称为原边(或数字侧)和副边(或数据采集侧)。数字主机(主器件)通过FMC连接器连接到原边。原边涵盖进出数字主机的数字信号。副边包括数据采集信号链、电源调节器、基准电压电路和ADAQ7988数字接口信号。
利用外部匹配的电阻网络,ADAQ7988配置为接受最高达±10 V的工业级信号。每个通道都有一个AD8251可编程增益仪表放大器 (PGIA),其提供高阻抗输入,并允许选择与±10 V、±5 V、±2.5 V、±1.25 V输入范围兼容的通道增益。
AD8251器件的增益设置和ADAQ7988器件的数字接口分别连接到ADuM3470和ADuM3150隔离器。ADuM3470还通过其集成的PWM控制器和变压器驱动器向数据采集通道器件供电。在高数据速率时,利用延迟时钟特性,ADuM3150支持高效使用高速隔离通道。当配合ADAQ7988菊花链模式使用时,仅利用三个数字隔离通道,ADuM3150延迟时钟输出便能支持高达40 MHz的串行时钟速率。
 
 
评估软件用来简化与图1所示电路的接口。该软件包含一个图形用户界面 (GUI),用以控制各种电路参数和设置以便与SDP-H1板上的FPGA通信。有关获取软件的更多信息,请参见“电路评估和测试”部分。
 
 
器件选择
ADAQ7988是一款16位500 kSPS ADC子系统,其中集成四个常见信号处理和调理模块,采用支持各种应用的系统化封装 (SiP) 设计。ADAQ7988还集成了最关键的无源元件,从而消除与使用逐次逼近寄存器 (SAR) 型ADC的传统信号链相关的许多设计挑战。这些无源器件是实现额定器件性能的关键因素。
ADAQ7988是全ADI有源器件解决方案的组成部分,该解决方案包含:一个高精度、低功耗16位SAR ADC;一个低功耗、高带宽ADC驱动器;一个宽带噪声RC滤波器;一个稳定的低功耗基准电压缓冲器;一个10 μF基准电压去耦电容;一个高效率电源管理模块,所有元件均包含在一个小型5 mm × 4 mm LGA封装中。这种集成降低了设计复杂度,相比于类似的个别器件设计,最多可节省50%的PCB面积。ADAQ7988还具有相当高的灵活性,可适应各种各样的应用。例如,集成ADC驱动器有多种配置和增益可设置,可兼容多个输入范围。
ADAQ7988 SPI兼容串行接口支持以菊花链模式在单条3线总线上连接多个器件,这非常适合隔离应用,因为它限制了器件与数字主机之间通信所需的隔离器通道数。
AD8251是一款具有数字可编程增益的仪表放大器,具有GΩ输入阻抗、低输出噪声、宽带宽 (10 MHz) 和低失真特性。这些特性使AD8251成为宽带宽数据采集应用的出色选择。高输入阻抗使AD8251能与各种传感器接口,并在输入源与ADAQ7988中的ADC驱动器之间提供阻抗转换。通过地址引脚,其增益可配置为1、2、4或8,这由数字主机通过ADuM3470的数字隔离器通道来控制。
ADR4550是高精度、低功耗、低噪声、5 V基准电压源,最大初始误差为±0.02%,具有出色的温度稳定性和低输出噪声。ADR4550为两个ADAQ7988器件的集成基准电压缓冲器提供5 V基准电压。该基准电压还被一个精密电阻网络分压,以为ADAQ7988器件的ADC驱动器提供直流偏置(电平转换)。
ADuM3470为四通道数字隔离器,集成PWM控制器和变压器驱动器用以驱动隔离式DC/DC转换器。该DC/DC转换器基于ADI公司的iCoupler®技术,提供高达2 W、3.3 V至24 V的稳压隔离电源,输入电源电压为3.3 V或5 V。这样在2 W隔离设计中,无需使用单独的隔离式DC/DC转换器。iCoupler芯片级变压器技术用于隔离逻辑信号;集成的变压器驱动器带隔离副边控制功能,可以提高隔离式DC/DC转换器的效率。ADuM3470电介质额定绝缘电压为2500 V rms。因此可提供小尺寸、完全隔离的解决方案。
系统副边上的电源管理由ADP7118 和ADP7182低压差 (LDO) 线性稳压器负责。一系列级联的ADP7118器件用于调节ADuM3470为系统正供电轨提供的正轨。电路板上的ADP7182器件对负供电轨做同样的事情。更多信息参见“电源分配”部分。
模拟前端
系统模拟前端 (AFE) 包括输入保护二极管、AD8251 PGIA、ADAQ7988 DAQ子系统和用于配置ADAQ7988 ADC驱动器的精密电阻网络。两个通道的AFE设计完全相同,但其输入范围可通过各自AD8251的增益设置来独立设置。图2显示了AFE的简化原理图。
 
 
 
      
 
图1所示电路中各通道的全系统理想化传递函数(从输入电压到输出码)为:
 
 
 
     其中:
vIN为该通道输入电压。
  GAD8251为AD8251的增益设置。
  VREF为ADR4550提供的基准电压。
  NOUT为ADAQ7988的结果输出码。
  RG、 RF、R1和 R2为图2所示的无源元件。
AD8251的增益可通过编程设置为1、2、4或8。此增益范围结合ADAQ7988 ADC驱动器的配置,使得各通道的输入范围可配置为±10 V、±5 V、±2.5 V或±1.25 V。
ADAQ7988集成SAR ADC的输入范围为0 V至VREF(有基准电压源设置)。在图1所示电路中,单个ADR4550提供5 V电压(图2中显示为VREF)给两个ADAQ7988器件的集成基准电压缓冲器。因此,集成ADC驱动器的可接受输出范围为0 V至5 V。
ADC驱动器设置为带电平转换的反相配置,使其兼容最高达±10 V的双极性输入信号。此配置可将双极性输入信号转换为ADC输入端的单极性输入信号。此配置中ADC驱动器的传递函数为:
 
 
 
     其中:
 vAMP_OUT为ADAQ7988集成ADC驱动器的输出。
 vAD8251为AD8251的输出信号。
 VREF为ADR4550提供的基准电压。
 RF为500 Ω(见图2)。
 RG为2 kΩ(见图2)。
 R1为1.5 kΩ(见图2)。
 R2为1 kΩ(见图2)。
 
带电平转换的反相配置使得ADAQ7988单极性ADC可用在具有很大双极性输入信号的应用中。信号增益由RF和RG设置,允许输入范围超过VREF。电平转换电路在ADC驱动器输出端产生一个等于VREF/2的直流偏置,其将双极性输入信号转换为与ADC输入兼容的单极性输出信号。电平转换电压供应给ADC驱动器的同相节点,因而会被放大器的同相增益放大。
RG 与RF之比为4:1,使得ADAQ7988可接受20 V p-p的输入。要将ADC驱动器输出的直流偏置设置为VREF/2 (2.5 V),R1与R2之比应为3:2。所有四个电阻均利用精密匹配电阻网络制成,旨在降低系统精度误差和温漂(参见“系统精度分析”部分)。为这些电阻选择了适当的值,使其贡献给信号链的噪声最小,并且限制AD8251和ADC驱动器所需的输出电流(参见“系统精度分析”部分)。这种元件选择使得系统传递函数为:
 
 
     系统增益范围因而为−0.25、−0.5、−1和−2(因为GAD8251可以是1、2、4或8)。
值得注意的是,由于ADC驱动器处于反相配置,所以ADAQ7988的输出码与输入电压是逆相关。对于正满量程输入电压,理想输出码位于ADC的零电平,并且输出码的变化方向与输入电压方向相反。
由于利用基准电压源来产生ADAQ7988 ADC驱动器同相输入端的电平转换电压,所以系统不受VREF的偏差影响。如果vIN为0 V,则系统中一个通道的传递函数为:
 
 
     此等式说明ADAQ7988输出码不依赖于VREF值。但值得注意的是,这个一般化处理假设ADAQ7988集成基准电压缓冲器的失调误差可忽略不计。此假设是合适的,因为即使基准电压缓冲器失调达到ADAQ7988额定最大值,输出码的偏差也会小于1 LSB(码值)。
系统噪声分析
数据采集系统的一个关键设计考虑是限制系统噪声的影响。AFE噪声会限制系统有效分辨率(无噪声位数)和交流性能指标,如信噪比 (SNR) 等。本部分说明图1所示电路使用的噪声分析方法。
系统中的总噪声功率可以通过元件各自的噪声功率折合到ADAQ7988集成ADC输入端的和方根 (rss) 计算得出:
 
 
     其中:
 vn,TOTAL为系统总噪声。
 vn,R为电阻引起的噪声。
 vn,AD8251为AD8251引起的噪声。
 vn,ADC DRIVER为ADAQ7988集成ADC驱动器贡献的噪声。
 vn,ADC为ADAQ7988 ADC贡献的噪声。
这样,系统的预计SNR便可计算如下:
 
 
     ADAQ7988的ADC驱动器与ADC输入端之间内置一个低通RC滤波器。RC滤波器用于限制到达ADC输入端的带外噪声,同时帮助衰减与ADC开关电容输入相关的电压阶跃。适当选择此滤波器的带宽,以尽可能多地降低外设器件的宽带噪声,同时让两次转换之间的ADC输入信号能充分建立(欲了解更多信息,请参阅《模拟对话》文章利用SiP技术提高精密数据采集信号链的密度 for more information)。
RC滤波器元件为一个20 Ω电阻和一个1.8 nF电容,相应的带宽 (BWRC) 为4.42 MHz。有效噪声带宽 (ENBWRC) 通过下式计算,大约为2635 √Hz。
 
 
     ENBWRC用于计算各器件贡献的折合到ADC输入端的rms噪声。
该系统中各主要噪声源的噪声分析计算参见表1。
| 增益3 (V/V) | AD8251 | ADAQ7988 | 电阻 | 系统总计 | ||||
| en,AD8251 (nV/√Hz) | vn,AD8251 (μV rms) | en,ADC DRIVER < />< />< /> (nV/√Hz) | vn,ADC DRIVER (μV rms) | vn,ADC (μV rms) | vn,R (μV rms) | vn,TOTAL (μV rms) | 预计SNR (dB) | |
| −0.25 | 40 | 26.53 | 5.2 | 17.13 | 47.0 | 13.43 | 58.19 | 89.65 | 
| −0.5 | 27 | 35.82 | 5.2 | 17.13 | 47.0 | 13.43 | 62.98 | 88.96 | 
| −1 | 22 | 58.37 | 5.2 | 17.13 | 47.0 | 13.43 | 78.04 | 87.10 | 
| −2 | 18 | 95.52 | 5.2 | 17.13 | 47.0 | 13.43 | 108.66 | 84.23 | 
| 1所有rms噪声计算均折合到ADAQ7988集成ADC的输入端。 2使用T = 300 K计算。 3此增益指全系统增益。这些值对应于AD8251的增益1、2、4、8。 | ||||||||
AD8251贡献的噪声
AD8251贡献的rms噪声与其折合到输入端的电压噪声 (eAD8251)、增益设置 (GAD8251)、ADAQ7988 ADC驱动器的信号增益(由图2中的RF和RG设置)及ENBWRC有关。
 
 
 
 
     
 
值得注意的是,eAD8251是作为最大值提供,其在四个不同增益设置下是不同的。实践中,AD8251贡献的噪声通常小于利用AD8251数据手册中的电压噪声值估计的噪声,原因是AD8251的噪声规格是防护频带上的统计值。
无源元件贡献的噪声
图3显示了图1所示电路中使用的匹配电阻网络的等效噪声源。RF和RG是用于设置ADC驱动器信号增益的电阻,R1和R2是用于设置电平转换电压的电阻(另请参见图2)。R1和R2由单个电阻代表,电阻值等于R1和R2的并联结果 (R1||R2)。各电阻都有自己的热噪声,这些热噪声已包括在全系统噪声中。
 
 
      各电阻贡献的噪声取决于增益系数及其在电路中的位置。
RF贡献的噪声为:
 
 
     其中:
 kB为玻尔兹曼常数。
 T为绝对温度(单位K,假设为300 K)。
 
RG贡献的噪声要乘以ADC驱动器的信号增益(由RF和RG设置):
 
 
     从噪声角度看,R1和R2表现为并联,故其合并热噪声等于值为R1||R2的单个电阻的热噪声。二者的合并热噪声还要乘以ADC驱动器的噪声增益:
 
 
     这些电阻贡献的总噪声可用各噪声贡献的和方根来计算:
 
 
     有关这些计算的更多信息,请参阅指南MT-049 和MT-050。
ADAQ7988集成ADC驱动器和ADC贡献的噪声
ADAQ7988的ADC驱动器非常适合驱动集成SAR ADC。其低输入电压噪声有助于最大程度地降低系统性能所受影响。
ADC驱动器贡献的噪声 (vn,ADC DRIVER) 可通过下式计算:
 
 
     其中,eADC DRIVER为ADC驱动器的输入电压噪声。
该噪声要乘以ADC驱动器的噪声增益,因为它被规定为同相节点上的噪声源。这种情况下,ADC驱动器的电流噪声相对于电压噪声是很小的,故予以忽略。
单极性SAR ADC的rms输入电压噪声 (vn,ADC) 可根据其在给定基准电压下的额定SNR得出,计算公式如下:
 
 
     其中:
 VREF为所用的基准电压(图1电路为5 V)。
 SNR为ADAQ7988数据手册中针对该基准电压给出的SNR (91.5 dB)。
系统精度分析
数据采集系统通常设计用于实现高精度。然而,构成系统的器件会引入一定量的误差和不确定性,从而限制系统的总体精度。失调和增益误差是两个常见的系统误差。这些误差还受温度漂移影响。通常,这些误差可在特定温度下通过校准消除,但不能在全工作温度范围内消除。以下几节说明如何利用各器件的误差规格,估计图1所示系统在室温和全温度范围内的最大预计系统误差。
失调误差分析
失调误差是与输入信号无关的系统不精确性。该系统的失调误差来源包括:AD8251的失调 (VOS,AD8251AD8251),ADAQ7988的零点误差 (VOS,ADAQ7988ADAQ7988),ADC驱动器输入偏置电流引起的失调 (VOS,IBIB),以及在ADC驱动器同相节点上生成电平转换电压的不精确性 (VOS,LS)。最大预计系统失调误差(折合到输入端)可通过将以上误差相加求得:
 
 
 
 
     表2显示了折合到输入端 (RTI) 的最大预计系统失调误差计算结果。为将器件失调转换为系统失调,必须将其乘以或除以相关增益系数,即ADC驱动器的同相和反相增益及AD8251的增益设置。ADC驱动器的标称同相和反相增益分别为1.25和0.25,利用这些值计算系统RTI失调。
AD8251的最大折合到输入端失调是其增益设置的函数。表2列出了AD8251在所有四种增益设置下的RTI失调误差。更多信息参见AD8251数据手册。
ADAQ7988的零点误差规定子系统折合到输入端的总失调误差,可像传统运放失调电压那样处理。ADAQ7988的额定最大零点误差为±0.5 mV。此误差乘以ADC驱动器同相增益 (1.25) 并除以ADC驱动器反相增益 (−0.25) 和AD8251增益,便可转换为系统RTI失调误差:
 
 
     或
 
 
     其中,GAD8251为AD8251的增益设置。
ADC驱动器的输入偏置电流与其输入端的匹配电阻网络相互作用时,会产生一个失调误差。由此产生的折合到输出端失调可计算如下:
 
 
     或
 
 
     其中,IB为ADAQ7988集成ADC驱动器的输入偏置电流规格(最大值800 nA)。
这种情况下,假设偏置电流相等,因为器件的输入失调电流比输入偏置电流小很多。(有关输入偏置电流误差的更多信息,请参阅指南MT-038。)
为将输入偏置电流引起的折合到输出端失调 (VOS,IB(RTO)) 转换为折合到输入端的系统失调误差,应将其除以ADC驱动器的反相增益和AD8251的增益:
 
 
     此失调误差折合到输入端后总是正的,因此利用它来计算最大正失调误差,但计算最大负失调误差时则予以忽略。
ADC驱动器电平转换电压生成的不精确性也会给系统带来失调误差,但电平转换电压由ADC的基准电压源提供,故系统失调对基准电压偏差不敏感(参见“模拟前端”部分),这意味着电平转换电压的唯一误差源是分压器电路(由R1和R2构成)中的电阻容差。ADAQ7988集成ADC驱动器的同相输入端的理想电平转换电压可通过下式计算:
 
 
     
电阻分压器由匹配电阻网络构成,在图2中显示为R1和R2。该网络包含四个1 kΩ电阻,产生0.4的衰减系数(R1 = 1.5 kΩ,R2 = 1 kΩ)。网络中电阻的额定相对容差为±0.05%,这有助于降低相对于0.4衰减的偏差。考虑所用匹配电阻网络的配置和相对容差,分压器电路的最差情况误差为±0.03%。(用于生成电平转换电压的电阻网络参见CN-0393原理图,其位于CN-0393设计支持包中。)
因此,ADAQ7988集成ADC驱动器的同相输入端的电平转换电压范围为:
 
 
     折合到系统输入端,电平转换不精确性贡献的误差为:
 
 
     图1所示系统的最大预计折合到输入端失调误差便是这些误差之和。表2显示了所有四种通道增益配置的计算。注意,这些是室温 (25°C) 下的最大预计误差。
| 通道增益 | VOS,AD8251 (mV) | VOS,LS (mV) | VOS,ADAQ7988 (mV) | VOS,IB (mV) | VOS,SYSTEM (mV) | |
| 最小值 | 最大值 | |||||
| −0.25 | ±0.8 | ±3 | ±2.5 | +0.8 | −6.3 | +7.1 | 
| −0.5 | ±0.5 | ±1.5 | ±1.25 | +0.4 | −3.25 | +3.65 | 
| −1 | ±0.35 | ±0.75 | ±0.625 | +0.2 | −1.725 | +1.925 | 
| −2 | ±0.275 | ±0.375 | ±0.3125 | +0.1 | −0.9715 | +1.0715 | 
 
失调误差温漂
系统校准程序可以校正系统在环境温度下的失调误差,但通常不能校正温度漂移引起的误差变化。量化温度波动引起的失调变化对评估系统在额定温度范围内的性能很有用。信号链中各有源器件都有额定失调温漂。电阻网络也有相对温度系数规格,其保证各电阻随温度变化的相对匹配。
假设信号链中器件之间没有温度差异,那么将各器件的温漂合并起来之后,便可将失调误差温漂视作一个系统规格。假设所有器件处于相同温度,并且其漂移方向相同,则最大预计系统失调温漂为:
 
 
     其中:
 TCVOS,AD8251为AD8251在额定温度范围内的折合到输入端失调温漂 (μV/°C)。
 TCVOS,LS 为提供给ADAQ7988集成ADC驱动器的电平转换电压的温漂(折合到AD8251输入端,单位为μV/°C)。
 TCVOS,ADAQ7988为ADAQ7988的失调温漂(折合到AD8251输入端,单位为μV/°C)。
 TCVOS,SYSTEM 为图1所示电路中各通道的折合到输入端等效温漂。
AD8251在所有四个增益设置下的折合到输入端失调温漂 (TCVOS,AD8251)已在其数据手册中给出,这些值如表3所示。
ADAQ7988的零点误差温漂也已在其数据手册中给出,额定最大值为1.3 μV/°C。利用转换环境温度失调误差的方法,可将此温漂转换为系统RTI温漂(参见“失调误差分析”部分):
 
 
      
 
     其中,GAD8251为AD8251的增益设置。
电平转换电压的温漂是由电阻分压器(由R1和R2构成)的温漂引起的。基准电压源的温漂被系统抵消,因为电平转换电压和ADAQ7988集成ADC共享该基准源(参见“模拟前端”部分)。因此,电平转换电压的温漂由R1和R2的温漂确定,并且
 
 
     其中:
 VLS为标称电平转换电压(标称值为2 V)。
 TCVLS为电平转换电压的等效温漂(单位为μV/°C)。
 VREF 为ADR4550提供的基准电压(标称值为5 V)。
 TCR1 和TCR2分别为R1和R2的温度系数(单位为ppm/°C)。
 TCRDIV为电阻分压器的等效温漂(单位为ppm/°C)。
 TCRDIV是分压器比值的偏差,标称比值为0.4(参见“模拟前端”部分)。
匹配电阻网络中电阻的额定最大相对电阻温漂 (TCR) 为±15 ppm。为确定电平转换电压的有效温漂,假定R2没有温漂,包括R1在内的器件假设有±15 ppm的绝对TCR(TCR1 = 15 ppm/°C,TCR2 = 0 ppm/°C)。这种情况下,电阻分压器表现出最大误差。因此,电阻分压器的最大预计温漂为:
 
 
     TCRDIV,MAX等同于±9 ppm/°C。
故电平转换电压的温漂为:
TCVLS的单位为ppm/°C,故可将其直接应用于AD8251输入端; TCVOS,LS在AD8251的输入端为±9 ppm/°C,或
 
 
      图1所示系统的最大预计失调温漂为各部分的温漂之和。表3显示了所有四种通道增益配置的计算。
| 通道 增益 | TCVOS,AD8251 (μV/°C) | TCVOS,LS (μV/°C) | TCVOS,ADAQ7988 (μV/°C) | TCVOS,SYSTEM (μV/°C) | 
| −0.25 | ±6.2 | ±90 | ±6.5 | ±102.7 | 
| −0.5 | ±3.7 | ±45 | ±3.25 | ±51.95 | 
| −1 | ±2.45 | ±22.5 | ±1.63 | ±26.58 | 
| −2 | ±1.83 | ±11.25 | ±0.82 | ±13.9 | 
增益误差分析
增益误差是与输入信号成比例变化的系统不精确性。增益误差来源包括AD8251和ADAQ7988的增益误差,增益设置电阻容差引起的ADC驱动器的信号增益误差,以及基准电压源的误差 (ADR4550)。图1所示电路中一个通道的标称增益为:
 
 
     其中:
  GAD8251为AD8251的增益设置。
  VREF为ADR4550提供的基准电压。
  RF 和RG 为用于设置ADAQ7988集成ADC驱动器(如图2所示)增益的电阻。
 
将各部分增益误差相加可得到系统最差情况误差范围,如下所示:
 
 
     其中:
 GSYSTEM为全系统增益(各通道的增益)。
 eAD8251为AD8251增益误差(各增益设置对应的误差)。
 eG 为RF 和RG之比的误差。
 eREF为基准电压误差。
 eADAQ7988为ADAQ7988增益误差。
 
 
最大预计系统增益误差 (eSYSTEM) 为信号链中各部分的最大预计增益误差之和:
 
 
     表4列出了各种通道增益配置下的最大预计系统增益误差计算结果。
AD8251的四种增益配置分别对应不同的最大增益误差。这些增益误差显示在表4中的eAD8251列。ADAQ7988也以满量程百分比形式给出了最大增益误差,其同样显示在表4中。
ADAQ7988集成ADC驱动器的最大信号增益误差可基于匹配电阻网络中的增益设置电阻(图2中的RF 和RG)的相对容差来计算。像设置电平转换电压的网络一样,此网络也包含四个1 kΩ电阻。这些电阻产生500 Ω的RF和2 kΩ的RG,故标称增益为−0.25(参见CN-0393原理图)。网络中电阻的额定相对容差为±0.05%,相应的信号增益最差偏差也是大约±0.05%。
基准电压源偏差不影响系统失调误差,但却影响系统增益误差。基准电压源的主要误差包括初始输出电压误差(±0.02%或±1 mV)、焊接热致偏移(±0.02%或±1 mV)和负载调整限制引起的不精确性 (80 ppm/mA)。这些规格均可在ADR4550数据手册中找到。在图1所示电路中,ADR4550直接连接到产生两个通道的电平转换电压的匹配电阻网络。各网络充当一个2.5 kΩ负载,故ADR4550流出总计4 mA电流,这意味着其最差情况负载调整误差为320 ppm或±1.6 mV。基准电压的总最大误差为以上三个误差之和,即±3.6 mV或±0.072%。
图1所示系统的总最大预计增益误差可利用各部分误差求得。表4显示了所有四种通道增益配置下的最大预计系统增益误差。注意,这些值是室温 (25°C) 下的最大预计误差。
| 通道增益 | eAD8251 | eG | eREF | eADAQ7988 | eSYSTEM | 
| −0.25 | ±0.03% | ±0.05% | ±0.072% | ±0.01% | ±0.162% | 
| −0.5 | ±0.04% | ±0.05% | ±0.072% | ±0.01% | ±0.172% | 
| −1 | ±0.04% | ±0.05% | ±0.072% | ±0.01% | ±0.172% | 
| −2 | ±0.04% | ±0.05% | ±0.072% | ±0.01% | ±0.172% | 
 增益误差温漂
系统增益误差也会受温度变化影响。同失调误差漂移一样,量化温漂是很重要的,因为这些偏差通常无法通过校准校正。信号链中各有源器件都有额定增益温漂。电阻网络也有相对温度系数规格,其保证各电阻随温度变化的相对匹配。
系统增益的温度变化与各器件的温漂规格相关。如同环境温度系统增益误差,最大预计系统增益温漂是各器件增益温漂之和:
 
 
     其中:
 TCSYSTEM为最大预计系统增益温漂。
 TCAD8251为AD8251的增益温漂规格。
 TCG 为ADAQ7988集成ADC驱动器的闭环增益温漂(与RF与RG的温漂相关)。
 TCREF为ADR4550的温漂规格。
 TCADAQ7988 为ADAQ7988的增益误差温漂规格。
TCAD8251、TCREF和 TCADAQ7988可在AD8251、ADR4550和ADAQ7988数据手册中找到。 TCAD8251为10 ppm/°C(对于AD8251所有增益设置),TCREF为2 ppm/°C, TCADAQ7988为0.4 ppm/°C。
TCG取决于匹配电阻网络(由Rf和Rg组成)的相对TCR。如“失调误差温漂”部分所述,这些电阻的相对TCR匹配为15 ppm/°C。ADC驱动器闭环增益为RF与RG之比,故闭环增益温漂等同于此相对TCR匹配规格;因此,TCG为15 ppm/°C。
TCSYSTEM即为:
数字接口和隔离
图1所示系统在数字主机与数据采集信号链之间实现了隔离。ADuM3470和ADuM3150分别为AD8251地址信号和ADAQ7988 SPI信号提供数字隔离通道。
数字隔离应用的一个关键设计考虑是高效使用隔离通道,也就是优化用于完成设计的隔离通道数。这是因为额外隔离通道可能需要额外的新器件,这会增加设计成本、电路面积和功耗。该系统的数字方案为了实现高效益,不仅优化了ADAQ7988 SPI信号在隔离栅上的布线,而且在控制AD8251地址信号的隔离器件中包括了电源分配电路。
图4显示了ADAQ7988器件与主机之间通过ADuM3150隔离通道的数字接口连接。
ADuM3150 SPIsolator™数字隔离器件针对隔离SPI接口进行了优化。它有四个高速隔离通道,用于从机选择、MOSI、MISO和串行时钟信号,连接到ADAQ7988数字输入/输出引脚。
此外,ADuM3150支持延迟时钟 (DCLK) 输出,它可大大放松对SPI接口的数字时序约束,并支持40 Mbps的SPI传输速率而无需隔离器通道向主机反馈串行时钟。图4给出了SPI信号和DCLK信号的连接图。
 
 
      DCLK信号是主机提供的串行时钟 (MCLK) 的延迟版本。MCLK和DCLK之间的延迟在生成测试时进行调整,以使ADuM3150的串行时钟和MISO通道的来回传播延迟一致。DCLK可被主机用作独立读取时钟,以便在MISO线上输入数据。这种配置确保MISO数据在利用DCLK输入时已就绪。更多信息请参见MS-2689技术文章“高带宽传感器的SPI隔离”。
设计中的ADAQ7988器件配置为菊花链模式。此配置使得两个ADAQ7988器件的16位结果均可通过单一MISO (SDO) 线传输,从而仅需一个隔离器通道便能将数据传回主机。两个器件的转换结果均在其SCK引脚的下降沿输出,类似于两个串行连接的16位移位寄存器。这种安排要求主机输出32个串行时钟周期以读取两个结果。
有关采用数字隔离器的布局设计的信息,请参阅ADuM3470和ADuM3150数据手册。
电源分配
除了为AD8251地址提供隔离通道之外,ADuM3470还从原边为图1所示电路的副边供电。ADuM3470集成PWM控制器和低阻抗变压器驱动器(X1和X2),用以驱动外部变压器、全波肖特基二极管整流器和低通滤波器。采用5 V或3.3 V输入电源时,电源电路最高可提供2 W调节隔离功率,因而无需另外使用隔离式DC-DC转换器。
ADuM3470调节来自正电源。用于调节的反馈来自分压器网络;该分压器网络根据以下要求选择:当输出电压约为16.5 V时,反馈电压为1.25 V。反馈电压与ADuM3470的1.25 V内部反馈设定点电压相比较。调节通过改变驱动外部变压器PWM信号的占空比来实现。
变压器的正负输出由数个低压差稳压器 (LDO) ADP7118和ADP7182调节。表5显示了副边提供的供电轨。
| 轨名 | 电压 | 功能 | 所用器件 | 
| +VS | +15 V | AD8251 正轨 | ADP7118 | 
| V+ | +7.5 V | ADAQ7988 ADC驱动器正轨 | ADP7118 | 
| VDD | +5 V | ADAQ7988 LDO输入电源 | ADP7118 | 
| −VS | −15 V | AD8251 负轨 | ADP7182 | 
| V− | −2.5 V | ADAQ7988 ADC驱动器负轨 | ADP7182 | 
性能测量
交流性能结果
表6显示了1 kHz和10 kHz输入信号音下对图1所示电路中一个通道测得的交流性能。测量的特性包括信噪比 (SNR)、总谐波失真 (THD) 和信纳比 (SINAD)。图5、图6和图7显示了四种通道增益设置下SNR、THD和SINAD与频率的关系。THD包括最高五次谐波。
输入信号由Audio Precision SYS-2700系列信号发生器提供,其提供1 kHz、10 kHz、20 kHz和50 kHz的差分满量程信号。对于-0.25、-0.5、-1和-2的增益,满量程输入电压分别为±10 V、±5 V、±2.5 V和±1.25 V。
 
| 增益 (V/V) | fIN = 1 kHz | fIN = 10 kHz | ||||
| SNR | THD | SINAD | SNR | THD | SINAD | |
| −0.25 | 90.4 | −104.5 | 90.3 | 90.4 | −95.5 | 89.3 | 
| −0.5 | 89.2 | −103.4 | 89.1 | 89.1 | −95.2 | 88.2 | 
| −1 | 89.1 | −105.9 | 89.1 | 88.9 | −94.7 | 88.0 | 
| −2 | 87.2 | −102.8 | 87.2 | 87.0 | −94.6 | 86.4 | 
 
 
      
 
 
 
       
 
      直流性能结果
在四种增益设置下分别测量各通道的失调误差和增益误差。表7显示了对所有四种增益设置,同一电路板上两个通道的实测失调和增益误差。
表7中报告的失调误差为折合到系统输入端的毫伏值。首先,两个通道的AD8251输入端接地,捕捉到131,072个输出码,求均值得到系统的平均码失调 (NOS)。折合到输入端失调通过下式转换为伏特:
 
 
      其中:
 VREF为基准电压(此系统为5 V)。
 N 为ADAQ7988集成SAR ADC的分辨率(16位)。
 G为系统增益,等于AD8251增益乘以ADC驱动器增益。
在单个电路板上分别测量所有增益设置下两个通道的失调误差。
增益误差通过如下方法确定:施加两个已知电压输入,记录其结果输出码(同样是131,072个结果的平均值),然后将这些结果码间直线的斜率与理想斜率相比较。理想斜率(mIDEAL) 与基准电压 (VREF)和SAR ADC分辨率 (N) 相关:
 
 
     
实测斜率为:
 
 
     其中:
 N1 和 N2为针对两个输入V1 和V2测得的平均输出码。
 V1 和V2为接近系统正负满量程的电压。
增益误差在表7中报告为满量程百分比 (%FS) 误差,通过下式计算:
 
 
     | 增益 (V/V) | 通道A | 通道B | ||
| 失调误差(mV) | 增益误差 (%FS) | 失调误差 (mV) | 增益误差 (%FS) | |
| −0.25 | −2.9 | −0.01 | −4.9 | 0.11 | 
| −0.5 | −1.4 | −0.01 | −2.5 | 0.12 | 
| −1 | −0.7 | −0.01 | −1.3 | 0.12 | 
| −2 | −0.4 | −0.01 | −0.8 | 0.12 | 
常见变化
更高精度的电阻网络
 
 
在“系统精度分析”部分中,全系统失调和增益误差及温漂基于各个器件的性能加以量化。对每种误差,设置ADAQ7988 ADC驱动器增益和电平转换电压的电阻网络的容差和温度系数匹配度都贡献了大部分误差(尤其是失调温漂)。为降低这些无源元件的误差贡献,系统可使用容差更小且TCR匹配度更高的匹配电阻网络。这些匹配电阻网络提高了全系统精度,但也增加了系统成本。选择这些元件时,必须考虑应用的最终要求。
ADAQ7988单电源配置
 
 
ADAQ7988可以采用电源配置工作。在目标是降低功耗和元件数的设计中,采用单一正供电轨来运行器件,同时将负供电轨接地的做法可能比较合适。只要不违反集成ADC驱动器和基准电压缓冲器的裕量要求,这种配置是可以实现的,其对器件工作特性的影响极小。关于这些特性,参见ADAQ7988数据手册。
基准电压的设置不得违反ADAQ7988基准电压缓冲器的裕量要求。例如,当V+使用5 V电源时,基准电压不得超过3.3 V。
额外电路保护
 
 
图1所示电路有多种过压保护措施。两个通道的两个输入端均有TVS保护二极管,用以保护它们免受大瞬变电压尖峰影响。ADAQ7988设计也非常稳健,足以处理AD8251输出超量程时的过压事件。ADC的ESD二极管、集成20 Ω电阻、集成基准电压缓冲器和ADC驱动器的短路电流限制,都起到防止器件受损的作用(更多信息参见ADAQ7988数据手册)。图8显示了ADC内部ESD二极管的连接。
 
 
      如果ADAQ7988集成ADC驱动器超过基准电压,ADC输入端和REF_OUT之间的ESD二极管便会导通。通过二极管的电流取决于AMP_OUT和REF_OUT电压以及20 Ω串联电阻。在典型SAR ADC设计中,必须采取措施确保通过ESD二极管的电流不会引起基准电压源偏离,尤其是该基准源被多个器件共用时。但是,两个放大器的短路电流限制会确保基准电压缓冲器能够吸收来自ADC驱动器的电流而不会发生偏离。
如果需要更多保护,可利用肖特基二极管来箝位ADC输入端到REF_OUT的电压。肖特基二极管在发生过压事件时为ADC驱动器的输出电流提供备用路径,防止其通过ADC ESD二极管而干扰基准电压源。图9显示了SAR ADC信号链中肖特基二极管的实现。
 
 
       图1电路在ADAQ7988集成ADC驱动器的输出端提供了安装肖特基二极管的地方,这与图9中的连接图完全相同。如需获得包括原理图、电路板布局布线和物料清单在内的EVAL-CN0393-FMCZ评估板完整文档,请参阅CN-0393设计支持包(www.analog.com/CN0393-DesignSupport)。
额外通道
针对连接到两个AD8251器件的四个地址信号,图1所示电路为每个信号使用一个隔离通道。这对双通道设计是足够的,但若使用更多通道,必须采取其他方法。
根据通道数,设计可以包括更多数字隔离器件以隔离更多信号,或者在副边上使用一个控制器,以从主机发送的指令中创建这些信号。后一方案利用单个SPI接口便可实现,因此不需要增加隔离器件。
隔离栅上的单电源
图1电路中使用的电源方案旨在减少器件数和电路板面积。为达到这一目的,它利用ADuM3470来为正负供电轨供电,这些电源对AD8251器件而言足够大。ADuM3470还能为不需要两个电源的应用提供单个稳压电源。DC/DC开关稳压器ADP5070可利用单个直流输入生成更大的双极性电源。同时利用ADuM3470和ADP5070来为数据采集信号链生成双极性供电轨的情形,参见CN-0385。
电路评估与测试
本电路使用EVAL-CN0393-FMCZ电路板和SDP-H1系统演示平台控制板 (EVAL-SDP-CH1Z)。这两片板通过160引脚FMC连接器连接,可以快速完成设置并评估电路性能。EVAL-CN0393-FMCZ板包含图1所示电路,SDP-H1板与CN-0393评估软件接口以运行此电路。
设备要求
需要以下设备:
- 带USB端口的Windows® XP、Windows Vista®或Windows 7® PC
- EVAL-CN0393-FMCZ电路评估板
- SDP-H1控制板 (EVAL-SDP-CH1Z)
- CN-0393(下载网址: ftp://ftp.analog.com/pub/cftl/CN0393/)
- 12 V DC开关电源
- USB转micro-USB电缆
- 低失真、低噪声信号发生器提供±10 V输入信号
- 低噪声、高精度直流电源提供±10 V输入
软件安装
先从ftp://ftp.analog.com/pub/cftl/CN0393/下载评估软件,再加载并安装于PC上。CN-0393用户指南提供了关于安装和运行此软件的说明。
设置与测试
只有EVAL-CN0393-FMCZ和SDP-H1板通过160引脚FMC连接器连接之后,才能接通硬件电源。设置EVAL-CN0393-FMCZ和SDP-H1硬件的步骤如下:
- 通过160引脚FMC连接器连接EVAL-CN0393-FMCZ和SDP-H1。
- 将12 V DC开关电源连接到SDP-H1板上的+12V_VIN插孔。注意,在给EVAL-CN0393-FMCZ板供电之前,必须初始化CN-0393评估软件。
- 通过USB电缆将SDP-H1板连接到PC。
- 运行CN-0393评估软件(说明参见CN-0393用户指南)。
图10所示为测试设置的功能框图。信号源可通过SMA连接器或测试点连接到任一通道。参见CN-0393设计支持包以获取EVAL-CN0393-FMCZ完整原理图。
图11为EVAL-CN0393-FMCZ板的实物照片。
 
 
       
 
      样片申请及购买
样片
| 产品 | 描述 |  可提供样片的  | 
| ADP1614 | 650kHz /1.3 MHz、4 A、升压PWM DC-DC开关转换器 | ADP1614ACPZ-1.3-R7 ADP1614ACPZ-650-R7 ADP1614ACPZ-R7 | 
| ADP7182 | -28V、200MA、低噪声、线性稳压器 | ADP7182ACPZ-5.0-R7 ADP7182ACPZ-R7 ADP7182ACPZN-1.2R7 ADP7182ACPZN-1.5R7 ADP7182ACPZN-2.5R7 ADP7182ACPZN-5.0R7 ADP7182ACPZN-R7 ADP7182AUJZ-1.8-R7 ADP7182AUJZ-2.5-R7 ADP7182AUJZ-3.0-R7 ADP7182AUJZ-5.0-R7 ADP7182AUJZ-R7 | 
| ADP7118 | 20 V、200 mA、低噪声CMOS LDO线性稳压器 | ADP7118ACPZN-R7 ADP7118ACPZN1.8-R7 ADP7118ACPZN2.5-R7 ADP7118ACPZN3.3-R7 ADP7118ACPZN5.0-R7 ADP7118ARDZ ADP7118ARDZ-1.8 ADP7118ARDZ-2.5 ADP7118ARDZ-3.3 ADP7118ARDZ-5.0 ADP7118AUJZ-1.8-R7 ADP7118AUJZ-2.5-R7 ADP7118AUJZ-3.3-R7 ADP7118AUJZ-4.5-R7 ADP7118AUJZ-5.0-R7 ADP7118AUJZ-R7 | 
| ADR4550 | 超低噪声、高精度5.0V基准电压源 | ADR4550ARZ | 
| ADUM3150 | 用于SPI高速接口的3.75 kV专用隔离器(1/1辅助通道方向性) | ADUM3150ARSZ ADUM3150BRSZ | 
| ADUM3470 | 隔离式开关稳压器(4/0通道方向性) | ADUM3470ARSZ ADUM3470CRSZ ADUM3470WARSZ ADUM3470WCRSZ | 
| AD8251 | 10 MHz、20 V/µs、G = 1、2、4、8、iCMOS®可编程增益仪表放大器 | AD8251ARMZ | 
| ADAQ7988 | 16位、500 ksps、集成数据采集子系统,采用LGA封装 | |
| ADAQ7980 | 16位、1 MSPS、集成数据采集子系统,采用LGA封装 | 
- 加入我的myAnalog 登录 myAnalog




