Circuit Collections
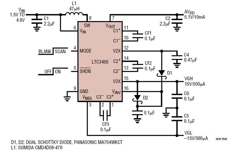
From an input range of 1.5V to 4.6V, the LTC3450 generates all required bias voltages for a TFT LCD display: Avdd (5.1V at 10mA), VGH (15V at 500uA) and VGL (-15V at 500uA)