LT8495 450kHz, 5V 输出 SEPIC 转换器
详情介绍
概览
产品详情
 
 
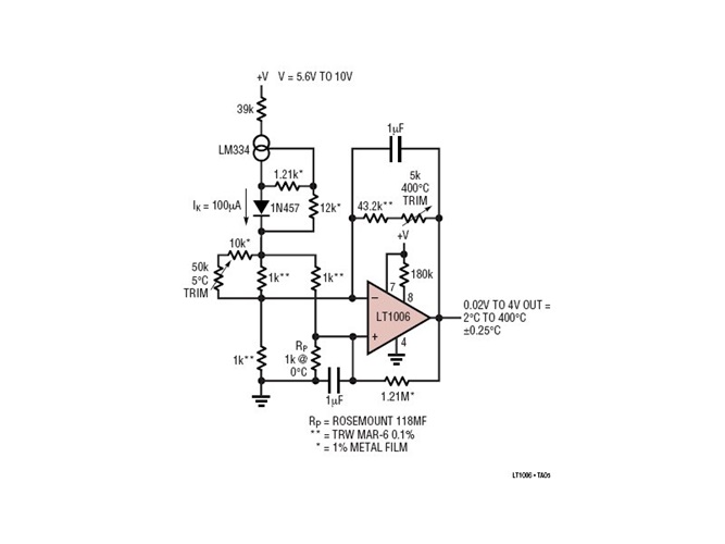
          The LT1006 is the first precision single supply operational amplifier. Its design has been optimized for single supply operation with a full set of specifications at 5V. Specifications at ±15V are also provided. The LT1006 has a low offset voltage of 20μV, drift of 0.2μV/°C, offset current of 120pA, gain of 2.5 million, common mode rejection of 114dB and power supply rejection of 126dB.



