LT8490 27.4V 太阳能电池板锂离子聚合物电池充电器
详情介绍
概览
产品详情
The TR5-Lite Stratix V FPGA Development Kit a slim form-factor PCIe board that features maximum power in a minimum size. Perfect for 1U chassis servers and other stringent environments, the TR5-Lite includes high speed SFP+ interfaces and high-bandwidth memory architecture for high performance computing, cloud systems, and ultra low-latency trading.
 
 
          TR5-Lite Dev Kit

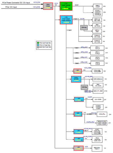
Linear Technology Components
LTM4628 Dual 8A/Single 16 A DC/DC μModule.
LTC4357 Positive high-voltage ideal diode controller.
LTC3025-1 500mA Micropower VLDO Linear Regulators.
LTC3614 4A, 4MHz Monolithic Synchronous Step-Down DC/DC Converter.
LT3080-1 Parallelable 1.1A Adjustable Single Resistor Low Dropout Regulator
 
 
          TR5-Lite Block Diagram






