LTC3128 USB 3.0 (900mA 编程输入电流) 供电的 4.8V 后备电源
详情介绍
概览
产品详情
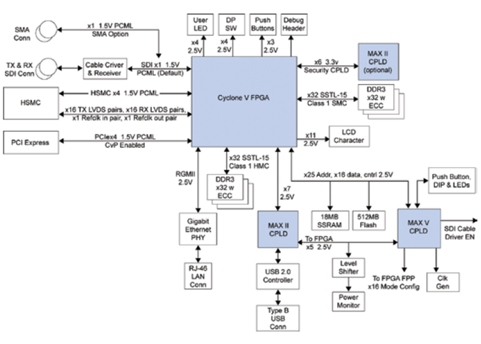
The Altera Cyclone V GX FPGA Development Kit provides a comprehensive, best in-class design environment to quickly begin developing low-cost and low-power FPGA system level designs. This kit helps to shorten your product’s development cycle so that you can meet your product’s time to market and production milestones.
 
 
          DK-DEV-5CGXC7NES Dev Kit
 
 
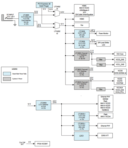
          DK-DEV-5CGXC7NES Power Tree
Linear Technology Components
LTC3855 Dual, multiphase synchronous DC/DC controller with differential remote sense.
LTC3605 1.5V, 5A synchronous step-down regulator.
LTC3603 2.5A, 15V monolithic synchronous step-down regulator.
LTC4352 Low voltage ideal diode controller with monitoring.
 
 
          DK-DEV-5CGXC7NES Block Diagram










