单极能量收集器给后备电池充电
详情介绍
概览
产品详情
The SoCKit Development Kit presents a robust hardware design platform built around the Altera Cyclone V System-on-Chip (SoC) FPGA, which combines the latest Cortex-A9 embedded cores with industry-leading programmable logic for ultimate design flexibility. Users can now leverage the power of tremendous re-configurability paired with a high-performance, low-power processor system.
Each SoC Kit features:
- Altera Cyclone V SoC with Dual ARM® Cortex®-A9 processors and 110K LEs
- High Speed Mezzanine Connector (HSMC) including transceivers
- Two banks of low-power DDR3 memory
- MicroSD card and Ethernet 10/100/1000 interfaces
- Adjustable clock output by Silicon Labs
- Graphic LCD: 128 × 64 (SPI Interface)
- VGA and Audio connections
- USB 2.0 OTG (Full Speed) and USB to UART connections
- 3-Axis digital accelerometer and temp sensor
- User’s manual/start-up guide, USB and Power Cables
 
 
          SoCKit Dev Kit
 
 
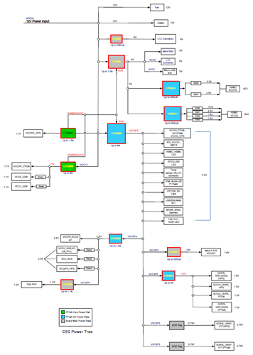
          SoCKit Development Kit Power Tree
Linear Technology Components
- LTC3608: 18V, 8A Monolithic Synchronous Step-Down DC/DC Converter.
- LTC3600: 15V, 1.5A Synchronous Rail-to-Rail Single Resistor Step-Down Regulator.
- LTC3614: 4A, 4MHz Monolithic Synchronous Step-Down DC/DC Converter.
- LT3085: Adjustable 500mA Single Resistor Low Dropout Regulator.
- LTC3025-1: 500mA Micropower VLDO Linear Regulators.
- LTC3026: 1.5A Low Input Voltage VLDO Linear Regulator.
- LT3080: Adjustable 1.1A Single Resistor Low Dropout Regulator.
 
 
          SoCKit Block Diagram






