LTC3864: 24V 至 60V 输入,24V/1A 输出 (在 750kHz)
详情介绍
概览
产品详情
The Transceiver SI Development Kit, Stratix IV GX Edition enables a thorough evaluation of Stratix IV GX transceiver interoperability and serializer/deserializer (SERDES) signal integrity (SI) and performance from 600 Mbps to 8.5 Gbps.
 
 
          DK-SI-4SGX230N Signal Integrity Kit
 
 
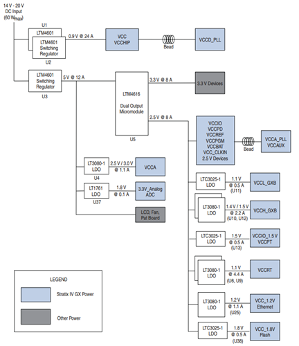
          DK-SI-4SGX230N Power Tree
Linear Technology Components
LTM4601 12A DC/DC μModule with PLL, output tracking.
LTM4616 Dual 8A per channel low VIN DC/DC μModule.
LT3080 LDO adjustable 1.1A single resistor.
LTC3025 LDO 500mA μPower VLDO linear regulator.
LT1761 LDO 100mA, low noise.
LTC2418 8- or 16-channel 24-bit no latency delta sigma A/D converter.
 
 
          DK-SI-4SGX230N Block Diagram








