应用与设计

LT8612 12V 降压转换器

详情介绍

概览

产品详情

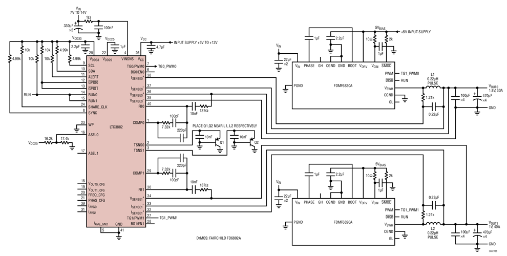
1V/40A and 1.8V/30A 500kHz Converter with DrMOS Power Stage

LTC3882 是一款双通道、多相 DC/DC 同步降压型开关稳压控制器,其具有符合 PMBus 标准的串行接口。该控制器运用了一种恒定频率、前沿调制、电压模式架构,可实现卓越的瞬态响应和输出调节性能。每个 PWM 通道能够采用多种可兼容 3.3V 的功率级来产生 0.5V 至 5.25V 的输出电压,包括电源模块 (power block)、DrMOS 或分立式 FET 驱动器。最多可让 4 个 LTC3882 并联运作以执行 2、3、4、6 或 8 相操作。