应用与设计

LTC7149 24V 输入至 –24V 输出 (在 1MHz 工作)

详情介绍

概览

产品详情

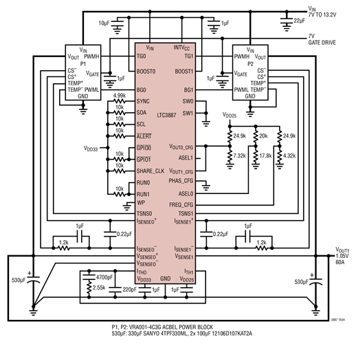
High Efficiency 425kHz 1.05V Step-Down Dual Phase Converter with Power Blocks Using the LTC3887

LTC3887 是一款双通道、多相 DC/DC 同步降压型开关稳压控制器,其具有一个符合基于 I2C 的 PMBus 标准之串行接口。该控制器运用了一种恒定频率、电流模式架构,此器件得到了具有图形用户界面 (GUI) 的 LTPowerPlay 软件开发工具的支持。