应用与设计

LTC7149 24V 输入至 –12V 输出 (在 1MHz 工作)

详情介绍

概览

产品详情

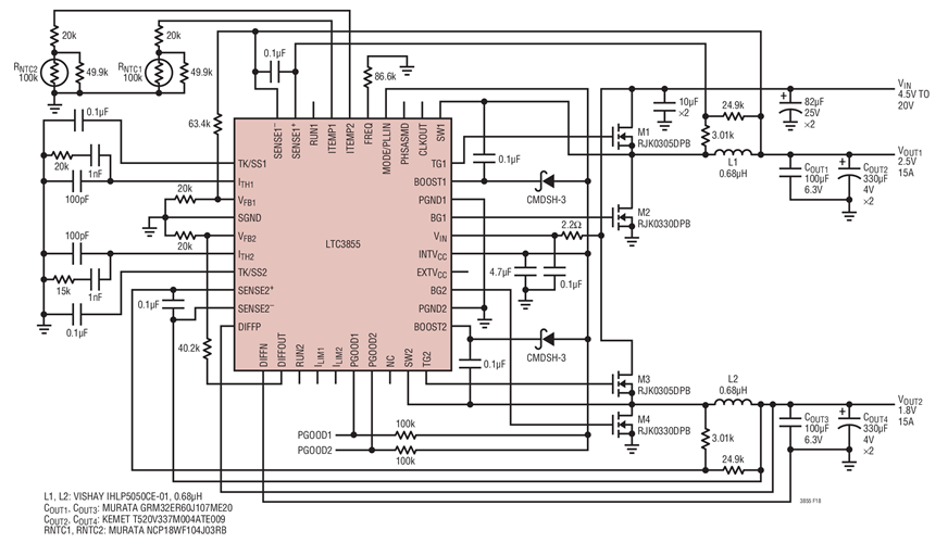
2.5V, 15A and 1.8V, 15A Supply with NTC Temperature Compensated DCR Sensing, fSW = 350kHz

LTC3855 是一款双通道、多相 (PolyPhase®)、电流模式、同步降压型开关稳压控制器, 用于驱动全 N 沟道功率 MOSFET 级。该器件内置了一个高速差分远端采样放大器。最大电流检测电压可针对 30mV、50mV 或 70mV 进行设置,因而允许使用电感器 DCR 或一个分立的检测电阻器作为检测元件。