应用与设计

LTC6990 采用任意 NDIV 设定值的全范围 VCO (正频率控制,对于 VIN = 0V 至 VSET,频率范围为 fMIN 至 fMAX)

详情介绍

概览

产品详情

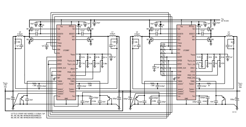
High Efficiency 425kHz 3-Phase 1.8V and 1-Phase 2.5V Step-Down Converter

LTC3887 是一款双通道、多相 DC/DC 同步降压型开关稳压控制器,其具有一个符合基于 I2C 的 PMBus 标准之串行接口。该控制器运用了一种恒定频率、电流模式架构,此器件得到了具有图形用户界面 (GUI) 的 LTPowerPlay 软件开发工具的支持。