Circuit Collections
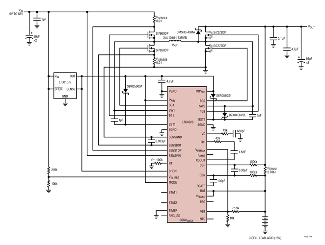
LTC4020 是一款高电压电源管理器,其可在很宽的电压范围内实现 PowerPathTM 即时接通型操作和高效率电池充电。一个内置降压-升压型 DC/DC 控制器可在电池和 / 或系统电压高于、低于或等于输入电压的情况下运作。