应用与设计

LTC3810 15V~80V 输入电压至 3.3V/5A 具有故障超时,脉冲跳跃和 Vin UV 停用

详情介绍

概览

产品详情

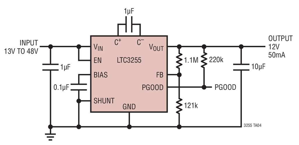
Wide Input Range 12V Supply

LTC3255 是一款开关电容器降压型 DC/DC 转换器,其可采用 4V 至 48V 输入产生一个稳定的输出 (2.4V 至 12.5V 可调)。在输入电压超过输出电压两倍的应用中,2:1 电容式充电泵可把输出电流能力扩展到输入电源电流限值以外。在无负载条件下,突发模式 (Burst Mode®) 操作将 VIN 静态电流减小至 16μA。