应用与设计

LTC3128 具电源凌驾能力的 5.0V 至 3.3V 转换器

详情介绍

概览

产品详情

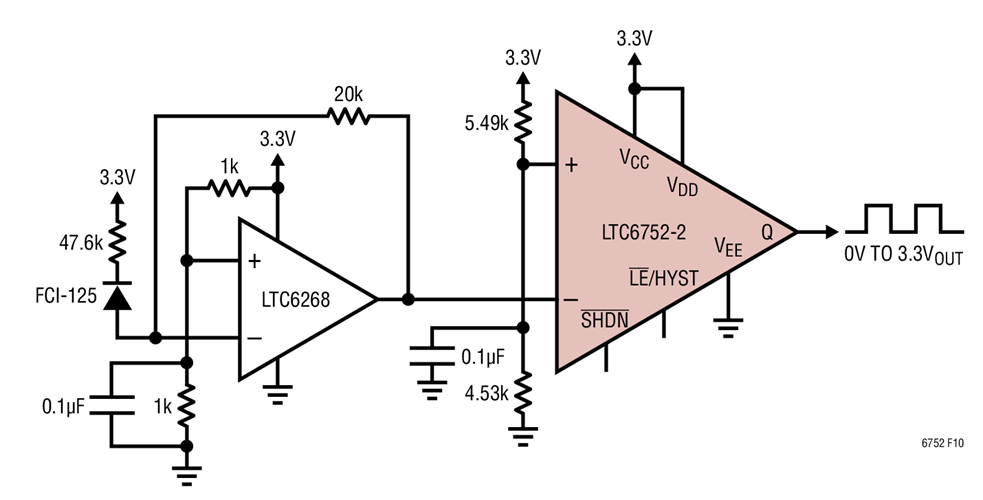
Optical Receiver Circuit

LTC6752 可与一个高速、高性能 FET 输入运算放大器 (比如:LTC6268) 一起用于实现一个如上所示的光接收器。该图示出了 LTC6268 的输出驱动 LTC6752-2 的 –IN 引脚、LTC6752-2 的 +IN 引脚和 LTC6752 输出的情形。光电二极管由一个其强度呈正弦变化的光源驱动。