登录
|
免费注册
快易购首页
|
技术文库
|
行业动态
|
数据上传
|
创客窝
网站导航
|
联系客服
|
应用与设计
应用与设计
请输入需要搜索的应用
Circuit Collections
LTC3121 USB / 电池供电的同步升压型转换器 (4.3V 至 5V/500mA)
Analog
下载资料
详情介绍
数据手册
1
查看全部
概览
产品详情
产品详情
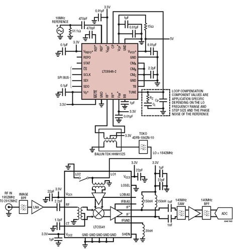
<img src='http://www.analog.com/-/media/analog/en/circuit-collections-images/ltc/533-circuit-1.jpg?la=en&w=435' alt='LTC6946-2 Driving a Passive Downconverting Mixer'>
LTC6946 是具全集成型 VCO 的高性能、低噪声、5.7GHz 锁相环 (PLL),包括一个基准分频器、具锁相指示器的相位-频率检测器 (PFD)、超低噪声充电泵、整数反馈分频器和 VCO 输出分频器。充电泵包含可选的高电压及低电压箝位,可用于 VCO 监视。
相关分类
射频和微波
锁相环 (PLL)
时钟与定时
锁相环 (PLL)
相关产品
LTC6946
LTC5541
文档
查看全部 (1)
数据手册 (1)
数据手册
(1)
PDF
570.00K
LTC6946: Ultralow Noise and Spurious 0.37GHz to 6.39GHz Integer-N Synthesizer with Integrated VCO Data Sheet
相关型号
相关型号
制造商
描述
LTC3121
Analog
具输出断接功能的 15V、1.5A 同步升压型 DC/DC 转换器