应用与设计

LTC3787 高效两相 48V 升压型转换器

详情介绍

概览

产品详情

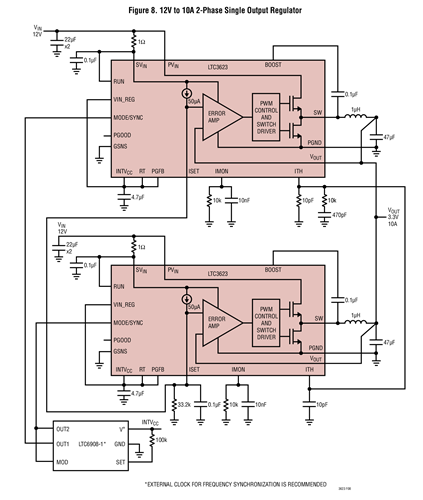
Figure 8. 12V to 10A 2-Phase Single Output Regulator

LTC3623 是一款高效率、单片式、同步降压型稳压器,其输出电压利用单个外部电阻器进行设置。在 ISET 引脚上具有内部生成的 50μA准确电流源,因而允许用户设置一个范围为 0V 至 Vin – 0.5V 的输出电压。另外,用户还能用一个外部电压电源直接驱动 ISET 引脚以设置转换器的 Vout。Vout 电压直接回馈至误差放大器,以被调节至 ISET 电压。SVin 引脚的工作电源电压范围为 15V 到低至 4V,而 PVin 引脚的电压范围则为 15V 到低至 1.5V,从而使其成为双锂离子电池和从一个 12V 或 5V 电压轨获取电源的合适之选。