登录
|
免费注册
快易购首页
|
技术文库
|
行业动态
|
数据上传
|
创客窝
网站导航
|
联系客服
|
应用与设计
应用与设计
请输入需要搜索的应用
Circuit Collections
LT8608 超低 EMI、5V、1.5A 降压型转换器
Analog
下载资料
详情介绍
数据手册
1
查看全部
概览
产品详情
产品详情
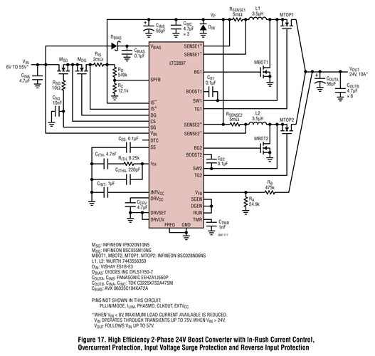
<img src='http://www.analog.com/-/media/analog/en/circuit-collections-images/ltc/37254.png?la=en&w=435' alt='Figure 17. High Efficiency 2-Phase 24V Boost Converter with In-Rush Current Control, Overcurrent Protection, Input Voltage Surge Protection and Reverse Input Protection'>
LTC3897 是一款具有浪涌抑制器和理想二极管控制器的同步升压型 DC/DC 控制器。
相关分类
电源管理
微功率升压
外部开关电源升压
开关稳压器
相关产品
LTC3897
文档
查看全部 (1)
数据手册 (1)
数据手册
(1)
PDF
2.00M
LTC3897: PolyPhase
™
Synchronous Boost Controller with Input/ Output Protection Data Sheet
相关型号
相关型号
制造商
描述
LT8608
Analog
具有 2.5μA 静态电流的 42V、1.5A 同步降压型稳压器