应用与设计

LTC3350 25V 至 35V、6.4A 超级电容器充电器具 2A 输入电流限制和 28V、50W 备份模式

详情介绍

概览

产品详情

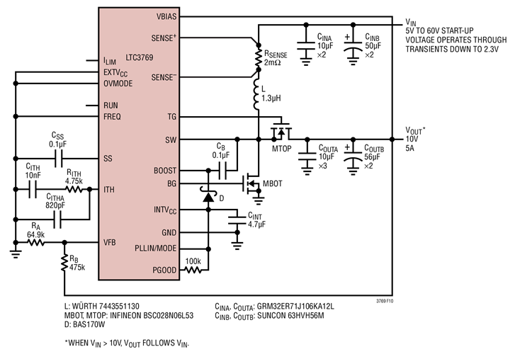
High Efficiency 10V Boost Converter


LTC3769 是一款高性能、单输出、同步升压型转换器控制器,用于驱动全 N 沟道功率 MOSFET。它所采用的同步整流可提升效率、减少功率损耗并降低散热要求,从而简化了高功率升压应用。28μA 的无负载静态电流延长了电池供电型系统中的运行时间。