应用与设计

LTC3350 11V 至 15V、2.3A Zeta-SEPIC 高电压电容器充电器具 2A 输入电流限制和 10V、25W 备份模式

详情介绍

概览

产品详情

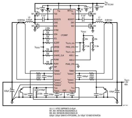
High Efficiency 350kHz 2-Phase 1.5V Dual Step-Down Converter with Sense Resistors

LTC3887 是一款双通道、多相 DC/DC 同步降压型开关稳压控制器,其具有一个符合基于 I2C 的 PMBus 标准之串行接口。该控制器运用了一种恒定频率、电流模式架构,此器件得到了具有图形用户界面 (GUI) 的 LTPowerPlay 软件开发工具的支持。