应用与设计

超级电容器后备电源

详情介绍

概览

产品详情

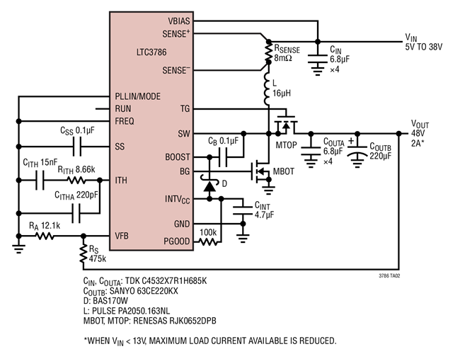
High Efficiency 48V Boost Converter

LTC3786 是一款高性能同步升压型转换器控制器,用于驱动全 N 沟道功率 MOSFET。它所采用的同步整流可提升效率、减少功率损失、并降低散热要求,从而使得 LTC3786 能够在高功率升压应用中使用。