登录
|
免费注册
快易购首页
|
技术文库
|
行业动态
|
数据上传
|
创客窝
网站导航
|
联系客服
|
应用与设计
应用与设计
请输入需要搜索的应用
Circuit Collections
电机保护 / 调节
Analog
下载资料
详情介绍
数据手册
1
查看全部
概览
产品详情
产品详情
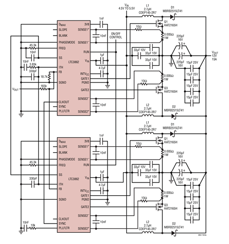
<img src='http://www.analog.com/-/media/analog/en/circuit-collections-images/ltc/11831.png?la=en&w=435' alt='A 4.5V to 5.5V Input, 12V/15A Output 4-Phase Boost Converter Application Circuit'>
LTC3862 是一款两相、恒定频率、电流模式升压和 SEPIC 型控制器,用于驱动 N 沟道功率 MOSFET。两相操作降低了系统滤波电容和电感要求。
相关分类
电源管理
SEPIC 稳压器
外部开关电源升压
开关稳压器
相关产品
LTC3862
文档
查看全部 (1)
数据手册 (1)
数据手册
(1)
PDF
0.00M
LTC3862: Multi-Phase Current Mode Step-Up DC/DC Controller Data Sheet
相关型号
相关型号
制造商
描述
LTC2991
Analog
8 通道 I2C 电压、电流和温度监视器